随着社会的发展, 人们对汽车的舒适性和安全性要求越来越高, 而手动档汽车因其繁重的选换档及离合器操作增加了驾驶难度。对于驾驶新手而言, 又会产生坡道起步易熄火、油耗大、离合器磨损严重等问题。自动档汽车虽然驾驶操作简单, 但其造价高,开发难度大。本文设计的电控自动离合器ACS(Automatic Clutch SystE) 是在手动变速箱基础上安装电控系统,取消离合踏板,实现自动离合。ACS 的优势十分明显:与手动挡相比,其驾驶操控更为简单, 具有加速快、驾驶舒适的特点; 与自动变速器汽车相比,ACS 具有造价便宜、维修方便、经济、省油。
1 系统功能
ACS 将现代电控制威廉希尔官方网站 用于控制干式摩擦离合器, interwetten与威廉的赔率体系 优秀驾驶员的操纵动作和感觉, 实现最佳的离合器结合规律, 其实质是为汽车驾驶员配备一个操纵离合器的机械人, 实现自动离合器的功能。本文设计的ACS 控制器主要实现了如下几大功能。
(1) 换档离合: 控制器接收到换档信号后, 离合器迅速自动分离, 换档到位后离合器自动结合, 结合规律由电控单元依据汽车行驶工况确定。
(2) 坡道起步: 驾驶员踩制动踏板, 启动发动机, 将换档手柄置于一档或倒档, 松开手制动器, 解除制动后不踩油门踏板汽车能够自动慢速行驶, 起步平稳, 冲击小,不熄火。
(3) 熄火保护: 汽车行驶过程中, 车速和发动机转速低于设定值后离合器自动分离, 车速和发动机转速高于设定值后离合器再自动结合。
(4)CAN 通信:ACS 控制器通过CAN 总线接口与发动机控制器实现数据通信, 为离合器与发动机的协调控制提供数据支持。
2 系统的硬件设计
2.1 控制器组成
自动离合器控制器原理框图如图1 所示。本系统的微处理器选用英飞凌高性能的8 位微处理器XC878CM, 工作频率最高可达27 MHz, 其片内硬件资源十分丰富, 片内集成了MultiCAN 控制器、捕获/比较单元6(CCU6) 、高性能ADC 模块等。XC878CM 出色的性能完全满足本系统的设计需要。本系统的硬件部分主要包括电源模块、数据采集模块、CAN 通信模块、执行电机驱动模块等。

图1 自动离合器控制器原理图
(1) 电源模块整车低压控制系统通过12 V 电池供电,8 位MCU 采用5 V 供电。所以本系统需要采用电源芯片进行电压的转换和隔离。本系统选用英飞凌电源芯片TLE4290 , 该芯片可提供稳定的5 V 电压, 误差在2%以内, 输入电压最高可达42 V。经测试, 其工作可靠, 满足系统要求。
(2)CAN 通信模块CAN 通信模块使用XC878CM 片内MultiCAN 控制器和英飞凌高速CAN 收发器IFX1050G作为CAN 通信的硬件组成。CAN 模块负责离合器控制器和发动机控制器之间的数据交换和共享, 为发动机与离合器的协调控制提供数据通信支持。
(3) 执行电机驱动模块本系统使用的执行电机为额定电压为12V 的直流电机。单片机使用一个IO 口控制执行电机的转动方向, 一路PWM 输出控制电机的转速。
PWM 波由单片机内含的CCU6 模块配置为比较模式产生。单片机通过英飞凌电机驱动芯片BTS7810实现对执行电机的控制。
(4) 数据采集模块本系统采集的数据主要有三种类型: 开关量、模拟量、频率量。开关量主要是指点火信号和驾驶员的挂档信号等, 通过单片机的I/O 口采集。
XC878CM 单片机片内集成一个带有8 路模拟输入选择的高性能10 bit 模数转换器, 可方便地用于模拟量的采集。XC878CM 内含的CCU6 模块可配置工作在捕获模式, 用于采集车速传感器发送来的频率量信号。由于汽车环境干扰较大, 信号采集电路需添加滤波、电压调理等电路。此外, 对于频率量采集, 由于接收的是脉冲信号, 还需要使用施密特触发器进行脉冲信号的整形。
2.2 电机驱动电路设计
离合器执行机构采用12 V 直流电机驱动, 单片机采用脉宽调制PWM 威廉希尔官方网站 控制电机转速。PWM 调速方法以控制简单、动态响应效果好、调速范围宽等优点成为应用十分广泛的调速方法。
对直流电机转动方向的控制需要通过搭建H桥电路实现, 由于自行搭建的H 桥电路及栅极驱动电路往往在可靠性方面很难保证。因此,本文选择了集成的电机驱动芯片BTS7810K 来驱动离合器执行电机。芯片BTS7810K 是一款全桥电机驱动芯片, 其内部集成了H 桥电机驱动电路及栅极驱动电路, 其工作频率高达1 kHz 以上,可方便可靠地实现对直流电机的控制。BTS7810K 正常工作模式的输入输出特性如表1 所示。
表1 BTS7810K 输入输出特性

电机驱动电路如图2 所示, 单片机使用一个I/O 口输出控制电机转向, 一路PWM 输出控制电机转速。两路控制信号通过一个与门和两个非门组成的接口电路连接到驱动芯片的输入端IH1、IH2。这样做是为了保证两个输入端不同时为高电平, 防止桥臂直通问题的出现,提高系统的安全性和可靠性。

图2 电机驱动电路
2.3 CAN 节点接口设计
CAN 总线是德国Bosch 公司20 世纪90 年代初为解决现代汽车中众多控制与测试仪器之间的信息交换而开发的一种串行通信协议网络[ 3]。它具有传输速率高、可靠性强和实时性好等特点, 正好符合ACS 与发动机协调控制的通信需要。对发动机和离合器进行综合控制,充分利用发动机电子控制系统控制发动机转速及时、准确的特点, 使之与离合器相互协调配合, 将有利于离合器取得更好的控制效果, 进而提高换挡品质。
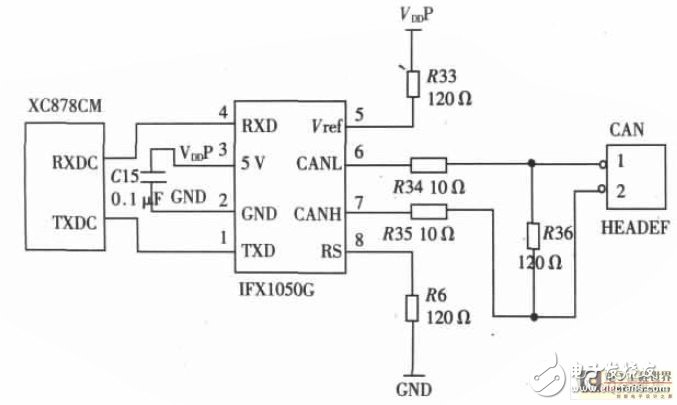
CAN 节点硬件电路主要包括: 带有CAN 控制器的微控制和用于数据收发的CAN 收发器。本文选用的微处理器XC878CM 带有片内的CAN 控制器, 主要负责CAN 的初始化和数据处理。MultiCAN 模块集成了除收发器外CAN 总线控制器的所有功能。此外,MultiCAN 还具有先进的验收滤波功能、先进的数据管理、先进的中断管理等优良特性。CAN 的收发器种类很多, 本设计中选用英飞凌公司的高速收发器IFX1050G。CAN 节点的接口电路图如图3 所示。

图3 CAN 节点的接口电路图
3 软件设计
电控单元ECU 的控制软件主要由离合器控制程序和CAN 总线通信程序组成。
3.1 离合器控制软件设计
离合器的控制程序包括三个部分: 离合器分离控制程序、起步结合控制程序、换挡结合控制程序。其中分离控制程序比较简单,ECU 得到分离指令后, 离合器全速分离, 并且准确地在完全分离点停止即可。离合器的控制难点在于起步结合控制。离合器的起步结合过程既要保证车辆起步的平稳性、舒适性、起步不熄火, 又要保证起步的快速性, 减少滑摩功的产生, 延长离合器使用寿命。因此, 要取得较好的控制效果除了对离合器的结合量进行控制外, 还要对离合器的结合速度进行控制, 并通过与发动机的协调控制, 提高控制效果。图4 为起步结合控制软件流程图。换挡过程中离合器的结合控制与起步控制在控制策略上类似, 在此不再赘述。

图4 起步结合控制软件流程图
3.2 CAN 通信协议设计
CAN 通信协议包括物理层、数据链路层和应用层。物理层和数据链路层是通过硬件实现的, 在使用CAN 通信时, 需要开发者自行定义应用层协议。构造应用层协议的主要任务是ID 分配、定义消息周期、确定信号与消息的映射关系。设计要考虑的主要因素有数据传输的实时性要求、数据的相对重要程度、与数据相关的应用控制算法对数据的时间要求等。国际上存在一些现有的标准, 如CANopen 、SAE J1939 等。
在一些利用简单的通信协议就可以满足要求的情况下, 采用复杂的协议会造成资源浪费, 用户在应用时也会觉得诸多不便, 反而限制了灵活性。本文设计的CAN 总线网络中仅有离合器控制器和发动机控制器两个节点。针对仅有两个节点的实验平台, 本文从协议实现的代码量、目标系统的信息量、软件的开发成本等角度出发, 定义一种简单可靠的CAN 协议。具体的通信协议定义如表2 所示, 标识符用来表示信息的优先级, 标识符越小优先级越高。
表2 CAN 总线通信协议

4 CAN 通信测试实验
本文实验是在自行搭建的离合器模拟实验平台上进行的。本实验平台是由离合器控制板、加速踏板、刹车踏板、相关传感器、离合器执行机构及发动机模拟控制板组成。离合器控制板与发动机模拟控制板之间通过CAN 总线通信。图5 为实验过程中通过CAN 总线传送的档位变化信息, 图6 为通过CAN 总线传递的加速踏板开度信号。

图5 档位信息

图6 加速踏板开度信号
本文提出了一套电控自动离合器的控制器方案, 并进行了系统的软硬件开发, 初步实现了自动离合器的基本功能, 设计了CAN 总线接口。在实验平台上验证了控制器方案及CAN 通信模块的可行性和可靠性, 为实车试验打下基础。
电子发烧友App





































评论