5V RS232 / RS485多协议收发器参考设计,用于全双工RS232(双通道)线路收发器,具有基于LTC1387的SLEW和终端控制5V RS232 / RS485多协议收发器
2020-06-12 07:07:28
5V RS232 / RS485多协议收发器参考设计使用LTC1387 5V RS232 / RS485多协议收发器
2020-06-12 07:42:20
LTC1387:5V RS232 / RS485多协议收发器参考设计,使用基于LTC1387 5V RS232 / RS485多协议收发器的半双工RS232(1通道)线路收发器
2020-06-11 16:13:24
RS-232 - RS-232/RS-485/RS-422 TRANSCEIVER WITH INTERNAL TERMINATION - Exar Corporation
2022-11-04 17:22:44
使用连接到12V和5V电源的LT1080 RS-232收发器扩展5V供电的RS232收发器的应用
2020-06-11 14:13:00
不具备±12V (或其它电压)电源,为了采用单电源提供两路供电电压,Maxim公司开发了众多内置电源转换器的收发器。图4. RS-232输出电平摆幅以下内容讨论了各种双电源供电的特殊需求。 3.0V至
2014-03-14 10:49:48
电压为3V的DC-DC转换器,则输出电流可达54.5mA。2.2 智能控制收发使能RS-232通讯接口采用电平方式传输,适用于点-点通讯,无须专门的收发使能控制;而对于RS-485RS-422通讯接口
2019-06-18 05:00:14
RS-232信号不能进行长距离的通信,另外一个缺陷就是RS-232接口很容易因为浪涌、回路电压等因素导致接口芯片的损坏。基于这个现状,波士电子已经开发出RS-232的光隔远程收发器,这种产品能满足
2014-05-27 15:07:58
地用于连接设备外壳或者地表。常见的 RS-232 串行口连接器主要有两种,一种是 25 针的 DB-25,另一种是 9 针的 DB-9,其示意图如图 5-1 所示。其中 DB-9 主要用于上述的 9 根
2018-10-17 09:44:44
) 表达式2是数据线的功耗,表示为驱动器峰峰值电压的平方乘以频率和电容。本地RS-232驱动器的数量对此没有影响,因为每次只接通一个驱动器。 F × C ×(2 × V)2(2) 持续接通的RS-232
2018-09-05 16:07:34
规定,还对各种信 号的电平加以规定。后来 IBM的 PC机将 RS-232简化成了DB-9连接器,从而成为事实标准。而工业控制的RS-232口一般 只使用 RXD
2008-10-21 00:30:31
和数据链路层。 RS-232总线RS-232总线标准是最常见的串行通信总线标准之一,最初制定于1962年,用于计算机和调制解调器之间的通信。它目前仍广泛用作系统间的通信链路,其简易、灵活性以及长期的成功
2018-11-22 09:30:09
;电平为逻辑“1”时:-3V~-15V;未定义区:-3V~+3V。在此区域内的信号处理将由通讯接口的RS-232 收发器决定。2.RS232端口的应用领域:1)工业控制,DCS,数据采集系统/计算机
2016-08-19 16:04:14
中都不具备±12V (或其它电压)电源,为了采用单电源提供两路供电电压,Maxim公司开发了众多内置电源转换器的收发器。图4. RS-232输出电平摆幅以下内容讨论了各种双电源供电的特殊需求。3.0V
2011-09-22 14:46:56
EXAR拥有业内唯一的单芯片多协议解决方案和最快的数据速率(高达52Mbps).多协议串行收发器支持业内流行的串行协议-V.10,V.11,V.28(RS232),V.35,V.36(RS
2014-09-01 10:22:03
或THVD1500),则无需外部元件来保护 RS-485 接口免受收发器指定级别 ESD 影响。例如,无需任何外部元件,THVD1450 即可提供 18kV IEC 61000-4-2 接触放电保护
2023-03-09 14:55:19
描述此设计 (TIDA-00540) 允许通过 RS-485 或 RS-232 数据总线进行通信,而无需为每种情况分别进行布线。数据线路可在两种不同类型的收发器之间进行共享,而单个控制信号则可
2022-09-21 07:37:59
DP3085是5V、半双工、±15kV ESD 保护的 RS-485/RS-422 收发器电路,电路内部包含一路驱动器和一路接收器。
DP3085具有增强的摆率限制,助于降低输出 EMI 以及不匹配
2023-09-06 09:47:36
所示典型 RS-485 数据链路。我们看到,除驱动通过端接电阻器的差分电流以外,驱动器还必须驱动通过许多接收机输入阻抗的电流,以及通过位于总线上的故障保护网络的电流。这些阻抗在差分信号线路和接地之间
2018-09-19 14:22:25
过电压。而RS485收发器工作电压较低(5V左右),其本身耐压也非常低(-7V~+12V),一旦过压引入,就会击穿损坏。在有强烈的浪涌能量出现时,甚至可以看到收发器爆裂,线路板焦糊的现象。 日前推出
2015-07-30 17:06:31
+85℃之间温度范围。PW2606B,PW2606是前端过电压和过电流保护设备。它实现了2.5V至40V的宽输入电压范围。过压阈值可以在外部编程或设置为内部默认设置。集成电源路径nFET开关的低电阻可
2021-04-24 14:44:56
流保护设备。它实现了2.5V至40V的宽输入电压范围。过压阈值可以在外部编程或设置为内部默认设置。集成电源路径nFET开关的低电阻可确保为电池充电系统应用提供更好的性能。它可以提供高达1A,2A的电流
2021-04-24 11:21:16
过压故障保护CAN收发器LT1796资料下载内容主要介绍了:LT1796引脚功能LT1796内部方框图LT1796典型应用电路
2021-03-31 06:27:53
)NO 高端过压限流产品:(智能手表,通讯产品,路由器,主板保护,智能耳机等) PW155530V输入过压保护2.5V-15V2.5V-15V1A-4.6A(可调)5V / 6.5V /14V可选
2020-11-30 18:31:09
DC827A-A,演示电路是1.8V至5.5V RS-232双收发器,采用LTC2803
2019-08-27 08:39:31
DC827A-B,演示电路是一款1.8V至5.5V RS-232双收发器,采用LTC2804
2019-08-27 08:42:38
电路功能与优势图1所示电路使用ADM3485E 收发器,是经过验证并测试的 电磁兼容性(EMC)解决方案,可为使用广泛的RS-485通信端口提供三重保护。每个解决方案都经过测试和特性表 征,确保
2018-10-16 08:56:48
EVAL-ADM3252EEBZ,评估板可用于轻松评估ADM3252E隔离式RS-232收发器。螺钉接线端子为电源和信号连接提供方便的连接。测试点包含在隔离栅两侧的电源线和信号线上。评估板上包含所有必需的外部组件
2019-08-08 08:08:33
LTC1387:5V RS232 / RS485多协议收发器参考设计,使用基于LTC1387 5V RS232 / RS485多协议收发器的半双工RS232(1通道)线路收发器
2020-06-12 14:15:18
DN176-LTC1387:5V RS232 / RS485多协议收发器
2019-05-31 16:25:47
±15 kV esd保护5 V RS-232收发器
2023-03-28 18:28:09
变换器给该隔离器和收发器供电。ADuM1402 iCoupler数字隔离器、ADM232L RS-232收发器和带隔离的电源的组合用法,如图3所示,避免了接地环路问题并且提供了有效的保护以防止浪涌破坏。
2018-12-25 14:04:48
RS-232异步串行链路。 异步变送器 它创建了一个“TXD”序列数据传输的信号。 异步接收器 这需要从FPGA的外部信号“RXD”和“反序列化”容易使用FPGA内部。 完整资料下载
2012-03-20 14:05:46
是指规定了数据包的内容,内容包含了起始位、主体数据、校验位及停止位,双方需要约定一致的数据包格式才能正常收发数据的有关规范。在串口通信中,常用的协议包括RS-232、RS-422和RS-485。下面主要讲解RS-232标准。...
2022-02-15 06:31:40
使用两个LT1080的RS-232收发器扩展5V供电的RS232收发器的应用,带有用于储能的通用电源电容器
2020-06-11 14:32:28
要求远距离或者在多个RS-232应用之间实现RS-232数据传输的一些工业用数据链路,通常都使用RS-232到RS-485转换器。尽管存在高达±13V的高信号摆幅,但RS-232仍然是一种非平衡或单
2022-11-23 07:05:51
具有自动电源关闭控制功能的RS232收发器,用于具有自动关闭控制功能的快速开启收发器
2020-06-11 06:38:47
的,而双路RS-232收发器MAX232虽然只需要+5V电源,但对于仅用单路收发器的应用系统来说,又显得有些冗余。本文介绍一种体积小、功耗低、单+5V电源供电的单路RS-232收发器ADM101E芯片
2018-11-28 14:42:59
,内部集成DC-DC隔离电源,信号隔离通道及RS-232收发器,接口带有±15KV的ESD保护和25KV/us的共模抑制能力,非常适于工作在苛刻的电气环境或频繁插拔RS-232电缆的环境中
2019-03-06 07:54:13
5V RS232 / RS485多协议收发器参考设计使用LTC1387,用于基于LTC1387的半双工RS485(1通道)线路收发器5V RS232 / RS485多协议收发器
2020-06-11 16:13:24
对 VOUT上的20V电源造成影响。结论通过采用背对背 MOSFET (而并未使用二极管), LTC4365 控制器为敏感电路提供了过压、欠压和电源反接的保护作用。电源电压只有在合格通过可由用户调节的 UV
2018-10-29 16:59:59
的最大电压限制。任何高于此电压的电压都会使收发器处于不安全的操作区域,并可能导致永久性损坏。示例:用于RS-232,RS-485和CAN收发器的TVS选择我想展示一些RS-232,RS-485和CAN
2020-08-19 16:08:04
是必须的,ADI公司基于iCoupler磁隔离威廉希尔官方网站
的隔离型RS-232接口收发器ADM3251E,内部集成DC-DC隔离电源,信号隔离通道及RS-232收发器,接口带有±15KV的ESD保护和25KV
2010-04-01 15:42:47
,内部集成DC-DC隔离电源,信号隔离通道及RS-232收发器,接口带有±15KV的ESD保护和25KV/us的共模抑制能力,非常适于工作在苛刻的电气环境或频繁插拔RS-232电缆的环境中
2018-10-26 11:47:02
信号转换为接口处更高的±8V到±13V电平。这些高压总线信号再通过另一个RS-232芯片转换回标准逻辑电平,以同RS-485收发器进行通信。在发送方向,485收发器将来自RS-232接收器输出的逻辑
2018-09-19 11:48:18
2500VRMS隔离式RS485 + RS232收发器,带电源
2019-07-01 16:54:49
DN14- 扩展5V供电的RS232收发器的应用
2019-07-17 08:06:21
,RS-232收发器的演变也反映了串口通信的发展需求。冗余收发器RS-232链路,提供±40V过压保护并行RS-232收发器能够在对安全性要求苛刻的应用中提供双重可靠保证。但是,这种冗余收发器结构会为数据
2014-03-14 10:54:53
的 RS-232 接口链路需要尺寸小、性能可靠、成本低且隔离良好。通过将芯片级变压器隔离与标准 RS-232 接口收发器相集成,可以通过单芯片、全隔离式RS-232 收发器(含隔离电源)来提供上述优势
2018-10-23 17:10:57
无法损坏RS-232收发器或导致传输错误数据,从而使数据链路具有极高稳定性。2.5 kV隔离保护和认证隔离收发器能够在器件的逻辑和总线端之间提供2.5 kV的隔离。该隔离额定值确保逻辑端没有电流能够进出
2018-10-16 21:01:07
描述此设计 (TIDA-00540) 允许通过 RS-485 或 RS-232 数据总线进行通信,而无需为每种情况分别进行布线。数据线路可在两种不同类型的收发器之间进行共享,而单个控制信号则可
2018-08-17 06:22:15
5V RS232 / RS485多协议收发器参考设计使用LTC1387,用于基于LTC1387的半双工RS485(1通道)线路收发器5V RS232 / RS485多协议收发器
2020-06-12 12:06:32
5V RS232 / RS485多协议收发器参考设计使用LTC1387实现全双工RS485 / RS422(双通道)线路收发器,具有基于LTC1387的SLEW和终端控制5V RS232 / RS485多协议收发器
2020-06-12 09:27:27
`优恩半导体新推出RS232收发器UN232,UN232 是一款 5V 单电源供电、双通道、低功耗的完全满足 TIA/EIA-232 标准要求的 RS-232 收发器。UN232 包括两个驱动器
2019-05-06 10:19:32
远高于 RS-232 标准的数据率,从而确保在任何情况下,隔离都不是设计中的限制因素。主要特色高电压 RS-232 隔离位速率最高可达 1 Mbps2.5kVRMS 操作隔离边界(根据 UL)适用于隔离和 RS-232 收发器的集成式能量收集使用 5V 至 12V RS-232 驱动器进行操作
2018-08-02 08:28:39
本文主要讲述的是具有±40V过压保护的冗余RS-232收发链路 。
2009-04-24 15:24:08
23 iCoupler Isolation in RS-232 Applications:The RS-232 bus standard is one of the most popular serial
2009-06-21 10:34:33
14 冗余收发器RS-232 链路,提供±40V 过压保护:并行 RS-232 收发器能够在对安全性要求苛刻的应用中提供双重可靠保证。但是,这种冗余收发器结构会为数据总线增加额外的负载。本应用
2009-10-01 22:13:07
54 RSM232隔离RS-232收发器具备电源隔离、电气隔离、RS-232收发器,有提高系统稳定性,简化设计等诸多优点。完全符合EIA/TIA-232E和ITU-T V.28规格,采用5V电源供电,具有2500VDC的隔离电压
2009-11-10 14:08:16
103 RSM232D是致远公司开发的一款双路隔离RS-232收发器。内部具备电源隔离、电气隔离、RS-232收发器,可以有效提高系统稳定性,简化电路设计。RSM232D完全符合EIA/TIA-232E和ITU-T V.28规格,
2010-03-04 14:01:06
36 RSM232隔离RS-232收发器具备电源隔离、电气隔离、RS-232收发器,有提高系统稳定性,简化设计等诸多优点。完全符合EIA/TIA-232E和ITU-T V.28规格,采用3.3V或5V电源供电,具有2500VDC的隔离电
2010-03-06 14:59:19
36 LTC2804CGN-1#TRPBF,ADI/亚德诺,1.8V至5.5V RS-232单收发器和双收发器LTC2804CGN-1#TRPBF,ADI/亚德诺,1.8V至5.5V RS-232单收发器
2023-10-17 16:29:32
Debugging systems that use an RS-232 serial bus can be difficult, unless your scope is capable
2010-08-05 09:59:33
12 摘要:SP3223E/3243E是SIPEX公司生产的RS-232收发器接口芯片。该器件内部含有一个高效电荷泵,可在单+3.0V~+5.5V电源下产生±5.5V的RS-232电平,并
2006-03-24 12:58:20
3021 
ADI公司推出首款完全隔离的单芯片表面贴装RS-232收发器,适合恶劣的工业环境
Analog Devices,Inc.(纽约证券交易所代码:ADI),全球领先的高性能信号处理
2008-09-16 11:06:12
737 Abstract: RS-232 features are explained in a way that makes it easy to select an appropriate RS-232
2009-04-24 16:41:09
3595 
MAX13223E 带有±70V故障保护的双通道RS-232收发器
Maxim推出带有±70V故障保护的双通道RS-232收发器MAX13223E。MAX13223E与工业标准的MAX3223E引脚兼容,是市场
2009-09-07 07:17:29
1016 
RS-232 接口,RS-232 接口是什么意思
电缆长度限制 RS-232的最初标准建议将电缆长度限制在50 ft以内,对于≤20 000 b/s的数据
2010-03-09 10:57:11
61010 DID/RS-232,DID/RS-232是什么意思
是Digital Information Display的简称。是三星电子于2006年推出的新一代液晶显示威廉希尔官方网站
,广泛应用
2010-03-27 12:00:01
1392 单芯片RS-232/RS-485/RS-422串行收发器SP336
Exar公司发布了下一代单芯片RS-232/
2010-04-14 16:37:50
1994 Abstract: RS-232 transceivers have been integral to RS-232 designs for more than two decades.
2010-06-20 10:04:44
1373 
摘要:将RS-232收发器集成到RS-232设计已经经历了20多年的历史。本应用笔记回顾了RS-232收发器的发展过程,对每一进程的威廉希尔官方网站
优势以及带给用户的益处进行了详细说明。以业内
2010-11-13 10:11:03
3158 
本内容提供了微处理器监控电路和RS-232收发器交叉选型表
2011-08-31 17:46:55
0 电子元件应用笔记——MAX367 具有±40V过压保护RS-232收发链路
2016-08-18 18:24:01
0 RSM232隔离RS-232收发器具备电源隔离、电气隔离、RS-232收发器,有提高系统稳定性,简化设计等诸多优点。
2016-12-07 10:47:26
3487 
Increased Battery Life through Autoshutdown Techniques Many RS-232 transceivers provide a simple
2017-04-12 14:17:57
12 泰德- 01230参考设计提供了一个紧凑的解决方案能产生孤立的直流电源同时支持隔离的rs - 232通信。 强化数字隔离器的设计包括综合实力加上一个rs - 232通信收发器。 个人计算机上的通讯
2017-05-02 14:43:07
14 无源RS-232光隔2×2口交换器(型号SWT2232G)用于2路RS-232上位机与2路RS-232下位机之间的交换连接,可以将2路RS-232总线进行组网。
2017-09-22 15:57:47
6 UT-2212/3212系列RS-232长线驱动器或长线收发器或长距转发器,它可以同时将两台异步通信的RS-232设备的通信距离延长至最大1.2公里。由于采用了防雷威廉希尔官方网站
,完全保护了两端RS-232
2017-10-09 10:00:14
2 TIDA-01230 参考设计提供了一个紧凑型解决方案,能够生成隔离式直流电源,同时支持隔离式 RS-232 通信。该参考设计包含一个带有集成电源的增强型数字隔离器和一个 RS-232 通信收发器。
2017-12-05 15:34:42
25 了解三种主流串行收发器之间的差异:RS-232、RS-422和RS-485。本视频详细介绍每种通信协议,并提供应用示例。
2018-10-11 04:09:00
7964 MRT232隔离RS-232收发器具备电源隔离、电气隔离、RS-232收发器,有提高系统稳定性,简化设计等诸多优点。完全符合EIA/TIA-232E和ITU-T V.28规格,采用3.3V或5V电源供电, 具有1500VDC的隔离电压, 波特率可高达115200bps。
2018-10-18 08:00:00
3 3PEAK 高性能接口电路:RS-232、RS-485收发器 接口电路介绍: 3PEAk公司提供了一系列RS-232、RS-485 收发器以适合多种应用。我们的单电源供电 RS-232 收发器
2020-04-30 16:47:08
4967 坚固型、双通道 RS232/RS485 多协议收发器可提供集成的可通断终端
2021-03-20 13:01:32
13 LTC2801/LTC2802/LTC2803/LTC2804:1.8V至5.5V RS-232单/双收发器产品手册
2021-04-30 08:08:19
0 ADM101E:手工艺端口™便携式应用微型RS-232型收发器数据表
2021-05-18 12:04:35
6 ADM1487:低EMI和±10kV ESD保护的超低功耗RS-232/RS-422收发器初步数据表
2021-05-18 14:23:22
2 RS-232收发器SP3223E/3243E数据手册
2021-06-08 09:16:42
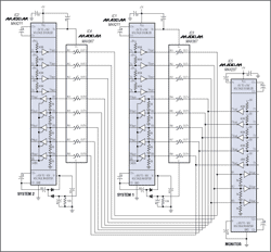
36 电子发烧友网站提供《RS485/RS232多协议收发器参考设计.zip》资料免费下载
2022-09-06 10:00:40
4 时是2脚相对7脚(信号地)的电平。 2.传输距离不同,RS-232适合本地设备之间的通信,传输距离一般不超过20m。而RS-485的传输距离为几十米到上千米。 3.传输单位不同,RS-232 只允许一对一通信,而RS-485 接口在总线上是允许连接多达128个收发器。 4.电平标准不同:典型的RS-232信号
2022-10-30 13:29:23
24815 本文描述了一个电路,该电路允许四个远程RS-232收发器共享一个UART。双通道四对一多路复用器允许收发器IC1与四个远程收发器形成网络。
2023-01-14 14:48:29
812 
RS-232特性的解释方式使选择合适的RS-232通信IC以满足任何系统需求的方式变得容易。特别注意信号摆幅、压摆率、增强型ESD保护以及高达1Mbaud的数据速率。引入了RS-232兼容
2023-03-28 11:05:47
1578 
MAX3250高失调电压(高-VOS)抑制RS-232收发器为线路侧收发器电路提供±50V隔离数据接口和电源。与光隔离或变压器隔离的RS-232收发器不同,其主要特点是低成本、在单个小型IC封装中允
2023-03-30 11:07:30
944 
RS-232标准要求低电平为+5V(最小值),高电平为-5V(最小值)。更高的电压摆幅可确保信号通过有损电缆传输到RS-232接收器后具有更大的抗噪性。早期的RS-232收发器(如MAX1488和MAX3185,至今仍在使用)需要双电源。大多数电路板都包括一个负电源,仅用于为这些设备供电。
2023-03-30 11:08:23
857 
RS485/RS422/RS232/RS562收发器SOP-85VOriginal2.5Mb/sOriginal
2022-08-19 15:54:03
6 MS2232/MS2232T芯片是集成电荷泵、具有±20kV ESD保护的RS-232收发器,包括两路接收器、两路发送器。芯片满足TIA/EIA-232标准,为异步通信控制器和串口连接器提供通信接口。
2023-11-23 11:51:40
281 
电子发烧友网站提供《高ESD保护,单电源 RS-232收发器UM232EExE系列数据手册.pdf》资料免费下载
2024-03-06 15:27:49
0 电子发烧友网站提供《单电源RS-232收发器 UM3221E/UM3222E/UM3232E数据手册.pdf》资料免费下载
2024-03-06 15:29:39
0
评论