为了降低CCD驱动电路的功耗,提出了基于共模扼流圈的CCD驱动电路设计方案。该方案采用CCD驱动器产生低电压的驱动信号,然后利用共模扼流圈进行电压幅度的放大。
2013-10-24 15:54:48
3370 
KAI-01050是KODAK公司生产的最高帧频可达120 f/s的高速面阵CCD.本方案针对其驱动信号特点,详细介绍CCD各部分功率驱动电路设计。
2013-10-28 09:29:12
3412 
,把存储的电荷以电荷包的形式定向传输转移,从而完成从光信号到电信号的转换。CCD具有体积小、质量轻、功耗小、工作电压低和抗烧毁等特点,在分辨率、动态范围、灵敏度等方面的优越性也是很多其他器件无法比拟的,目前CCD器件已经广泛地应用到各种各样的成像系统中,成为现代电子学和现代测试威廉希尔官方网站
中最活跃的传感器之一。
2019-09-17 07:19:09
有木有做过线阵CCD驱动的,线阵CCD输出经过AD转换后,为什么被遮挡部分的输出值大于光照区的值,不是应该相反嘛,求解答
2017-03-29 11:21:19
测量领域的发展尤为迅速,它具有噪声低、光谱响应宽、精度和灵敏度高、可靠性好等优点。CCD成像系统主要由光学系统、驱动电路、信号处理电路和图像处理电路组成。
2019-10-22 07:28:34
LabVIEW控制CCD相机实现采集图像,求程序,各位大神帮帮忙,急急急啊!
2017-04-06 17:36:06
利用NI MAX配置CCD相机刚开始出现无法连接的错误把360关掉之后又出现图中错误 求指点
2015-03-04 10:45:10
请教各位大神如何在Labview中建立CCD相机的二维坐标系。谢谢!
2016-10-08 11:40:19
我想识别显微镜的CCD相机,相机型号是Toup Tek公司的E31SPM06300KPA。相机在电脑的设备管理器中是上述型号。由于我不是很懂labview,所以不清楚为什么labview不能识别这个
2021-03-11 15:53:15
, 1769系列模块,1747系列模块,回收基恩士 视觉系统,光电开关,温度传感器,CCD相机,回收施耐德410系列CPU模块,plc模块,触摸屏, 常年高价回收工控自动化产品,配件,元件,卡件,有出售,转让,个人采购多余用不上的CPU模块,plc模块,触摸屏,联系我高价格回收,手机;***微信同步
2020-06-15 16:33:05
我现在有一点疑惑,如何在特定的时间触发CCD相机?是通过控制H/V时钟全部到复位状态给CCD,还是控制HD,VD信号,让AD输出RG信号?
2023-12-06 06:46:11
回收COGNEX康耐视 IS智能影像ID读码器系统 CCD工业相机回收,回收康耐视相机工业CCD相机、工业镜头、传感器、控制器,回收康耐视相机工业CCD相机,工业摄像机,工业数字摄像机,工业CCD
2021-09-24 12:06:46
回收COGNEX康耐视 IS智能影像ID读码器系统 CCD工业相机回收,回收康耐视相机工业CCD相机、工业镜头、传感器、控制器,回收康耐视相机工业CCD相机,工业摄像机,工业数字摄像机,工业CCD
2021-12-05 14:07:34
回收COGNEX康耐视 IS智能影像ID读码器系统 CCD工业相机回收,回收康耐视相机工业CCD相机、工业镜头、传感器、控制器,回收康耐视相机工业CCD相机,工业摄像机,工业数字摄像机,工业CCD
2021-12-20 12:10:27
相机中。数字航测相机是基于数字相机的基本原理,将图像以数字信息的形式存储、转移,并与地面实现通信。CCD图像传感器是相机的眼睛,它对相机的性能起到非常关键的作用,因此,实现电子扫描功能的CCD驱动电路
2018-11-15 14:54:53
目前,国内智能相机的开发还是处于起步阶段,但是它却在现实中拥有广泛的应用。典型的机器视觉系统是一般由光源、CCD或CMOS相机、图像采集卡、图像处理软件及一台PC机构成。其中,图像的采集功能由CCD
2019-09-04 07:38:23
于外部SDRAM中,被读取后显示在LCD上。本文重点介绍了各器件的电路设计和驱动程序的编写。实践表明,该设计成本低,实时性较高。关键词:Nios II;CCD;数据采集系统;AD9844A;驱动时序
2019-06-03 05:00:06
如题,我用ni的图像采集卡来采集ccd相机的图像,但我想在程序中设置相机的曝光时间,我在属性节点中没有看到该属性,请问我怎么设置呢?
2013-10-12 10:56:39
代表CCD内部的走线等效串联电阻,Cccd代表CCD的等效负载电容。可见CCD 驱动电路为RC 充放电电路。 对于RC电路,其功耗可以用公式(1)近似给出。 式中:C 为电容值大小;V 为信号
2018-09-28 10:11:39
CCD传感器驱动电路包括哪些?怎样去设计一种CCD传感器驱动电路?
2021-06-08 07:07:50
如何去实现数码相机CCD的前端系统设计?
2021-06-04 06:30:51
CCD驱动电路的实现是CCD应用威廉希尔官方网站
的关键问题。以往大多是采用普通数字芯片实现驱动电路,CCD外围电路复杂,为了克服以上方法的缺点,利用VHDL硬件描述语言.运用FPGA威廉希尔官方网站
完成驱动时序电路的实现
2019-10-21 06:05:17
咨询热线***同步微信,广东康耐视工业CCD相机高价回收, 回收康耐视品牌工业相机大量回收CCD相机回收二手工业相机, 广州高价回收康耐视CCD相机,基恩士视觉系统扫描枪收COGNEX/康耐视工业CCD相机,回收ID扫描系统,回收康耐视工业相机,回收 CAM-CIC-5000R-14-G ,
2020-09-22 10:36:02
怎么用Labview控制采集CCD相机的图像并保存图像?
2015-06-22 22:51:47
`基恩士全系列开关以及整套系统CCD相机镜头高价回收回收基恩士传感器收购工业CCD相机和整套视觉系统回收基恩士光电开关和传感器!高价收购基恩士光电开关,传感器,回收基恩士光电开关开关,光电开关,回收
2020-12-01 18:43:23
新手求助如何去设计CCD传感器驱动电路?
2021-05-06 08:00:53
某电路为某图像搜索所用的CCD图像传感器(Sony ICX409AL)提供驱动和控制。该CCD是一种高性能的成像器件,其工作需要多路不同且有严格相位关系的时钟脉冲来驱动和控制,使CCD实现光信号积分
2021-04-06 08:21:26
在以前CCD驱动电路的设计中采用AD9923A,由于CCD的驱动时序比较简单,而9923A寄存器配置相当复杂。现在要重新设计一种CCD驱动电路,并且CCD的驱动时序非常简单,所以想选择一款低端的专用ADC,能否推荐一款比较低端的类似9923A的CCD专用驱动芯片。
2018-11-29 09:14:32
咨询热线***同步微信,,深圳康耐视CCD工业视觉相机高价回收,,康耐视全新二手视觉系统 扫描枪深圳地区上门高价回收康耐视扫描枪,CCD相机,镜头整套系统全新二手高价回收回收康耐视:读码器,扫描
2020-09-22 10:28:52
请问arm9能用CCD相机吗?如果能用的话,该如何连接呢?它是否需要特定的驱动才能在linux下使用呢?它的编程与cmos相机有区别吗?请大家帮帮忙!谢谢大家!
2015-08-21 17:22:29
怎样去设计一种CCD相机驱动电路?
2021-06-07 06:18:05
高帧频CMoS相机驱动系统是由哪些模块构成的?怎样去设计高帧频CMoS相机驱动电路?
2021-04-29 06:11:28
长期大量回收CCD工业相机基恩士康耐视全新二手CCD工业相机,,回收COGNEX/康耐视5400 IN-Sight 5400 工业相机,回收COGNEX/康耐视 IS工业相机 ID扫描系统 ,回收
2020-09-11 13:59:33
和EMCCD双读出模式。在微光成像系统中更具有优越性, 能实现真正意义上的24 h 实时监控。 2驱动电路的设计 2. 1 CCD97 驱动电路的要求 成像区向存储区的转移波形如图1 所示。图1成像区向
2018-11-13 11:13:20
CCD图像传感器及其数字相机威廉希尔官方网站
综述了CCD图像传感器的发展趋势、工作原理以及CCD数字照相机威廉希尔官方网站
。关键词: CCD 图像传感器 数字相机
Abstract: It is summarized for the deve
2009-04-26 11:12:27
79 详细介绍紫金山天文台红外实验室开发的CCD 相机系统的软硬件设计。根据柯达CCD 芯片KAF-0401LE 的时序要求, 用复杂可编程逻辑器件(CPLD)实现了CCD 的时序;采用相关双采样威廉希尔官方网站
降低
2009-05-14 16:07:46
36 采用IL2E2 TDI CCD 做为传感器,与计算机构成了成像系统,并在计算机CRT 上显示出图像。主要介绍高速CCD 相机的工作时钟产生电路的设计,采用大规模集成电路FPGA 实现了该工作时钟驱动
2009-07-04 16:02:55
44 结合CCD 相机系统的接口设计,介绍了串口通讯的应用方案。对系统串行通讯体系、串行通讯协议的设计、软件实现等方面给出了实际应用中的设计要点。为今后串行通讯设计工作积
2009-08-18 10:29:55
10 本文以TCD1501C 型CCD 图像传感器为例.介绍了其性能参数及外围驱动电路的设计.
2009-11-26 15:34:39
43 奥林巴斯(Olympus)数码相机 STULUS-795SW/U795SW中文用户手册(使用说明书)
2009-12-04 17:10:06
19 为了降低科学级CCD 相机的噪声,提高相机的成像质量,针对不同的噪声源,根据相应的噪声产生原理,设计了实用的噪声抑制电路和处理电路。,应用于选用ISD029AP型CCD 图像传感器自己开
2009-12-16 15:01:44
20 针对Kodak 公司的前照明行间转移型面阵CCD KAI-0340,对其驱动要求进行详细的分析,设计满足CCD 所需偏置电压的供电模块;搭建CCD 时序脉冲驱动器电路;利用Xilinx 公司的可编程逻
2009-12-26 16:50:20
33 在分析了Sarnoff 公司的VCCD512H 面阵型CCD 图像传感器驱动时序关系的基础上,结合某CCD 相机电子系统的总体要求,完成了基于FPGA 驱动时序发生器与数据缓存器的一体化设计。选用X
2010-01-06 15:23:12
36 为解决TDI-CCD 作为遥感相机的图像传感器在使用中所面临的时序电路设计问题,文中较为详细地介绍了TDI-CCD 的结构和工作原理,并根据工程项目所使用的ILE2TDI-CCD 的特性,设
2010-01-12 09:54:50
21 基于CPLD 的全帧型CCD 图像传感器驱动系统设计刘凯波 曹剑中 王华伟 崔 巍来源:EDN China摘要: DALSA 公司的FTF4052M 22M Full-Frame 型CCD 是一款全帧型CCD 图像传感器。这里在分
2010-02-05 08:28:35
48 摘要本文介绍了一种基于CPLD并具有自动增益调整功能的CCD驱动电路。CCD输出的模拟电压值与其曝光时间有着密切的关系,根据这一原理,对CCD输出的模拟电压值进行A/D转换,由CPLD
2010-04-29 08:58:31
39 绕月探测工程CCD立体相机的实验室辐射定标
摘要:探月光学有效载荷系统含CCD立体相机与干涉成像光谱仪两台光学遥感器,CCD立体相机完成的科学目标主要是与
2010-05-12 14:22:59
12 为了解决相机与电脑之间的数据传输问题# 设计了一种基于相机的高速数据采集系统#包括信号调理电路$%I$ 转换电路和DEF 数据传输模块等的设计利用PP 公司提供的开发包设计了固件
2010-07-02 14:48:49
49 摘 要:本文以日本东芝公司的线阵CCD器件TCD1206SUP为例,在研究了线阵CCD器件工作原理和驱动电路波形的基础上,介绍了采用图形式层次设计方法,用复杂可编程逻辑器件(CPLD)设计线阵CCD
2010-07-15 13:42:30
68 介绍了高分辨率全帧CCD芯片FTF4027M的内部结构和驱动时序,利用CCD专用的集成芯片设计了该CCD芯片的驱动电路,其中包括驱动程序设置和所需偏置电压。实验结果表明:该驱动电路功
2010-11-13 17:33:22
0 CCD驱动电路
2008-05-12 09:33:42
6505 
数码相机ccd尺寸
说到CCD的尺寸,其实是说感光器件的
2008-10-30 22:04:41
1997 
1024位CCD驱动电路
2009-02-06 00:22:20
1011 
4096位CCD驱动电路
2009-02-06 00:23:35
827 
CCD图像传感器的原理及应用--μPD3575D
摘要:μPD3575D是NEC公司生产的一种高灵敏度、低暗电流、1024像元的内置采样保持电路和放大电路的线阵CCD图像传感器。文章介绍了μPD3575
2009-04-25 17:13:50
3393 
CCD图像传感器驱动电路图
2009-07-07 09:47:12
1425 
基于CPLD的全帧型CCD图像传感器驱动系统设计
电荷耦合器件((2harge Coupled Devices,CCD)是20世纪70年代初发展起来的新型半导体集成光电器件。作为一种新型的MOS器件,与普
2009-10-25 10:16:08
635 
基于CPLD的CCD驱动电路自动增益调整
ccd(charge couple device)是一种电荷藕合式光电转换器件。在物体位移测量系统中,常常以ccd作为位移传感器。当一
2009-12-14 14:04:39
749 
数码相机CCD的尺寸
说到CCD的尺寸,其实是说感光器件的面积大小,这里就包括了CCD和CMOS。感光器件的面积越大,也即CCD/CMOS面积越大,捕获的
2009-12-18 14:17:50
707 数码相机CCD防抖 对于CCD防抖威廉希尔官方网站
有人也称
2009-12-18 16:24:58
612 CCD数码相机电源结构及设计方案
概述:介绍了CCD数码相机的结构及对电源的要求,给出了根据电池种类(一般为碱性电池
2010-03-06 17:29:33
1379 CCD相机的高速数据采集系统设计
CCD(Charge Couple Device)中文名为“电荷耦合器件”,是一种以电荷包的形式存储和传递信息的半导体表面器件。由于CCD相机
2010-03-18 11:19:14
1483 
CCD驱动电路的实现是CCD应用威廉希尔官方网站
的关键问题。以往大多是采用普通数字芯片实现驱动电路,CCD外围电路复杂,为了克服以上方法的缺点,利用VHDL硬件描述语言.运用FPGA威廉希尔官方网站
完
2010-08-30 09:58:19
1289 
Intersil 公司的ISL55112 是双路高速CCD 阵列驱动器,包括两个大电流的水平列驱动器和两 个低电流辅助驱动器,信号摆幅高达8V,可采用单极和双极电源,3V 逻辑接口,时钟频率高达 30MHz,主要用在数码相机,HD 数码摄像机,工业视频系统,医疗图像,HD 安全系统以及家
2011-01-23 18:12:41
46 TCD142D构成线阵 CCD驱动 电路:
2011-10-28 11:17:17
4356 
采用MAXⅡ器件的EPM240T100C5N为控制核心,以TCD1500C为例,设计了基于CPLD的线阵CCD驱动电路,完成了硬件电路的原理图的设计,并实现了软件调试。通过QuartusⅡ软件平台,对其进行了模拟仿真。实
2011-11-03 15:24:40
129 CCD 芯片的驱动系统是数字航测相机的核心部分,它关系到整个相机的性能和威廉希尔官方网站
指标。介绍了高分辨率全帧CCD 芯片FTF4052M 的内部结构和驱动时序,采用集成芯片设计了该CCD 芯片的驱动电
2011-11-04 16:54:38
74 为保证线阵CCD在图像测量中正常、稳定工作.必须设计出适合其工作的时序驱动电路。在分析TCDl501D线阵CCD驱动时序关系的基础上,通过分析CCD输出的图像信号1,给出了内、外相关双采
2011-11-07 15:08:43
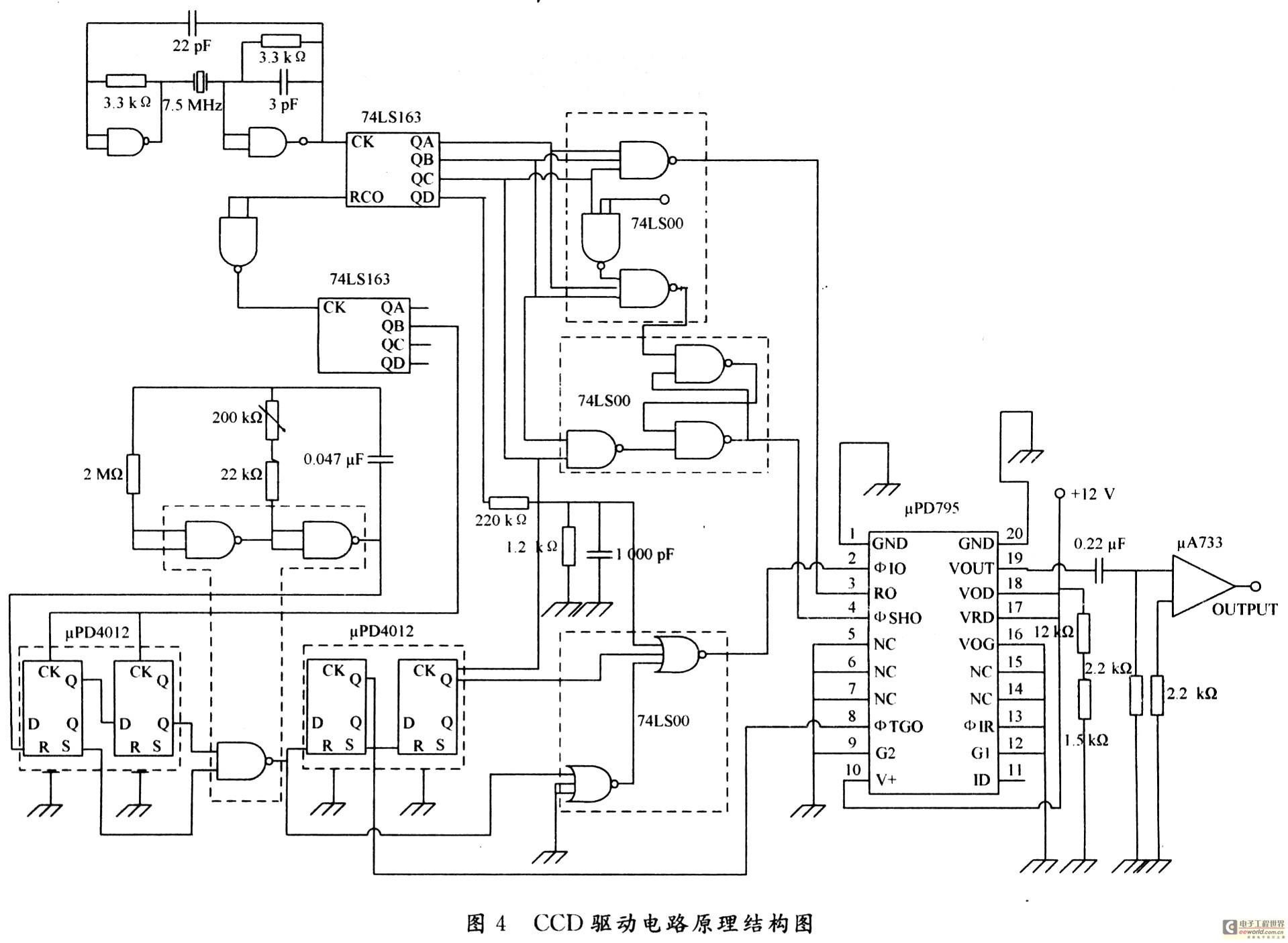
148 μPD795是NEC公司生产的高灵敏度、低暗电流、具有内置放大电路和采样保持电路的线阵CCD图像传感器。它内部包含一列1 024像元的光敏二极管和两列525位的电荷转移寄存器
2012-01-28 17:08:28
1588 
对于一个CCD相机系统而言,其核心器件CCD传感器的性能直接影响整个相机系统的性能,而保障其发挥优良的设计难点在于高可靠性的驱动、偏置等与图像采集电路相关的设计,这给设计
2012-05-11 09:45:41
3283 
为了实现对车牌识别系统对高速行驶车辆图像分辨率的要求,提出了一种基于线阵CCD扫描的车辆图像系统的方案,完成了对线阵CCD芯片驱动电路的设计。该系统的硬件部分完成对线阵
2013-09-03 16:45:09
0 面向机器视觉系统的CCD数字相机设计,下来看看
2016-09-18 14:57:42
32 多光谱CCD相机图像采集系统的设计_李爱玲
2017-03-19 11:29:00
2 科学级CCD相机一般由高速CCD感光芯片、视频信号处理器、时序控制器、时序发生器、时序驱动器、外部光学成像系统等部分组成,本文分析了IL-E2型TDI-CCD 芯片的工作过程和对驱动信号的要求
2017-11-24 14:24:45
1981 
在分析了SONY ICX415AL行间转移型面阵CCD的驱动时序的基础之上,提出了基于FPGA的驱动时序发生器的设计方案,并使用VHDL语言实现了该设计方案。整个设计充分结合了FPGA器件的设计简单
2018-05-22 10:21:00
2851 
本文主要介绍CCD传感器驱动电路的设计,包括驱动时序产生电路、电源变换电路和驱动器电路。其中,驱动时序产生电路向CCD传感器提供正常工作所需要的各种时序脉冲;电源变换电路向CCD提供正常工作时所需的各种直流偏置电压;驱动器电路用来提高驱动时序的驱动能力。
2018-12-30 09:47:00
7942 
,广泛地应用于摄像器材、气象、航天航空、军事、医疗以及工业检测等众多领域。 在对某多通道高速CCD相机输出图像信号的采集系统设计过程当中,我们需要对此系统在正式使用之前进行调试,来测试它能否正常工作。本文利用CPLD和LVDS严格对CCD相机的输出接口进行了模
2019-02-12 09:01:01
385 关键词:CCD , 前端系统 , 数码相机 CCD(电荷藕合组件) 因不同种类的工作需求,业界发展出不同的类型的CCD:Line(线型),Interline(扫描), Full-Frame(全景
2019-02-17 12:04:01
811 的面阵CCD驱动时序发生器设计,基于CPLD的面阵CCD驱动时序发生器设计及其硬件实现,基于CPLD的线阵CCD驱动电路的设计,基于CPLD的线阵CCD驱动电路设计与实现,基于CPLD的线阵CCD驱动
2019-05-16 08:00:00
16 线阵CCD一般不能直接在测量装置中使用,因此CCD驱动信号的产生及输出信号的处理是设计高精度、高可靠性和高性价比线阵CCD驱动模块的关键。
2019-09-18 15:43:43
2744 
文章介绍了线阵CCD器件及其驱动电路的工作原理,给出了TCD142D的各威廉希尔官方网站
参数和性能指标,同时介绍了CCD测量系统的组成和参数设定方法.
2019-11-21 15:48:15
12 上的多台太阳 X射线和极紫外成像仪成功运行,国内也提出了多台太阳X射线、极紫外成像仪的研制计划。CCD相机是成像仪器的核心。本论文详细论述了X射线和极紫外 CCD的原理及特性,研究空间应用的X射线、极紫外CCD同可见光CCD及地面用CCD在工艺、结构上的区别;基于
2019-11-21 15:48:25
5 设计出高帧频的成像系统,以及能否实现两个CCD相机的同步采集。CCD工业相机的关键威廉希尔官方网站
在于CCD驱动传输电路的设计,为了在实践中解决这两个问题,本文对CCD芯片的驱动脉冲和时序关系进行了详细的分析,设计出了基于FPGA的CCD驱动传输电路。
2019-11-26 15:35:15
21 介绍了CCD驱动电路的4种常用方式及其优缺点,详细阐述了基于高速超微型单片机C8051F300的CCD驱动电路设计,包括内部CCD驱动时序和外部输出同步信号的产生、像素输出电压的简单处理以及通过RS232接口在线调整CCD驱动频率等。系统克服了目前单片机方式在CCD驱动应用中存在的一些缺点。
2019-11-26 16:58:19
28 等各个领域。CCD威廉希尔官方网站
在国外发展很快,现在在国内也是相关行业研究的热点之一。而通用串行总线USB具有速度快、支持热拔插及传输线少等优点,因此将USB应用于CCD中可以很好地解决传统数据采集系统的不足,具有实际的应用价值。本文所介绍的这款相机
2019-12-05 16:19:35
9 针对传统驱动电路一旦做出修改,则需对硬件或程序进行改变的缺点,以型号为TCD1707D的线阵CCD为例,介绍了一种工作模式可调的驱动方法。该方法是利用复杂可编程逻辑器件和控制外端结合,通过分别设置
2021-03-01 16:51:00
9 针对传统驱动电路一旦做出修改,则需对硬件或程序进行改变的缺点,以型号为TCD1707D的线阵CCD为例,介绍了一种工作模式可调的驱动方法。该方法是利用复杂可编程逻辑器件和控制外端结合,通过分别设置
2021-03-01 16:51:00
25 电子发烧友网为你提供ADI(ti)DC795A相关产品参数、数据手册,更有DC795A的引脚图、接线图、封装手册、中文资料、英文资料,DC795A真值表,DC795A管脚等资料,希望可以帮助到广大的电子工程师们。
2021-07-29 16:00:03
CCD与CMOS相机的区别 CCD,英文全称:Charge coupled Device,中文全称:电荷耦合元件,可以称为CCD图像传感器。CCD是一种半导体器件,能够把光学影像转化为数字信号
2022-05-23 17:17:31
11146 工业智能相机,Baumer视觉传感器,集成视觉检测软件的CCD工业相机,智能工业相机--Baumer VeriSens视觉传感器是一种具有传感器外形的成套图像处理系统,图像传感器(CCD工业相机)、光源或光源连接、镜头或可更换镜头连接、软件、以太网以及数字接口,全部都集成在紧凑的工业级外壳内。
2022-06-16 15:40:39
2707 随着焊接自动化威廉希尔官方网站
的迅猛发展,焊缝跟踪系统成为焊接领域内的一项重要课题,采用焊缝跟踪系统实现焊接过程的自动化成为未来的必然,因此很多学科的威廉希尔官方网站
都应用到了焊缝跟踪这一系统中来,其中CCD相机就是不可获取的一部分。
2022-11-01 14:48:26
556 什么是CCD相机?它和数码相机有哪些优劣? CCD相机是一种使用电荷耦合器件(CCD)感光器件的数码相机。CCD(Charge-Coupled Device)是一种将光转化为电荷并进行信号传输的光电
2023-12-11 11:26:20
1059 CCD是“电荷耦合器件”(Charge-Coupled Device)的缩写,是一种常用的图像传感器威廉希尔官方网站
,广泛应用于数码相机、摄像机、扫描仪、天文望远镜等领域。本文将从CCD的原理、结构、工作方式
2024-01-10 15:27:40
441
评论