资料介绍
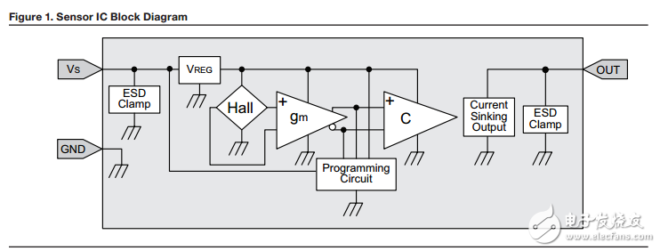
The SS360NT, SS360ST, SS360ST-10K, SS460S, SS460S-T2, and SS460S-LP High Sensitivity Latching Digital Hall-Effect Sensor ICs are small, sensitive and versatile devices that are operated by the magnetic field from a permanent magnet or an electromagnet. They are designed to respond to alternating North and South poles. The SS360NT is turned on by a North pole while the SS360ST, SS460S, SS460S-T2, and SS460S-LP are turned on by a South pole. These sensor ICs offer reliable switching points with a high magnetic sensitivity of 30 G typical (55 G maximum)。 They do not use chopper stabilization on the Hall element, providing a clean output signal and a faster latch response time when compared to competitive high sensitivity Hall-effect latching sensor ICs which do use chopper stabilization. These products offer reverse polarity protection, deliver a stable output over a -40 °C to 150 °C [-40 °F to 302 °F] temperature range, and can accept any dc supply voltage from 3 Vdc to 24 Vdc. For brushless dc motor manufacturers who need latching sensors with reliable, consistent performance for more efficient and smaller designs, Honeywell’s High Sensitivity Hall-Effect Latching Digital Sensor ICs respond to low magnetic fields and offer consistent repeatability while delivering faster response times to a change in magnetic field for better motor efficiency

- DRV5015-Q1汽车低电压高灵敏度数字锁存器霍尔效应传感器数据表
- DRV5015低电压高灵敏度数字锁存器霍尔效应传感器数据表
- TMAG511x-Q1 2D 双通道、高灵敏度、霍尔效应锁存器数据表
- TMAG511x 2D 双通道、高灵敏度、霍尔效应锁存器数据表
- DRV5013数字锁存霍尔效应传感器数据表
- 超高灵敏度霍尔效应锁存器MH188产品手册 12次下载
- BH76U低灵敏度单极霍尔传感器数据手册 12次下载
- BH36U高灵敏度单极性开关霍尔传感器数据手册 14次下载
- BH09B-B高灵敏度锁存型霍尔传感器数据手册 19次下载
- BH31U低灵敏度单极霍尔传感器数据手册 15次下载
- BH09B-A锁存型霍尔效应传感器数据手册 9次下载
- 高灵敏度单极霍尔开关电路传感器HAL580 21次下载
- 高灵敏度单极霍尔开关电路HAL581使用手册 22次下载
- ADPD2214:低噪声、高灵敏度光学传感器数据表
- CMOS工艺中的高灵敏度垂直霍尔传感器的资料详细说明 1次下载
- 霍尔传感器的原理和应用领域 837次阅读
- 国产汽车级双极锁存霍尔传感器CHA441/CHA442/CHA443/CHA444介绍 2480次阅读
- 基于微芯圆环腔的空气耦合高灵敏度MHz频段超声波探测方案 743次阅读
- 使用量子阱霍尔效应传感器开发线性电流隔离器 2470次阅读
- 具有超高灵敏度和超宽压力范围的新型柔性压力传感器 4522次阅读
- 浅谈闩锁或闩锁开关的磁性开关点术语和设备操作 2515次阅读
- 浅谈线性霍尔效应传感器IC的比例定义 2801次阅读
- 霍尼韦尔新型纳安级传感器的特点介绍 1218次阅读
- 如何提高电感传感器的测量精度和灵敏度 1w次阅读
- 大连理工研制出了高可靠性低功耗高灵敏度的GaN纳米线气体传感器 1668次阅读
- 高灵敏度防倒流智能水表的原理及设计 5264次阅读
- 如何利用机器学习提高光学传感器灵敏度? 4515次阅读
- 数字输出开环霍尔效应电流传感器参数及应用介绍 4426次阅读
- 移动电视前端的过载保护及高灵敏度设计 1142次阅读
- 霍尔传感器的分类、霍尔效应与霍尔传感器的应用 5244次阅读
下载排行
本周
- 1TC358743XBG评估板参考手册
- 1.36 MB | 330次下载 | 免费
- 2开关电源基础知识
- 5.73 MB | 11次下载 | 免费
- 3100W短波放大电路图
- 0.05 MB | 4次下载 | 3 积分
- 4嵌入式linux-聊天程序设计
- 0.60 MB | 3次下载 | 免费
- 5DIY动手组装LED电子显示屏
- 0.98 MB | 3次下载 | 免费
- 6基于FPGA的C8051F单片机开发板设计
- 0.70 MB | 2次下载 | 免费
- 751单片机PM2.5检测系统程序
- 0.83 MB | 2次下载 | 免费
- 8基于51单片机的RGB调色灯程序仿真
- 0.86 MB | 2次下载 | 免费
本月
- 1OrCAD10.5下载OrCAD10.5中文版软件
- 0.00 MB | 234315次下载 | 免费
- 2555集成电路应用800例(新编版)
- 0.00 MB | 33566次下载 | 免费
- 3接口电路图大全
- 未知 | 30323次下载 | 免费
- 4开关电源设计实例指南
- 未知 | 21549次下载 | 免费
- 5电气工程师手册免费下载(新编第二版pdf电子书)
- 0.00 MB | 15349次下载 | 免费
- 6数字电路基础pdf(下载)
- 未知 | 13750次下载 | 免费
- 7电子制作实例集锦 下载
- 未知 | 8113次下载 | 免费
- 8《LED驱动电路设计》 温德尔著
- 0.00 MB | 6656次下载 | 免费
总榜
- 1matlab软件下载入口
- 未知 | 935054次下载 | 免费
- 2protel99se软件下载(可英文版转中文版)
- 78.1 MB | 537797次下载 | 免费
- 3MATLAB 7.1 下载 (含软件介绍)
- 未知 | 420027次下载 | 免费
- 4OrCAD10.5下载OrCAD10.5中文版软件
- 0.00 MB | 234315次下载 | 免费
- 5Altium DXP2002下载入口
- 未知 | 233046次下载 | 免费
- 6电路仿真软件multisim 10.0免费下载
- 340992 | 191186次下载 | 免费
- 7十天学会AVR单片机与C语言视频教程 下载
- 158M | 183279次下载 | 免费
- 8proe5.0野火版下载(中文版免费下载)
- 未知 | 138040次下载 | 免费
电子发烧友App





创作
发文章
发帖
提问
发资料
发视频
上传资料赚积分
评论