资料介绍
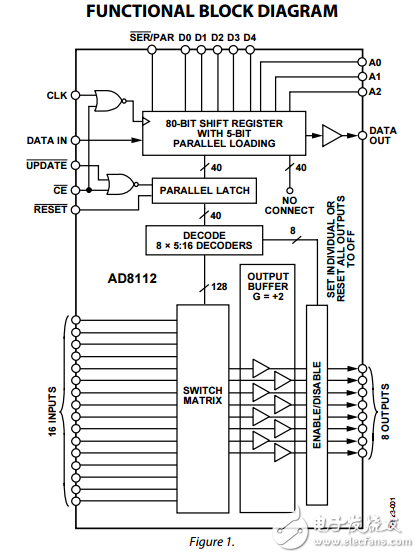
The AD8112 is a low cost, fully buffered crosspoint switch matrix that operates on ±12 V for audio applications and ±5 V for video applications. It offers a −3 dB signal bandwidth greater than 60 MHz and channel switch times of less than 60 ns with 0.1% settling for use in both analog and digital audio. The AD8112 operated at 20 kHz has a crosstalk performance of −83 dB and isolation of 90 dB. In addition, ground/power pins surround all inputs and outputs to provide extra shielding for operation in the most demanding audio routing applications. With a differential gain and differential phase better than 0.1% and 0.1°, respectively, and a 0.1 dB flatness output of up to 10 MHz, the AD8112 is suitable for many video applications. The AD8112 includes eight independent output buffers that can be placed into a disabled state for paralleling crosspoint outputs so that off channel loading is minimized. The AD8112 has a gain of +2. It operates on voltage supplies of ±5 V or ±12 V while consuming only 34 mA or 31 mA of current, respectively. The channel switching is performed via a serial digital control (which can accommodate the daisy chaining of several devices) or via a parallel control, allowing updating of an individual output without reprogramming the entire array. The AD8112 is packaged in a 100-lead LQFP and is available over the commercial temperature range of 0°C to 70°C.

- SN65LVCP402千兆位2×2交叉点开关数据表
- SN65LVCP204千兆位4×4交叉点开关数据表
- SN65LVCP202千兆位2×2交叉点开关数据表
- DS90CP22 800 Mbps 2x2 LVDS交叉点开关数据表
- DS25CP102 3.125 Gbps 2x2交叉点开关数据表
- DS25CP152 3.125Gbps LVDS 2x2交叉点开关数据表
- TUSB1146线性驱动器交叉点开关数据表
- 2x2 LVDS交叉点开关SN65LVCP22数据表
- 2x2 LVPECL交叉点开关SN65LVCP23数据表
- EVAD8112 AD8112 评估板
- AD8112:音频/视频,60 MHz,16 x 8,+2交叉点增益交换机数据表
- AD75019:16 x 16交叉点开关阵列数据表
- ADV3226/ADV3227:700 MHz,16×16模拟交叉点开关数据表
- AD8113:音频/视频60 MHz 16 x 16,G=+2交叉点交换机数据表
- ADV3228/ADV3229:750 MHz,8×8模拟交叉点开关数据表
- ADRF6520ACPZ全差分低噪声、低失真可编程滤波器 661次阅读
- 分享一个音频控制电源开关电路 2465次阅读
- 3A、2MHz单芯片同步降压型稳压器为DDR内存端接提供紧凑型解决方案 489次阅读
- 超声诊断接收器AD9271的主要特点及应用范围 2155次阅读
- 如何使用模拟开关动态切换音频和视频信号 7767次阅读
- 音频几个很重要的参数 6954次阅读
- 51单片机对16×16点阵显示屏的控制设计 7257次阅读
- 带你了解无线电遥控威廉希尔官方网站 9902次阅读
- 什么是主频和睿频?cpu主频越高越好吗 23.7w次阅读
- 无触点开关是什么 有什么作用 1.1w次阅读
- 基于Kinetis MK60N512和MAX5556的立体声音频接口设计 2764次阅读
- 无触点开关工作原理_无触点开关电路图 6.9w次阅读
- 兆欧表原理_兆欧表使用方法图解_兆欧表读数方法 8.7w次阅读
- 数字兆欧表使用方法—数字兆欧表型号_ 数字兆欧表的使用范围 2.1w次阅读
- 简易9V无线麦克风调频发射机电路 7090次阅读
下载排行
本周
- 1TC358743XBG评估板参考手册
- 1.36 MB | 330次下载 | 免费
- 2开关电源基础知识
- 5.73 MB | 11次下载 | 免费
- 3100W短波放大电路图
- 0.05 MB | 4次下载 | 3 积分
- 4嵌入式linux-聊天程序设计
- 0.60 MB | 3次下载 | 免费
- 5DIY动手组装LED电子显示屏
- 0.98 MB | 3次下载 | 免费
- 6基于FPGA的C8051F单片机开发板设计
- 0.70 MB | 2次下载 | 免费
- 751单片机PM2.5检测系统程序
- 0.83 MB | 2次下载 | 免费
- 8基于51单片机的RGB调色灯程序仿真
- 0.86 MB | 2次下载 | 免费
本月
- 1OrCAD10.5下载OrCAD10.5中文版软件
- 0.00 MB | 234315次下载 | 免费
- 2555集成电路应用800例(新编版)
- 0.00 MB | 33566次下载 | 免费
- 3接口电路图大全
- 未知 | 30323次下载 | 免费
- 4开关电源设计实例指南
- 未知 | 21549次下载 | 免费
- 5电气工程师手册免费下载(新编第二版pdf电子书)
- 0.00 MB | 15349次下载 | 免费
- 6数字电路基础pdf(下载)
- 未知 | 13750次下载 | 免费
- 7电子制作实例集锦 下载
- 未知 | 8113次下载 | 免费
- 8《LED驱动电路设计》 温德尔著
- 0.00 MB | 6656次下载 | 免费
总榜
- 1matlab软件下载入口
- 未知 | 935054次下载 | 免费
- 2protel99se软件下载(可英文版转中文版)
- 78.1 MB | 537797次下载 | 免费
- 3MATLAB 7.1 下载 (含软件介绍)
- 未知 | 420027次下载 | 免费
- 4OrCAD10.5下载OrCAD10.5中文版软件
- 0.00 MB | 234315次下载 | 免费
- 5Altium DXP2002下载入口
- 未知 | 233046次下载 | 免费
- 6电路仿真软件multisim 10.0免费下载
- 340992 | 191186次下载 | 免费
- 7十天学会AVR单片机与C语言视频教程 下载
- 158M | 183279次下载 | 免费
- 8proe5.0野火版下载(中文版免费下载)
- 未知 | 138040次下载 | 免费
电子发烧友App





创作
发文章
发帖
提问
发资料
发视频
上传资料赚积分
评论