资料介绍
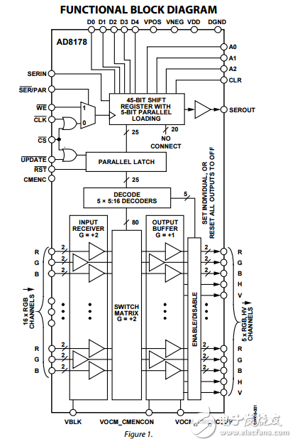
The AD8178 is a high speed, triple 16 × 5 video crosspoint switch matrix. It supports 1600 × 1200 RGB displays at 85 Hz refresh rate, by offering a 450 MHz bandwidth and a slew rate of 1650 V/μs. With −82 dB of crosstalk and −84 dB isolation (at 5 MHz), the AD8178 is useful in many high speed video applications. The AD8178 supports two modes of operation: differential-in to differential-out mode with sync-on CM signaling passed through the switch and differential-in to differential-out mode with CM signaling removed through the switch. The output CM and black level can be conveniently set via external pins. The outputs can be used single-ended in conjunction with decoded H and V outputs to drive a monitor directly. The independent output buffers of the AD8178 can be placed into a high impedance state to create larger arrays by paralleling crosspoint outputs. Inputs can be paralleled as well. The AD8178 offers both serial and a parallel programming modes. The AD8178 is packaged in a fully populated 26 × 26 ball PBGA package and is available over the extended industrial temperature range of −40°C to +85°C.

- SN65LVCP404千兆位4x4交叉点开关数据表
- SN65LVCP402千兆位2×2交叉点开关数据表
- SN65LVCP204千兆位4×4交叉点开关数据表
- SN65LVCP202千兆位2×2交叉点开关数据表
- DS25CP102 3.125 Gbps 2x2交叉点开关数据表
- TUSB1146线性驱动器交叉点开关数据表
- LVDS 4x4交叉点开关SN65LVDS250数据表
- AD75019:16 x 16交叉点开关阵列数据表
- ADV3226/ADV3227:700 MHz,16×16模拟交叉点开关数据表
- AD8116:200 MHz、16 x 16缓冲视频交叉点交换机数据表
- AD8113:音频/视频60 MHz 16 x 16,G=+2交叉点交换机数据表
- ADV3228/ADV3229:750 MHz,8×8模拟交叉点开关数据表
- AD8178:450 MHz,三路16 x 5视频交叉点交换机,过时产品手册
- 500兆赫16×5视频交叉点开关AD8177数据表 5次下载
- AD8178,pdf datasheet (450 MHz,
- 绝缘电阻测试仪是兆欧表吗 2213次阅读
- 如何解读IGBT数据表中的瞬态热特性数据 1608次阅读
- ADRF6520ACPZ全差分低噪声、低失真可编程滤波器 661次阅读
- 3A、2MHz单芯片同步降压型稳压器为DDR内存端接提供紧凑型解决方案 489次阅读
- 兆欧表的工作原理及使用注意事项 2.5w次阅读
- 什么是泛音与基频?泛音石英晶体如何振荡? 5911次阅读
- 采用高速无交叉切换开关芯片AD8108实现视频切换矩阵的设计 3029次阅读
- 兆欧表如何使用 1.1w次阅读
- 带你了解无线电遥控威廉希尔官方网站 9902次阅读
- 什么是主频和睿频?cpu主频越高越好吗 23.7w次阅读
- 无触点开关是什么 有什么作用 1.1w次阅读
- 无触点开关工作原理_无触点开关电路图 6.9w次阅读
- 兆欧表原理_兆欧表使用方法图解_兆欧表读数方法 8.7w次阅读
- 数字兆欧表使用方法—数字兆欧表型号_ 数字兆欧表的使用范围 2.1w次阅读
- 简易9V无线麦克风调频发射机电路 7090次阅读
下载排行
本周
- 1Keysight B1500A 半导体器件分析仪用户手册、说明书 (中文)
- 19.00 MB | 4次下载 | 免费
- 2使用TL431设计电源
- 0.67 MB | 2次下载 | 免费
- 3BT134双向可控硅手册
- 1.74 MB | 2次下载 | 1 积分
- 4一种新型高效率的服务器电源系统
- 0.85 MB | 1次下载 | 1 积分
- 5LabVIEW环形控件
- 0.01 MB | 1次下载 | 1 积分
- 6PR735,使用UCC28060的600W交错式PFC转换器
- 540.03KB | 1次下载 | 免费
- 751单片机核心板原理图
- 0.12 MB | 1次下载 | 5 积分
- 8BP2879DB支持调光调灭的非隔离低 PF LED 驱动器
- 1.44 MB | 1次下载 | 免费
本月
- 1开关电源设计原理手册
- 1.83 MB | 52次下载 | 免费
- 2FS5080E 5V升压充电两串锂电池充电管理IC中文手册
- 8.45 MB | 23次下载 | 免费
- 3DMT0660数字万用表产品说明书
- 0.70 MB | 13次下载 | 免费
- 4UC3842/3/4/5电源管理芯片中文手册
- 1.75 MB | 12次下载 | 免费
- 5ST7789V2单芯片控制器/驱动器英文手册
- 3.07 MB | 11次下载 | 1 积分
- 6TPS54202H降压转换器评估模块用户指南
- 1.02MB | 8次下载 | 免费
- 7STM32F101x8/STM32F101xB手册
- 1.69 MB | 8次下载 | 1 积分
- 8基于MSP430FR6043的超声波气体流量计快速入门指南
- 2.26MB | 7次下载 | 免费
总榜
- 1matlab软件下载入口
- 未知 | 935119次下载 | 10 积分
- 2开源硬件-PMP21529.1-4 开关降压/升压双向直流/直流转换器 PCB layout 设计
- 1.48MB | 420061次下载 | 10 积分
- 3Altium DXP2002下载入口
- 未知 | 233084次下载 | 10 积分
- 4电路仿真软件multisim 10.0免费下载
- 340992 | 191367次下载 | 10 积分
- 5十天学会AVR单片机与C语言视频教程 下载
- 158M | 183335次下载 | 10 积分
- 6labview8.5下载
- 未知 | 81581次下载 | 10 积分
- 7Keil工具MDK-Arm免费下载
- 0.02 MB | 73807次下载 | 10 积分
- 8LabVIEW 8.6下载
- 未知 | 65987次下载 | 10 积分
电子发烧友App





创作
发文章
发帖
提问
发资料
发视频
评论