资料介绍
堪称一绝的IO口按键扫描
在做项目(工程)的时候,我们经常要用到比较多的按键,而且IO资源紧张,于是我们就想方设法地在别的模块中节省IO口,好不容易挤出一两个IO口,却发现仍然不够用,实在没办法了就添加一个IC来扫键。一个IC虽然价格不高,但对于大批量生产而且产品利润低的厂家来说,这是一笔不菲的开支!
那,我们能不能想到比较好的扫键方法:用最少的IO口,扫最多的键?可以吗?
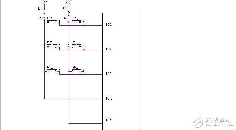
举个例:给出5个IO口,能扫多少键?有人说是2*3=6个,如图一:

对,大部分威廉希尔官方网站 参考书都这么做,我们也经常这样做:用3个IO口作行扫描,2个IO作列检测(为方便描述,我们约定:设置某一IO口输出为“0”――称其为“扫某IO口”)。用行线输出扫键码,列线检测是否有按键的查询方法进行扫键。扫键流程:在行线依次输出011,101,110扫键值,行线每输出一个扫键值,列线检测一次。当列线检测到有按键时,结合输出的扫键值可以判断相应的按键。
- 矩阵按键
- STM32F4工程--IO口--按键控制点灯程序
- 单片机学习笔记——按键和LED复用扫描程序
- IO口与FPGA管脚对应关系表 12次下载
- 使用51单片机实现独立按键与矩阵按键控制数码管的程序免费下载
- 如何使用单片机扩展IO口的详细资料说明
- 用两个IO口检测5个按键的程序详细资料免费下载 26次下载
- Arduino教程之按键实验的学习笔记资料免费下载 3次下载
- 按键扫描C语言程序免费下载 18次下载
- 堪称一绝的按键扫描 73次下载
- 堪称一绝的按键扫描方法 11次下载
- 堪称一绝的“IO 口扫键”法 18次下载
- 堪称一绝的键盘扫描方法 21次下载
- 8个IO口产生49个按键 178次下载
- 堪称一绝的IO口扫键法
- 只用三极管跟阻容,大家怎么设计按键电平保持电路? 644次阅读
- MCU IO口电压下降原因分析 1477次阅读
- C51单片机独立按键的使用 1799次阅读
- 采用ADC扫描实现一个IO上挂多个按键 2035次阅读
- 一份“IO口模拟串口”独门秘籍 3770次阅读
- 矩阵按键扫描的实现原理 5456次阅读
- ADC口检测多个组合按键的方法 4470次阅读
- 语音芯片KT148A支持3个IO口一对一触发的配置教程 1659次阅读
- PIC单片机以及51和AVR单片机的IO口操作方法解析 2951次阅读
- 微雪电子5 IO 按键模块 小键盘介绍 1196次阅读
- 微雪电子MCP23017 IO扩展模块16IO口 I2C接口简介 1.3w次阅读
- dfrobotADkey 按键模块介绍 3186次阅读
- 关于STC单片机IO口的状态和配置IO口的工作类型等资料概述 1.1w次阅读
- 空前绝后的“IO口扫键”法 电子设计必备良方 6649次阅读
- 经典案例分享:两种键盘扫描方法比较分析 7320次阅读
下载排行
本周
- 1Keysight B1500A 半导体器件分析仪用户手册、说明书 (中文)
- 19.00 MB | 4次下载 | 免费
- 2使用TL431设计电源
- 0.67 MB | 2次下载 | 免费
- 3BT134双向可控硅手册
- 1.74 MB | 2次下载 | 1 积分
- 4一种新型高效率的服务器电源系统
- 0.85 MB | 1次下载 | 1 积分
- 5LabVIEW环形控件
- 0.01 MB | 1次下载 | 1 积分
- 6PR735,使用UCC28060的600W交错式PFC转换器
- 540.03KB | 1次下载 | 免费
- 751单片机核心板原理图
- 0.12 MB | 1次下载 | 5 积分
- 8BP2879DB支持调光调灭的非隔离低 PF LED 驱动器
- 1.44 MB | 1次下载 | 免费
本月
- 1开关电源设计原理手册
- 1.83 MB | 52次下载 | 免费
- 2FS5080E 5V升压充电两串锂电池充电管理IC中文手册
- 8.45 MB | 23次下载 | 免费
- 3DMT0660数字万用表产品说明书
- 0.70 MB | 13次下载 | 免费
- 4UC3842/3/4/5电源管理芯片中文手册
- 1.75 MB | 12次下载 | 免费
- 5ST7789V2单芯片控制器/驱动器英文手册
- 3.07 MB | 11次下载 | 1 积分
- 6TPS54202H降压转换器评估模块用户指南
- 1.02MB | 8次下载 | 免费
- 7STM32F101x8/STM32F101xB手册
- 1.69 MB | 8次下载 | 1 积分
- 8基于MSP430FR6043的超声波气体流量计快速入门指南
- 2.26MB | 7次下载 | 免费
总榜
- 1matlab软件下载入口
- 未知 | 935119次下载 | 10 积分
- 2开源硬件-PMP21529.1-4 开关降压/升压双向直流/直流转换器 PCB layout 设计
- 1.48MB | 420061次下载 | 10 积分
- 3Altium DXP2002下载入口
- 未知 | 233084次下载 | 10 积分
- 4电路仿真软件multisim 10.0免费下载
- 340992 | 191367次下载 | 10 积分
- 5十天学会AVR单片机与C语言视频教程 下载
- 158M | 183335次下载 | 10 积分
- 6labview8.5下载
- 未知 | 81581次下载 | 10 积分
- 7Keil工具MDK-Arm免费下载
- 0.02 MB | 73807次下载 | 10 积分
- 8LabVIEW 8.6下载
- 未知 | 65987次下载 | 10 积分
电子发烧友App





创作
发文章
发帖
提问
发资料
发视频
评论