Examples Using the DS3930 as Voltage References and Digital I/O
资料介绍
Introduction
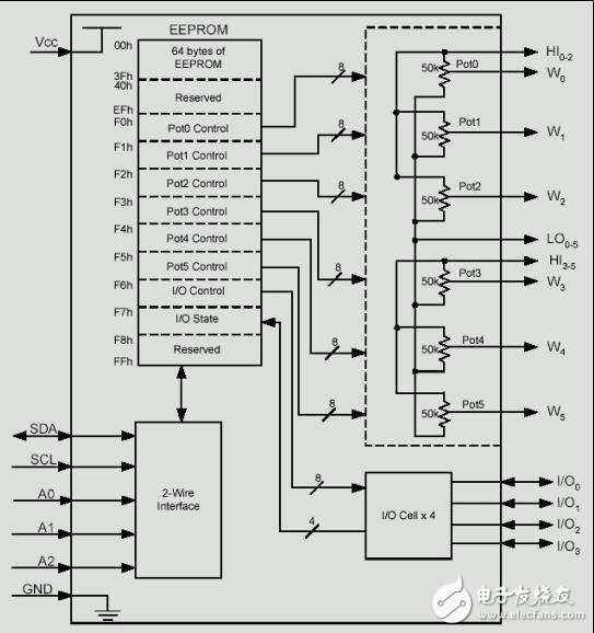
The DS3930 contains six 256-position nonvolatile (NV) potentiometers (see Figure 1), which makes the DS3930 an ideal device for applications needing multiple voltage references. All six potentiometers share a common low side. The potentiometers are separated into two groups of three 50kΩ potentiometers in parallel. Each group of three shares a common high side. The potentiometer wiper voltage can vary between 0V and VHI in 256 steps, where VHI is the voltage on HI0-2 or HI3-5.

- 第6章:数字输入/输出模块(I/O) 19次下载
- 图片:AS3930_PD000316_1-00.png
- 智能以太网I/O模块adam-6251产品手册 8次下载
- (ebook) Chu - FPGA Prototyping Using Verilog Examples 14次下载
- Wave_Digital_Filtering_Using_the_MSP430 5次下载
- TSC2046E,pdf(Low Voltage I/O T
- Bipolar Voltage Outputs for th
- Using References to Generate O
- Digital Control Concepts For P
- Using a SAR Analog-to-Digital
- Digital Signal Processing Syst 0次下载
- DS75LV pdf datasheet (digital
- DS620 pdf datasheet (Digital T
- Combinational Design Examples 0次下载
- DS3930 pdf datasheet
- PLC的I/O点数是什么意思 1571次阅读
- 物理约束实践:I/O约束 876次阅读
- 51单片机双向I/O口与准双向I/O口解析 5792次阅读
- 单片机I/O的常用驱动和隔离电路的设计方法 1798次阅读
- 西门子PLC中访问F-I/O DB的变量 674次阅读
- XDC约束技巧之I/O篇(上) 1071次阅读
- 什么是I/O? 1w次阅读
- I/O单元的结构说明 简单介绍几种数字I/O单元 1.2w次阅读
- I/O虚拟化及Virtio接口介绍 3632次阅读
- PLC的I/O接口怎么选择 4393次阅读
- 单片机的I/O接口电路的扩展 9366次阅读
- Geinus I/O总线的特性、网络实现及应用分析 2004次阅读
- 从I/O的阻塞与非阻塞、I/O处理的单线程与多线程角度探讨服务器模型 6848次阅读
- 输入输出设备I/O设备总结 3464次阅读
- LabVIEW的RIO与I/O对比 5418次阅读
下载排行
本周
- 1TC358743XBG评估板参考手册
- 1.36 MB | 330次下载 | 免费
- 2开关电源基础知识
- 5.73 MB | 6次下载 | 免费
- 3100W短波放大电路图
- 0.05 MB | 4次下载 | 3 积分
- 4嵌入式linux-聊天程序设计
- 0.60 MB | 3次下载 | 免费
- 5基于FPGA的光纤通信系统的设计与实现
- 0.61 MB | 2次下载 | 免费
- 651单片机窗帘控制器仿真程序
- 1.93 MB | 2次下载 | 免费
- 751单片机大棚环境控制器仿真程序
- 1.10 MB | 2次下载 | 免费
- 8基于51单片机的RGB调色灯程序仿真
- 0.86 MB | 2次下载 | 免费
本月
- 1OrCAD10.5下载OrCAD10.5中文版软件
- 0.00 MB | 234315次下载 | 免费
- 2555集成电路应用800例(新编版)
- 0.00 MB | 33564次下载 | 免费
- 3接口电路图大全
- 未知 | 30323次下载 | 免费
- 4开关电源设计实例指南
- 未知 | 21549次下载 | 免费
- 5电气工程师手册免费下载(新编第二版pdf电子书)
- 0.00 MB | 15349次下载 | 免费
- 6数字电路基础pdf(下载)
- 未知 | 13750次下载 | 免费
- 7电子制作实例集锦 下载
- 未知 | 8113次下载 | 免费
- 8《LED驱动电路设计》 温德尔著
- 0.00 MB | 6653次下载 | 免费
总榜
- 1matlab软件下载入口
- 未知 | 935054次下载 | 免费
- 2protel99se软件下载(可英文版转中文版)
- 78.1 MB | 537796次下载 | 免费
- 3MATLAB 7.1 下载 (含软件介绍)
- 未知 | 420026次下载 | 免费
- 4OrCAD10.5下载OrCAD10.5中文版软件
- 0.00 MB | 234315次下载 | 免费
- 5Altium DXP2002下载入口
- 未知 | 233046次下载 | 免费
- 6电路仿真软件multisim 10.0免费下载
- 340992 | 191185次下载 | 免费
- 7十天学会AVR单片机与C语言视频教程 下载
- 158M | 183279次下载 | 免费
- 8proe5.0野火版下载(中文版免费下载)
- 未知 | 138040次下载 | 免费
电子发烧友App





创作
发文章
发帖
提问
发资料
发视频
上传资料赚积分
评论