资料介绍
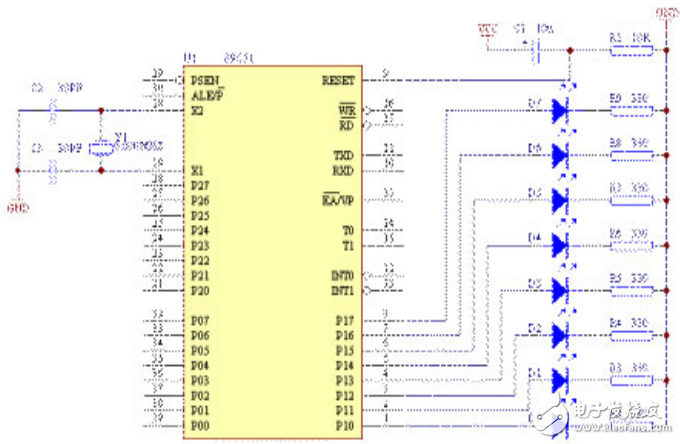
随着电子威廉希尔官方网站 的迅速发展,单片机得到了越来越多的应用。本设计用单片机8951结合LED制作了一种新型的LED彩灯控制系统的设计方法,以AT-89C51单片机作为主控核心,与按键、显示器等较少的辅助硬件电路相结合,利用软件实现对LED彩灯进行控制。本系统具有体积小、硬件少、电路结构简单及容易操作等优点。
在LED彩灯上电工作后,用户可以方便地通过主控模块上的显示器知道LED彩灯当前工作模式Model_i,工作时间Ti,频率Fi等实时参数。若实际应用需要根据不同场合和时间来改变彩灯闪亮效果,用户可以通过主控模块上的按键来设定LED不同的闪烁频率Fi和亮灯时间Ti,以便符合实际需要。此外如果用户对某一种模式感兴趣需要仔细观看该种亮灯模式,可以通过键盘选定任意选定。

AT89C51单片机原理图
- 基于AT89C51单片机TIMER0控制四只LED滚动闪烁仿真 2次下载
- 基于AT89C51单片机TIMER0与TIMER1控制条形LED 0次下载
- 基于AT89C51单片机按键控制8×8LED点阵屏显示图形 2次下载
- 基于AT89C51单片机甲机通过串口控制乙机LED闪烁仿真及代码 3次下载
- 基于AT89C51单片机开关控制报警器仿真及代码 4次下载
- 基于AT89C51单片机INT0中断控制LED仿真及代码 16次下载
- 基于AT89C51单片机TIMER0控制LED二进制计数仿真及代码 1次下载
- 基于AT89C51单片机TIMER0控制单只LED闪烁仿真及代码 0次下载
- AT89C51单片机
- AT89C51单片机之点亮LED
- 基于AT89C51的LED彩灯控制器设计(全解析) 30次下载
- 基于AT89C51单片机的电子表设计 57次下载
- 用AT89C51单片机实现频率测量 0次下载
- 89C51单片机节日彩灯控制器 75次下载
- 基于AT89C51单片机的万年历设计与实现 844次下载
- 基于51单片机的电子钟闹钟温度显示设计 1671次阅读
- 基于51单片机的路灯自动开关控制仿真设计 1247次阅读
- 基于51单片机的智能路灯控制器设计 3687次阅读
- 如何使用C语言实现51单片机模拟I2C总线 4268次阅读
- 基于AT89C51单片机的LED汉字点阵滚动显示屏设计 7348次阅读
- 基于AT89C51单片机的温度检测系统硬件电路设计 1.2w次阅读
- 基于AT89C51单片机控制LED显示屏的电路设计 7663次阅读
- AT89C51单片机实现全自动洗衣机功能的设计方案 9239次阅读
- AT89C51单片机对智能语音拨号报警系统的设计 2086次阅读
- 基于AT89C51单片机直流电机PWM调速程序分享 1.6w次阅读
- 基于AT89C51单片机下的引脚说明及引脚图 14.3w次阅读
- AT89C51单片机和8051单片机有什么区别 4.7w次阅读
- 一文教你快速全面掌握AT89C51单片机(含实际开发案例) 3.3w次阅读
- 基于AT89C51单片机的双向通信FSK系统设计与实现 6777次阅读
- 基于AT89C51单片机的十进制计算器系统设计 6353次阅读
下载排行
本周
- 1Keysight B1500A 半导体器件分析仪用户手册、说明书 (中文)
- 19.00 MB | 4次下载 | 免费
- 2使用TL431设计电源
- 0.67 MB | 2次下载 | 免费
- 3BT134双向可控硅手册
- 1.74 MB | 2次下载 | 1 积分
- 4一种新型高效率的服务器电源系统
- 0.85 MB | 1次下载 | 1 积分
- 5LabVIEW环形控件
- 0.01 MB | 1次下载 | 1 积分
- 6PR735,使用UCC28060的600W交错式PFC转换器
- 540.03KB | 1次下载 | 免费
- 751单片机核心板原理图
- 0.12 MB | 1次下载 | 5 积分
- 8BP2879DB支持调光调灭的非隔离低 PF LED 驱动器
- 1.44 MB | 1次下载 | 免费
本月
- 1开关电源设计原理手册
- 1.83 MB | 52次下载 | 免费
- 2FS5080E 5V升压充电两串锂电池充电管理IC中文手册
- 8.45 MB | 23次下载 | 免费
- 3DMT0660数字万用表产品说明书
- 0.70 MB | 13次下载 | 免费
- 4UC3842/3/4/5电源管理芯片中文手册
- 1.75 MB | 12次下载 | 免费
- 5ST7789V2单芯片控制器/驱动器英文手册
- 3.07 MB | 11次下载 | 1 积分
- 6TPS54202H降压转换器评估模块用户指南
- 1.02MB | 8次下载 | 免费
- 7STM32F101x8/STM32F101xB手册
- 1.69 MB | 8次下载 | 1 积分
- 8基于MSP430FR6043的超声波气体流量计快速入门指南
- 2.26MB | 7次下载 | 免费
总榜
- 1matlab软件下载入口
- 未知 | 935119次下载 | 10 积分
- 2开源硬件-PMP21529.1-4 开关降压/升压双向直流/直流转换器 PCB layout 设计
- 1.48MB | 420061次下载 | 10 积分
- 3Altium DXP2002下载入口
- 未知 | 233084次下载 | 10 积分
- 4电路仿真软件multisim 10.0免费下载
- 340992 | 191367次下载 | 10 积分
- 5十天学会AVR单片机与C语言视频教程 下载
- 158M | 183335次下载 | 10 积分
- 6labview8.5下载
- 未知 | 81581次下载 | 10 积分
- 7Keil工具MDK-Arm免费下载
- 0.02 MB | 73807次下载 | 10 积分
- 8LabVIEW 8.6下载
- 未知 | 65987次下载 | 10 积分
电子发烧友App





创作
发文章
发帖
提问
发资料
发视频
评论