资料介绍
TB6612FNC是一款新型直流电机驱动器,它具有集成度高、驱动能力强以及控制方式灵活等特点。利用这款器件和AVR单片机组成电机控制单元,通过试验得到其实际运行性能,并给出一些使用开发建议.,将TB6612FNC;应用在差速驱动的轮式移动机器人系统中,采用PID方式实现双电机调速控制,得到了良好的运行结果。
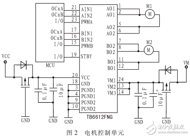
电机控制单元设计
图2所示为TB6612FN(;与AVR单片机组成的电机控制单元。单片机定时器产生4路PWM输出作为AINI/AIN2和BINI/BIN2控制信号,如网2中OCxA、OCxB对电机M1和M2的控制。采用定时器输出硬件PWM脉冲H,使得单片机CPU只在改变PWM占空比时参与运算,大大减轻了系统运算负担和PWM软件编程开销。输入引脚PWMA、PWMB和STBY由I/O电平控制电机运行或制动状态以及器件T作状态。电路采用耐压值25 V的10 yF电解电容和0.1 pF的电容进行电源滤波,使用功率MOSFET对VM和vcc提供电源反接保护。

- 利用TB6612模块控制直流电机
- 使用STM32与TB6612FNG驱动直流减速电机
- 直流电机驱动L298N和TB6612FNG详解
- TB6612FNG电机驱动模块纯硬件调试
- TB6612FNG 电机驱动器开源分享
- 单片机操作直流电机
- 基于AVR单片机的直流电机调速的方法
- 关于正反转可控的直流电机AVR单片机实验
- TB6612FNG双路全桥驱动芯片的数据手册和电路原理图免费下载 31次下载
- TB6612FNG驱动芯片与直流电机控制教程资料免费下载 23次下载
- 直流电机的原理和控制减速器的作用及直流电机驱动芯片TB6612FNG概述 50次下载
- 基于AVR单片机实现的直流电机PWM调速控制器 28次下载
- TB6612FNG简介及其与单片机的直流电机控制系统设计 237次下载
- 基于AVR单片机的无刷直流电机控制系统设计 158次下载
- TB6612FNG在直流电机控制设计中的应用
- 直流电机的转速与线圈的关系 149次阅读
- 直流电机正反转的控制方式 2678次阅读
- 永磁无刷直流电机的控制方法 870次阅读
- 直流电机控制器电路图分享 5609次阅读
- 舵机中的直流电机控制原理和方法 1960次阅读
- 采用Atmega128单片机和电机控制芯片实现直流电机高精度控制 3449次阅读
- dfrobotTB6612FNG微型双路直流电机驱动模块简介 6932次阅读
- 跑步机直流电机和交流电机的区别 1.7w次阅读
- 直流电机控制器原理图 2.7w次阅读
- 基于51单片机直流电机PWM调速程序 4.8w次阅读
- 基于AT89C51单片机直流电机PWM调速程序分享 1.6w次阅读
- 基于直流电机H桥的驱动和控制原理设计并实现一款较大功率的直流电机 2.4w次阅读
- 直流电机的电势平衡方程与直流电机的损耗和功率平衡方程 1w次阅读
- 直流电机的基本构成与直流电机驱动电路的设计图解 1.7w次阅读
- 直流电机的主要分类以及直流电机的励磁方式 1.5w次阅读
下载排行
本周
- 1TC358743XBG评估板参考手册
- 1.36 MB | 330次下载 | 免费
- 2开关电源基础知识
- 5.73 MB | 6次下载 | 免费
- 3100W短波放大电路图
- 0.05 MB | 4次下载 | 3 积分
- 4嵌入式linux-聊天程序设计
- 0.60 MB | 3次下载 | 免费
- 5基于FPGA的光纤通信系统的设计与实现
- 0.61 MB | 2次下载 | 免费
- 651单片机窗帘控制器仿真程序
- 1.93 MB | 2次下载 | 免费
- 751单片机大棚环境控制器仿真程序
- 1.10 MB | 2次下载 | 免费
- 8基于51单片机的RGB调色灯程序仿真
- 0.86 MB | 2次下载 | 免费
本月
- 1OrCAD10.5下载OrCAD10.5中文版软件
- 0.00 MB | 234315次下载 | 免费
- 2555集成电路应用800例(新编版)
- 0.00 MB | 33564次下载 | 免费
- 3接口电路图大全
- 未知 | 30323次下载 | 免费
- 4开关电源设计实例指南
- 未知 | 21549次下载 | 免费
- 5电气工程师手册免费下载(新编第二版pdf电子书)
- 0.00 MB | 15349次下载 | 免费
- 6数字电路基础pdf(下载)
- 未知 | 13750次下载 | 免费
- 7电子制作实例集锦 下载
- 未知 | 8113次下载 | 免费
- 8《LED驱动电路设计》 温德尔著
- 0.00 MB | 6653次下载 | 免费
总榜
- 1matlab软件下载入口
- 未知 | 935054次下载 | 免费
- 2protel99se软件下载(可英文版转中文版)
- 78.1 MB | 537796次下载 | 免费
- 3MATLAB 7.1 下载 (含软件介绍)
- 未知 | 420026次下载 | 免费
- 4OrCAD10.5下载OrCAD10.5中文版软件
- 0.00 MB | 234315次下载 | 免费
- 5Altium DXP2002下载入口
- 未知 | 233046次下载 | 免费
- 6电路仿真软件multisim 10.0免费下载
- 340992 | 191185次下载 | 免费
- 7十天学会AVR单片机与C语言视频教程 下载
- 158M | 183279次下载 | 免费
- 8proe5.0野火版下载(中文版免费下载)
- 未知 | 138040次下载 | 免费
电子发烧友App





创作
发文章
发帖
提问
发资料
发视频
上传资料赚积分
评论