资料介绍
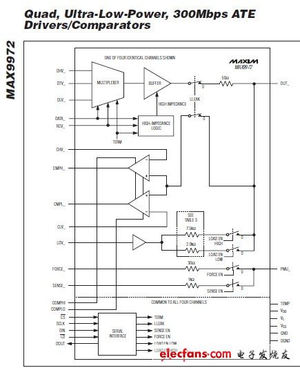
	The MAX9972 four-channel, ultra-low-power, pin-electronicsIC includes, for each channel, a three-level pindriver, a window comparator, a passive load, andforce-and-sense Kelvin-switched parametric measurementunit (PMU) connections. The driver features a-2.2V to +5.2V voltage range, includes high-impedanceand active-termination (3rd-level drive) modes, and ishighly linear even at low voltage swings. The windowcomparator features 500MHz equivalent input bandwidthand programmable output voltage levels. Thepassive load provides pullup and pulldown voltages tothe device-under-test (DUT).

												下载该资料的人也在下载
												下载该资料的人还在阅读
											
											更多 >
											
										- LMH2190四通道可配置时钟驱动器数据表
 - DS14C88四通道CMOS线路驱动器数据表
 - NCV7544 FLEXMOS™ 四通道半桥 MOSFET 预驱动器评估板数据手册 0次下载
 - 高性能四通道LED驱动器TPS61194数据表
 - 气囊部署四通道驱动器TPIC71004-Q1数据表
 - LMH6533四通道激光二极管驱动器方案
 - 具有 5 V 容限输入/输出的四通道缓冲器/线路驱动器;三态-74LVC125A_Q100
 - 具有 5 V 容限输入/输出的四通道缓冲器/线路驱动器;三态-74LVC126A_Q100
 - 具有 5 V 容限输入/输出的四通道缓冲器/线路驱动器;三态-74LVC126A
 - 四通道恒流LED驱动器IC NU514 规格书 25次下载
 - LT3476: 高电流四通道输出 LED 驱动器 数据手册
 - LMH6533四通道极光二极管驱动器 7次下载
 - lm339-四通道比较器 65次下载
 - 四通道电流反馈式激励驱动电路 CD5954CB
 - MAX9971/MAX9972中文资料pdf
 
- Diodes公司三通道线性LED驱动器AL1783Q产品介绍 372次阅读
 - 基于四通道运算放大器的函数发生器电路 1075次阅读
 - 基于LM3900四通道放大器的简单多通道混音器电路 4438次阅读
 - 交错或同步输出电压排序/跟踪对于xDSL和电缆调制解调器系统非常灵活 475次阅读
 - 如何对MAX14906进行编程四通道工业数字输出、数字输入 939次阅读
 - ADUM5402CRWZ集成DC/DC转换器的四通道2.5 kV隔离器介绍 2672次阅读
 - 基于PCM1864四通道ADC芯片的圆形麦克风板方案 1603次阅读
 - 四通道异步收发器TL16C554芯片特点、工作原理及实现应用设计 1w次阅读
 - Maxim推出MAX22445四通道增强型数字隔离器,可以更好地保护工业系统 1672次阅读
 - 基于LT3797三通道LED驱动器的设计与实现 2266次阅读
 - 高性能65 MHz带宽四通道中频接收机电路图 4574次阅读
 - 14位125MSPS四通道ADC,通过后端数字求和增强SNR性能 2306次阅读
 - 用于车载供电的四通道电源管理IC PCB布局指南 1992次阅读
 - MAX14954四通道均衡器/转接驱动器 1643次阅读
 - 四通道温度传感器电路图 3323次阅读
 
下载排行
本周
- 1TC358743XBG评估板参考手册
 - 1.36 MB | 330次下载 | 免费
 - 2开关电源基础知识
 - 5.73 MB | 11次下载 | 免费
 - 3嵌入式linux-聊天程序设计
 - 0.60 MB | 3次下载 | 免费
 - 4DIY动手组装LED电子显示屏
 - 0.98 MB | 3次下载 | 免费
 - 5基于FPGA的C8051F单片机开发板设计
 - 0.70 MB | 2次下载 | 免费
 - 651单片机窗帘控制器仿真程序
 - 1.93 MB | 2次下载 | 免费
 - 751单片机PM2.5检测系统程序
 - 0.83 MB | 2次下载 | 免费
 - 8基于51单片机的RGB调色灯程序仿真
 - 0.86 MB | 2次下载 | 免费
 
本月
- 1OrCAD10.5下载OrCAD10.5中文版软件
 - 0.00 MB | 234315次下载 | 免费
 - 2555集成电路应用800例(新编版)
 - 0.00 MB | 33566次下载 | 免费
 - 3接口电路图大全
 - 未知 | 30323次下载 | 免费
 - 4开关电源设计实例指南
 - 未知 | 21549次下载 | 免费
 - 5电气工程师手册免费下载(新编第二版pdf电子书)
 - 0.00 MB | 15349次下载 | 免费
 - 6数字电路基础pdf(下载)
 - 未知 | 13750次下载 | 免费
 - 7电子制作实例集锦 下载
 - 未知 | 8113次下载 | 免费
 - 8《LED驱动电路设计》 温德尔著
 - 0.00 MB | 6656次下载 | 免费
 
总榜
- 1matlab软件下载入口
 - 未知 | 935054次下载 | 免费
 - 2protel99se软件下载(可英文版转中文版)
 - 78.1 MB | 537798次下载 | 免费
 - 3MATLAB 7.1 下载 (含软件介绍)
 - 未知 | 420027次下载 | 免费
 - 4OrCAD10.5下载OrCAD10.5中文版软件
 - 0.00 MB | 234315次下载 | 免费
 - 5Altium DXP2002下载入口
 - 未知 | 233046次下载 | 免费
 - 6电路仿真软件multisim 10.0免费下载
 - 340992 | 191186次下载 | 免费
 - 7十天学会AVR单片机与C语言视频教程 下载
 - 158M | 183279次下载 | 免费
 - 8proe5.0野火版下载(中文版免费下载)
 - 未知 | 138040次下载 | 免费
 
	                电子发烧友App
	            
	        
	        
          
        
        
	                    
                        
                        
                        
                        
                        

创作
发文章
发帖  
提问  
发资料
发视频
上传资料赚积分
           
            
            
                
            
评论