资料介绍
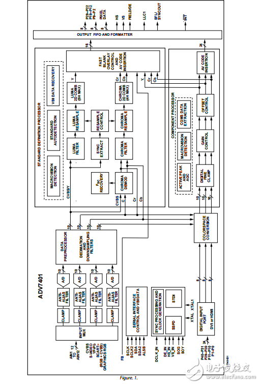
ADV7401是一款高质量、单芯片、多格式视频解码器和图形数字化仪。这款多格式解码器支持将复合视频或S视频形式的PAL、NTSC和SECAM标准信号转换为数字ITU-R BT.656格式。它还支持将RGB/YPrPb分量视频信号解码为数字YCrCb或RGB像素输出流。支持的分量视频包括525i、625i、525p、625p、720p、1080i、1250i等标准,以及许多其它高清和SMPTE标准。该器件也支持图形数字化,能够对VGA至SXGA速率的RGB图形信号进行数字化处理,将其转换为数字RGB或YCrCb像素输出流。此外还能够同时处理CVBS和标清RGB信号,从而支持SCART和叠加功能。这些信号的混合由快速消隐引脚控制。

- ADV7401:10位集成多格式SDTV/HDTV视频解码器和RGB图形数字化器产品手册
- ADV7441A中文资料数据手册PDF免费下载(视频解码器) 21次下载
- ADV7390/91/92/93原文资料数据手册PDF免费下载(视频编码器) 17次下载
- ADV7344原文资料数据手册PDF免费下载(视频编码器) 5次下载
- ADV7342/ADV7343原文资料数据手册PDF免费下载(视频编码器) 14次下载
- ADV7340/ADV7341原文资料数据手册PDF免费下载(视频编码器) 23次下载
- ADV7320/ADV7321原文资料数据手册PDF免费下载(单片芯片模拟编码器) 19次下载
- ADV7283原文资料数据手册PDF免费下载(视频编码器) 6次下载
- ADV7282原文资料数据手册PDF免费下载(视频编码器) 9次下载
- ADV7194原文资料数据手册PDF免费下载(视频编码器) 15次下载
- ADV7174/ADV7179原文资料数据手册PDF免费下载(TMDS(数字视频编码器) 23次下载
- ADV7174/ADV7179原文资料数据手册PDF免费下载(TMDS(数字视频编码器) 2次下载
- ADV7172/ADV7173原文资料数据手册PDF免费下载(TMDS(数字视频编码器) 4次下载
- ADV7170/ADV7171原文资料数据手册PDF免费下载(TMDS(数字视频编码器) 17次下载
- ADV7401,pdf datasheet (RGB Gra
- 自编码器的原理和类型 513次阅读
- 增量编码器和绝对值编码器的区别 1623次阅读
- 编码器好坏怎么判断,编码器原理 1440次阅读
- 磁性编码器和光电编码器的比较 2340次阅读
- 先进的数字视频编码器 1495次阅读
- 自编码器 AE(AutoEncoder)程序 1170次阅读
- 脉冲编码器的原理_脉冲编码器的故障分析 9212次阅读
- 伺服电机编码器原理_伺服电机编码器种类 9937次阅读
- 光电编码器型号含义_光电编码器应用实例 1.7w次阅读
- 视频编码器的对比和选择 1.3w次阅读
- 编码器正交编码工作原理 3.2w次阅读
- 以DSP和FPGA协同威廉希尔官方网站 设计实现的高性能视频编码器视频采集设计 719次阅读
- 伺服电机自带编码器为什么还要外加编码器? 6w次阅读
- 视频编码器怎么使用 1.2w次阅读
- 编码器元件及其应用 6512次阅读
下载排行
本周
- 1TC358743XBG评估板参考手册
- 1.36 MB | 330次下载 | 免费
- 2开关电源基础知识
- 5.73 MB | 11次下载 | 免费
- 3嵌入式linux-聊天程序设计
- 0.60 MB | 3次下载 | 免费
- 4DIY动手组装LED电子显示屏
- 0.98 MB | 3次下载 | 免费
- 5基于FPGA的C8051F单片机开发板设计
- 0.70 MB | 2次下载 | 免费
- 651单片机窗帘控制器仿真程序
- 1.93 MB | 2次下载 | 免费
- 751单片机PM2.5检测系统程序
- 0.83 MB | 2次下载 | 免费
- 8基于51单片机的RGB调色灯程序仿真
- 0.86 MB | 2次下载 | 免费
本月
- 1OrCAD10.5下载OrCAD10.5中文版软件
- 0.00 MB | 234315次下载 | 免费
- 2555集成电路应用800例(新编版)
- 0.00 MB | 33566次下载 | 免费
- 3接口电路图大全
- 未知 | 30323次下载 | 免费
- 4开关电源设计实例指南
- 未知 | 21549次下载 | 免费
- 5电气工程师手册免费下载(新编第二版pdf电子书)
- 0.00 MB | 15349次下载 | 免费
- 6数字电路基础pdf(下载)
- 未知 | 13750次下载 | 免费
- 7电子制作实例集锦 下载
- 未知 | 8113次下载 | 免费
- 8《LED驱动电路设计》 温德尔著
- 0.00 MB | 6656次下载 | 免费
总榜
- 1matlab软件下载入口
- 未知 | 935054次下载 | 免费
- 2protel99se软件下载(可英文版转中文版)
- 78.1 MB | 537798次下载 | 免费
- 3MATLAB 7.1 下载 (含软件介绍)
- 未知 | 420027次下载 | 免费
- 4OrCAD10.5下载OrCAD10.5中文版软件
- 0.00 MB | 234315次下载 | 免费
- 5Altium DXP2002下载入口
- 未知 | 233046次下载 | 免费
- 6电路仿真软件multisim 10.0免费下载
- 340992 | 191186次下载 | 免费
- 7十天学会AVR单片机与C语言视频教程 下载
- 158M | 183279次下载 | 免费
- 8proe5.0野火版下载(中文版免费下载)
- 未知 | 138040次下载 | 免费
电子发烧友App





创作
发文章
发帖
提问
发资料
发视频
上传资料赚积分
评论