资料介绍
iPhone 4S是苹果公司推出的一款触摸屏智能手机,iPhone第五代产品。它于北京时间2011年10月04日在美国加利福尼亚州举行的Let‘s talk iPhone的新品发布会上,发布了这款运行iOS 5系统的新一代iPhone手机。
iPhone 4s在硬件和软件方面都有了较大的提升,其最大的亮点在于全新siri智能语音助手和iCloud云端服务。硬件方面,搭载苹果A5双核处理器,正面配有3.5英寸IPS玻璃硬屏,分辨率为960×640像素,背照式镜头像素提升至800万。
iPhone 4s分为黑色和白色两种,两年的合约 16GB为198美元,32GB为299美元,64GB为399美元。首批上市国家以及地区有7个,截止2011年12月,iPhone 4S已经在超过100个国家和地区发售。
北京时间2013年9月11日凌晨1点,苹果在美国加州总部库比蒂诺召开秋季新品发布会。发布了iPhone 5s/5c,随后iPhone 4S、iPhone 5逐渐停产并停止售卖。
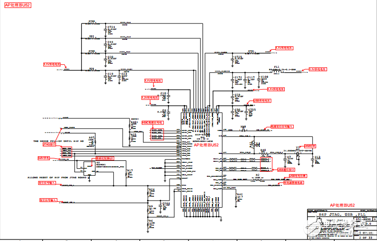
以下图片为iPhone 4s电路图


- 使用DS1302与12864LCD设计可调式中文电子日历的程序和仿真电路图 25次下载
- iphone4原厂完整的电路图和点位图资料合集免费下载 34次下载
- iPhone 6S详细电路原理图资料免费下载一共50多张电路图 377次下载
- 比亚迪S7电路图 120次下载
- 海德堡CD102F+L中文电路图98年版本 0次下载
- iphone5 中文电路图 50次下载
- iPhone6S++4.7电路图 335次下载
- AD9858的中文电路图 20次下载
- _iphone4原厂完整电路图元件分布图 0次下载
- AD7606中文电路描述 35次下载
- iphone 4S 元件分布图 3次下载
- iphone5 电路图 19次下载
- K4S561632C-TC75 (32MB)接口电路图
- 福日S4机芯电路图
- 波导S1180电路图
- 基础模块电路图设计 2040次阅读
- 常见的八种逆变器电路图分享 10.1w次阅读
- 如何快速看懂电路图 2.7w次阅读
- 如何看懂电路图的电路走向 5.3w次阅读
- 电路图和电气原理图的区别是什么?带你快速看懂电气控制电路图 5w次阅读
- 手机解锁方法_美版iphone4s怎么样解锁_htc手机一键解锁工具如何下载 2.8w次阅读
- 双555构成4H顺序定时电路图 5913次阅读
- 4挡触摸调光台灯电路图 6729次阅读
- 自动控电路图 3228次阅读
- 测光电路图 2713次阅读
- S-8081B典型应用电路图 3397次阅读
- 过零检测器电路图4 4561次阅读
- 定时电路图 3555次阅读
- 温度控制器电路图4 2977次阅读
- 温度控制器电路图4 1.2w次阅读
下载排行
本周
- 1TC358743XBG评估板参考手册
- 1.36 MB | 330次下载 | 免费
- 2开关电源基础知识
- 5.73 MB | 6次下载 | 免费
- 3100W短波放大电路图
- 0.05 MB | 4次下载 | 3 积分
- 4嵌入式linux-聊天程序设计
- 0.60 MB | 3次下载 | 免费
- 5基于FPGA的光纤通信系统的设计与实现
- 0.61 MB | 2次下载 | 免费
- 6基于FPGA的C8051F单片机开发板设计
- 0.70 MB | 2次下载 | 免费
- 751单片机窗帘控制器仿真程序
- 1.93 MB | 2次下载 | 免费
- 8基于51单片机的RGB调色灯程序仿真
- 0.86 MB | 2次下载 | 免费
本月
- 1OrCAD10.5下载OrCAD10.5中文版软件
- 0.00 MB | 234315次下载 | 免费
- 2555集成电路应用800例(新编版)
- 0.00 MB | 33564次下载 | 免费
- 3接口电路图大全
- 未知 | 30323次下载 | 免费
- 4开关电源设计实例指南
- 未知 | 21548次下载 | 免费
- 5电气工程师手册免费下载(新编第二版pdf电子书)
- 0.00 MB | 15349次下载 | 免费
- 6数字电路基础pdf(下载)
- 未知 | 13750次下载 | 免费
- 7电子制作实例集锦 下载
- 未知 | 8113次下载 | 免费
- 8《LED驱动电路设计》 温德尔著
- 0.00 MB | 6653次下载 | 免费
总榜
- 1matlab软件下载入口
- 未知 | 935054次下载 | 免费
- 2protel99se软件下载(可英文版转中文版)
- 78.1 MB | 537796次下载 | 免费
- 3MATLAB 7.1 下载 (含软件介绍)
- 未知 | 420026次下载 | 免费
- 4OrCAD10.5下载OrCAD10.5中文版软件
- 0.00 MB | 234315次下载 | 免费
- 5Altium DXP2002下载入口
- 未知 | 233046次下载 | 免费
- 6电路仿真软件multisim 10.0免费下载
- 340992 | 191185次下载 | 免费
- 7十天学会AVR单片机与C语言视频教程 下载
- 158M | 183278次下载 | 免费
- 8proe5.0野火版下载(中文版免费下载)
- 未知 | 138040次下载 | 免费
电子发烧友App





创作
发文章
发帖
提问
发资料
发视频
上传资料赚积分
评论