资料介绍
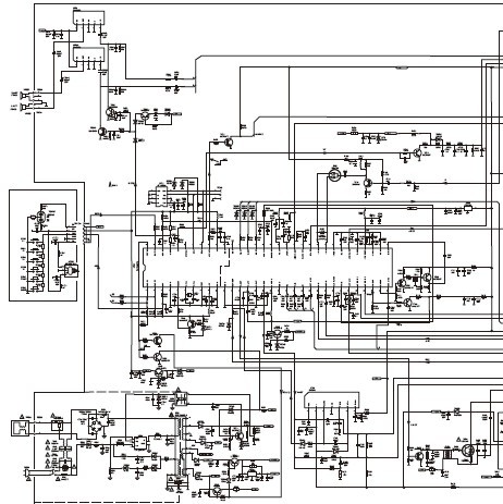
熊猫21MF88彩电图纸

下载该资料的人也在下载
下载该资料的人还在阅读
更多 >
- 海尔21FK3彩电图纸
- 熊猫N21A701彩电图纸
- 创维21D88AA(3P90机芯)彩电电路图纸
- 海信TC21R88N彩电图纸
- 长虹21A17彩电图纸
- 熊猫C64P88彩电电路图
- 熊猫3625彩电电路图
- 熊猫3615B彩电电路图
- 熊猫3608A彩电电路图
- 熊猫2188彩电电路图
- 熊猫21M01彩电电路图
- 熊猫2119彩电电路图
- 熊猫3631M彩电电路图
- 三洋CK21D88彩电电路图
- 熊猫25M05彩电电路图
- 如何在Draftsman中创建PCB制造图纸 316次阅读
- LFPAK88:一个非常酷的客户 1109次阅读
- 如何移除元件或将其放回图纸中 2331次阅读
- Chrome 88彻底封杀Flash该如何恢复? 4346次阅读
- MF47指针式万用表的构造及使用方法 2.9w次阅读
- 同创新佳科技LS-8206B-MF酒店锁介绍 1176次阅读
- 同创新佳科技LS-8068-MF酒店锁 1151次阅读
- 同创新佳科技LS-8078-MF酒店锁简介 1563次阅读
- 同创新佳科技LS-8058-RF/MF酒店锁介绍 1283次阅读
- 88e6060原理图_88e6060电路图 8089次阅读
- 88e6060是什么芯片 8153次阅读
- 熊猫以工业机器人为突破口 主攻智能制造威廉希尔官方网站 1103次阅读
- 熊猫2158型彩电模拟量共用电路 4638次阅读
- 永华MO-88电磁炉电路图 9384次阅读
- 彩电保护电路 4085次阅读
下载排行
本周
- 1电子电路原理第七版PDF电子教材免费下载
- 0.00 MB | 1489次下载 | 免费
- 2单片机典型实例介绍
- 18.19 MB | 92次下载 | 1 积分
- 3S7-200PLC编程实例详细资料
- 1.17 MB | 27次下载 | 1 积分
- 4笔记本电脑主板的元件识别和讲解说明
- 4.28 MB | 18次下载 | 4 积分
- 5开关电源原理及各功能电路详解
- 0.38 MB | 10次下载 | 免费
- 6基于AT89C2051/4051单片机编程器的实验
- 0.11 MB | 4次下载 | 免费
- 7基于单片机和 SG3525的程控开关电源设计
- 0.23 MB | 3次下载 | 免费
- 8蓝牙设备在嵌入式领域的广泛应用
- 0.63 MB | 3次下载 | 免费
本月
- 1OrCAD10.5下载OrCAD10.5中文版软件
- 0.00 MB | 234313次下载 | 免费
- 2PADS 9.0 2009最新版 -下载
- 0.00 MB | 66304次下载 | 免费
- 3protel99下载protel99软件下载(中文版)
- 0.00 MB | 51209次下载 | 免费
- 4LabView 8.0 专业版下载 (3CD完整版)
- 0.00 MB | 51043次下载 | 免费
- 5555集成电路应用800例(新编版)
- 0.00 MB | 33562次下载 | 免费
- 6接口电路图大全
- 未知 | 30319次下载 | 免费
- 7Multisim 10下载Multisim 10 中文版
- 0.00 MB | 28588次下载 | 免费
- 8开关电源设计实例指南
- 未知 | 21539次下载 | 免费
总榜
- 1matlab软件下载入口
- 未知 | 935053次下载 | 免费
- 2protel99se软件下载(可英文版转中文版)
- 78.1 MB | 537791次下载 | 免费
- 3MATLAB 7.1 下载 (含软件介绍)
- 未知 | 420026次下载 | 免费
- 4OrCAD10.5下载OrCAD10.5中文版软件
- 0.00 MB | 234313次下载 | 免费
- 5Altium DXP2002下载入口
- 未知 | 233045次下载 | 免费
- 6电路仿真软件multisim 10.0免费下载
- 340992 | 191183次下载 | 免费
- 7十天学会AVR单片机与C语言视频教程 下载
- 158M | 183277次下载 | 免费
- 8proe5.0野火版下载(中文版免费下载)
- 未知 | 138039次下载 | 免费
电子发烧友App





创作
发文章
发帖
提问
发资料
发视频
上传资料赚积分
评论