资料介绍
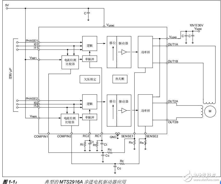
MTS2916A 步进电机驱动器是一种能够同时驱动双极性步进电机两个绕组或双向控制
两个直流电机的 CMOS 器件。本用户指南仅涵盖步进电机应用。两个独立 H 桥输出均
能够维持 40V 电压,并提供 750 mA 的连续电流。用户必须确保遵从温度准则,驱动器
不超出 +150°C 的最高结温。驱动器通常将在 +170°C 结温下进入热关断模式。输出电
流级别由内部的脉宽调制(Pulse-Width Modulation,PWM)电路控制,该电路使用两
通过 PWM 电流控制和逻辑输入,可以实现整步、半步和微步操作。最大输出电流由检
测电阻和用户可选的参考电压设置。评估板参考电压使用 Run 开关控制,第 2.4.1 节
“为 MTS2916A 双全桥步进电机驱动器评估板供电”对此进行了详细介绍。每个桥都
具有独立的相位输入,用于控制其特定负载的电流方向。
内部钳位二极管可以防止感性电压瞬变。热保护电路可以在结温超出热保护阈值时禁止
输出。热保护电路通常具有 25°C 的滞后。欠压锁定电路可以防止输出在逻辑供电电压
	  升至足以恢复控制之前变为有效。不需要任何特殊的上电序列
	
- NS8A25步进电机驱动器的中文资料详细说明 18次下载
 - 基于MTS62C19A下的双路全桥电机驱动器
 - 基于MTS2916A下的双路全桥电机驱动器
 - 如何使用MTS2916A双全桥步进电机驱动器评估板作为开发工具详细概述
 - MTS291双极电机驱动器 3次下载
 - 基于MTS2916A的步进驱动器评估板(ADM00308)BOM 6次下载
 - MTS2916A步进驱动器评估板ADM00308 11次下载
 - 两相步进电机驱动器A3992及其应用
 - 步进电机控制芯片UDN2916LB原理及应用
 - 基于3955的步进电机驱动器设计
 - 厦华R2916彩电电路图
 - 康佳T2916A,T2916AF,T2916N电路图
 - UDN2916LB中文资料
 - UDN2916LB应用电路及原理
 - udn2916lb pdf datasheet (DUAL
 
- 步进电机驱动器拨码开关的调节方法 1642次阅读
 - 如何正确选择步进电机驱动器 1390次阅读
 - 为什么步进电机要加驱动器 781次阅读
 - 步进电机驱动器的分类和工作原理 827次阅读
 - 步进电机驱动器的工作原理、作用及种类 730次阅读
 - 双极步进电机驱动器的元件很少 857次阅读
 - 基于ULN2003A达林顿管的步进电机驱动设计 7589次阅读
 - 步进电机驱动器有什么参数_步进电机驱动器常见故障维修 1.5w次阅读
 - 双绕组双极步进电机芯片UDN2916LB的性能特点与应用电路分析 3213次阅读
 - 基于THB8128的步进电机驱动器设计 1146次阅读
 - 如何设置步进电机驱动器的参数 4.2w次阅读
 - 步进电机控制器和驱动器功能区别 5853次阅读
 - 步进电机驱动器工作模式_步进电机驱动器电路图 8675次阅读
 - 步进电机的控制驱动原理_步进电机的3种励磁模式详解 2.4w次阅读
 - HR8828内置步进表的集成微步进电机驱动器介绍 1988次阅读
 
下载排行
本周
- 1电子电路原理第七版PDF电子教材免费下载
 - 0.00 MB | 1489次下载 | 免费
 - 2单片机典型实例介绍
 - 18.19 MB | 92次下载 | 1 积分
 - 3S7-200PLC编程实例详细资料
 - 1.17 MB | 27次下载 | 1 积分
 - 4笔记本电脑主板的元件识别和讲解说明
 - 4.28 MB | 18次下载 | 4 积分
 - 5开关电源原理及各功能电路详解
 - 0.38 MB | 10次下载 | 免费
 - 6基于AT89C2051/4051单片机编程器的实验
 - 0.11 MB | 4次下载 | 免费
 - 7基于单片机和 SG3525的程控开关电源设计
 - 0.23 MB | 3次下载 | 免费
 - 8蓝牙设备在嵌入式领域的广泛应用
 - 0.63 MB | 3次下载 | 免费
 
本月
- 1OrCAD10.5下载OrCAD10.5中文版软件
 - 0.00 MB | 234313次下载 | 免费
 - 2PADS 9.0 2009最新版 -下载
 - 0.00 MB | 66304次下载 | 免费
 - 3protel99下载protel99软件下载(中文版)
 - 0.00 MB | 51209次下载 | 免费
 - 4LabView 8.0 专业版下载 (3CD完整版)
 - 0.00 MB | 51043次下载 | 免费
 - 5555集成电路应用800例(新编版)
 - 0.00 MB | 33562次下载 | 免费
 - 6接口电路图大全
 - 未知 | 30319次下载 | 免费
 - 7Multisim 10下载Multisim 10 中文版
 - 0.00 MB | 28588次下载 | 免费
 - 8开关电源设计实例指南
 - 未知 | 21539次下载 | 免费
 
总榜
- 1matlab软件下载入口
 - 未知 | 935053次下载 | 免费
 - 2protel99se软件下载(可英文版转中文版)
 - 78.1 MB | 537791次下载 | 免费
 - 3MATLAB 7.1 下载 (含软件介绍)
 - 未知 | 420026次下载 | 免费
 - 4OrCAD10.5下载OrCAD10.5中文版软件
 - 0.00 MB | 234313次下载 | 免费
 - 5Altium DXP2002下载入口
 - 未知 | 233045次下载 | 免费
 - 6电路仿真软件multisim 10.0免费下载
 - 340992 | 191183次下载 | 免费
 - 7十天学会AVR单片机与C语言视频教程 下载
 - 158M | 183277次下载 | 免费
 - 8proe5.0野火版下载(中文版免费下载)
 - 未知 | 138039次下载 | 免费
 
	                电子发烧友App
	            
	        
	        
          
        
        
	                    
                        
                        
                        
                        
                        

创作
发文章
发帖  
提问  
发资料
发视频
上传资料赚积分
           
            
            
                
            
评论