资料介绍
布局的思考
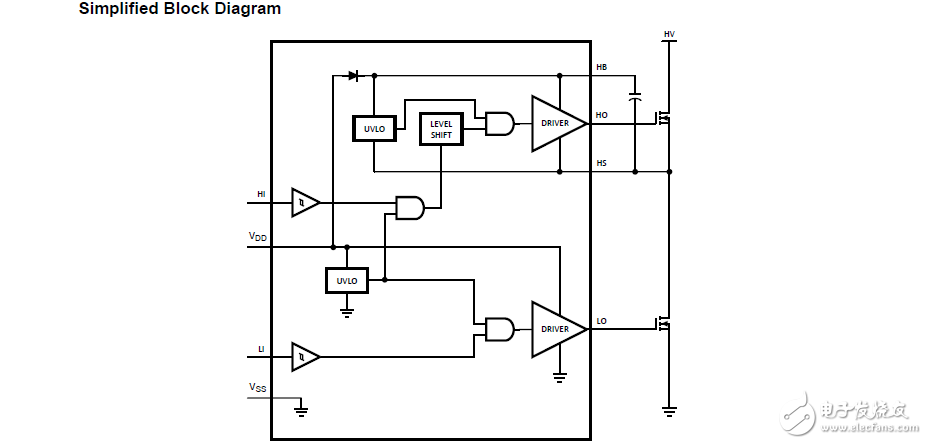
高和低侧栅极驱动器的最佳性能不能实现不采取适当的。电路板布局中的考虑。强调以下几点。
1.低ESR / ESL电容必须连接到IC,并在VDD和VSS之间的引脚和之间HB和HS引脚支持高峰值电流绘制从VDD在外部的开启。MOSFET。
2.为了防止顶部MOSFET漏极的电压瞬变,必须使用低ESR的电解电容器。连接MOSFET漏极和接地(VSS)。
3.为了避免开关节点(HS)引脚上的大的负瞬变,寄生电感在
必须将顶部MOSFET的源极和底部MOSFET(同步整流器)的漏极降至最低。
4.接地的考虑:
(a)设计接地连接的首要任务是限制高峰值电流。在最小物理面积上充放电MOSFET栅极。这将减少循环。MOSFET栅极端的电感和最小噪声问题。MOSFET应该是尽可能靠近门驱动器。
(b)第二大电流通路包括自举电容、自举二极管、局部接地。参考旁路电容和低侧MOSFET体二极管。自举电容充电。逐周期的基础上,自举二极管从接地参考VDD旁路电容器。充电发生在很短的时间间隔,涉及高峰值电流。最小化这个循环长度路板上的面积对保证可靠运行非常重要。

- 紧凑、强大且稳健的低侧栅极驱动器的优势应用说明
- 使用单输出栅极驱动器实现高侧或低侧驱动
- 单通道、高速、低侧栅极驱动器UCC2751x数据表
- 高压栅极驱动器LM5100A/B/C LM5101A/B/C数据表
- 具有反极性保护和过压保护功能的低IQ高侧开关控制器LM74502,LM74502H数据表
- MOSFET和IGBT栅极驱动器电路之高侧非隔离栅极驱动
- 低侧栅极驱动器的应用回顾和比较评估
- TI高侧和低侧继电器、电机及负载驱动器产品系列的设计
- ADP3654替代芯片PN7763 低侧mos驱动器芯片
- PM8834替换芯片PN7762国产低侧mos驱动器芯片
- ADP3110A单相12V MOSFET栅极驱动器的详细中文数据手册免费下载 78次下载
- 四路串行接口低侧驱动器集成电路 (IC) 3次下载
- 高压mosfet驱动器电路图分享 23次下载
- UCC2752x系列5-A高速低侧栅极驱动器 0次下载
- LM5100A/B/C|LM5101A/B/C,pdf da
- 如何有效减轻高压电动汽车栅极驱动器的故障 156次阅读
- 变压器高压侧和低压侧分别在哪 902次阅读
- 变压器的抽头在高压侧还是低压侧 360次阅读
- 如何区分变压器的高压侧和低压侧 3304次阅读
- 变压器的高压侧与低压侧是什么 2546次阅读
- 低侧电流测量的优缺点有哪些 775次阅读
- 差压变送器高压侧和低压侧怎么安装 3307次阅读
- 低压栅极驱动器的结构组成和工作过程 1456次阅读
- 圣邦微电子四路低压侧驱动器SGM42403简述 1033次阅读
- 高、低侧电阻电流感应的优缺点区别 1604次阅读
- 以双极性方式驱动单极栅极驱动器 755次阅读
- 绝缘栅极驱动器的重要特性 1353次阅读
- 隔离式栅极驱动器的峰值电流 2262次阅读
- 高侧和低侧电阻电流感应的区别是什么 4388次阅读
- 快速、150V、高压侧NMOS静态开关驱动器LTC®7001 3210次阅读
下载排行
本周
- 1TC358743XBG评估板参考手册
- 1.36 MB | 330次下载 | 免费
- 2开关电源基础知识
- 5.73 MB | 6次下载 | 免费
- 3100W短波放大电路图
- 0.05 MB | 4次下载 | 3 积分
- 4嵌入式linux-聊天程序设计
- 0.60 MB | 3次下载 | 免费
- 5基于FPGA的光纤通信系统的设计与实现
- 0.61 MB | 2次下载 | 免费
- 651单片机窗帘控制器仿真程序
- 1.93 MB | 2次下载 | 免费
- 751单片机大棚环境控制器仿真程序
- 1.10 MB | 2次下载 | 免费
- 8基于51单片机的RGB调色灯程序仿真
- 0.86 MB | 2次下载 | 免费
本月
- 1OrCAD10.5下载OrCAD10.5中文版软件
- 0.00 MB | 234315次下载 | 免费
- 2555集成电路应用800例(新编版)
- 0.00 MB | 33564次下载 | 免费
- 3接口电路图大全
- 未知 | 30323次下载 | 免费
- 4开关电源设计实例指南
- 未知 | 21549次下载 | 免费
- 5电气工程师手册免费下载(新编第二版pdf电子书)
- 0.00 MB | 15349次下载 | 免费
- 6数字电路基础pdf(下载)
- 未知 | 13750次下载 | 免费
- 7电子制作实例集锦 下载
- 未知 | 8113次下载 | 免费
- 8《LED驱动电路设计》 温德尔著
- 0.00 MB | 6653次下载 | 免费
总榜
- 1matlab软件下载入口
- 未知 | 935054次下载 | 免费
- 2protel99se软件下载(可英文版转中文版)
- 78.1 MB | 537796次下载 | 免费
- 3MATLAB 7.1 下载 (含软件介绍)
- 未知 | 420026次下载 | 免费
- 4OrCAD10.5下载OrCAD10.5中文版软件
- 0.00 MB | 234315次下载 | 免费
- 5Altium DXP2002下载入口
- 未知 | 233046次下载 | 免费
- 6电路仿真软件multisim 10.0免费下载
- 340992 | 191185次下载 | 免费
- 7十天学会AVR单片机与C语言视频教程 下载
- 158M | 183279次下载 | 免费
- 8proe5.0野火版下载(中文版免费下载)
- 未知 | 138040次下载 | 免费
电子发烧友App





创作
发文章
发帖
提问
发资料
发视频
上传资料赚积分
评论