资料介绍
传统上,由于体系结构对参考电压的依赖性,线性稳压器的输出电压仅限于参考电压。因此,由于旧一代架构采用1.2 V作为参考,这些稳压器的最小输出电压限制在1.2 V,系统板上的集成电路需要更低的电压来操作。因此,这些线性稳压器不能为需要小于1.2 V和更高电流的集成电路供电。
然而,一种新的线性稳压器结构克服了这种低输出电压限制。通过取代传统的电压参考电流源,新一代线性稳压器可以提供输出电压远低于1 V,事实上,它有能力去低至零伏特,根据制造商。此外,这种新的线性稳压器架构也可以配置为电流源。此外,不像旧一代线性稳压器,它可以并联,以提供更高的输出电流,如果需要的话。

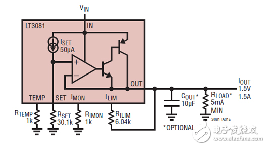
Linear Technology’s LT3081 and LT3082 incorporate the new architecture to deliver new levels of performance with adjustable output voltage that can be programmed down to 0 V at high current. While LT3081 is rated for 1.5 A output current capability, the LT3082 is a 200 mA low-dropout linear regulator.
As shown in Figure 1, a precision 50 μA reference current source connects to the non-inverting input of a power operational amplifier. The power operational amplifier provides a low-impedance buffered output to the voltage on the non-inverting input. A single resistor from the non-inverting input to ground sets the output voltage. If this resistor is set to 0 Ω, zero output voltage results. Therefore, any output voltage can be obtained between zero and the maximum defined by the input, which in the case of LT3081, is 40 V maximum. The Table lists many common output voltages that can be generated using the closest standard 1% resistor values for RSET.
- 使用线性稳压器中的使能引脚作为电压监控器
- LDO线性稳压器详解
- 线性稳压器与开关稳压器的对比分析
- 线性稳压器入门教程
- DN292-甚低压差(VLDO)线性稳压器提供低压输出
- 低消耗电流正电压型电压稳压器PW6566 26次下载
- 连载一:什么是LDO线性稳压器的并联?
- 基于MCP1810下的超低静态电流 LDO 稳压器
- 基于MCP1727下的1.5A 低电压低静态电流 LDO 稳压器
- DC-DC 基础知识二线性稳压器(中文资料) 12次下载
- 线性稳压器与开关稳压器的对比 1次下载
- 1.5A、负稳压器扩充了电流基准线性稳压器系列 2次下载
- LDO稳压器高精度电压基准源的分析与设计
- 利用射极跟随器提升线性稳压器的输出电流
- 利用射极跟随器提升线性稳压器的输出电流
- 低压差线性稳压器电路图分享 5728次阅读
- 线性稳压器的分类及特点 558次阅读
- 什么是电压稳压器?电压稳压器的工作概况 1906次阅读
- 单个电阻器提供来自线性稳压器的额外电流 373次阅读
- 极低压差线性稳压器在低VOUT应用中优于开关稳压器 953次阅读
- JFET提高线性稳压器的额定电压 733次阅读
- 单个电阻器提供来自线性稳压器的额外电流 682次阅读
- 利用LT3080x电流源基准线性稳压器停机 1113次阅读
- 使用线性稳压器产生恒定电流源 1250次阅读
- 轻松并联线性稳压器 2857次阅读
- 使用超低噪声LDO稳压器提供清洁电源 1927次阅读
- 电压稳压器和线性稳压器的种类 2382次阅读
- ADI威廉希尔官方网站 文章:负电压线性稳压器 1922次阅读
- 线性稳压器的效果与特征 2523次阅读
- ldo线性稳压电源是什么_LDO线性稳压器详解 8792次阅读
下载排行
本周
- 1TC358743XBG评估板参考手册
- 1.36 MB | 330次下载 | 免费
- 2开关电源基础知识
- 5.73 MB | 6次下载 | 免费
- 3100W短波放大电路图
- 0.05 MB | 4次下载 | 3 积分
- 4嵌入式linux-聊天程序设计
- 0.60 MB | 3次下载 | 免费
- 5基于FPGA的光纤通信系统的设计与实现
- 0.61 MB | 2次下载 | 免费
- 651单片机窗帘控制器仿真程序
- 1.93 MB | 2次下载 | 免费
- 751单片机大棚环境控制器仿真程序
- 1.10 MB | 2次下载 | 免费
- 8基于51单片机的RGB调色灯程序仿真
- 0.86 MB | 2次下载 | 免费
本月
- 1OrCAD10.5下载OrCAD10.5中文版软件
- 0.00 MB | 234315次下载 | 免费
- 2555集成电路应用800例(新编版)
- 0.00 MB | 33564次下载 | 免费
- 3接口电路图大全
- 未知 | 30323次下载 | 免费
- 4开关电源设计实例指南
- 未知 | 21549次下载 | 免费
- 5电气工程师手册免费下载(新编第二版pdf电子书)
- 0.00 MB | 15349次下载 | 免费
- 6数字电路基础pdf(下载)
- 未知 | 13750次下载 | 免费
- 7电子制作实例集锦 下载
- 未知 | 8113次下载 | 免费
- 8《LED驱动电路设计》 温德尔著
- 0.00 MB | 6653次下载 | 免费
总榜
- 1matlab软件下载入口
- 未知 | 935054次下载 | 免费
- 2protel99se软件下载(可英文版转中文版)
- 78.1 MB | 537796次下载 | 免费
- 3MATLAB 7.1 下载 (含软件介绍)
- 未知 | 420026次下载 | 免费
- 4OrCAD10.5下载OrCAD10.5中文版软件
- 0.00 MB | 234315次下载 | 免费
- 5Altium DXP2002下载入口
- 未知 | 233046次下载 | 免费
- 6电路仿真软件multisim 10.0免费下载
- 340992 | 191185次下载 | 免费
- 7十天学会AVR单片机与C语言视频教程 下载
- 158M | 183279次下载 | 免费
- 8proe5.0野火版下载(中文版免费下载)
- 未知 | 138040次下载 | 免费
电子发烧友App





创作
发文章
发帖
提问
发资料
发视频
上传资料赚积分
评论