资料介绍
描述
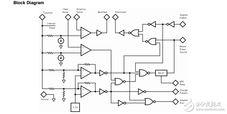
适配器接口电路(AIC)用于检测便携式计算机外部电源的存在。它通知计算机,如果某个源存在,并指示该源是否适合在计算机内充电电池组。AIC也感知适配器电流及其方向。当电流峰值超过阈值时,AIC隔离适配器并向计算机发出信号。
lm2601 P沟道FET驱动器。实现适配器转换电路不需要高电流额定肖特基二极管。这显著减少了在运行计算机时同时快速充电的额外热量损耗,特别是在最大性能操作模式下。数字温度补偿晶体振荡器)
特征
•检测适合蓄电池充电的AC-DC适配器或飞机或汽车电源适配器,不应用于电池充电。允许便携式系统的智能切换电路的实现
•lm2601关闭时自动删除适配器
•电池供电时的低漏电电流
•驱动P沟道FET,无需肖特基二极管
•没有反向Inrush电流从电池到适配器输出电容
•允许在系统软件/固件控制下进行电池容量气体校准
•宽输入范围:5v - 24V
•提供TSSOP封装

- 基于LPC2292的CAN总线USB接口适配器的设计
- 杂乱的适配器!
- 设计模式-适配器模式-以电压适配器为例
- 大话设计模式之爱你一万年:第六章 结构型模式:适配器模式:i7爱妻:为爱找份工作:2.适配器模式之类适配器
- JavaScript设计模式之适配器模式
- 直流与交流电源适配器的差异?电源适配器类型
- 高效率低待机QR模式适配器的设计 19次下载
- 电源适配器适配器设计计算的23步骤(元器件选型)资料下载
- 12V1A电源适配器的电路原理图免费下载 74次下载
- 适配器的设计模式详细资料合集免费下载
- 12V1A电源适配器的电路原理图资料免费下载 146次下载
- USB充电用高效AC适配器USB充电用高效AC适配器 23次下载
- 基于LPC2292的USB接口适配器设计 39次下载
- Lonworks串口适配器设计 40次下载
- 光纤通道主机适配器QLA2200电路原理
- 适配器的作用是什么?有哪些重要功能? 3848次阅读
- 实践GoF的23种设计模式:适配器模式 409次阅读
- 电源适配器自动断电控制电路 1.6w次阅读
- dfrobotXBee USB Adapter适配器介绍 1694次阅读
- 电源适配器的使用寿命_电源适配器的使用方法 9707次阅读
- 光纤适配器是什么_光纤适配器的作用介绍 4w次阅读
- 网络适配器怎么修复_如何修复网络适配器 12w次阅读
- orico蓝牙适配器怎么用_orico蓝牙适配器安装 1.6w次阅读
- java适配器模式实例 3777次阅读
- 适配器模式的优缺点 5864次阅读
- 适配器模式的应用 958次阅读
- 适配器模式和代理模式的区别 5231次阅读
- 适配器和充电器有什么区别 7.2w次阅读
- 适配器模式、装饰器模式、代理模式的区别 1.6w次阅读
- 适配器模式的本质及分类 3095次阅读
下载排行
本周
- 1TC358743XBG评估板参考手册
- 1.36 MB | 330次下载 | 免费
- 2开关电源基础知识
- 5.73 MB | 6次下载 | 免费
- 3100W短波放大电路图
- 0.05 MB | 4次下载 | 3 积分
- 4嵌入式linux-聊天程序设计
- 0.60 MB | 3次下载 | 免费
- 5基于FPGA的光纤通信系统的设计与实现
- 0.61 MB | 2次下载 | 免费
- 651单片机窗帘控制器仿真程序
- 1.93 MB | 2次下载 | 免费
- 751单片机大棚环境控制器仿真程序
- 1.10 MB | 2次下载 | 免费
- 8基于51单片机的RGB调色灯程序仿真
- 0.86 MB | 2次下载 | 免费
本月
- 1OrCAD10.5下载OrCAD10.5中文版软件
- 0.00 MB | 234315次下载 | 免费
- 2555集成电路应用800例(新编版)
- 0.00 MB | 33564次下载 | 免费
- 3接口电路图大全
- 未知 | 30323次下载 | 免费
- 4开关电源设计实例指南
- 未知 | 21549次下载 | 免费
- 5电气工程师手册免费下载(新编第二版pdf电子书)
- 0.00 MB | 15349次下载 | 免费
- 6数字电路基础pdf(下载)
- 未知 | 13750次下载 | 免费
- 7电子制作实例集锦 下载
- 未知 | 8113次下载 | 免费
- 8《LED驱动电路设计》 温德尔著
- 0.00 MB | 6653次下载 | 免费
总榜
- 1matlab软件下载入口
- 未知 | 935054次下载 | 免费
- 2protel99se软件下载(可英文版转中文版)
- 78.1 MB | 537796次下载 | 免费
- 3MATLAB 7.1 下载 (含软件介绍)
- 未知 | 420026次下载 | 免费
- 4OrCAD10.5下载OrCAD10.5中文版软件
- 0.00 MB | 234315次下载 | 免费
- 5Altium DXP2002下载入口
- 未知 | 233046次下载 | 免费
- 6电路仿真软件multisim 10.0免费下载
- 340992 | 191185次下载 | 免费
- 7十天学会AVR单片机与C语言视频教程 下载
- 158M | 183279次下载 | 免费
- 8proe5.0野火版下载(中文版免费下载)
- 未知 | 138040次下载 | 免费
电子发烧友App





创作
发文章
发帖
提问
发资料
发视频
上传资料赚积分
评论