资料介绍
摘要
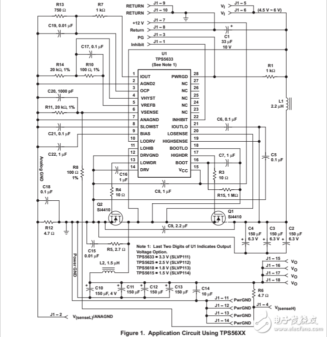
同步降压转换器的控制器(tps56100,tps56300,tps56xx,和tps5602)由德克萨斯制造的仪器是专门设计,提供出色的瞬态响应和效率高的微处理器电源应用如TI TMS320C6000和TMS320C5000 DSP家庭,以及类似的高速数字负载。另外,采用滞环控制方法,使电源设计者不必担心稳定性和补偿问题。表1总结了控制器的特性。
介绍
同步降压转换器,使用tps56xx同步降压开关电源控制器,具有3.3 V、2.5 V固定输出电压,1.8 V和1.5 V分别提供快速转换DSP的负载,快速记忆一个电源的特殊解决方案,和类似的处理器。tps56xx与很高的瞬态负载和直流负载范围的广泛应用是有用的,如多个DSP应用。
一个用户可选择的滞滞环控制器是用来降低负载瞬变引起的过冲。抑制引脚可用于控制功率排序。抑制和欠压锁定确保12 V电源电压与系统电压(5 V)是在适当的操作限制控制器开始之前。在一个28引脚的tps56xx家族TSSOP PowerPad包是可用的。
	
- 带电源良好TPS753xx EP带复位快速变速器TPS751xx-EP数据表
- ADSP-2199x系列:用于嵌入式控制和信号处理应用的混合信号DSP产品亮点
- 产品变更通知:AS50xx_AS51xx_AS52xx_AS54xx_AS8xxx_PN000157_1-00.pdf
- 如何利用TPS56xx实现DSP电源 12次下载
- 从5V或3.3V系统提供一种DSP电源解决方案 13次下载
- 利用TPS6200 Buck变换器实现DSP的运行时功率控制 18次下载
- 如何使用TPS56300DSP来设计电源应用系统详细概述 5次下载
- TLV56XX--8路DAC模块-V2原理图下载.pdf 30次下载
- DSP电源解决方案解析 5次下载
- 基于DSP的电源解决方案 1次下载
- 从5V或3.3V的系统提供了DSP的电源解决方案 11次下载
- 使用tps56100电源DSP混合信号产品 5次下载
- tps737XX(线性电源芯片LDO) 6次下载
- 基于DSP的供电电源电路设计 177次下载
- 用混合信号示波器调试嵌入式混合信号设计
- CKS32F4xx系列DSP功能介绍 1356次阅读
- 混合信号示波器 用途 2267次阅读
- 马达控制MCU模块TWR-56F8257的主要特点性能及应用电路分析 2905次阅读
- 32位音频DSP系列CS4953xx产品的主要特性及应用电路 4772次阅读
- 数字音频32位DSP CS485xx DSP系列的主要特点及应用 5534次阅读
- 信号路径中的模拟及混合信号部分的器件选择和设计事项 847次阅读
- 如何实现混合信号PCB的分区设计 2257次阅读
- 如何进行混合信号电路PCB的分区设计 3637次阅读
- TI MSP430 F22xx系列混合信号微控制器的特性及应用方案 4648次阅读
- 基于MSO的混合信号系统测试与调试[图] 1675次阅读
- DSP芯片主流厂商分析与常用芯片 8.4w次阅读
- 基于TPS65105的TFT-LCD电源设计方案 5512次阅读
- 基于DSP的智能电源系统设计 5347次阅读
- 巧用DSP在电源设计中的应用 1700次阅读
- 基于DSP的声雷达信号采集系统 1474次阅读
下载排行
本周
- 1TC358743XBG评估板参考手册
- 1.36 MB | 330次下载 | 免费
- 2开关电源基础知识
- 5.73 MB | 6次下载 | 免费
- 3100W短波放大电路图
- 0.05 MB | 4次下载 | 3 积分
- 4嵌入式linux-聊天程序设计
- 0.60 MB | 3次下载 | 免费
- 5基于FPGA的光纤通信系统的设计与实现
- 0.61 MB | 2次下载 | 免费
- 651单片机窗帘控制器仿真程序
- 1.93 MB | 2次下载 | 免费
- 751单片机大棚环境控制器仿真程序
- 1.10 MB | 2次下载 | 免费
- 8基于51单片机的RGB调色灯程序仿真
- 0.86 MB | 2次下载 | 免费
本月
- 1OrCAD10.5下载OrCAD10.5中文版软件
- 0.00 MB | 234315次下载 | 免费
- 2555集成电路应用800例(新编版)
- 0.00 MB | 33564次下载 | 免费
- 3接口电路图大全
- 未知 | 30323次下载 | 免费
- 4开关电源设计实例指南
- 未知 | 21549次下载 | 免费
- 5电气工程师手册免费下载(新编第二版pdf电子书)
- 0.00 MB | 15349次下载 | 免费
- 6数字电路基础pdf(下载)
- 未知 | 13750次下载 | 免费
- 7电子制作实例集锦 下载
- 未知 | 8113次下载 | 免费
- 8《LED驱动电路设计》 温德尔著
- 0.00 MB | 6653次下载 | 免费
总榜
- 1matlab软件下载入口
- 未知 | 935054次下载 | 免费
- 2protel99se软件下载(可英文版转中文版)
- 78.1 MB | 537796次下载 | 免费
- 3MATLAB 7.1 下载 (含软件介绍)
- 未知 | 420026次下载 | 免费
- 4OrCAD10.5下载OrCAD10.5中文版软件
- 0.00 MB | 234315次下载 | 免费
- 5Altium DXP2002下载入口
- 未知 | 233046次下载 | 免费
- 6电路仿真软件multisim 10.0免费下载
- 340992 | 191185次下载 | 免费
- 7十天学会AVR单片机与C语言视频教程 下载
- 158M | 183279次下载 | 免费
- 8proe5.0野火版下载(中文版免费下载)
- 未知 | 138040次下载 | 免费
 电子发烧友App
	                电子发烧友App
	             
	         
	         
           
        
 
        
 
	                    
 
                         
                         
                         
                         
                        


 创作
创作 发文章
发文章 发帖
发帖   提问
提问   发资料
发资料 发视频
发视频 上传资料赚积分
上传资料赚积分 
            
             
             
                 
             工商网监
工商网监
        
评论