资料介绍
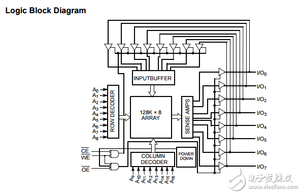
	  The CY7C1018DV33/CY7C1019DV33 is a high-performance CMOS static RAM organized as 131,072 words by 8 bits. Easy memory expansion is provided by an active LOW Chip Enable (CE), an active LOW Output Enable (OE), and three-state drivers. This device has an automatic power-down feature that significantly reduces power consumption when deselected. Writing to the device is accomplished by taking Chip Enable (CE) and Write Enable (WE) inputs LOW. Data on the eight I/O pins (I/O0 through I/O7) is then written into the location specified on the address pins (A0 through A16)。 Reading from the device is accomplished by taking Chip Enable (CE) and Output Enable (OE) LOW while forcing Write Enable (WE) HIGH. Under these conditions, the contents of the memory location specified by the address pins will appear on the I/O pins. The eight input/output pins (I/O0 through I/O7) are placed in a high-impedance state when the device is deselected (CE HIGH), the outputs are disabled (OE HIGH), or during a write operation (CE LOW, and WE LOW)。 The CY7C1018DV33/CY7C1019DV33 are available in Pb-free 32-pin 400-Mil wide Molded SOJ, 32-pin TSOP II and 48-ball VFBGA packages. For a complete list of related documentation, click here.
	
- 静态RAM——CY7C1041CV33文件解析 31次下载
 - cy7c1018dv33 1 - Mbit(128 K×8)静态RAM 5次下载
 - cy7c1009d 1 - Mbit(128 K×8)静态RAM 3次下载
 - cy7c1370dv25/cy7c1372dv25,18-mbit 流水线SRAM 诺博(TM)体系结构 4次下载
 - cy7c1059dv33 8兆位(1M×8)静态RAM 3次下载
 - cy7c1010dv33 2兆位(256 K×8)静态RAM 7次下载
 - cy7c1071dv33 32兆位(2米×16)静态RAM 4次下载
 - cy7c1069dv33,16兆位(2m×8)静态RAM 2次下载
 - cy7c10612dv33,16兆位(1M×16)静态RAM 8次下载
 - cy7c1061dv3316兆位(1M×16)静态RAM 3次下载
 - 8兆位(512 K×16)静态RAM,CY7C1051DV33 4次下载
 - cy7c1011cv33 2兆位静态RAM 2次下载
 - cy7c1020cv33 512 K静态RAM数据 2次下载
 - cy7c1041cv33汽车4兆位静态RAM 8次下载
 - FM28V100 datasheet pdf ,1Mbit
 
- 微控制器9S08MM128/64/32在医疗设计中的应用 2100次阅读
 - 基于CY8C24894 PSoC的超声波测距系统解决方案 3156次阅读
 - 基于CY8C24533芯片实现电动车自行车控制系统的应用方案 6033次阅读
 - CY8CKIT-035电源管理扩展的特点性能及应用 2020次阅读
 - 基于CY7C68013芯片的LED显示屏外部接口设计 1618次阅读
 - 89C52单片机与双口RAM如何实现数据通信 3137次阅读
 - 通过CY7C68013微控制器实现数据低速控制、高速传输的设计 5060次阅读
 - 微雪电子CY7C68013A高速USB通信模块简介 2750次阅读
 - 如何对51单片机RAM不同的区域进行划分 2259次阅读
 - 详细分析MCS-51单片机内部数据存储器RAM 8911次阅读
 - MCS-51单片机内部数据存储器的RAM结构详细解析 2.9w次阅读
 - 如何正确的划分51单片机中的RAM 7442次阅读
 - 单片机中的CY与OV详细解析 3.5w次阅读
 - 基于XC3S400和CY7C68013多路数据采集电路的设计 2712次阅读
 - DG128的EEPROM问题 1230次阅读
 
下载排行
本周
- 1TC358743XBG评估板参考手册
 - 1.36 MB | 330次下载 | 免费
 - 2开关电源基础知识
 - 5.73 MB | 6次下载 | 免费
 - 3100W短波放大电路图
 - 0.05 MB | 4次下载 | 3 积分
 - 4嵌入式linux-聊天程序设计
 - 0.60 MB | 3次下载 | 免费
 - 5基于FPGA的光纤通信系统的设计与实现
 - 0.61 MB | 2次下载 | 免费
 - 651单片机窗帘控制器仿真程序
 - 1.93 MB | 2次下载 | 免费
 - 751单片机大棚环境控制器仿真程序
 - 1.10 MB | 2次下载 | 免费
 - 8基于51单片机的RGB调色灯程序仿真
 - 0.86 MB | 2次下载 | 免费
 
本月
- 1OrCAD10.5下载OrCAD10.5中文版软件
 - 0.00 MB | 234315次下载 | 免费
 - 2555集成电路应用800例(新编版)
 - 0.00 MB | 33564次下载 | 免费
 - 3接口电路图大全
 - 未知 | 30323次下载 | 免费
 - 4开关电源设计实例指南
 - 未知 | 21549次下载 | 免费
 - 5电气工程师手册免费下载(新编第二版pdf电子书)
 - 0.00 MB | 15349次下载 | 免费
 - 6数字电路基础pdf(下载)
 - 未知 | 13750次下载 | 免费
 - 7电子制作实例集锦 下载
 - 未知 | 8113次下载 | 免费
 - 8《LED驱动电路设计》 温德尔著
 - 0.00 MB | 6653次下载 | 免费
 
总榜
- 1matlab软件下载入口
 - 未知 | 935054次下载 | 免费
 - 2protel99se软件下载(可英文版转中文版)
 - 78.1 MB | 537796次下载 | 免费
 - 3MATLAB 7.1 下载 (含软件介绍)
 - 未知 | 420026次下载 | 免费
 - 4OrCAD10.5下载OrCAD10.5中文版软件
 - 0.00 MB | 234315次下载 | 免费
 - 5Altium DXP2002下载入口
 - 未知 | 233046次下载 | 免费
 - 6电路仿真软件multisim 10.0免费下载
 - 340992 | 191185次下载 | 免费
 - 7十天学会AVR单片机与C语言视频教程 下载
 - 158M | 183279次下载 | 免费
 - 8proe5.0野火版下载(中文版免费下载)
 - 未知 | 138040次下载 | 免费
 
	                电子发烧友App
	            
	        
	        
          
        
        
	                    
                        
                        
                        
                        
                        

创作
发文章
发帖  
提问  
发资料
发视频
上传资料赚积分
           
            
            
                
            
评论