资料介绍
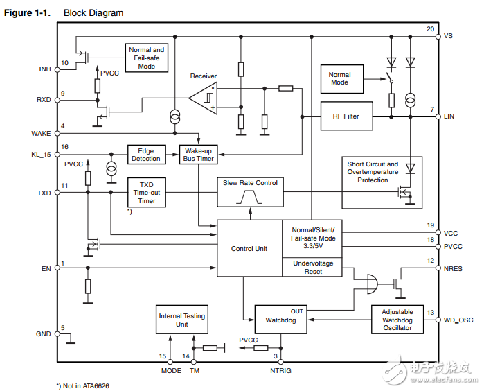
The Atmel® ATA6622 is a fully integrated LIN transceiver, which complies with the LIN 2.0, 2.1 and SAEJ2602-2 specifications. It has a low-drop voltage regulator for 3.3V/85mA output and a window watchdog. The Atmel ATA6624 has the same functionality as the Atmel ATA6622; however, it uses a 5V/85mA regulator. The Atmel ATA6626 has the same functionality as Atmel ATA6624 without a TXD time-out timer. The voltage regulator is able to source 85mA, but the output current can be boosted by using an external NPN transistor. This chip combination makes it possible to develop inexpensive, simple, yet powerful slave and master nodes for LIN-bus systems. Atmel ATA6622/ATA6624/ATA6626 are designed to handle the low-speed data communication in vehicles, e.g., in convenience electronics. Improved slope control at the LIN-driver ensures secure data communication up to 20kBaud. Sleep Mode and Silent Mode guarantee very low current consumption. The Atmel ATA6626 is able to switch the LIN unlimited to dominant level via TXD for low data rates.

- 具有浪涌保护功能的THVD14x9 3.3V至5V RS-485收发器数据表
- SN65HVD23x 3.3V CAN总线收发器数据表
- THVD14xx 3.3V至5V RS-485收发器数据表
- THVD1406、THVD1426 3.3V至5V RS-485收发器数据表
- 具有三态输出的八路总线收发器和3.3V至5V移位器SN74LVC4245A数据表
- LT1584-3.3演示电路-3.3V、7A线性调节器(4.75-7V至3.3V@7A)
- LTC2844:3.3V软件-可选多协议收发器数据表
- ±60V故障保护3.3V/5V CAN收发器
- LT1117/LT1117-2.85/LT1117-3.3/LT1117-5:800 mA低压差正向调节器可调固定2.85V、3.3V、5V数据表
- LTC1348:3.3V/5V低功耗RS232 3驱动器/5接收器收发器数据表
- LTC2875:±60V故障保护3.3V或5V 25kV ESD高速CAN FD收发器数据表
- [TI设计参考]3.3V电源调节器 14次下载
- ata6616c/ata6617c,LIN收发器闪存微控制器,调节器和看门狗数据表 9次下载
- ata6612c/ata6613c LIN收发器闪存微控制器,调节器和看门狗数据表 5次下载
- 3.3V—5V连接技巧与诀窍 0次下载
- 使用高速微型看门狗定时器 704次阅读
- STM32中的独立看门狗和窗口看门狗 1211次阅读
- STM32中的独立看门狗和窗口看门狗 1878次阅读
- 校准LIN总线收发器ATA6663的主要特性及应用分析 3134次阅读
- 如何复位ATmega128单片机的看门狗定时器 4104次阅读
- 解析3.3V与5V双向电平转换电路的工作状态 1.5w次阅读
- 电源中的+12V/+5V/+3.3V都给哪些硬件供电? 3.9w次阅读
- 什么是看门狗定时器?为何看门狗定时器如此重要? 2.3w次阅读
- NCV7425互连网络收发器手册(特性_功能方框图及应用) 4498次阅读
- 具看门狗定时器的宽VIN范围、降压-升压型充电泵LTC®3246 910次阅读
- STM32看门狗配置(独立看门狗IWDG和窗口看门狗WWDG) 8286次阅读
- 看门狗定时器的设计、工作原理及看门狗定时器的操作 7480次阅读
- stm32看门狗时间计算 独立看门狗和窗口看门狗的特性是什么 8659次阅读
- 信号链基础知识:工业市场过渡到3.3V CAN收发器 3760次阅读
- 隔离式3.3V转5V转换器的分立设计 4155次阅读
下载排行
本周
- 1Keysight B1500A 半导体器件分析仪用户手册、说明书 (中文)
- 19.00 MB | 4次下载 | 免费
- 2使用TL431设计电源
- 0.67 MB | 2次下载 | 免费
- 3BT134双向可控硅手册
- 1.74 MB | 2次下载 | 1 积分
- 4一种新型高效率的服务器电源系统
- 0.85 MB | 1次下载 | 1 积分
- 5LabVIEW环形控件
- 0.01 MB | 1次下载 | 1 积分
- 6PR735,使用UCC28060的600W交错式PFC转换器
- 540.03KB | 1次下载 | 免费
- 751单片机核心板原理图
- 0.12 MB | 1次下载 | 5 积分
- 8BP2879DB支持调光调灭的非隔离低 PF LED 驱动器
- 1.44 MB | 1次下载 | 免费
本月
- 1开关电源设计原理手册
- 1.83 MB | 54次下载 | 免费
- 2FS5080E 5V升压充电两串锂电池充电管理IC中文手册
- 8.45 MB | 23次下载 | 免费
- 3DMT0660数字万用表产品说明书
- 0.70 MB | 13次下载 | 免费
- 4UC3842/3/4/5电源管理芯片中文手册
- 1.75 MB | 12次下载 | 免费
- 5ST7789V2单芯片控制器/驱动器英文手册
- 3.07 MB | 11次下载 | 1 积分
- 6TPS54202H降压转换器评估模块用户指南
- 1.02MB | 8次下载 | 免费
- 7STM32F101x8/STM32F101xB手册
- 1.69 MB | 8次下载 | 1 积分
- 8基于MSP430FR6043的超声波气体流量计快速入门指南
- 2.26MB | 7次下载 | 免费
总榜
- 1matlab软件下载入口
- 未知 | 935119次下载 | 10 积分
- 2开源硬件-PMP21529.1-4 开关降压/升压双向直流/直流转换器 PCB layout 设计
- 1.48MB | 420061次下载 | 10 积分
- 3Altium DXP2002下载入口
- 未知 | 233084次下载 | 10 积分
- 4电路仿真软件multisim 10.0免费下载
- 340992 | 191367次下载 | 10 积分
- 5十天学会AVR单片机与C语言视频教程 下载
- 158M | 183335次下载 | 10 积分
- 6labview8.5下载
- 未知 | 81581次下载 | 10 积分
- 7Keil工具MDK-Arm免费下载
- 0.02 MB | 73807次下载 | 10 积分
- 8LabVIEW 8.6下载
- 未知 | 65987次下载 | 10 积分
电子发烧友App





创作
发文章
发帖
提问
发资料
发视频
评论