资料介绍
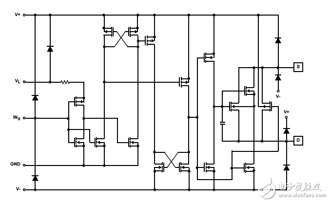
The DG444 and DG445 monolithic CMOS analog switches are drop-in replacements for the popular DG211 and DG212 series devices. They include four independent single pole single throw (SPST) analog switches and TTL and CMOS compatible digital inputs. These switches feature lower analog ON resistance (《85Ω) and faster switch time (tON 《250ns) compared to the DG211 and DG212. Charge injection has been reduced, simplifying sample and hold applications. The improvements in the DG444 series are made possible by using a high voltage silicon-gate process. An epitaxial layer prevents the latch-up associated with older CMOS technologies. The 44V maximum voltage range permits controlling ±20V signals when operating with ±20V power supplies. The four switches are bilateral, equally matched for AC or bidirectional signals. The ON resistance variation with analog signals is quite low over a ±5V analog input range. The switches in the DG444 and DG445 are identical, differing only in the polarity of the selection logic.

- TS12A451x低导通状态电阻4通道SPST CMOS模拟开关数据表
- DG444、DG445 数据表
- 高性能CMOS模拟多路复用器DG406/DG407数据手册 2次下载
- ADG611/ADG612/ADG613:1 PC电荷注入,100 pA漏电,CMOS,±5V/5V/3V,四路SPST开关数据表
- SW201S:四路SPST JFET模拟开关航天数据表
- LTC201A/LTC202/LTC203:微功耗、低电荷注入、四路CMOS模拟开关产品手册
- LTC221/LTC222:微功耗、低电荷注入、带数据锁存器的四路CMOS模拟开关数据表
- UG-1141:ADGS5412串联控制、高压、防闭锁、四路SPST开关评估板
- ADG200:DI CMOS保护双SPST模拟开关过时数据表
- ADG201S:高速四路SPST CMOS模拟开关航天数据表
- ADG1211/ADG1212/ADG1213:低电容、低电荷注入、±15 V/+12 V<em>I</em>CMOS;四路SPST开关数据表
- 单片集成CMOS模拟开关DG401, DG403 7次下载
- 双SPST模拟开关,单一的供应 3次下载
- 正确选择CMOS模拟开关
- DG411/DG883 pdf datasheet (Mon
- 中微爱芯CBTLV系列模拟开关产品介绍 823次阅读
- 关于双SPST开关演示信号的无损切换 2325次阅读
- 基于ADI ADG5421F双路单刀单掷(SPST)低阻开关设计方案介绍 2516次阅读
- 基于NXP 74LVCV2G66评估板的电路原理图 1956次阅读
- 关于模拟开关相关基础知识的介绍 3445次阅读
- 精密四路SPST CMOS模拟开关 9529次阅读
- 模拟开关的关键威廉希尔官方网站 特性和应用 5469次阅读
- 常用CMOS模拟开关功能及引脚介绍 1.3w次阅读
- 多路模拟开关结构原理 1.4w次阅读
- 51单片机的模拟开关设计 7659次阅读
- cmos传输门如何传输(cmos传输门工作原理及作用_真值表) 7.3w次阅读
- cd4066控制继电器电路图汇总(CMOS集成块/CD40157/触摸开关电路详解) 1.7w次阅读
- cd4066典型应用电路图(双向模拟开关/电子开关/音响发声电路图详解) 6.5w次阅读
- MAX4751,MAX4752,MAX4753低电压、单电源、四路SPST模拟开关 1w次阅读
- MAX4617-MAX4619低电压、CMOS模拟多路复用器/开关 6145次阅读
下载排行
本周
- 1TC358743XBG评估板参考手册
- 1.36 MB | 330次下载 | 免费
- 2开关电源基础知识
- 5.73 MB | 6次下载 | 免费
- 3100W短波放大电路图
- 0.05 MB | 4次下载 | 3 积分
- 4嵌入式linux-聊天程序设计
- 0.60 MB | 3次下载 | 免费
- 5基于FPGA的光纤通信系统的设计与实现
- 0.61 MB | 2次下载 | 免费
- 651单片机窗帘控制器仿真程序
- 1.93 MB | 2次下载 | 免费
- 751单片机大棚环境控制器仿真程序
- 1.10 MB | 2次下载 | 免费
- 8基于51单片机的RGB调色灯程序仿真
- 0.86 MB | 2次下载 | 免费
本月
- 1OrCAD10.5下载OrCAD10.5中文版软件
- 0.00 MB | 234315次下载 | 免费
- 2555集成电路应用800例(新编版)
- 0.00 MB | 33564次下载 | 免费
- 3接口电路图大全
- 未知 | 30323次下载 | 免费
- 4开关电源设计实例指南
- 未知 | 21549次下载 | 免费
- 5电气工程师手册免费下载(新编第二版pdf电子书)
- 0.00 MB | 15349次下载 | 免费
- 6数字电路基础pdf(下载)
- 未知 | 13750次下载 | 免费
- 7电子制作实例集锦 下载
- 未知 | 8113次下载 | 免费
- 8《LED驱动电路设计》 温德尔著
- 0.00 MB | 6653次下载 | 免费
总榜
- 1matlab软件下载入口
- 未知 | 935054次下载 | 免费
- 2protel99se软件下载(可英文版转中文版)
- 78.1 MB | 537796次下载 | 免费
- 3MATLAB 7.1 下载 (含软件介绍)
- 未知 | 420026次下载 | 免费
- 4OrCAD10.5下载OrCAD10.5中文版软件
- 0.00 MB | 234315次下载 | 免费
- 5Altium DXP2002下载入口
- 未知 | 233046次下载 | 免费
- 6电路仿真软件multisim 10.0免费下载
- 340992 | 191185次下载 | 免费
- 7十天学会AVR单片机与C语言视频教程 下载
- 158M | 183279次下载 | 免费
- 8proe5.0野火版下载(中文版免费下载)
- 未知 | 138040次下载 | 免费
电子发烧友App





创作
发文章
发帖
提问
发资料
发视频
上传资料赚积分
评论