资料介绍
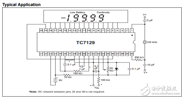
The TC7129 is a 4-1/2 digit Analog-to-Digital Converter (ADC) that directly drives a multiplexed Liquid Crystal Display (LCD)。 Fabricated in high-performance, lowpower CMOS, the TC7129 ADC is designed specifically for high-resolution, battery-powered digital multimeter applications. The traditional dual-slope method of A/D conversion has been enhanced with a successive integration technique to produce readings accurate to better than 0.005% of full-scale and resolution down to 10 V per count. The TC7129 includes features important to multimeter applications. It detects and indicates low battery condition. A continuity output drives an annunciator on the display and can be used with an external driver to sound an audible alarm. Overrange and underrange outputs, along with a range-change input, provide the ability to create auto-ranging instruments. For snapshot readings, the TC7129 includes a latch-and-hold input to freeze the present reading. This combination of features makes the TC7129 the ideal choice for full-featured multimeter and digital measurement applications.

- AD566A:高速12位单片D/A转换器数据表
- AD1508:8位单片乘法D/A转换器过时数据表
- AD7550:13位单片A/D转换器过时数据表
- AD671:单片12位2 MHz A/D转换器过时数据表
- AD561:低成本10位单片D/A转换器数据表
- AD9241:完整的14位、1.25 MSPS单片A/D转换器数据表
- AD9224:完整的12位40 MSPS单片A/D转换器数据表
- AD1671:完整的12位1.25 MSPS单片A/D转换器数据表
- AD644:14位,40 MSPS/65 MSPS模拟到数字转换器数据Sheet
- AD9048:单片8位视频A/D转换器数据表
- AD9243:完整的14位3 MSPS单片A/D转换器数据表
- AD9225:完整的12位25 MSPS单片A/D转换器数据表
- AD1408:8位单片乘法D/A转换器过时数据表
- AD871:完整的12位5 MSPS单片A/D转换器数据表
- 基于TC7116/7/6A/7A下的具有保持功能的 3-1/2 位模数转换器
- RA6T2的16位模数转换器操作 [2] A/D转换器概述 (2) 217次阅读
- RA6T2的16位模数转换器操作 [1] 简介,A/D转换器概述 185次阅读
- 常见的数模转换器有哪些 1492次阅读
- 数字控制电位器和电阻器与激光驱动器接口 616次阅读
- IEEE 1451.4 1类MMI智能传感器数字驱动器电路 2073次阅读
- 找不到合适的同步升压LED驱动器改用同步降压转换器 1458次阅读
- 时钟发生器性能对数据转换器的影响 1216次阅读
- 差分信号的应用优势和在模拟数字转换器中的应用 3185次阅读
- PIC单片机驱动LCD段驱动器的设计 1300次阅读
- digilent12位四信道模拟数字转换器介绍 2444次阅读
- digilent12位双信道模拟数字转换器介绍 2121次阅读
- digilent2模拟数字转换器介绍 1972次阅读
- digilent4通道8位数字模拟输出介绍 1771次阅读
- 深度解析SiC/GaN功率转换器驱动 8497次阅读
- 基于ICL7107的数字电压表 4909次阅读
下载排行
本周
- 1TC358743XBG评估板参考手册
- 1.36 MB | 330次下载 | 免费
- 2开关电源基础知识
- 5.73 MB | 6次下载 | 免费
- 3100W短波放大电路图
- 0.05 MB | 4次下载 | 3 积分
- 4嵌入式linux-聊天程序设计
- 0.60 MB | 3次下载 | 免费
- 5基于FPGA的光纤通信系统的设计与实现
- 0.61 MB | 2次下载 | 免费
- 651单片机窗帘控制器仿真程序
- 1.93 MB | 2次下载 | 免费
- 751单片机大棚环境控制器仿真程序
- 1.10 MB | 2次下载 | 免费
- 8基于51单片机的RGB调色灯程序仿真
- 0.86 MB | 2次下载 | 免费
本月
- 1OrCAD10.5下载OrCAD10.5中文版软件
- 0.00 MB | 234315次下载 | 免费
- 2555集成电路应用800例(新编版)
- 0.00 MB | 33564次下载 | 免费
- 3接口电路图大全
- 未知 | 30323次下载 | 免费
- 4开关电源设计实例指南
- 未知 | 21549次下载 | 免费
- 5电气工程师手册免费下载(新编第二版pdf电子书)
- 0.00 MB | 15349次下载 | 免费
- 6数字电路基础pdf(下载)
- 未知 | 13750次下载 | 免费
- 7电子制作实例集锦 下载
- 未知 | 8113次下载 | 免费
- 8《LED驱动电路设计》 温德尔著
- 0.00 MB | 6653次下载 | 免费
总榜
- 1matlab软件下载入口
- 未知 | 935054次下载 | 免费
- 2protel99se软件下载(可英文版转中文版)
- 78.1 MB | 537796次下载 | 免费
- 3MATLAB 7.1 下载 (含软件介绍)
- 未知 | 420026次下载 | 免费
- 4OrCAD10.5下载OrCAD10.5中文版软件
- 0.00 MB | 234315次下载 | 免费
- 5Altium DXP2002下载入口
- 未知 | 233046次下载 | 免费
- 6电路仿真软件multisim 10.0免费下载
- 340992 | 191185次下载 | 免费
- 7十天学会AVR单片机与C语言视频教程 下载
- 158M | 183279次下载 | 免费
- 8proe5.0野火版下载(中文版免费下载)
- 未知 | 138040次下载 | 免费
电子发烧友App





创作
发文章
发帖
提问
发资料
发视频
上传资料赚积分
评论