资料介绍
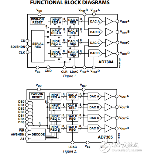
	  The AD7304/AD73051 are quad, 8-bit DACs that operate from a single +3 V to +5 V supply, or ±5 V supplies. The AD7304 has a serial interface, while the AD7305 has a parallel interface. Internal precision buffers swing rail-to-rail. The reference input range includes both supply rails, allowing for positive or negative full-scale output voltages. Operation is guaranteed over the supply voltage range of 2.7 V to 5.5 V, consuming less than 9 mW from a 3 V supply. The full-scale voltage output is determined by the external reference input voltage applied. The rail-to-rail VREF input to DAC VOUT allows for a full-scale voltage set equal to the positive supply, VDD, the negative supply, VSS, or any value in between. The AD7304’s doubled-buffered serial data interface offers high speed, 3-wire, SPI®-, and microcontroller-compatible inputs using data in (SDI), clock (CLK), and chip select (CS) pins. Additionally, an internal power-on reset sets the output to zero scale. The parallel input AD7305 uses a standard address decode along with the WR control line to load data into the input registers. The double-buffered architecture allows all four input registers to be preloaded with new values, followed by an LDAC control strobe that copies all the new data into the DAC registers, thereby updating the analog output values.
	
- DAC8164四通道、14位数模转换器(DAC)数据表
 - DAC8544四路16位轨到轨电压输出并行接口数模转换器数据表
 - DAC0800/DAC0802 8位数模转换器数据表
 - TLV5621I四路8位电压输出数模转换器(DAC)数据表
 - DAC8728低功耗、8通道、16位数模转换器(DAC)数据表
 - DAC7728低功耗、8通道、12位数模转换器(DAC)数据表
 - DAC7718低功耗、8通道、12位数模转换器(DAC)数据表
 - DAC8218低功耗、8通道、14位数模转换器(DAC)数据表
 - DAC7716四通道、12位数模转换器(DAC)数据表
 - DAC7564四通道、12位数模转换器(DAC)数据表
 - AD5530/AD5531:串行输入、电压输出12/14位数模转换器数据表
 - AD7304/AD7305:3 V/5 V,铁路至铁路Quad,8位DAC数据Sheet
 - AD5663:2.7V至5.5V,250μA,轨对轨输出,双16位<em>纳米</em>数模转换器数据表
 - DAC7621 12位数模转换器的数据手册免费下载 16次下载
 - AD7304/AD7305,pdf datasheet (8
 
- 数模转换器的工作原理、分类及应用 1992次阅读
 - 数模转换器的分辨率问题 878次阅读
 - 常见的数模转换器有哪些 1492次阅读
 - 浅谈数模转换器的功能 1089次阅读
 - 缓冲线性斜坡发生器采用单电源供电,实现轨到轨供电 1034次阅读
 - 如何使用乘法数模转换器 609次阅读
 - 数模转换器微调参考输出 884次阅读
 - 了解精密数模转换器中的温度漂移 1427次阅读
 - AD5770R:分辨率低噪音可编电流输出的数模转换器 5251次阅读
 - 基于TLC5620的数模转换器设计 1.3w次阅读
 - 如何用SPICE来仿真高精度数模转换器? 9189次阅读
 - 一文看懂理想数模转换器 (DAC) 的重要属性 1.8w次阅读
 - 数模转换器的速度极限_数模转换器工作原理 6566次阅读
 - 数模转换器的基本原理及DAC类型简介 1.8w次阅读
 - LTC2757:高精度数模转换器设计方案 1436次阅读
 
下载排行
本周
- 1TC358743XBG评估板参考手册
 - 1.36 MB | 330次下载 | 免费
 - 2开关电源基础知识
 - 5.73 MB | 6次下载 | 免费
 - 3100W短波放大电路图
 - 0.05 MB | 4次下载 | 3 积分
 - 4嵌入式linux-聊天程序设计
 - 0.60 MB | 3次下载 | 免费
 - 5基于FPGA的光纤通信系统的设计与实现
 - 0.61 MB | 2次下载 | 免费
 - 651单片机窗帘控制器仿真程序
 - 1.93 MB | 2次下载 | 免费
 - 751单片机大棚环境控制器仿真程序
 - 1.10 MB | 2次下载 | 免费
 - 8基于51单片机的RGB调色灯程序仿真
 - 0.86 MB | 2次下载 | 免费
 
本月
- 1OrCAD10.5下载OrCAD10.5中文版软件
 - 0.00 MB | 234315次下载 | 免费
 - 2555集成电路应用800例(新编版)
 - 0.00 MB | 33564次下载 | 免费
 - 3接口电路图大全
 - 未知 | 30323次下载 | 免费
 - 4开关电源设计实例指南
 - 未知 | 21549次下载 | 免费
 - 5电气工程师手册免费下载(新编第二版pdf电子书)
 - 0.00 MB | 15349次下载 | 免费
 - 6数字电路基础pdf(下载)
 - 未知 | 13750次下载 | 免费
 - 7电子制作实例集锦 下载
 - 未知 | 8113次下载 | 免费
 - 8《LED驱动电路设计》 温德尔著
 - 0.00 MB | 6653次下载 | 免费
 
总榜
- 1matlab软件下载入口
 - 未知 | 935054次下载 | 免费
 - 2protel99se软件下载(可英文版转中文版)
 - 78.1 MB | 537796次下载 | 免费
 - 3MATLAB 7.1 下载 (含软件介绍)
 - 未知 | 420026次下载 | 免费
 - 4OrCAD10.5下载OrCAD10.5中文版软件
 - 0.00 MB | 234315次下载 | 免费
 - 5Altium DXP2002下载入口
 - 未知 | 233046次下载 | 免费
 - 6电路仿真软件multisim 10.0免费下载
 - 340992 | 191185次下载 | 免费
 - 7十天学会AVR单片机与C语言视频教程 下载
 - 158M | 183279次下载 | 免费
 - 8proe5.0野火版下载(中文版免费下载)
 - 未知 | 138040次下载 | 免费
 
	                电子发烧友App
	            
	        
	        
          
        
        
	                    
                        
                        
                        
                        
                        

创作
发文章
发帖  
提问  
发资料
发视频
上传资料赚积分
           
            
            
                
            
评论