资料介绍
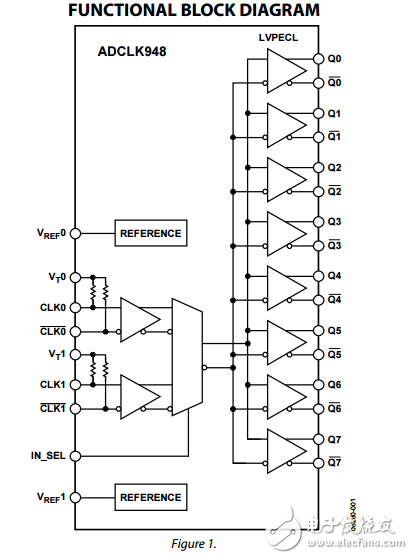
The ADCLK948 is an ultrafast clock fanout buffer fabricated on the Analog Devices, Inc., proprietary XFCB3 silicon germanium (SiGe) bipolar process. This device is designed for high speed applications requiring low jitter. The device has two selectable differential inputs via the IN_SEL control pin. Both inputs are equipped with center tapped, differential, 100 Ω on-chip termination resistors. The inputs accept dc-coupled LVPECL, CML, 3.3 V CMOS (single-ended), and ac-coupled 1.8 V CMOS, LVDS, and LVPECL inputs. A VREFx pin is available for biasing ac-coupled inputs. The ADCLK948 features eight full-swing emitter coupled logic (ECL) output drivers. For LVPECL (positive ECL) operation, bias VCC to the positive supply and VEE to ground. For ECL operation, bias VCC to ground and VEE to the negative supply. The output stages are designed to directly drive 800 mV each side into 50 Ω terminated to VCC − 2 V for a total differential output swing of 1.6 V. The ADCLK948 is available in a 32-lead LFCSP and specified for operation over the standard industrial temperature range of −40°C to +85°C.

- CDCVF2310时钟缓冲器数据表
- CDCVF310时钟缓冲器数据表
- CDCS503带可选SSC的时钟缓冲器/时钟乘法器数据表
- CDCM1802时钟缓冲器数据表
- CDCLVP2106 12路LVPECL输出高性能时钟缓冲器数据表
- CN0294 利用低抖动LVPECL扇出缓冲器增加时钟源的输出数
- ADCLK914:超高速、SiGe、开放采集器HVDS时钟/数据缓冲器数据表
- ADCLK948:两个可选输入、8个LVPECL输出、SiGe时钟扇出缓冲器数据表
- ADCLK954:两个可选输入、12个LVPECL输出、SiGe时钟扇出缓冲器数据表
- ADCLK946:六路LVPECL输出,SiGe时钟扇出缓冲器数据表
- ADCLK950:两个可选输入、10个LVPECL输出、SiGe时钟扇出缓冲器数据表
- UG-068:建立ADCLK948评估委员会
- ADCLK846:1.8 V、6 LVDS/12 CMOS输出低功耗时钟扇出缓冲器
- ADCLK944/PCBZ 时钟缓冲器参考设计
- ADCLK846/PCBZ 时钟缓冲器参考设计
- sr锁存器特性表q为什么有两个值 173次阅读
- 封装寄存器进VO缓冲器的概念及其优点简析 471次阅读
- MAX13256的缓冲器设计 947次阅读
- 高性能时钟缓冲器HMC7043介绍 2593次阅读
- buffer缓冲器电路图与buffer电路示意图 3.6w次阅读
- 什么是时钟缓冲器(Buffer)?时钟缓冲器(Buffer)参数解析 2.3w次阅读
- 基于 PLL 的零延迟缓冲器的系统应用 2430次阅读
- 高压如何转化为低电压 2.6w次阅读
- 家庭安装两个路由器的方法 1.9w次阅读
- 大电流输出缓冲器的精准电压基准LT6658简介 3253次阅读
- 缓冲器是什么?AD8244缓冲器设计方案 1.5w次阅读
- 三态缓冲器介绍_三态缓冲器逻辑符号 1.4w次阅读
- 数字电路设计需要注意12个细节 5150次阅读
- FPGA差分信号缓冲的转换(IBUFDS、IBUFGDS和OBUFDS) 2.3w次阅读
- 高速电流输出DAC缓冲器 7454次阅读
下载排行
本周
- 1TC358743XBG评估板参考手册
- 1.36 MB | 330次下载 | 免费
- 2开关电源基础知识
- 5.73 MB | 6次下载 | 免费
- 3100W短波放大电路图
- 0.05 MB | 4次下载 | 3 积分
- 4嵌入式linux-聊天程序设计
- 0.60 MB | 3次下载 | 免费
- 5基于FPGA的光纤通信系统的设计与实现
- 0.61 MB | 2次下载 | 免费
- 651单片机窗帘控制器仿真程序
- 1.93 MB | 2次下载 | 免费
- 751单片机大棚环境控制器仿真程序
- 1.10 MB | 2次下载 | 免费
- 8基于51单片机的RGB调色灯程序仿真
- 0.86 MB | 2次下载 | 免费
本月
- 1OrCAD10.5下载OrCAD10.5中文版软件
- 0.00 MB | 234315次下载 | 免费
- 2555集成电路应用800例(新编版)
- 0.00 MB | 33564次下载 | 免费
- 3接口电路图大全
- 未知 | 30323次下载 | 免费
- 4开关电源设计实例指南
- 未知 | 21549次下载 | 免费
- 5电气工程师手册免费下载(新编第二版pdf电子书)
- 0.00 MB | 15349次下载 | 免费
- 6数字电路基础pdf(下载)
- 未知 | 13750次下载 | 免费
- 7电子制作实例集锦 下载
- 未知 | 8113次下载 | 免费
- 8《LED驱动电路设计》 温德尔著
- 0.00 MB | 6653次下载 | 免费
总榜
- 1matlab软件下载入口
- 未知 | 935054次下载 | 免费
- 2protel99se软件下载(可英文版转中文版)
- 78.1 MB | 537796次下载 | 免费
- 3MATLAB 7.1 下载 (含软件介绍)
- 未知 | 420026次下载 | 免费
- 4OrCAD10.5下载OrCAD10.5中文版软件
- 0.00 MB | 234315次下载 | 免费
- 5Altium DXP2002下载入口
- 未知 | 233046次下载 | 免费
- 6电路仿真软件multisim 10.0免费下载
- 340992 | 191185次下载 | 免费
- 7十天学会AVR单片机与C语言视频教程 下载
- 158M | 183279次下载 | 免费
- 8proe5.0野火版下载(中文版免费下载)
- 未知 | 138040次下载 | 免费
电子发烧友App





创作
发文章
发帖
提问
发资料
发视频
上传资料赚积分
评论