资料介绍
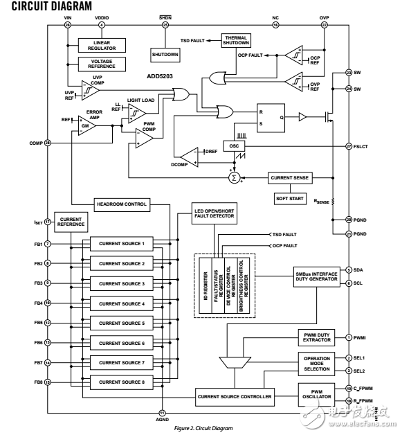
The ADD5203 is a white LED driver for backlight applications based on high efficiency, current-mode, step-up converter tech-nology. It is designed with a 0.15 Ω, 2.9 A internal switch and a pin-adjustable operating frequency between 350 kHz and 1 MHz.
The ADD5203 contains eight regulated current sources for uniform brightness intensity. Each current source can be driven up to 30 mA, and the LED driving current is pin adjustable by an external resistor. The ADD5203 drives up to eight parallel strings of multiple series connected LEDs with a ±1.5% current matching between strings.
The ADD5203 provides various dimming modes. Each dimming mode is selectable with an external dimming mode selection pin. The LED dimming control interface can be achieved through PWM input and/or SMBus. The deviceprovides adjustable output dimming frequency range from 200 Hz to 10 kHz by an external resistor and capacitor. The ADD5203 operates over an input voltage range of 6 V to 21 V, but the device can function with a voltage as low as 5.6 V.
The ADD5203 also has multiple safety protection features to prevent damage during fault conditions. If any LED is open or short, the device automatically disables the faulty current source. The internal soft start prevents inrush current during startup. Thermal shutdown protection prevents thermal damage.
	  The ADD5203 is available in a low profile, thermally enhanced, 4 mm × 4 mm × 0.75 mm, 28-lead, RoHS-compliant lead frame chip scale package (LFCSP_WQ) and is specified over the industrial temperature range of −25°C to +85°C..
	
- 具有PWM和SMBus控制接口的LCD背光WLED驱动器TPS61195数据表
 - ADD5205:四串白光LED驱动器
 - ADD5201:用于LCD背光应用的高效率八串白光LED驱动器数据表
 - ADM8845:LCD白光LED背光电荷泵驱动器数据表
 - ADD5207:用于LCD背光应用的四串白光LED驱动器产品手册
 - ADD5203:带SMBus和PWM输入的8串白色LED驱动器,用于LCD背光应用产品手册
 - 同步降压-升压型白光 LED 驱动器用于 LCD 背光照明和闪光灯
 - ADD5211:适合LCD背光应用的4串白光LED驱动器
 - 白光LED的调光方法及其PWM驱动方式的解析 28次下载
 - 白光LED背光驱动电路研究进展_贺江平 0次下载
 - 【ADI】ADD5203:提供SMBUS和PWM输入的8串白光LED驱动器 6次下载
 - ADD5211适合LCD背光应用的4串白光LED驱动器 31次下载
 - 白光LED的PWM驱动方式分析
 - 针对中大尺寸LCD背光应用的LED驱动策略
 - LCD背光用白光LED驱动解决方案
 
- 高效ThinSOT白光LED驱动器具有内部开关和肖特基二极管 715次阅读
 - 采用MAX25014的LED背光驱动系统的低输入电压工作 773次阅读
 - PWM设置LCD/LED驱动器的输出 2320次阅读
 - 多输出白光LED驱动器A8514的主要特性优势及应用电路分析 3225次阅读
 - MAX1913驱动白光LED电路 3228次阅读
 - 白光LED驱动在LCD背光上的应用解析 1483次阅读
 - 各种白光LED专用驱动电路的特性对比分析 1266次阅读
 - 白光LED模组驱动电路设计方案 2257次阅读
 - LED白光照明模组驱动电路设计方案 1293次阅读
 - 基于使用XC9801/02系列芯片实现驱动多个白光LED 1087次阅读
 - 设计白光LED驱动器时的EMI干扰问题不可忽视 3633次阅读
 - 新汽车显示屏需要合适的背光照明LED驱动器 1052次阅读
 - LCD与LED的区别之背光原理与优缺点对比介绍 6.6w次阅读
 - 什么是LED驱动时序?LCD背光驱动程序设计 2937次阅读
 - 带有集成电源的10通道LED背光驱动器 2210次阅读
 
下载排行
本周
- 1TC358743XBG评估板参考手册
 - 1.36 MB | 330次下载 | 免费
 - 2开关电源基础知识
 - 5.73 MB | 6次下载 | 免费
 - 3100W短波放大电路图
 - 0.05 MB | 4次下载 | 3 积分
 - 4嵌入式linux-聊天程序设计
 - 0.60 MB | 3次下载 | 免费
 - 5基于FPGA的光纤通信系统的设计与实现
 - 0.61 MB | 2次下载 | 免费
 - 651单片机窗帘控制器仿真程序
 - 1.93 MB | 2次下载 | 免费
 - 751单片机大棚环境控制器仿真程序
 - 1.10 MB | 2次下载 | 免费
 - 8基于51单片机的RGB调色灯程序仿真
 - 0.86 MB | 2次下载 | 免费
 
本月
- 1OrCAD10.5下载OrCAD10.5中文版软件
 - 0.00 MB | 234315次下载 | 免费
 - 2555集成电路应用800例(新编版)
 - 0.00 MB | 33564次下载 | 免费
 - 3接口电路图大全
 - 未知 | 30323次下载 | 免费
 - 4开关电源设计实例指南
 - 未知 | 21549次下载 | 免费
 - 5电气工程师手册免费下载(新编第二版pdf电子书)
 - 0.00 MB | 15349次下载 | 免费
 - 6数字电路基础pdf(下载)
 - 未知 | 13750次下载 | 免费
 - 7电子制作实例集锦 下载
 - 未知 | 8113次下载 | 免费
 - 8《LED驱动电路设计》 温德尔著
 - 0.00 MB | 6653次下载 | 免费
 
总榜
- 1matlab软件下载入口
 - 未知 | 935054次下载 | 免费
 - 2protel99se软件下载(可英文版转中文版)
 - 78.1 MB | 537796次下载 | 免费
 - 3MATLAB 7.1 下载 (含软件介绍)
 - 未知 | 420026次下载 | 免费
 - 4OrCAD10.5下载OrCAD10.5中文版软件
 - 0.00 MB | 234315次下载 | 免费
 - 5Altium DXP2002下载入口
 - 未知 | 233046次下载 | 免费
 - 6电路仿真软件multisim 10.0免费下载
 - 340992 | 191185次下载 | 免费
 - 7十天学会AVR单片机与C语言视频教程 下载
 - 158M | 183279次下载 | 免费
 - 8proe5.0野火版下载(中文版免费下载)
 - 未知 | 138040次下载 | 免费
 
	                电子发烧友App
	            
	        
	        
          
        
        
	                    
                        
                        
                        
                        
                        

创作
发文章
发帖  
提问  
发资料
发视频
上传资料赚积分
           
            
            
                
            
评论