资料介绍
针对Tl公司最新发布的TMS320C6678 DSP设计出一种实用有效的电源。采用统一的12 V电源供电,制作出满足电压幅值要求与时序要求的开关电源、该设计主要由各类电源转换电路组成,并通过使用Fusion Digital PowerDesigner软件对电源芯片进行编程。仿真结果表明,该电源工作稳定,各方面的参数均符合要求。
电源硬件电路设计与计算
系统总体方案设计
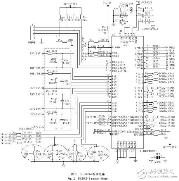
图l是系统的组成框网.采用统一的12 V电源进行供电.DSP的内核电压由一片UCD9244和两片UCD7242组成:经过TPS54620产生的3.3 V电源可以为其他的电源电路供电:大部分的模块电源需要经过滤波网络的处理,这样做可以降低电源的纹波、噪声,同时也可以很好地解决PCB布板带来的其他干扰问题。图2是UCD9244的控制电路图,输出电压的调节主要有两种方式,一种是通过VID接口,这种方式需要有DSP或者专用集成电路的控制,但本设计中本来就是作为DSP的电源。
- 基于TMS320C6678的八核DSP雷达信号分选电路
- 创龙TI KeyStone C66x多核定点/浮点TMS320C6678的散热风扇接口、电源接口和拨码开关
- 基于TI KeyStone C66x系列多核架构定点/浮点TMS320C6678设计的评估板电源接口和拨码开关
- 创龙结合TI KeyStone系列多核架构TMS320C6678 DSP以及Xilinx Kintex-7 FPGA评估板电源接口和拨码开关
- TI TMS320C6678 DSP多核通信开发说明手册
- DSP的电源和时钟设计
- TMS320C6678的ZYNQ PS PL异构多核案例开发
- C6678的ZYNQ OpenAMP双核ARM通信案例
- C6678+Zynq-7045的DSP多核IPC通信案例开发
- TMS320C6678多核定点和浮点数字信号处理器的详细资料概述 21次下载
- TMS320C6678存储器访问性能详细中文资料 13次下载
- 基于TMS320C6678的合成语音检测算法 15次下载
- TMS320C6678的用于多核软件开发套件 (MCSDK) K的安装资料 15次下载
- TMS320C6678视频编解码实现 15次下载
- TMS320C6678+DSP的电源设计 88次下载
- 基于TMS320C6203 DSP芯片实现G.729ab声码器的应用方案 2874次阅读
- 【地表最强,宇宙首发】C6678+Zynq-7045评估板! 2558次阅读
- 基于C66x+FPGA的SRIO开发视频教程 1892次阅读
- 基于DSP+FPGA实现的TL6678F-EasyEVM开发板的介绍 3834次阅读
- 基于TI TMS320C6748定点/浮点DSP C674x处理器 2986次阅读
- TMS320C6748和TMS320C6747芯片对比 1.6w次阅读
- dsp tms320c6000基本作用的认识 9580次阅读
- TMS320C6455外部中断实现 浅谈外部中断的使用 6878次阅读
- DSP320C6000的指令列表汇集 1.1w次阅读
- TMS320C6678处理器的VLFFT演示探讨与研究 4219次阅读
- 基于DSP芯片TMS320LF2407控制的数字开关电源综述 5582次阅读
- 基于TMS320C6678的多核DSP上电加载威廉希尔官方网站 9910次阅读
- 带你了解TI的DSP入门芯片TMS320F28335 3.8w次阅读
- 基于DSP TMS320C6416的数字下变频威廉希尔官方网站 2720次阅读
- TMS320C54xx与TLV320AIC24型编解码器接口 1745次阅读
下载排行
本周
- 1TC358743XBG评估板参考手册
- 1.36 MB | 330次下载 | 免费
- 2开关电源基础知识
- 5.73 MB | 6次下载 | 免费
- 3100W短波放大电路图
- 0.05 MB | 4次下载 | 3 积分
- 4嵌入式linux-聊天程序设计
- 0.60 MB | 3次下载 | 免费
- 5基于FPGA的光纤通信系统的设计与实现
- 0.61 MB | 2次下载 | 免费
- 651单片机窗帘控制器仿真程序
- 1.93 MB | 2次下载 | 免费
- 751单片机大棚环境控制器仿真程序
- 1.10 MB | 2次下载 | 免费
- 8基于51单片机的RGB调色灯程序仿真
- 0.86 MB | 2次下载 | 免费
本月
- 1OrCAD10.5下载OrCAD10.5中文版软件
- 0.00 MB | 234315次下载 | 免费
- 2555集成电路应用800例(新编版)
- 0.00 MB | 33564次下载 | 免费
- 3接口电路图大全
- 未知 | 30323次下载 | 免费
- 4开关电源设计实例指南
- 未知 | 21549次下载 | 免费
- 5电气工程师手册免费下载(新编第二版pdf电子书)
- 0.00 MB | 15349次下载 | 免费
- 6数字电路基础pdf(下载)
- 未知 | 13750次下载 | 免费
- 7电子制作实例集锦 下载
- 未知 | 8113次下载 | 免费
- 8《LED驱动电路设计》 温德尔著
- 0.00 MB | 6653次下载 | 免费
总榜
- 1matlab软件下载入口
- 未知 | 935054次下载 | 免费
- 2protel99se软件下载(可英文版转中文版)
- 78.1 MB | 537796次下载 | 免费
- 3MATLAB 7.1 下载 (含软件介绍)
- 未知 | 420026次下载 | 免费
- 4OrCAD10.5下载OrCAD10.5中文版软件
- 0.00 MB | 234315次下载 | 免费
- 5Altium DXP2002下载入口
- 未知 | 233046次下载 | 免费
- 6电路仿真软件multisim 10.0免费下载
- 340992 | 191185次下载 | 免费
- 7十天学会AVR单片机与C语言视频教程 下载
- 158M | 183279次下载 | 免费
- 8proe5.0野火版下载(中文版免费下载)
- 未知 | 138040次下载 | 免费
评论