资料介绍
												下载该资料的人也在下载
												下载该资料的人还在阅读
											
											更多 >
											
										- PWM控制降压转换器 FP7102一般说明 0次下载
 - FP7102/FP7103异步降压LED驱动IC应用说明 6次下载
 - FP7102 PWM控制降压转换器规格书 0次下载
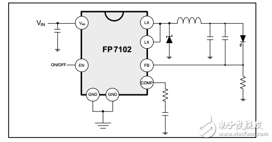
 - FP7102/FP7103降压转换IC中文资料 3次下载
 - 内置MOS的FP7102 、FP7103使用说明书 14次下载
 - LED驱动IC FP7128规格书 18次下载
 - FP8102规格书英文版pdf 0次下载
 - FP7126规格书英文版pdf 0次下载
 - FP6296规格书英文版pdf 0次下载
 - FP5207规格书及FP5207XR-G1原理图 16次下载
 - FP5139规格书及原理图 61次下载
 - LED驱动器FP7126规格书 18次下载
 - FP7102降压恒流开关稳压器的数据手册免费下载 18次下载
 - FP7102和FP7103同步降压LED驱动IC的数据手册免费下载 15次下载
 - FP7102 PWM控制降压转换器最新中文规格书 15次下载
 
- FP8模型训练中Debug优化思路 89次阅读
 - 合宙LuatOS产品规格书——Air700EAQ 209次阅读
 - 基于FP共振剪裁面板的屏障穿透超声成像 447次阅读
 - 锂电池保护板电路原理图讲解 2.2w次阅读
 - 升压芯片FP5207在拉杆音箱中的应用 788次阅读
 - 线束报价单的定义和作用 975次阅读
 - FP6291在USB转DC输出充电线应用 1029次阅读
 - MOS规格书的选型及应用 3640次阅读
 - 分享一下我对MOS管手册的一些理解 4892次阅读
 - 三极管的常用特性参数及工作模式 1.3w次阅读
 - FP7102降压转换IC中文资料(特性_引脚功能_驱动电路) 7607次阅读
 - 功率开关MOSFET的栅极驱动相关的损耗 3871次阅读
 - 基于射频收发机规格书,介绍射频接收端口差分匹配电路计算方法 3092次阅读
 - 常见硬件控制接口_方向标识及常用设备的缩写大全 1.1w次阅读
 - fr107二极管参数 fr107贴片封装产品规格书 2.1w次阅读
 
下载排行
本周
- 1电子电路原理第七版PDF电子教材免费下载
 - 0.00 MB | 1490次下载 | 免费
 - 2单片机典型实例介绍
 - 18.19 MB | 92次下载 | 1 积分
 - 3S7-200PLC编程实例详细资料
 - 1.17 MB | 27次下载 | 1 积分
 - 4笔记本电脑主板的元件识别和讲解说明
 - 4.28 MB | 18次下载 | 4 积分
 - 5开关电源原理及各功能电路详解
 - 0.38 MB | 10次下载 | 免费
 - 6基于AT89C2051/4051单片机编程器的实验
 - 0.11 MB | 4次下载 | 免费
 - 7蓝牙设备在嵌入式领域的广泛应用
 - 0.63 MB | 3次下载 | 免费
 - 89天练会电子电路识图
 - 5.91 MB | 3次下载 | 免费
 
本月
- 1OrCAD10.5下载OrCAD10.5中文版软件
 - 0.00 MB | 234313次下载 | 免费
 - 2PADS 9.0 2009最新版 -下载
 - 0.00 MB | 66304次下载 | 免费
 - 3protel99下载protel99软件下载(中文版)
 - 0.00 MB | 51209次下载 | 免费
 - 4LabView 8.0 专业版下载 (3CD完整版)
 - 0.00 MB | 51043次下载 | 免费
 - 5555集成电路应用800例(新编版)
 - 0.00 MB | 33562次下载 | 免费
 - 6接口电路图大全
 - 未知 | 30320次下载 | 免费
 - 7Multisim 10下载Multisim 10 中文版
 - 0.00 MB | 28588次下载 | 免费
 - 8开关电源设计实例指南
 - 未知 | 21539次下载 | 免费
 
总榜
- 1matlab软件下载入口
 - 未知 | 935053次下载 | 免费
 - 2protel99se软件下载(可英文版转中文版)
 - 78.1 MB | 537791次下载 | 免费
 - 3MATLAB 7.1 下载 (含软件介绍)
 - 未知 | 420026次下载 | 免费
 - 4OrCAD10.5下载OrCAD10.5中文版软件
 - 0.00 MB | 234313次下载 | 免费
 - 5Altium DXP2002下载入口
 - 未知 | 233045次下载 | 免费
 - 6电路仿真软件multisim 10.0免费下载
 - 340992 | 191183次下载 | 免费
 - 7十天学会AVR单片机与C语言视频教程 下载
 - 158M | 183277次下载 | 免费
 - 8proe5.0野火版下载(中文版免费下载)
 - 未知 | 138039次下载 | 免费
 
	                电子发烧友App
	            
	        
	        
          
        
        
	                    
                        
                        
                        
                        
                        

创作
发文章
发帖  
提问  
发资料
发视频

上传资料赚积分
           
            
            
                
            
评论