资料介绍
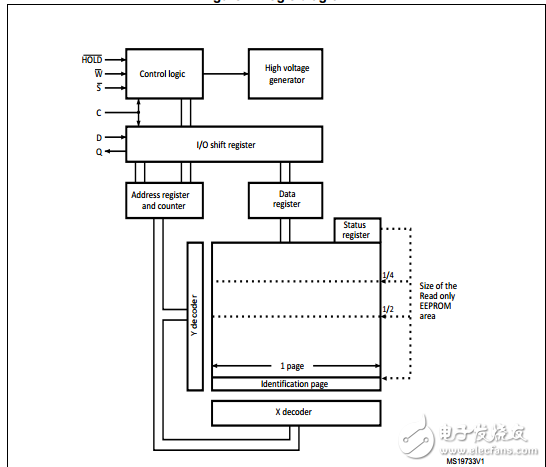
Description The M95M01-A125 and M95M01-A145 are 1-Mbit serial EEPROM Automotive grade devices operating up to 145°C. They are compliant with the very high level of reliability defined by the Automotive standard AEC-Q100 grade 0. The devices are accessed by a simple serial SPI compatible interface running up to 16 MHz. The memory array is based on advanced true EEPROM technology (Electrically Erasable PROgrammable Memory)。 The M95M01-A125 and M95M01-A145 are byte-alterable memories (131072 × 8 bits) organized as 512 pages of 256 bytes in which the data integrity is significantly improved with an embedded Error Correction Code logic. The M95M01-A125 and M95M01-A145 offer an additional Identification Page (256 bytes) in which the ST device identification can be read. This page can also be used to store sensitive application parameters which can be later permanently locked in read-only mode.

- Arduino与Proteus仿真实例-M95256串行(SPI)EEPROM数据存取驱动仿真
- M95xxx EEPROM介绍
- M95020汽车2-kbit串行SPI总线的EEPROM的高速时钟数据表 2次下载
- 汽车32Kbit的SPI串行总线EEPROM高速时钟M95320-A125 8次下载
- 汽车32Kbit I²C串行总线EEPROM的1MHz的时钟M24C32-A125 12次下载
- 汽车8千比特串行SPI总线的EEPROM高速时钟M95080-A125 16次下载
- 汽车512KbitI²C串行总线EEPROM的1MHz的时钟M24512-A125 13次下载
- 汽车k位串行SPI总线的EEPROM高速时钟M95040-A125 5次下载
- 汽车256KbitI²C串行总线EEPROM的1MHz的时钟M24256-A125 5次下载
- 汽车16Kbit的SPI串行总线EEPROM高速时钟M95160-A125 8次下载
- 汽车128Kbit的SPI串行总线EEPROM高速时钟M95128-A125 7次下载
- 汽车512Kbit的SPI串行总线EEPROM高速时钟M95512-A125 31次下载
- 汽车64Kbit的SPI串行总线EEPROM高速时钟M95640-A125 8次下载
- 汽车2兆位串行SPI总线EEPROM M95M02-A125 33次下载
- 汽车256Kbit的SPI串行总线EEPROM高速时钟M95256-A125 4次下载
- 高速串行总线有哪些 814次阅读
- 简单认识串行解串器 1097次阅读
- MAX1452串行通信 1619次阅读
- 串行器和解串器对的性能测试:MAX9247和MAX9218 9683次阅读
- 常用串行总线(二)——SPI协议(Verilog实现) 7193次阅读
- 一文介绍SPI串行总线 2846次阅读
- SPI总线的工作方式及原理详解 1.5w次阅读
- 单片机SPI通信协议的应用 7089次阅读
- STM32单片机特性解析 9989次阅读
- SPI总线是什么?FPGA串行外围接口SPI设计应如何实现? 3347次阅读
- SPI总线有什么特点?工作方式是什么?有哪些错误? 3363次阅读
- SPI4.2总线的原理是什么?怎样进行调试? 3396次阅读
- 基于S3C2410的串行外围设备接口SPI实现数据采集设计 1872次阅读
- 8位串行模数转换器TLC548、TLC549的应用 9080次阅读
- 单片机SPI通信接口 9157次阅读
下载排行
本周
- 1电子电路原理第七版PDF电子教材免费下载
- 0.00 MB | 1491次下载 | 免费
- 2单片机典型实例介绍
- 18.19 MB | 95次下载 | 1 积分
- 3S7-200PLC编程实例详细资料
- 1.17 MB | 27次下载 | 1 积分
- 4笔记本电脑主板的元件识别和讲解说明
- 4.28 MB | 18次下载 | 4 积分
- 5开关电源原理及各功能电路详解
- 0.38 MB | 11次下载 | 免费
- 6100W短波放大电路图
- 0.05 MB | 4次下载 | 3 积分
- 7基于单片机和 SG3525的程控开关电源设计
- 0.23 MB | 4次下载 | 免费
- 8基于AT89C2051/4051单片机编程器的实验
- 0.11 MB | 4次下载 | 免费
本月
- 1OrCAD10.5下载OrCAD10.5中文版软件
- 0.00 MB | 234313次下载 | 免费
- 2PADS 9.0 2009最新版 -下载
- 0.00 MB | 66304次下载 | 免费
- 3protel99下载protel99软件下载(中文版)
- 0.00 MB | 51209次下载 | 免费
- 4LabView 8.0 专业版下载 (3CD完整版)
- 0.00 MB | 51043次下载 | 免费
- 5555集成电路应用800例(新编版)
- 0.00 MB | 33562次下载 | 免费
- 6接口电路图大全
- 未知 | 30320次下载 | 免费
- 7Multisim 10下载Multisim 10 中文版
- 0.00 MB | 28588次下载 | 免费
- 8开关电源设计实例指南
- 未知 | 21539次下载 | 免费
总榜
- 1matlab软件下载入口
- 未知 | 935053次下载 | 免费
- 2protel99se软件下载(可英文版转中文版)
- 78.1 MB | 537793次下载 | 免费
- 3MATLAB 7.1 下载 (含软件介绍)
- 未知 | 420026次下载 | 免费
- 4OrCAD10.5下载OrCAD10.5中文版软件
- 0.00 MB | 234313次下载 | 免费
- 5Altium DXP2002下载入口
- 未知 | 233046次下载 | 免费
- 6电路仿真软件multisim 10.0免费下载
- 340992 | 191183次下载 | 免费
- 7十天学会AVR单片机与C语言视频教程 下载
- 158M | 183277次下载 | 免费
- 8proe5.0野火版下载(中文版免费下载)
- 未知 | 138039次下载 | 免费
电子发烧友App





创作
发文章
发帖
提问
发资料
发视频
上传资料赚积分
评论