资料介绍
下载该资料的人也在下载
下载该资料的人还在阅读
更多 >
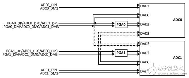
- 关于Kinetis K系列16位ADC PGA的分析
- 关于Kinetis K系列16位ADC PGA的分析
- 关于Kinetis K系列16位ADC PGA的分析
- 关于Kinetis K系列16位ADC PGA的分析
- 关于Kinetis K系列16位ADC PGA的分析
- 如何实现Kinetis ADC自校准
- 16/14/12位125 Msps双ADC系列
- LTC2495:带PGA、Easy Drive和I2C接口的16位8/16通道Delta Sigma ADC产品手册
- LTC2494:16位8/16通道Delta Sigma ADC,带PGA和Easy Drive输入电流抵消数据表
- LTC2487:带PGA、Easy Drive和I2C接口的16位2/4通道Delta Sigma ADC产品手册
- AD7196:2 通道、 4.8 kHz 、超低噪声、 集成 PGA 的 24 位 Σ-∆ 型 ADC
- 如何实现Kinetis ADC的自校准详细资料说明 8次下载
- 基于Kinetis系列的FlexTimer和同步ADC用于场效应控制 8次下载
- Kinetis系列的FlexTimer和同步ADC用于场效应控制 4次下载
- 成功了解全新的Kinetis L系列ARM Cortex-M0+ MCUs – 未来愿景 57次下载
- CKS32F107xx系列MCU中ADC介绍 480次阅读
- RA6T2的16位模数转换器操作 [11] 配置RA6T2 ADC模块 (8) 177次阅读
- RA6T2的16位模数转换器操作 [10] 配置RA6T2 ADC模块 (7) 187次阅读
- RA6T2的16位模数转换器操作 [8] 配置RA6T2 ADC模块 (5) 189次阅读
- RA6T2的16位模数转换器操作 [7] 配置RA6T2 ADC模块 (4) 180次阅读
- RA6T2的16位模数转换器操作 [5] 配置RA6T2 ADC模块 (2) 230次阅读
- RA6T2的16位模数转换器操作 [4] 配置RA6T2 ADC模块 (1) 216次阅读
- 芯海CS1256|带人体阻抗测量模块BIM功能和24位ADC的AFE 1519次阅读
- RA6T2 16位ADC混合采样模式应用详解 806次阅读
- STM32的ADC实验 1391次阅读
- 24位ADC集成PGA的基本原理及适用于传感器密集型应用 4624次阅读
- 低功耗MCU Kinetis K60系列产品的功能特点及应用电路分析 4193次阅读
- 基于高分辨率ADC与PGA连接热电偶的USB接口设计 1413次阅读
- 基于Kinetis微控制器和16位/24位MAX5556的立体声音频接口设计 1512次阅读
- Kinetis系列MCU的NMI功能的作用及禁用解析 1.1w次阅读
下载排行
本周
- 1HFSS电磁仿真设计应用详解PDF电子教程免费下载
- 24.30 MB | 128次下载 | 1 积分
- 2雷达的基本分类方法
- 1.25 MB | 4次下载 | 4 积分
- 3电感威廉希尔官方网站 讲解
- 827.73 KB | 2次下载 | 免费
- 4从 MSP430™ MCU 到 MSPM0 MCU 的迁移指南
- 1.17MB | 2次下载 | 免费
- 5有源低通滤波器设计应用说明
- 1.12MB | 2次下载 | 免费
- 6RA-Eco-RA2E1-48PIN-V1.0开发板资料
- 35.59 MB | 2次下载 | 免费
- 7面向热插拔应用的 I2C 解决方案
- 685.57KB | 1次下载 | 免费
- 8爱普生有源晶体振荡器SG3225EEN应用于储能NPC、新能源
- 317.46 KB | 1次下载 | 免费
本月
- 12024年工控与通信行业上游发展趋势和热点解读
- 2.61 MB | 763次下载 | 免费
- 2HFSS电磁仿真设计应用详解PDF电子教程免费下载
- 24.30 MB | 128次下载 | 1 积分
- 3继电保护原理
- 2.80 MB | 36次下载 | 免费
- 4正激、反激、推挽、全桥、半桥区别和特点
- 0.91 MB | 32次下载 | 1 积分
- 5labview实现DBC在界面加载配置
- 0.57 MB | 21次下载 | 5 积分
- 6在设计中使用MOSFET瞬态热阻抗曲线
- 1.57MB | 15次下载 | 免费
- 7GBT 4706.1-2024家用和类似用途电器的安全第1部分:通用要求
- 7.43 MB | 14次下载 | 免费
- 8AD18学习笔记
- 14.47 MB | 8次下载 | 2 积分
总榜
- 1matlab软件下载入口
- 未知 | 935113次下载 | 10 积分
- 2开源硬件-PMP21529.1-4 开关降压/升压双向直流/直流转换器 PCB layout 设计
- 1.48MB | 420061次下载 | 10 积分
- 3Altium DXP2002下载入口
- 未知 | 233084次下载 | 10 积分
- 4电路仿真软件multisim 10.0免费下载
- 340992 | 191360次下载 | 10 积分
- 5十天学会AVR单片机与C语言视频教程 下载
- 158M | 183329次下载 | 10 积分
- 6labview8.5下载
- 未知 | 81578次下载 | 10 积分
- 7Keil工具MDK-Arm免费下载
- 0.02 MB | 73804次下载 | 10 积分
- 8LabVIEW 8.6下载
- 未知 | 65985次下载 | 10 积分
电子发烧友App





创作
发文章
发帖
提问
发资料
发视频
评论