衰减器是一种控制元件,主要功能是降低通过衰减器的信号强度。如何选择合适的RF衰减器?射频衰减器的分类有哪些?从关键功能这个角度,衰减器可以分为固定衰减器和可变衰减器,前者的衰减电平保持不变,后者
2022-09-28 18:04:55
3495 
)和有线电视(CATV, Cable television)系统的欢迎。 相似于其他无线器件,PIN二极管PI衰减器模块也受到了强大的微型化压力,促使新一代的实施必须小于前一代。图1画出了数个世代此类型VVA
2019-07-10 07:14:27
描述用于 QRPX 的简单衰减器允许超过 10 瓦的输入功率衰减 6/10/20 分贝。衰减可以加起来,达到最大值 36 分贝。可以根据预期的功率输入设置电阻器。BNC 和 SMA 型连接器都可以安装在印刷电路板上。
2022-06-29 07:31:10
衰减器有机械的,也有电子的,其步进一般为10dB和5dB,有些频谱仪提供2dB和 1dB的步进调节。衰减器的作用如下:1、当测量高电平信号时,对信号进行衰减,保护频谱仪内部混频器不受损坏。 2、改善
2017-10-11 11:08:57
衰减器有机械的,也有电子的,其步进一般为10dB和5dB,有些频谱仪提供2dB和 1dB的步进调节。衰减器的作用如下:1、当测量高电平信号时,对信号进行衰减,保护频谱仪内部混频器不受损坏。 2、改善
2018-01-30 09:35:23
衰减器按照功能分类主要有固定衰减器、可变衰减器,而可变衰减器又分为手动步进衰减器和可编程衰减器。选择衰减器是除了考虑频率范围、功率、衰减量等基本规格外,更重要的是考虑重复性、精度、SWR和寿命,特别是重复性,它是您测试系统数据一致性的保证。
2019-07-09 07:54:58
衰减器http://www.gooxian.com/browse/category-427.htm是一种提供衰减的电子元器件, 广泛地应用于电子设备中,它的主要用途是: (1)调整电路中信号的大小
2017-11-09 15:08:41
1、衰减量衰减量是最常用的术语,用于描述传输过程中从衰减器的一端到另一端的信号减少的量值,即S21参数,可用倍数或分贝数来表达:A=101g(Pout/Pin)式中,A为衰减量(dB);Pout为
2018-01-18 09:32:00
衰减器是一种提供衰减的电子器件, 广泛地应用于各个电子设备中。它是在指定的频率范围内,一种用以引入一预定衰减的电路。一般以所引入衰减的分贝数及其特性阻抗的欧姆数来标明。在有线电视系统里广泛使用衰减器
2017-12-06 14:08:49
1、改善网络分析仪的插入损耗测量精度在用网络分析仪测量无源器件(尤其是低损耗的器件如电缆组件,空气线等)的插入损耗时,在通路上插入固定衰减器http://www.gooxian.com/browse
2017-11-07 16:41:17
1、改善网络分析仪的插入损耗测量精度在用网络分析仪测量无源器件(尤其是低损耗的器件如电缆组件,空气线等)的插入损耗时,在通路上插入固定衰减器可以提高测量精度。手持万用表http
2017-11-10 10:07:10
有线电视系统里广泛使用衰减器以便满足多端口对电平的要求。如放大器的输入端、输出端电平的控制、分支衰减量的控制。衰减器有无源衰减器和有源衰减器两种。在指定的频率范围内,一种用以引入一预定衰减的电路
2019-07-09 06:55:47
`ATNXX-00110是无源GaAs MMIC固定衰减器系列。这些衰减器是用于衰减信号的理想解决方案,可用于广泛的应用中。它们是各种射频电路中测试设备保护和信号过载防护的理想之选。在整个工作频率
2021-03-29 14:12:39
,电平设置衰减器可以直接使用。阅读衰减器的台式测试集使用。固定和水平设置衰减器通常用于测试装置中。和需要一定衰减的原型组件。产品型号:CAL-22-02产品名称:衰减器CAL-22-02产品特征坚固
2018-12-03 16:24:30
,电平设置衰减器可以直接使用。阅读衰减器的台式测试集使用。固定和水平设置衰减器通常用于测试装置中。和需要一定衰减的原型组件。产品型号:CAL-28-02产品名称:衰减器CAL-28-02产品特征坚固
2018-12-03 16:21:37
,电平设置衰减器可以直接使用。阅读衰减器的台式测试集使用。固定和水平设置衰减器通常用于测试装置中。和需要一定衰减的原型组件。产品型号:CAL-42-02产品名称:衰减器CAL-42-02产品特征坚固
2018-12-03 16:10:20
螺旋滚筒秤直接读出衰减值。这些衰减器是精密测量时的理想器件,如输出功率、增益、插入损耗、隔离、耦合和返回损耗是必需的。 CAR-1550应用试验台仪器仪表μ校准ALN-22093515-01
2018-12-04 09:48:15
螺旋滚筒秤直接读出衰减值。这些衰减器是精密测量时的理想器件,如输出功率、增益、插入损耗、隔离、耦合和返回损耗是必需的。 CAR-1950应用试验台仪器仪表μ校准ALN-22093515-01
2018-12-04 09:45:54
`CHT4660-FAB是一款0.5-16GHz可变衰减器,设计用于航天,军事和商业通信系统的广泛应用。该电路采用MESFET工艺制造,栅极长度为0.7µm,通过基板和气桥上的通孔。它以符合RoHS
2021-04-02 16:50:32
CMD279是正控制的宽带GaAs MMIC 5位数字衰减器芯片,工作频率为2至30 GHz。 衰减器的每个位都由0 V或+5 V的单个电压控制。衰减器位的值为0.5(LSB),1、2、4和8 dB
2020-03-06 16:26:48
描述Gerber_Taper衰减器用于 FM 测试信号的开关衰减器和阻抗匹配垫。
2022-07-26 07:46:29
在一个项目中,我们在几M的频率使用到了HMC470衰减器,但是发现其低频衰减量不能达到预定衰减量。满衰减器31db时,其2M左右,衰减量只有20-25dB,请问能否有什么方法改善其衰减量的不足。
2019-02-25 15:08:05
`PE4314是一款75ΩHaRP™威廉希尔官方网站
增强型6位RF数字步进衰减器(DSA),支持1 MHz至2.5 GHz的频率范围。它具有无毛刺的衰减状态转换,并支持1.8V控制电压和高达+105°C的扩展
2021-03-26 16:46:02
API-Weinschel 数字衰减器– 0.1 to 40 GHz, 31.5 dB支持USB, PARALLEL, I2C, SPI 以及 UART 控制模式特点: 1、理想适用于:自动测试设备
2018-10-11 14:06:54
dB(18~26.5 GHz为 0.05dB)。这就保证用在自动测试系统中时有小的测量不确定度和高的置信度。机电步进衰减器具有高性能测试和测量设备所要求的小驻波比、低插入损耗和高精度。精密电镀片簧接触
2018-01-13 16:29:33
光纤衰减器的工作原理光纤衰减器的应用光纤衰减器的类型
2021-05-18 07:11:18
。 光衰减器的指标:工作波长、回波损耗、衰减量及精度(衰减范围及分辨率)及工作温度,常用于评估系统的损耗及各种测试中。 光衰减器的原理是什么? 光纤衰减器通常是通过吸收光来产生衰减,如太阳眼镜吸收额外
2018-04-25 14:52:49
)、掺铒光纤放大器(EDFA)等光器件构成ROADM、VMUX、增益平坦EDFA等模块,还可直接用于光接收机的过载保护。 可变光衰减器的功能 VOA在光通讯系统中调节光线路上的光功率大小,使光功率落在接收
2018-04-16 14:57:40
: < 0.05dB高衰减精度 < 0.1dB可重复性 < 10mdB描述Keysight 81576A 可变光衰减器在 60 dB 衰减范围内提供低的插入损耗和出色
2019-06-28 20:56:30
光衰减器的原理 光衰减器是光纤通信设备检测(如光功率计计量,光功率衰减,接收机灵敏度测量等)中必不可少的测试仪器之一。随着光纤通信威廉希尔官方网站
的不断发展,光纤通信设备和器件生产厂商对光衰减器的性能指标
2018-10-18 16:47:58
1光固定衰减器http://www.gooxian.com/browse/category-427.htm特点 ◆ 附加损耗低 ◆ 衰减精度高 ◆ 符合IEC标准 ◆ 体积小、重量轻
2017-11-09 15:04:13
要的水平。 用途:光纤通信系统,光纤CATV,大功率光器件测量 产品特点:单模|多模|固定衰减器|光衰减器|光纤衰减器|衰减器| 是由三段金属螺帽组成,内含两个活动FC接头,通过调节:锁定两个
2017-11-09 15:01:05
光纤通信系统,光纤CATV,大功率光器件测量 用于对输入光功率的衰减,避免了由于输入光功率超强而使光接收机产生的失真。 分类 按照端口的类型可以分为如下的几个分类: SC光纤衰减器:应用于SC光纤
2020-12-11 15:13:23
光纤衰减器的工作原理是什么?光纤衰减器的类型有哪些?
2021-05-19 06:12:27
满足多端口对电平的要求。如放大器的输入端、输出端电平的控制、分支衰减量的控制。功率衰减器有无源衰减器和有源衰减器两种。有源衰减器与其他热敏元件相配合组成可变衰减器,装置在放大器内用于自动增益或斜率
2018-08-29 10:55:24
一、衰减器的定义: 衰减器http://www.gooxian.com/browse/category-427.htm一般是把大电压信号衰减到一定的比例倍数(一般指功率衰减),达到安全或理想的电平值
2017-11-07 16:47:38
一、衰减器的定义:衰减器一般是把大电压信号衰减到一定的比例倍数(一般指功率衰减),达到安全或理想的电平值,方便测试工作,尤其在射频和微波中运用广泛。二、选择衰减器时的注意事项:1、频响 :即频率带宽
2017-09-15 10:07:17
)首次设计并制造了商用的固定同轴衰减器。在测试和测量中,同轴集总参数衰减器是应用最为广泛的射频器件之—。有两项指标是测试工程师们必须考虑的,即工作频率范围和功率容量,常见的商用固定同轴衰减器的功率从
2018-01-18 09:33:41
降低10dB,同时匹配75Ω网络的阻抗。计算所需的三个电阻器的值。使用我们简单的“ K因子”表,我们可以看到用于计算-10dB衰减损耗的“ K”因子值为3.1623。D
2020-11-19 09:37:18
光纤收发器是否会在最低光输入功率时,提供最佳性能呢?常用的一种方法是使用光衰减器,例如隔板衰减器。 通常只需要两个值即可完成测试。 该过程包括如下所示的三个步骤。1.使用功率计测量光纤发射器的光输
2016-10-25 12:28:23
射频衰减器的典型形式如何确定射频衰减器电阻的阻值?
2021-04-07 07:04:18
无源衰减是用于同时改善阻抗匹配削弱或“衰减”的传输线的信号电平,使得纯电阻网络无源衰减放大器的对面。无源衰减器电连接在电源和负载之间,所感应的衰减量为固定量。连接的衰减器部分可以在源和负载之间提供
2020-11-20 09:28:39
在测试和测量中,了解衰减器的功率系数有什么意义呢?我们用下图的案例来说明在测试和测量中如何应用衰减器的功率系数指标。衰减器的典型应用上图是一个简单而十分常见的放大器或发射机功率测货系统,其中衰减器被
2018-01-18 09:30:54
的VSWR均小于1.05;而,输出端开路即VSWR为无穷大时,输入端的VSWR仍有较好的表现。 衰减器的这种特性可以被巧妙地用于某些测试和测量场合,如改善信号发生器或频谱分析仪的匹配。举例说明:假设一个信号
2017-11-07 16:43:03
的典型应用上图是一个简单而十分常见的放大器或发射机功率测量系统,其中衰减器被用于降低被测信号的电平以适应终端式功率计的测试范围。假设被测功率为50W,衰减器的衰减量为40dB,其功率系数为
2017-11-06 14:07:23
的典型应用上图是一个简单而十分常见的放大器或发射机功率测量系统,其中衰减器被用于降低被测信号的电平以适应终端式功率计的测试范围。假设被测功率为50W,衰减器的衰减量为40dB,其功率系数为
2017-11-07 16:37:21
和R2。最小插入损耗其中:电阻器R1位于较大阻抗一侧,电阻器R2位于较小阻抗一侧,在我们上面的示例中,电阻分别为75Ω和50Ω。因此,在源和负载之间连接的L衰减器的最小插入损耗以分贝为单位给出:最小衰减
2020-11-16 09:26:16
嗨,我们有N5244 PNAx。我必须使用具有10dB源衰减器的Ecal套件进行全双端口校准。校准后得到的回波损耗约为-25dB。现在我改变源衰减器20db,回波损耗变化-10dB。任何人都可以告诉
2019-02-25 15:31:27
扳手一次完成,这样就大大提高了测试的可重复性和保持测试结果的一致性。射频和微波测试是富于挑战性和充满乐趣的工作,其涉及的内容非常广泛。用衰减器和放大器来修正测试通路在射频和微波测量中,衰减器可能是除了
2017-10-27 10:26:43
需的分贝值表。通过将衰减器插入电路,以分贝表示的电压,电流或功率的这种降低称为插入损耗,最小损耗衰减器设计将阻抗不等的电路与匹配网络中的最小损耗相匹配。既然我们知道了无源衰减器是什么,它可以用来减少或
2020-11-13 09:36:17
Ω,75Ω或600Ω对称T-pad衰减器电路所需的串联和并联阻抗值生成标准表,因为无论应用如何,这些值始终相同。电阻R1,R2和R3的计算值如下。分贝损耗K因子50Ω阻抗75Ω阻抗600Ω阻抗R1
2020-11-17 09:33:39
1dB衰减器
1dB衰减器在
2009-09-25 15:03:14
2173 
微波电调衰减器,微波电调衰减器是什么意思
衰减器是把大电压信号衰减到一定的比例倍数(一般指功率衰减),达到安全或理想的电
2010-03-05 10:37:53
794 微波电调衰减器主要参数定义
动态范围:指最大衰减量与最小衰减量分贝数之差,最小衰减量又称插入损耗。
2010-03-05 10:38:51
881 光衰减器,光衰减器的工作原理是什么?
光衰减器主要用于光纤通信系统的特性测试和其他测试中,是对光功率有一定衰减量的器件。根据衰减量
2010-03-20 17:15:20
6927 衰减器
衰减器广泛地应用于电子设备中,它的主要用途是:
(1)调整电路中信号的大小;
(2)在比较
2010-04-15 15:14:18
8809 
信号衰减器设计
2016-12-16 16:35:11
63 什么是衰减器 衰减器是一种提供衰减的电子元器件, 广泛地应用于电子设备中。衰减器是在指定的频率范围内,一种用以引入一预定衰减的电路。一般以所引入衰减的分贝数及其特性阻抗的欧姆数来标明。在有线电视系统
2017-10-16 10:46:43
7378 主要应用在:光纤通信网,光线数据网,光纤CATV网。 光纤衰减器测试系统特征:衰减量精度高,附加损耗低,稳定性好。 光纤衰减器制作工作原理:(1)空气隔离威廉希尔官方网站
:光在光纤中传输受到全反射定律的制约,无法散射出来,保持强
2017-10-19 14:30:03
16 的控制、分支衰减量的控制。 衰减器的分类 衰减器有 无源衰减器 和 有源衰减器 两种。 有源衰减器与其他热敏元件相配合组成可变衰减器,装置在放大器内用于自动增益或斜率控制电路中。 无源衰减器有固定衰减器和可调衰减器。
2017-10-31 20:04:43
7174 同轴衰减器是一种能量损耗性射频/微波元件,元件内部含有电阻性材料。除了常用的电阻性固定衰减器外,还有电控快速调整衰减器。衰减器广泛使用于需要功率电平调整的各种场合。 同轴衰减器威廉希尔官方网站
指标 同轴衰减器
2017-10-31 20:17:59
3058 射频衰减器是应用于微波威廉希尔官方网站
中非常重要的仪器。在许多微波系统,如雷达、多信道通信系统和其他动力传输损耗和接收信号的测量中都离不开射频衰减器,射频衰减器的灵敏度、测量精确度对于生产的顺利进行密切相关
2017-10-31 21:06:43
11111 
衰减器是一种能量消耗元件,功率消耗后变成热量。可以想象,材料结构确定后,衰减器的功率容量就确定了。如果让衰减器承受的功率超过这个极限值,衰减器就会被烧毁。设计和使用时,必须明确功率容量。 回拨损耗
2017-12-11 17:37:26
1271 衰减器有无源衰减器和有源衰减器两种。有源衰减器与其他热敏电阻相配合组成可变衰减器,装置在放大器内用于自动增益或斜率控制电路中。无源衰减器有固定衰减器和可调衰减器。衰减器的作用只有一个,就是提供衰减,至于用它来干什么就见仁见智啦。
2017-12-14 16:34:02
19558 光衰减器是用于对光功率进行衰减的器件,它主要用于光纤系统的指标测量、短距离通信系统的信号衰减以及系统试验等场合。本文主要介绍了光衰减器分类方式、光衰减器类型及光衰减器的原理进行概要。
2017-12-15 10:30:44
10067 
的控制、分支衰减量的控制。衰减器有无源衰减器和有源衰减器两种。有源衰减器与其他热敏元件相配合组成可变衰减器,装置在放大器内用于自动增益或斜率控制电路中。无源衰减器有固定衰减器和可调衰减器。
2017-12-15 13:02:03
28272 的控制、分支衰减量的控制。衰减器有无源衰减器和有源衰减器两种。有源衰减器与其他热敏元件相配合组成可变衰减器,装置在放大器内用于自动增益或斜率控制电路中。无源衰减器有固定衰减器和可调衰减器。
2017-12-21 09:06:39
29041 光衰减器是用于对光功率进行衰减的器件,它主要用于光纤系统的指标测量、短距离通信系统的信号衰减以及系统试验等场合。
2017-12-22 15:43:00
4201 
光衰减器是一种非常重要的纤维光学无源器件,它可按用户的要求将光信号能量进行预期地衰减,常用于吸收或反射掉光功率余量、评估系统的损耗及各种测试中。
2017-12-22 15:45:35
9168 光衰减器与固定光衰减器。 光衰减器的指标:工作波长、回波损耗、衰减量及精度(衰减范围及分辨率)及工作温度,常用于评估系统的损耗及各种测试中。
2018-05-28 16:39:00
15477 
光衰减器是一种非常重要的纤维光学无源器件,它可按用户的要求将光信号能量进行预期地衰减,常用于吸收或反射掉光功率余量、评估系统的损耗及各种测试中。目前,系列化光衰减器已广泛应用于光通信领域,给用户带来
2018-11-22 10:24:52
11288 光衰减器是调节光强度不可缺少的器件,主要用于光纤通信系统以及线路的评估,设备之间的连接,跳线之间的连接调节等方面。光衰减器可按用户的需求将光信号能量进行预期的衰减,可在通信系统中吸收或反射掉光功率余量,在评估系统的损耗及各类实验中经常使用。
2019-02-25 14:17:48
11315 衰减器按照功能分类主要有固定衰减器、可变衰减器,而可变衰减器又分为手动步进衰减器和可编程衰减器。
2019-02-25 14:27:38
7903 衰减器是一种提供衰减的电子元器件, 广泛地应用于电子设备中,它的主要用途是:(1)调整电路中信号的大小;(2)在比较法测量电路中,可用来直读被测网络的衰减值;(3)改善阻抗匹配,若某些电路要求有一个比较稳定的负载阻抗时,则可在此电路与实际负载阻抗之间插入一个衰减器,能够缓冲阻抗的变化。
2019-02-25 14:30:15
10408 无源衰减器是一种纯电阻网络,可用于控制输出信号的电平,无源衰减器电源连接在源之间电源和负载引起的衰减量是固定的。连接的衰减器部分可以在源和负载之间提供固定的衰减,阻抗匹配或隔离。由于无源衰减器在其设计中仅具有电阻元件,因此衰减信号不会受到失真或相移的影响。
2019-06-25 14:11:42
4190 
本文首先介绍了衰减器是什么,然后对衰减器进行了分类并且对三类光衰减器进行了详细的介绍,最后说明了如何测量衰减器网络特性阻抗。
2019-08-08 09:36:30
2271 本文首先介绍了衰减器的分类,然后解释了衰减器的基本用途,最后说明了衰减器的相关参数。
2019-08-08 10:11:17
5414 用手持衰减器。 SmartClass OLA-54/-55/-55M光功率衰减器是面向将来的经改良的可变衰减器,可用于光纤系统测试和装置、维护、以及消费多模光纤(OLA-54)和单模光纤(OLA-55
2020-08-28 15:13:21
1690 什么是光衰减器?它有什么特点?你知道它的工作原理吗?当两段光纤进行连接时,必须达到相当高的对中精度,才能使光信号以较小的损耗传输过去。反过来,如果将光纤的对中精度做适当的调整,就可以控制其衰减量。位移型光衰减器就是根据这个原理,有意让光纤在对接时,发生一定的错位。
2020-10-31 09:34:39
4661 功率衰减器是一种能量损耗性射频/微波元件,元件内部含有电阻性材料。衰减器广泛用于需要功率电平调整的各种场合。
2021-06-07 14:46:44
19 光纤衰减器是能降低光信号能量的一种光器件,具有衰减量精度高、附加损耗低、稳定性好的三大优势,广泛应用于光纤通信系统、光纤CATV、大功率光器件测量中。接下来简单介绍一下光纤衰减器的主要分类。
2022-01-23 14:04:21
3973 电子发烧友网站提供《用于QRPX的简单衰减器.zip》资料免费下载
2022-07-05 10:30:50
4 电子发烧友网报道(文/李宁远)作为一种提供衰减的电气元器件,衰减器广泛应用于各种电子设备中。比较官方的定义是,在指定的频率范围内,一种用以引入一预定衰减的电路。其能力一般以所引入衰减的分贝数及其
2022-11-10 07:10:06
646 2022-11-18 23:45:32
0 从关键功能这个角度,衰减器可以分为固定衰减器和可变衰减器,前者的衰减电平保持不变,后者的衰减电平可调。根据可变衰减器支持的衰减控制方式,还可以进一步细分为电压可变衰减器(VVA)和数字步进衰减器(DSA),前者采用模拟控制威廉希尔官方网站
,后者采用数字控制威廉希尔官方网站
。
2023-01-24 16:36:00
765 
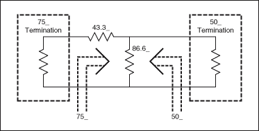
CATV系统基于75Ω特性阻抗,但典型的实验室设备具有50Ω特性阻抗。75Ω至50Ω最小损耗焊盘(MLP)是一种精确测量电压和功率的宽带方法。本文介绍此类MLP所需的电阻网络。还推导出了具有通用源阻抗和负载阻抗的MLP的方程。
2023-02-23 16:16:35
472 
固定衰减器是款用来传输光纤衰减量的固定高精密光子器件,根据电路提前设计衰减量实现对光功率的衰减。固定衰减器适用于各种光纤通讯电路中。 MACOM提供用作芯片和电缆线器件的固定衰减器裸片。MACOM
2023-03-20 09:07:32
213 射频衰减器的衰减量随频率的增加而增加。这是由于射频衰减器的设计中会考虑到元器件的特性阻抗,而特性阻抗又与信号的频率有关。随着频率增加,其阻抗会变化,从而影响射频衰减器的性能。
2023-05-03 07:51:00
1096 射频衰减器是一种被广泛应用于射频和微波领域的器件,它的主要作用是衰减射频或微波信号的强度,从而控制信号的幅度。射频衰减器的原理通常与其结构有关。
2023-05-03 10:17:00
1895 光纤衰减器是用于对光功率进行衰减的器件,它主要用于光纤系统的指标测量、短距离通信系统的信号衰减以及系统试验等场合。
2023-05-18 14:31:30
915 
从关键功能这个角度,衰减器可以分为固定衰减器和可变衰减器,前者的衰减电平保持不变,后者的衰减电平可调。根据可变衰减器支持的衰减控制方式,还可以进一步细分为电压可变衰减器(VVA)和数字步进衰减器(DSA),前者采用模拟控制威廉希尔官方网站
,后者采用数字控制威廉希尔官方网站
。
2023-05-23 17:03:06
669 
我们在之前的文章中,分别讨论过微波衰减器的相关知识,从衰减器的威廉希尔官方网站
指标,到衰减器的实现方式。今天,我们对衰减器的知识进行一下汇总梳理。
2023-05-23 17:13:19
1296 
光衰减器与固定光衰减器。 光衰减器的指标:工作波长、回波损耗、衰减量及精度(衰减范围及分辨率)及工作温度,常用于评估系统的损耗及各种测试中。
2023-05-23 17:14:29
1797 电阻型衰减器,主要有pi型衰减器和T型衰减器。PI型衰减器,是两个电阻并联到地,一个级联电阻,电路形状类似于pi。T型衰减器,两个级联电阻,一个并联电阻到地,电路形状类似于字母T。至于选哪个,就看个人爱好吧,我见到的,pi型衰减器占多数。
2023-05-23 17:15:24
4402 
衰减器的作用是什么 衰减器是一种电子元件,可以降低电路的信号强度。其作用是把输入信号的功率降低到一个较低水平,以适应后续电路的需要,避免电路过载或失真。衰减器通常应用于电信、广播、雷达、测量等领域
2023-06-07 17:18:37
1816 通过最小损耗阻抗转换电路可以用50Ω的测试设备对宽带的75Ω电路,例如CATV调谐IC,电缆上行放大器,和卫星DBS调谐IC进行测量。当使用最小损耗阻抗转换电路时,你必须清楚是使用MLP的电压损耗
2023-06-08 17:13:12
1264 
什么是射频衰减器?如何为我的应用选择合适的RF衰减器?
2023-07-11 16:17:35
547 
其在不同领域中的应用。 首先,我们来讨论光衰减器的作用。光衰减器主要用于调节光信号的强度,使其达到所需的范围或者匹配其他器件的工作点。在光通信系统中,光衰减器可以用来控制光信号的强度,以便在不同的传输距离和不同的
2024-01-25 10:57:05
278 π型衰减器的原理是什么? π型衰减器是一种电子电路,被广泛应用于电信领域,用于降低电路中的信号强度。它在电路中起到一个很重要的作用,既可以使信号减弱,也可以改变信号的频谱。本文将详细介绍π型衰减器
2024-01-29 14:11:02
495
评论