数字中频顾名思义,是指一种中间频率的信号形式。中频是相对于基带信号和射频信号来讲的,中频可以有一级或多级,它是基带和射频之间过渡的桥梁。 如图1所示,中频部分用数字方式来实现就称之为数字中频。数字
2023-10-21 18:59:00
2568 
相较传统的超外差接收机,零中频接收机具有体积小,功耗和成本低,以及易于集成化的特点,正受到越来越广泛关注,本文结合德州仪器(TI)的零中频接收方案(TRF3711),详细分析介绍了零中频接收机的威廉希尔官方网站
挑战以及解决方案。
2013-09-25 14:02:14
6707 
1、 中频滤波器的带宽用RBW来衡量。 中频滤波器可以影响噪声带宽,RBW越小噪声带宽就越窄,进入频谱分析仪的噪声 就越小,那么接收灵敏度就越高,即本底噪声越低。 当今的频谱仪的中频滤波器有以下三种
2017-10-13 09:21:26
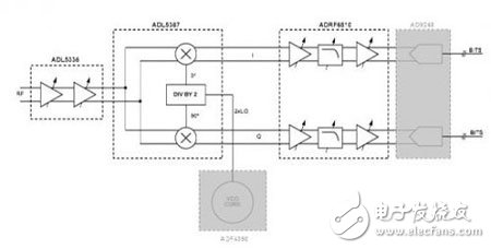
电路功能与优势该电路是灵活的频率捷变中频至基带接收机。中频和基带上的可变增益用于调整信号电平。 ADRF6510 基带ADC驱动器还包括可编程低通滤波器,可消除通道外阻塞和噪声。 此滤波器的带宽
2019-07-05 07:27:55
的主要功能为实现信号的隔离,以及对输入信号进行功率的调整,达到信号处理最佳的状态。在接收通道中,将外部信号与内部信号隔离,并将接收中频信号接口的输入阻抗调整为50Ω、信号由0.7Vpp~1Vpp 调整为
2018-08-13 07:18:30
基于IQ解调器,具有中频和基带可变增益以及可编程基带滤波功能的中频至基带接收机。
2021-05-24 07:00:30
DC1304A-A,演示电路具有两个可编程滤波器IC,LTC6602,双通道,匹配带通滤波器。 LTC6602是一款双通道可编程带通滤波器和差分驱动器。 LTC6602的选择性非常适合过滤RFID系统中的基带标签信号
2019-03-04 09:42:48
的邻道抑制能力。由于中频滤波器处在低噪放后面,只要低噪声放大器提供足够的增益并且不引入过多的信号失真,中频滤波器的插损就可以忽略。中频滤波器体现的主要接收机指标就是邻道抑制能力,中频滤波器可获得典型邻
2019-06-24 08:09:53
LT5516 所具有的高线性度能够在一个 RF 接收器中提供极佳的无寄生动态范围,即使在采用固定增益前端放大的情况下亦是如此。这种直接转换接收器能够免除进行中频 (IF) 信号处理以及相应的图像滤波
2021-04-15 07:52:00
AD6620ASZ-REEL是一个紧凑的综合解决方案,提供两个中频至基带分集通道,片内集成了自动增益控制、接收信号强度指示器、高分辨率数字控制振荡器(NCO)和数字滤波。产品型号; AD6620ASZ-REEL
2018-11-06 08:59:18
的loopback功能(寄存器0x3F5=0x01),接收数据是一致的。另外,基带设计上面,接收IQ数据通道的时钟采用AD9361随路过来的时钟,所以数据接口方面应该没有问题。即参考如下方式进行
2018-08-20 07:43:42
DVB_S2的官方解调设计图我们实验室设计的实际解调器框图解调器接收的中频信号与压控振荡器产生两路正交调制载波相乘后分为IQ两路,分别做定时恢复,经过匹配滤波和下抽取后,做帧同步,将导频或连续多帧
2017-03-09 17:18:38
2110MHz至2170MHz频段。MAX2599独特的数字比特至RF架构集成功率放大器(PA)、正交混频器、可变增益RF和基带放大器、基带滤波器、I和Q数模转换器(DAC)以及用于产生本振(LO)的分数N
2011-04-24 22:31:15
功能模块,其中包括一个集成的高中频滤波器、全集成VCO、中频VGA.工作频率范围从至878MHz,同时提供超过60dB的RF及IF可控增益范围。它具有以44MHz为中心的中频频率,而具有以36MHz为中心
2021-04-22 06:42:41
概述:MAX3571是MAXIM公司生产的一款高中频(HI-IF)单片宽带调谐器。它为四面48脚封装。低成本、宽带、两次变频调谐器芯片设计用于数字电视接收机。每款芯片集成了所有必需的射频功能
2021-05-18 06:29:15
概述:MAX3573是MAXIM公司生产的一款高中频(HI-IF)单片宽带调谐器。它为四面48脚封装。低成本、宽带、两次变频调谐器芯片设计用于数字电视接收机。每款芯片集成了所有必需的射频功能
2021-05-18 07:16:24
调制解调器中频可在允许的无线电范围内独立调节基带带宽,例如±400khz。提供了优化的固件,以优化设置SX1257/55无线电和执行实时自动增益控制。如下框图所示: 功能特点:特性高达-139dBm灵敏度
2021-04-03 10:07:30
的阅读器设计采用了IQ 两路正交调制解调的零中频方案。整个阅读器由射频前端和基带处理两个部分组成,射频前端对发送基带信号进行上变频和功率放大等处理后发射给电子标签,然后在接收到标签的返回信号时,对接收
2019-05-29 06:47:15
个问题是:MGC全增益0x109-0x10C寄存器值我都设置的0x00,接收的IQ信号幅度采样量化值只有正负100,满量程应该是正负2048。我尝试改mgc变寄存器值到最大,发现射频输入高于-35dBm,基带采样的IQ数据就出现饱和或者失真。请问这是怎么回事?我用mgc模式,应该写那些寄存器呢?
2018-09-05 11:27:51
的系带信号,或对接收到的系带信号进行解码.发射时,将音频信号编译成基带码,发射基带码;接收时,将收到的基带码进行解码,转换为音频信号,即电话通话功能.同时也负责地址信息(手机号,网站地址),文字信息(短信,网站文字),图片信息的编解...
2021-07-28 06:42:24
本文研究了中频软件无线电的实现方案,并设计了基于FPGA的通用硬件平台。在此平台上,通过PC机下载软件,实时实现了软件无线电中频至基带的波形处理和多种不同的调制解调方式。
2021-04-29 06:27:47
--接收的是数字信号,是目前比较常用的接收机,又分插卡数字机,免费机,高清机等。卫星电视接收器的电路组成: 一台最基本的卫星电视接收机,通常应包括以下几个部分:电子调谐选台器、中频放大与解调器、信号
2012-03-26 10:24:53
转换接收器信号链包括用于实现直接转换至基带的 TRF371125 IQ 解调器用于捕获接收信号进行 IQ 处理的 ADS5282Altera Cyclone III FPGA 上提供的自动盲 IQ 校正 IP 示例
2018-08-06 09:50:53
功率一般为-130 dBm,但在室内、森林、城市等复杂环境下,GPS信号验证衰减可达20~30 dB,此时普通GPS 接收机不能实现正确的捕获和跟踪。本文基于了高灵敏度数字基带芯片的研究背景,对经典载波跟踪环进行修改,设计实现了高灵敏度跟踪环路设计,高灵敏跟踪环路接收机实现了正确的捕获和跟踪。
2019-07-05 06:36:34
AD6654是什么?如何去实现一种基带解调器的设计?AD6654在数字电视基带解调器设计中有什么作用?
2021-06-07 06:16:50
,然后通过可编程数字信号处理模块进行中频数字化处理。采用软件无线电的思想来实现导航接收机终端具有灵活性、集中和模块化三个优点。
2019-11-01 07:49:52
变频至基带,工作频率范围可扩展到925MHz至2175MHz。 器件包含LNA和RF可变增益放大器、I和Q下变频混频器、具有可编程截止频率的基带低通滤波器和数字控制可变增益基带放大器。RF和可变增益基带
2021-05-14 06:05:48
本文将针对中频PCM/DPSK遥测信号全软化解调器中数字级联抽取滤波器的设计及软化实现进行研究。
2021-06-04 07:07:09
本文在讨论基本的带通抽样定理基础上,分析欠抽样率对带通信号采样的频谱搬移特点,同时结合对普通的AM调幅接收机中频信号的采样、滤波与处理,以获得基带的语音信号。
2021-04-07 07:06:21
无线数据收发器一般有哪几个基本组成部分呢?以无线数据收发器为例,向大家介绍它的组成结构。无线数据收发器一般由发射机、接收机、锁相环、基带处理及调制解调器、CPU、RS-232或RS-485 接口等
2018-08-30 11:19:41
无线数据收发器一般有哪几个基本组成部分呢?以无线数据收发器为例,向大家介绍它的组成结构。无线数据收发器一般由发射机、接收机、锁相环、基带处理及调制解调器、CPU、RS-232或RS-485 接口等
2018-09-04 09:01:29
接收机模拟基带部分, 接收机采用I/Q 两支路正交的零中频结构, 图1是接收机模拟基带结构图。 根据EPC global C1G2协议要求, UHF RF ID阅读器接收的最高数据速率达到640 kb
2019-05-29 07:46:53
大家好现在我要实现一个零中频接收机我在芯片选型有了一个疑问 ,我发现利用IQ下变器HMC951A,和解调器ADL5380都在我需要的频带中。我疑惑IQ下变频器和解调器是不是有本质的区别呢?还是两个器件都能实现零中频。任意选择一个器件都行呢?请大家解答,谢谢
2018-09-13 11:18:53
1、关于直接变频接收机,即直接变频至基带信号我的设计是chip速率为10.23M的扩频通信1)用作直接变频接收机,不可避免的会出现自混频的问题,使用中该如何处理?使用时如何应对2)直流耦合or交流
2018-12-13 11:35:46
的基带信号送入FPGA做滤波、解码。1. 如果接收机仍采用零中频架构,IQ解调器使用独立本振,该如何跟发射机载波做同步?2. 了解了costas环这些载波同步威廉希尔官方网站
,应该是应用于中频信号的载波恢复?而我们这种情况有什么成熟的方式或芯片能够直接完成载波提取/载波同步吗?
2020-09-22 15:52:21
为什么AD的基带可编程低通滤波器的带宽没有低至几kHz的?以后会不会推出相关的产品呢?AD9361的基带滤波器最低也只到200kHz,一些窄带信号的应用对临道有要求,目前的芯片还不能满足。
2018-08-22 10:40:21
可变增益放大器的分类怎样去设计可变增益中频放大器?怎样对可变增益中频放大器进行仿真?
2021-04-21 06:04:59
TI生产的pipeline型的ADC常常利用采样过程中的混叠现象,用较低的采样率来把中频处的信号搬移到基带在进行处理,这样可以降低对高速ADC的速度要求,这时在采样前需要对模拟信号进行带通滤波,保证
2019-02-26 08:59:33
可编程基带滤波器用于软件定义的 UHF RFID 阅读器
2019-08-01 12:35:31
DN432 - 用于软件定义 UHF RFID 阅读器的可编程基带滤波器
2019-08-28 09:29:48
HMC1023LP5E是一款6阶、可编程带宽、完全校准、双通道低通滤波器。 它具有可编程的0至10 dB增益并支持5 MHz至72 MHz范围的任意带宽。 校准时,带宽精确至+/-2.5%。 内置
2022-05-04 10:45:30
AD6121为3V接收机中频子系统,带有集成电压调节器,片内I/Q解调器可提供差分正交基带输出,并可与CDMA基带转换器接口,AD6121可用于CDMA、W-CDMA、AMPS和TACS应用系统中的接收机和QPSK接收机.
2009-04-24 13:34:52
15 AD8348是一款宽带正交解调器,集成有中频(IF)可变增益放大器(VGA)和基带放大器,适用于通信接收机,可进行从中频直接到基带频率的正交解调。基带放大器可以与双通道ADC直接接口,如
2022-11-11 17:08:51
AD6650是一款分集中频至基带接收机,适用于GSM/EDGE。这款窄带接收机由一个集成DVGA、中频至基带I/Q解调器、低通滤波和一个双通道宽带ADC组成。该芯片可处理70 MHz至260 MHz
2023-02-16 11:24:10
分析了GLONASS 卫星信号的频谱特性,针对其频谱混叠现象,首先采用CIC 滤波器对GLONASS 的基带信号进行插值滤波,然后再调制到相应的中频载波上;同时完成了CIC 滤波器的FPGA 实
2009-12-14 15:23:34
6 基带光纤拉远威廉希尔官方网站
相比传统的射频、中频拉远威廉希尔官方网站
,在馈线处理、站址选择等方面具有明显的优势,已经成为TD-SCDMA等3G网络的主要拉远方式。参照3G网络的基带光纤拉远威廉希尔官方网站
,提出
2010-07-10 16:02:47
16 本文讨论了一种全数字GMSK基带调制解调器的设计与实现。其中,GMSK基带脉冲成形以及早迟门同步采用了基于多相滤波器的实现结构,有效的降低了调制解调器的硬件复杂度,其正确
2010-07-31 10:46:32
35 是一款分集中频至基带接收机,适用于GSM/EDGE。这款窄带接收机由一个集成DVGA、中频至基带I/Q解调器、低通滤波和一个双通道宽带ADC组成。该芯片可处理70
2024-02-28 19:20:45
摘 要: 本文介绍了零中频接收机的原理,以及基于高性能调制解调芯片HFA3787的类零中频接收机的设计与实现。
2006-03-11 13:17:27
1673 
摘 要:零中频(Zero IF)或直接变换(Direct-Conversion)接收机具有体积小、成本低和易于单片集成的特点,正成为射频接收机中极具竞争力的一种结构。本文在介绍超外差(Super
2006-03-11 13:18:20
2367 
如何为多种无线标准设计可编程基带设备
2008年两个重要的专门术语 - 移动性和汇聚性 - 正在以多种方式对无线产业界施加影响。
&nb
2008-12-26 15:12:18
567 
基带MODEM,基带MODEM的原理是什么?modem的概念
我们常说的Modem,其实是Modulator(调制器)与Demodulator(解调器)的简称,中文称为调
2010-03-23 10:34:33
6027 本文设计的信道选择滤波器用于UHF RFID阅读器接收机模拟基带部分, 接收机采用I/Q 两支路正交的零中频结构, 图1是接收机模拟基带结构图。
2011-02-23 09:47:16
1880 
该电路是灵活的频率捷变中频至基带接收机。中频和基带 上的可变增益用于调整信号电平。 ADRF6510 基带ADC驱动器还包括可编程低通滤波器,可消除通道外阻塞和噪 声。
2013-01-11 16:36:41
3413 
数字卫星电视接收机调谐解调器中的零中频方案
2016-12-16 22:13:20
21 零中频接收机( Zero-IF Receiver)|是目前实现接收机集成化的重要威廉希尔官方网站
手段,最早出现在二十世纪初,随着微电子威廉希尔官方网站
的进步才得以实现。零中频威廉希尔官方网站
最大的优点是将解调中频信号完全转化为了基带
2017-11-13 14:42:05
5 在一个数字系统中,包括了两个重要变换: 消息与数字基带信号间的变换(由发收终端设备完成) 数字基带信号与信道信号之间的变换(由调制解调器完成) 有些场合可以不经调制解调过程,而让基带信号直接进行传输
2017-11-24 09:31:26
28 该电路是灵活的频率捷变中频至基带接收机。中频和基带上的可变增益用于调整信号电平。 ADRF6510 基带ADC驱动器还包括可编程低通滤波器,可消除通道外阻塞和噪声。
此滤波器的带宽可随着输入信号带宽变化而动态地调节。这样可以确保由本电路驱动的ADC的可用动态范围得到充分使用。
2019-03-13 17:56:19
3186 
的主要问题。DC 失调和二阶互调分量均与有用信号同处于相同的频段,因而导致接收器灵敏度下降。
凌力尔特的新型 LTC5584 和 LTC5585 I/Q 解调器能够对具有 >500MHz 带宽
2018-06-05 02:45:00
3986 
,然后用高频头将其变为中频,例如,36MHz,接着,利用AD6654由IF转换为基带信号,最后,再用激励器调制成射频。这样,就可以用一个频谱仪测量出其数字特性,用DTV接收机观察出其效果。 基带解调器整体设计 系统硬件设计如图2所示。此电路结构比较简单,性能优良
2019-01-13 14:18:01
214 近日,据外媒报道,苹果正在商议收购英特尔的智能手机调制解调器业务,其打算收购后者在德国的调制解调器部门(基带芯片),以此来加速自研5G基带的研发工作。
2019-06-13 10:34:13
3578 该电路是灵活的频率捷变中频至基带接收机。中频和基带上的可变增益用于调整信号电平。 ADRF6510 基带ADC驱动器还包括可编程低通滤波器,可消除通道外阻塞和噪声。
2020-08-07 18:52:00
0 的阅读器设计采用了IQ 两路正交调制解调的零中频方案。整个阅读器由射频前端和基带处理两个部分组成,射频前端对发送基带信号进行上变频和功率放大等处理后发射给电子标签,然后在接收到标签的返回信号时,对接收信号进行放大、滤波、下变频等处理后将基带
2020-07-30 18:53:00
0 一、什么是中频采样,什么是IQ采样 射频接收系统通常使用数字信号处理算法进行信号解调和分析,因此需要使用ADC对信号进行采样。根据采样频率的不同,可以分为射频直接采样、中频采样、IQ采样。射频采样
2020-12-02 14:03:25
9031 AD6654是一个宽带中频到基带的解调器。为了验证其特性,基于我们的现有条件,将其接成如图1所示的形式。即:首先,用DTV调制器生成射频DTV信号,然后用高频头将其变为中频,例如,36MHz,接着
2021-03-17 10:50:59
1532 
DN432 - 用于软件定义 UHF RFID 阅读器的可编程基带滤波器
2021-03-18 21:10:12
10 CN0320:基于IQ解调器,具有中频和基带可变增益以及可编程基带滤波功能的中频至基带接收机
2021-03-18 23:25:41
0 可编程基带滤波器用于软件定义的 UHF RFID 阅读器
2021-03-20 16:50:23
1 DN482-一种低功耗、可变增益的直接数字中频接收机
2021-04-16 18:29:48
5 LTM9002:14位、125Msps双通道中频/基带接收器子系统产品手册
2021-04-23 14:04:15
7 LTM9001-A/LTM9001-B:16位中频/基带接收器子系统数据表
2021-04-24 11:39:40
1 LTM9001-GA:16位、25Msps中频/基带接收器子系统数据表
2021-04-26 19:41:34
1 AD6652:12位、65 MSPS中频至基带分集接收器数据表
2021-04-30 16:38:02
10 DC696A:LT5546具有17MHz基带带宽的40MHz至500MHz VGA和I/Q解调器演示板。
2021-05-28 10:26:46
0 该电路是灵活的频率捷变中频至基带接收机。中频和基带上的可变增益用于调整信号电平。 ADRF6510 基带ADC驱动器还包括可编程低通滤波器,可消除通道外阻塞和噪声。此滤波器的带宽可随着输入信号带宽
2021-06-03 19:16:06
2 本电路是灵活的频率捷变直接变频中频至基带接收机,其5 dB固定转换增益可降低级联噪声系数。可变基带增益用来调节信号电平。基带ADC驱动器还包括可编程低通滤波器,可消除通道外阻塞和噪声。此滤波器的带宽
2021-06-05 20:45:59
6 通信威廉希尔官方网站
发展至今,每个人都离不开它的存在。通信系统的核心主要在于物理层,物理层的关键在基带。在通信系统中,逻辑开发工程师主要工作就在基带和射频部分,甚至射频都不在从事的任务内。今天给大家简单讲讲基带接收机中的信道均衡威廉希尔官方网站
,主要取材于sharetechnote。
2022-10-17 09:25:22
1387 零中频接收机,是直接将射频变频到基带,即中频为0.
2023-02-03 10:07:49
3985 许多工业/科学/医疗(ISM)频段射频(RF)接收器使用外部Sallen-Key数据滤波器和数据切片器来生成基带数字输出。本教程介绍ISM-RF基带计算器,该计算器可用于计算滤波电容值和数据切片器RC组件,同时提供基带信号的可视化示例。
2023-03-06 17:40:40
619 
一对匹配的可编程滤波器和可变增益放大器(VGA)
2022-05-05 17:24:52
597 
在零中频架构的一个痛点----直流偏移和二阶失真产物-零中频接收机的另一个痛点,讲了零中频接收机的两个痛点。
2023-08-23 14:02:43
869 
零中频接收机的中频为DC,而二阶失真产物,为DC和低频产物,所以二阶失真也是影响零中频接收机性能的痛点之一。
2023-08-23 14:03:52
1937 
中频采样是什么意思?中频采样与基带采样的区别 中频采样与基带采样都是数字信号处理中常用的采样威廉希尔官方网站
,它们的区别在于采样信号的频率不同。基带采样是指在信息原始频域内进行采样,而中频采样是指在信号已经
2023-10-22 11:24:39
1146 。而中频采样和IQ采样是两个在接收过程中常用的采样方式。本文将详细介绍什么是中频采样和IQ采样,以及它们之间的比较和转换。 一、什么是中频采样? 中频采样又称IF采样,是在无线电接收机中广泛用于对接收信号进行数字化处理的一种采样
2023-10-22 11:24:42
2239 
评论