想找一份关于16*32LED电子广告屏的汇编程序设计,和VB设计的上位机程序,实现上位机输入汉字,在LED显示屏上显示。
2015-04-19 09:42:41
LED显示屏 型号:HBTZ---916本公司供应LED显示屏,品牌河北泰泽,型号HBTZ---916。质量保证,欢迎咨询洽谈。
2013-08-14 11:33:18
显示屏 LED显示屏(LED panel):LED就是light emitting diode ,发光二极管的英文缩写,简称LED。它是一种通过控制半导体发光二极管的显示方式,其大概的样子就是由很多
2012-09-05 14:17:54
引言目前,LED大屏幕显示系统按数据传输方式分为两类:一是同步实时显示,即计算机显示系统的内容同时在LED视频显示屏上显示;二是异步通信更新数据显示,计算机通过USB、通用串行接口、以太网等通信方式
2020-03-19 08:10:59
LED显示屏控制系统设计
2021-03-17 08:14:37
本帖最后由 gk320830 于 2015-3-5 01:35 编辑
LED显示屏P10单色单元板电路图
2014-08-13 12:50:38
灯正确的插入PCB电路板的孔中,(LED灯的长脚为正极,短脚为负极,PCB上 “方孔”为LED正极针脚插孔,“圆孔”为LED的负极针脚插孔),将少许焊锡丝融化,黏合在烙铁头上,用镊子调整好LED显示屏
2018-05-31 10:42:14
`简单地讲LED显示屏就是由若干个可组合拼接的显示单元(单元显示板或单元显示箱体)构成屏体,再加上一套适当的控制器(主控板或控制系统)。所以多种规格的显示板(或单元箱体)配合不同控制威廉希尔官方网站
的控制
2011-07-30 08:45:35
规格。户外显示屏用的象素模块因为其每一象素由两只以上LED管束组成,故又称其为集管束模块。3.象素(Pixel)与象素直径LED显示屏中每一个可被单独控制的LED发光单元(点)称为象素(或象元)。象素
2012-06-05 11:41:24
科技带来了生活的进步,在LED显示屏行业,威廉希尔官方网站
也是日新月异,下面我们来看看近年来比较火热的威廉希尔官方网站
应用。 3G智能LED显示屏 传统LED显示屏威廉希尔官方网站
在2014年这个夏天被彻底颠覆,3G智能云控制
2014-09-17 16:01:19
,LED显示屏产品标准体系的形成及系列标准的实施,LED显示屏产业在向健康有序的方向发展。当前,LED显示屏是一块利润颇丰的市场,除了大型体育场馆,还被广泛的应用在高速公路收费站、公路标识牌、机场
2012-11-14 11:41:30
。深圳迈普光彩为您提供 快捷 高效 优质 专业的LED屏幕安装、维修、维护、升级改造等服务① 为客户安装、维护LED显示屏控制系统(单双色、室内外全彩色),快速响应解决问题.② 为客户改造LED显示屏
2020-07-17 17:51:21
LED显示屏的PCB应注意哪些,灯驱合一和灯驱分离的,谢谢···
2011-11-27 11:28:37
和16,777,216种颜色。(3) 按控制或使用方式分同步和异步同步方式是指 LED 显示屏的工作方式基本等同于电脑的监视器, 它以至少 30 场 / 秒的更新速率点点对应地实监视器上的图时映射电脑像 , 通常
2019-03-04 10:34:02
应用和显示屏。显示屏应用规模仍维持一个相对稳定快速增长趋势,尤其是随着小间距LED显示屏威廉希尔官方网站
的成熟,LED显示屏应用将逐渐从室外超大尺寸显示应用走向室内,应用领域将会显著拓宽,预计未来几年将会保持非常高速
2020-11-03 06:28:29
有朋友设计过LED显示屏的灰度时序或写过相关的程序嘛?
2015-11-20 10:57:00
led户外广告显示屏的发展呈现哪几个发展阶段?高清户外LED显示屏规格以及产品描述优势是什么?节能户外LED显示屏规格以及产品描述主要特点是什么?
2021-06-02 07:08:28
diode LED发光二极管的英文缩写3.2 LED显示屏 LED panel 通过一定的控制方式,用于显示文字、文本、图形、图像、动画、行情等各种信息以及电视、录像信号并由LED器件阵列组成的显示屏
2011-07-30 08:55:17
最近准备画一个5026双层板的1024像素的显示屏,完全找不到头绪,希望能有高手给个原理图和PCB的板图借鉴一下
2014-08-29 14:25:25
。 第二部分: LED显示屏的系统组成架构 (1)显示单元 这是LED显示屏幕的主体部分,由发光材料及驱动电路构成。室内屏幕就是各种规格的单元显示板,室外屏幕就是单元箱体。 (2)主控制器 作用
2019-09-07 09:45:28
广泛应用的图文显示屏,在介绍 它的基本组成之后,对各部分电路进行了深入的分析,并给出了完整实用的硬件电路图和全部汇编语言 程序清单.第三章的内容是图像显示屏,侧重分析了LED显示屏的灰度控制方法,并介绍了
2008-10-27 10:30:17
随着现代化发展,能源不断的消耗,资源不断的缺乏,生产规模不断扩大,LED显示屏也随着在这些场所被广泛使用,在商场、道路交通、公告板等都广泛使用LED,同时电力资源的短缺,电能供需矛盾也日益突出。一
2012-12-12 16:22:39
,或者按照离散规律设计的插灯图进行插灯,以保证整屏每种颜色亮度的一致性。此工序如果出现问题,会出现显示屏局部亮度不一致的现象,直接影响LED显示屏的显示效果。 5、 控制好灯的垂直度对于直插式LED来说
2012-09-20 15:57:10
、LED显示屏、LED控制卡、专用LED智能终端四大部分。 二、四信LED远程发布C/S架构特点l智能的服务器数据库管理,最多可容纳5000个LED终端同时在线l远程PC电脑安装客户端后,输入用户名和密码
2013-10-23 15:47:38
LED显示屏驱动芯片应用及发展LED显示屏作为一项高科技产品引起了人们的高度重视,采用计算机控制,将光、电融为一体的大屏幕智能显示屏已经应用到很多领域。LED显示屏的像素点采用LED发光二极管,将
2017-10-11 18:32:25
如何鉴别LED灯珠的优劣?LED灯珠对LED显示屏的影响有哪些?
2021-05-31 06:11:45
我有一个4个字的LED16*64的显示屏,电路是这样的:MCUSTC89C51 P1.0-P1.7控制8个SD772为列驱动。P2.0-P2.3控制16个74HC595为点阵的行驱动。请老师们说说它的编程思路和方法。谢谢!
2013-09-22 13:00:26
16x32点阵显示屏1)显示屏通过按键切换显示数字和字母;2)能显示4组特定汉字组成的句子,通过按键切换显示内容。16x64点阵显示屏1)显示屏亮度可连续调节2)实时时间显示3)增大到10组(每组汉字8个或16个数字和字符)预存信息,信息具有掉电保护;
2015-03-10 11:20:14
本课题设计运用了一种以单片机 AT89S52 为控制器的 LED 点阵书写显示屏系统的设计。本设计介绍了在单片机控制下,由 4 个 8×8LED 点阵模块组成的 16×16LED 点阵模块为显示屏
2018-01-12 14:58:28
本人要做毕业设计希望大牛们可以指点一二 我想在led显示屏显示交通信息 不知道原理和电路图 希望牛人们可以给与解答不胜感谢啊
2013-05-28 13:55:19
、led电源专用系列、led电源线、排线、各种螺丝、led控制系统、航空插头、航空箱等材料组成。 1.室内led显示屏屏体一般是包括箱体、模组、电源、连接线材等(室内固定安装的屏根据实际情况可以不用箱体
2016-05-20 10:08:41
本文作者:深圳大元led显示屏有很多种类,可以从显示颜色划分,可以从型号划分,可以从应用环境划分,可以从显示功能划分,也可以从封装方式划分。led显示屏厂家--深圳大元一、从颜色来分,led显示屏
2020-06-20 13:07:45
本文作者:大元智能说起led显示屏,现在使用多的不再是单色了。单色、字幕滚动led显示屏,在很早之前就固定了我们的脑海,虽然现在外面也常有见到,但是现在市场需求更倾向于科技化与功能化,现在使用较多
2020-09-14 16:56:24
无处不在。然而,随着显示屏的当前流行和应用,LED屏幕在使用过程中常常出现无法加载内容的情况,在使用显示器时,也会导致黑屏现象。以下是详细的分析。1.检查并确认用于连接到控制器的串行电缆是直通电缆,而
2020-08-10 18:05:03
`现有LED二次开发控制卡 V4.0字库控制卡 串口通讯 简单易用可选232(使用23交叉串口线)或485(4+7-),还有一块LED显示屏。求问如何用LabVIEW控制LED显示屏上显示的内容?`
2017-04-20 16:20:41
目前在做一个课题,要用labview通过PC端的GSM模块无线控制LED显示屏显示。 现在在labview上做好了模拟的LED点阵,但是不知道怎么将对点阵的控制通过GSM传输给 LED显示屏(PS:LED显示屏上也接了GSM模块) 请各位帮帮忙,给个提示。
2013-05-07 10:10:03
显示领域的主导之一。本文着重介绍用M4A5-128P64-10VC设计LED显示屏的控制电路。 1 LED显示屏的构成 在LED显示系统中,点阵结构单元为其基本构成。每个显示驱动单元又是若干个8×8
2011-08-08 09:33:30
作为大型平板显示设备的一种,LED 显示屏以其使用寿命长、维护费用低、功耗低等特点在显示领域占有重要的位置。
2019-11-11 07:48:26
作为大型平板显示设备的一种,LED 显示屏以其使用寿命长、维护费用低、功耗低等特点在显示领域占有重要的位置。特别在近年,带有红、绿、蓝三基色以及灰度显示效果的全彩LED 显示屏,以其丰富多彩的显示
2019-09-20 06:47:10
你好,请问有研究过全彩色LED显示屏的吗?有些问题想要请教
2016-09-26 16:13:01
关于LED显示屏中的自动亮度控制的知识点总结的太棒了
2021-06-03 06:06:24
本文主要讨论了电子显示屏系统硬件电路的具体问题,并且对如何才能实现系统功能进行了论证, 设计采用动态扫描方案,通过字模来点亮显示屏,达到显示所要求内容的目的。
2021-05-31 06:48:39
LED显示屏具有成本低、寿命长、功耗小、工作温度范围宽等优点,广泛应用于文字及图像信息的显示。整个系统一般分为3个部分:上位机,显示屏控制电路和LED阵列及其驱动。
2020-03-13 07:21:42
创意led高清显示屏产品型号齐全多样,创意造型百变无一,超创意方案创作经验丰富。如果有关于创意led显示屏相关问题,欢迎联系创意led显示屏厂家--大元智能。
2020-07-18 12:07:27
地铁列车LED显示屏电路图设计
2012-08-06 12:39:51
LED显示屏控制系统的原理是什么?LED显示屏控制系统是由哪些部分组成的?怎样去设计一种基于LPC2210的LED显示屏控制系统?
2021-06-07 06:27:45
显示屏的FPGA控制模块。 2LED显示屏基本工作原理 对大屏幕LED显示屏来说,列显示数据通常采用的是串行传输方式,行采用1/16的扫描方式。图2为1632点阵屏单元模块的基本结构,列驱动电路采用4
2011-08-19 08:48:06
本文介绍一种实现LED点阵显示屏的动态显示和控制的解决方案。
2021-05-31 06:58:25
全彩LED显示屏实现高清显示要有两个基本前提,一个是视频片源一定是高清的,二是你的LED显示屏还得支持高清显示才可以实现。那么除了前面说的两个基本前提之外,如何让全彩LED显示屏变得更高清呢?下面给大家分析分析。
2020-07-30 06:44:45
怎么在led显示屏控制软件中设置屏参数?如何在led显示屏控制软件编辑节目?如何在led显示屏控制软件中发送节目?
2021-06-01 06:11:18
怎么实现基于LED显示屏软件设计?
2021-06-04 06:24:13
本文利用最新的HDMI 1.3威廉希尔官方网站
设计了一款智能显示屏控制器,将HDMI威廉希尔官方网站
应用到LED显示屏行业,从而将LED显示屏的显示性能和效果提高了一大步。
2021-06-07 06:48:58
对LED显示屏产品的采用将会以全彩高画质为主,因此需要在LED大屏幕显示控制威廉希尔官方网站
和新产品设计方面随时把握市场趋势,攻克高端产品的相应威廉希尔官方网站
难关并完成高端新产品的研制。 本文结合国内外LED显示屏威廉希尔官方网站
,重点阐述影响LED显示屏显示效果的相关指标及关键威廉希尔官方网站
的发展趋势。
2021-03-02 08:03:05
怎么计算LED显示屏屏体大小及亮度/
2021-06-07 06:08:13
LED显示屏控制系统的工作原理是什么?怎样去设计一种无线LED显示屏控制系统?
2021-05-31 06:17:04
`户外led显示屏防雷方案一、 显示屏目前现状长20米的LED显示屏安装在梧州某开发区空旷地带,属于高雷暴地区,周边没有高大建筑物作为防护。显示屏没有做任何防雷保护二、 防雷方案1、直击雷的防护该
2015-12-24 18:03:32
什么是LED?LED显示屏是如何进行分类的?可分为哪几类?LED显示屏的特点有哪些?如何去计算LED显示屏的大小?
2021-08-02 10:35:01
led显示屏工作原理是什么?led显示屏系统是如何组成的?led显示屏系统有哪些功能?
2021-06-01 07:25:15
全彩显示屏包含的LED像素点多,在生产、制造的过程中都难免会出现各种问题,将导致某个LED像素点不亮,或产生亮度、色度差。所以,这类检测方案对单个LED像素点的校正效果较差,显示效果改善有限。作为补偿
2019-11-18 09:24:50
实践证明,该系统显示误差小,性能稳定,结构合理,扩展能力强。 单片机系统外围电路 电源电路图 显示屏电路框图 毕业设计详情见PDF文档(点击PDF文档下载)
2012-12-12 14:10:36
求全彩LED显示屏控制器的FPGA设计的VHDL代码,不胜感激!!!
2015-11-14 01:57:35
的主导之一。本文着重介绍用M4A5-128P64-10VC设计LED显示屏的控制电路。1 LED显示屏的构成在LED显示系统中,点阵结构单元为其基本构成。每个显示驱动单元又是若干个8×8点阵的LED显示
2011-07-21 09:01:17
的卖点和市场占有率。在这里信恩光电为您提供其中一款led数码管显示屏做下了解。蓝牙耳机led数码管屏工厂直供蓝牙耳机led数码管屏实物图蓝牙耳机led数码管屏引脚图蓝牙耳机led数码管屏电路图以上信息来源于信恩光电网站。需要更多信息请联系我们,http://www.xinengd.com。`
2020-07-16 16:40:44
怎样去选择LCD显示屏的器件?怎样去设计一种LED驱动电路?
2021-06-03 06:56:33
跪求逆变电源的单片机控制系统设计(12v变成幅值、频率可调的交流电),带显示屏的资料和电路图还有PCB图。)
2014-11-20 19:52:13
显示屏控制板。此次推出参考设计方案,有NUC472以太网方案,以及 M452 精简型方案。NUC472以太网方案可通过Ethernet、USB、Bluetooth更换显示屏字幕,支持单色LED达80K点
2016-07-29 11:08:19
一 . william hill官网
中汇翰骑LED透明显示屏灌封流水线可应用于透明显示屏、贴膜屏、晶贴屏、软膜屏等产品封装;智能LED透明显示屏是具有多种可扩展性的高科技建材产品,它适用于各种应用场景,例如大型商场
2021-11-05 14:48:31
一 . william hill官网
中汇翰骑透明LED显示屏灌封设备可应用于显示屏、贴膜屏、晶贴屏、软膜屏等产品封装;智能透明LED显示屏灌封设备是具有多种可扩展性的高科技建材产品,它适用于各种应用场景,例如大型商场
2021-11-23 09:47:32
一 . william hill官网
中汇翰骑透明LED显示屏灌胶流水线可应用于透明显示屏、贴膜屏、晶贴屏、软膜屏等产品封装;显示屏是具有多种可扩展性的高科技建材产品,它适用于各种应用场景,例如大型商场、大幕墙、玻璃橱窗
2021-11-25 15:50:48
一 . william hill官网
中汇翰骑透明LED显示屏灌封流水线可应用于透明显示屏、贴膜屏、晶贴屏、软膜屏等产品封装;智能LED透明显示屏是具有多种可扩展性的高科技建材产品,它适用于各种应用场景,例如大型商场
2021-11-29 11:02:28
william hill官网
中汇翰骑透明LED显示屏灌胶设备可应用于透明显示屏、贴膜屏、晶贴屏、软膜屏等产品封装;LED透明显示屏是具有多种可扩展性的高科技建材产品,它适用于各种应用场景,例如大型商场、大幕墙、玻璃橱窗
2022-02-25 11:14:11
晶锐创显小间距LED显示屏的概念:LED 显示屏(LED display):一种平板显示器,由一个个小的LED模块面板组成。 LED发光二极管(light emitting diode缩写)。它是
2022-05-24 10:03:37
晶锐创显LED透明屏的概念:LED透明屏是一种新型的透明LED显示屏,具有透明显示、应用简单、智能操控、高亮节能的特性。透明LED显示屏实现原理是对灯条屏的再创新优化,对贴片工艺、灯珠、控制系统的都
2022-05-24 11:28:26
P4全彩led显示屏户外LED显示屏深圳联德森科技led电子显示屏 室内外led显示屏/led透明屏/智慧屏/天幕屏/地砖屏/异形屏定制,厂家直供,劲省30%采购成本  
2022-11-23 15:27:10
大屏幕LED显示屏的高速控制设计
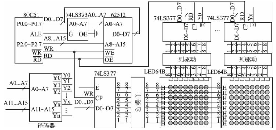
以MCS51系列单片机为例,介绍单片机对大屏幕LED显示屏的一种高速控制方案。单片机对LED显示屏
2009-03-29 15:13:14
652 
LED立体声显示屏控制电路图
2009-06-16 15:34:42
1222 
以MCS51系列单片机为例,介绍单片机对大屏幕LED显示屏的一种高速控制方案。单片机对LED显示屏的显示控制,一般是先从数据存储器读取数据,然后将数据写给LED点阵片。本方案的创新点是:用一条对外部数据存储器的读指令,同时完成对外部数据存储器读和对LED点
2011-01-15 16:22:41
1680 
地铁列车LED显示屏电路图设计:
2012-05-15 15:47:03
92 单片机和LED灯的结合会显示出更大功效,本文就如何高速控制LED显示屏给出了详细电路原理图,并进行了改进方案。
2012-12-03 11:02:20
2162 室外P10LED显示屏电路图走线
2017-06-02 08:54:22
222 价位;对商场用LED显示屏主要用来播放广告、产品介绍等,这类LED显示屏一般由全点阵LED构成.可见,LED显示屏的构成不尽相同,这样就使其控制线路多种多样,下面介绍几种LED显示屏的控制电路. 1数据并行传输方式 电路如图l所示,该电路结构简单,数据
2017-11-12 11:41:39
53
评论