越来越多的手机、PDA、数码相机和视屏游戏机采用STN-LCD全彩色显示器,因此,STN-LCD彩屏模块(LCM—LCD Module)的需求量激增,国产的LCD液晶显示器的质量已可与国外的媲美,许多手机设计、生产厂商开始要求使用国内LCD厂家生产的LCD彩屏模块。 2001年全世界生产手机3.8亿部,2003年将增长到4.3亿部,2005年将增长到5.2亿部。2004年LCM彩屏手机会占整个手机产量的35- 40%,因此STN-LCD彩屏模块(LCM)的年需求量会增长到几亿块。 
LCM内部结构
           
STN-LCD彩屏模块的内部结构如图1所示,它的上部是一块由偏光片、玻璃、液晶组成的LCD屏,其下是白光LED和背光板,还包括LCD的驱动IC, 和给LCD驱动IC提供一个稳定电源的低压差稳压器(LDO),二到八颗白光LED,LED驱动的升压稳压IC。
LCM电路结构
                
STN -LCD彩屏模块的电路结构如图2所示,外来电源Vcc经LDO降压稳压,向LCD驱动IC如三星的S6B33BOA提供工作电压,驱动彩色STN- LCD的液晶显示图形和文字;外来电源Vcc经电荷泵升压稳压,向白光LED如99-21UWC提供恒定的恒压、恒流电源,LED的白光经背光板反射,使 LCD液晶的65K色彩充分表现出来,LED的亮度直接影响LCD色彩的靓丽程度。
LCM主要光电器件
l Colour STN-LCD
l LCD Driver : S6B33BOA
l LCD Driver LDO :AAT3221-2.8V AAT3221-3.0V
l White LED : 99-21UWC/TR8 99-215UWC/TR8
l LED Driver : AAT3110 AAT3113 AAT3123 AAT3134 NCP5007 NCP5008/9
l Backlight Board
LCD
LCD液晶显示器是英文Liquid Crystal Display的简称,LCD属于平面显示器的一种,依驱动方式来分类可分为静态驱动(Static)、单纯矩阵驱动(Simple Matrix)以及主动矩阵驱动(Active Matrix)三种。其中,被动矩阵型又可分为扭转式向列型(Twisted Nematic;TN)、超扭转式向列型(Super Twisted Nematic;STN)及其它被动矩阵驱动液晶显示器;而主动矩阵型大致可区分为薄膜式晶体管型(Thin Film Transistor;TFT)及二端子二极管型(Metal/Insulator/Metal;MIM)二种方式。TN、STN及TFT型液晶显示器因其利用液晶分子扭转原理之不同,在视角、彩色、对比及动画显示品质上有高低层次之差别,使其在产品的应用范围分类亦有明显区隔。以目前液晶显示威廉希尔官方网站 所应用的范围以及层次而言,主动式矩阵驱动威廉希尔官方网站 是以薄膜式晶体管型(TFT)为主流,多应用于笔记本电脑及动画、影像处理产品。而单纯矩阵驱动威廉希尔官方网站 目前则以扭转向列(TN)、以及超扭转向列(STN)为主,STN液晶显示器经由彩色滤光片(color filter),可以分别显示红、绿、蓝三原色,再经由三原色比例之调和,可以显示出全彩模式的真彩色。目前彩色STN-LCD的应用多以手机、PDA、数码相机和视屏游戏机消费性产品以及文书处理器为主。
LCD驱动IC
LCD驱动IC多选用日立、三星公司产品,如三星公司的S6B33BOA是一颗具有很好性能/价格比的65K色彩饱和度的STN-LCD驱动IC。
由于手机、PDA、数码相机和视屏游戏机消费性产品都是以电池为电源的,随着使用时间的增长,电源电压波动较大,LCD驱动IC需要一个稳定的工作电压,因此设计电路时往往经由一个低压差稳压器(LDO)提供一个稳定的2.8V或3.0V电压,如AAT3221。
白光LED
按背光源的设计要求,需要前降电压(VF)、前降电流(IF)小,亮度高(500-1800mcd)的白光LED。以手机LCM为例,目前都使用3 --4颗白光LED,随着LED的亮度增加和手机厂商要求降低成本
和功耗,予计到2004年中LCM都会选用2颗高亮度白光LED(1200— 2000mcd)。PDA和Smartphone由于LCD屏较大会按需要使用4--8颗白光LED。
EL 99-21/215UCW/TR8是具有很好性能/价格比、自带反射镜的白光SMDLED,其亮度分为T、S、R三个等级,T为720-1000 mcd,S为500-720 mcd,都是在手机LCD背光适用之列。其品质等同于NACW215 / NSCW335。
LED驱动
白光LED的驱动需要供给恒定的电压或恒定的电流,而手机电源一开始工作电压就往下降,因而需要升压器件升压、稳压。为了减少升压器件的工作频率对手机射频(RF)的影响,一般选用以电容器为电能传递中间体的电容式电荷泵;以电感器为电能传递中间体的升压器能输出较高电压。
电容式电荷泵的效率按其升压方法分有倍频和分数倍频二种,前者效率约90%,后者效率约93-95%;电感式升压器效率约83-85%;电容式电荷泵按其输出分有恒压输出、恒流输出;按其对LED驱动的方法分有并联恒压驱动、单个恒流驱动、串联恒流驱动;电感式升压器都是恒流输出,输出电压较高,对 LED串联驱动。
倍频升压的电容式电荷泵如AAT3110,5V恒压输出,最大电流120mA,并联驱动LED,如图3所示。
               
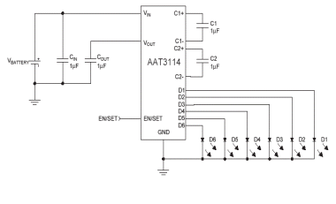
分数倍频升压的电容式电荷泵如AAT3113,有4-6路恒流输出,每路能输出20mA电流,单个恒流驱动LED,具有32级调光功能,如图4所示。AAT3134将输出DAC模块分成二块,其输出可分别驱动双屏显示的大小LCM模块。
                 
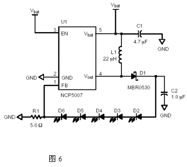
NCP5009是带光敏传感器的背光LED驱动升压器,适用于自动调光的高档手机LCM,对LED串联驱动,如图5所示。NCP5007是可恒流驱动5颗串联的LED、PWM调光的背光LED驱动升压器,如图6所示。
                    
          
新型的电荷泵、升压器输出端内部都内置MOSFET,可动态地调整负载内阻,省却为平衡由于LED内阻不一需要外加的匀流电阻;
开关工作频高的电容式电荷泵其所需的滤波电容器容量也小,对RF的干扰也小。
       
电容器最好选择陶瓷电容器,因为陶瓷电容器无极性和具有较低的等效串联电阻(ESR),典型值小于100mΩ。陶瓷电容器的等效串联电阻值 (ESR)、电介质材料优劣、电容值的大小对输出纹波有重大影响。X7R 电容器电介质是最好的,成本略高;X5R 电容器电介质居中上,可以选用;Y5V 电介质较差,不推荐选用。
                        
                    LCM内部结构

STN-LCD彩屏模块的内部结构如图1所示,它的上部是一块由偏光片、玻璃、液晶组成的LCD屏,其下是白光LED和背光板,还包括LCD的驱动IC, 和给LCD驱动IC提供一个稳定电源的低压差稳压器(LDO),二到八颗白光LED,LED驱动的升压稳压IC。
LCM电路结构

STN -LCD彩屏模块的电路结构如图2所示,外来电源Vcc经LDO降压稳压,向LCD驱动IC如三星的S6B33BOA提供工作电压,驱动彩色STN- LCD的液晶显示图形和文字;外来电源Vcc经电荷泵升压稳压,向白光LED如99-21UWC提供恒定的恒压、恒流电源,LED的白光经背光板反射,使 LCD液晶的65K色彩充分表现出来,LED的亮度直接影响LCD色彩的靓丽程度。
LCM主要光电器件
l Colour STN-LCD
l LCD Driver : S6B33BOA
l LCD Driver LDO :AAT3221-2.8V AAT3221-3.0V
l White LED : 99-21UWC/TR8 99-215UWC/TR8
l LED Driver : AAT3110 AAT3113 AAT3123 AAT3134 NCP5007 NCP5008/9
l Backlight Board
LCD
LCD液晶显示器是英文Liquid Crystal Display的简称,LCD属于平面显示器的一种,依驱动方式来分类可分为静态驱动(Static)、单纯矩阵驱动(Simple Matrix)以及主动矩阵驱动(Active Matrix)三种。其中,被动矩阵型又可分为扭转式向列型(Twisted Nematic;TN)、超扭转式向列型(Super Twisted Nematic;STN)及其它被动矩阵驱动液晶显示器;而主动矩阵型大致可区分为薄膜式晶体管型(Thin Film Transistor;TFT)及二端子二极管型(Metal/Insulator/Metal;MIM)二种方式。TN、STN及TFT型液晶显示器因其利用液晶分子扭转原理之不同,在视角、彩色、对比及动画显示品质上有高低层次之差别,使其在产品的应用范围分类亦有明显区隔。以目前液晶显示威廉希尔官方网站 所应用的范围以及层次而言,主动式矩阵驱动威廉希尔官方网站 是以薄膜式晶体管型(TFT)为主流,多应用于笔记本电脑及动画、影像处理产品。而单纯矩阵驱动威廉希尔官方网站 目前则以扭转向列(TN)、以及超扭转向列(STN)为主,STN液晶显示器经由彩色滤光片(color filter),可以分别显示红、绿、蓝三原色,再经由三原色比例之调和,可以显示出全彩模式的真彩色。目前彩色STN-LCD的应用多以手机、PDA、数码相机和视屏游戏机消费性产品以及文书处理器为主。
LCD驱动IC
LCD驱动IC多选用日立、三星公司产品,如三星公司的S6B33BOA是一颗具有很好性能/价格比的65K色彩饱和度的STN-LCD驱动IC。
由于手机、PDA、数码相机和视屏游戏机消费性产品都是以电池为电源的,随着使用时间的增长,电源电压波动较大,LCD驱动IC需要一个稳定的工作电压,因此设计电路时往往经由一个低压差稳压器(LDO)提供一个稳定的2.8V或3.0V电压,如AAT3221。
白光LED
按背光源的设计要求,需要前降电压(VF)、前降电流(IF)小,亮度高(500-1800mcd)的白光LED。以手机LCM为例,目前都使用3 --4颗白光LED,随着LED的亮度增加和手机厂商要求降低成本
和功耗,予计到2004年中LCM都会选用2颗高亮度白光LED(1200— 2000mcd)。PDA和Smartphone由于LCD屏较大会按需要使用4--8颗白光LED。
EL 99-21/215UCW/TR8是具有很好性能/价格比、自带反射镜的白光SMDLED,其亮度分为T、S、R三个等级,T为720-1000 mcd,S为500-720 mcd,都是在手机LCD背光适用之列。其品质等同于NACW215 / NSCW335。
LED驱动
白光LED的驱动需要供给恒定的电压或恒定的电流,而手机电源一开始工作电压就往下降,因而需要升压器件升压、稳压。为了减少升压器件的工作频率对手机射频(RF)的影响,一般选用以电容器为电能传递中间体的电容式电荷泵;以电感器为电能传递中间体的升压器能输出较高电压。
电容式电荷泵的效率按其升压方法分有倍频和分数倍频二种,前者效率约90%,后者效率约93-95%;电感式升压器效率约83-85%;电容式电荷泵按其输出分有恒压输出、恒流输出;按其对LED驱动的方法分有并联恒压驱动、单个恒流驱动、串联恒流驱动;电感式升压器都是恒流输出,输出电压较高,对 LED串联驱动。
倍频升压的电容式电荷泵如AAT3110,5V恒压输出,最大电流120mA,并联驱动LED,如图3所示。

分数倍频升压的电容式电荷泵如AAT3113,有4-6路恒流输出,每路能输出20mA电流,单个恒流驱动LED,具有32级调光功能,如图4所示。AAT3134将输出DAC模块分成二块,其输出可分别驱动双屏显示的大小LCM模块。

NCP5009是带光敏传感器的背光LED驱动升压器,适用于自动调光的高档手机LCM,对LED串联驱动,如图5所示。NCP5007是可恒流驱动5颗串联的LED、PWM调光的背光LED驱动升压器,如图6所示。


新型的电荷泵、升压器输出端内部都内置MOSFET,可动态地调整负载内阻,省却为平衡由于LED内阻不一需要外加的匀流电阻;
开关工作频高的电容式电荷泵其所需的滤波电容器容量也小,对RF的干扰也小。
电容器最好选择陶瓷电容器,因为陶瓷电容器无极性和具有较低的等效串联电阻(ESR),典型值小于100mΩ。陶瓷电容器的等效串联电阻值 (ESR)、电介质材料优劣、电容值的大小对输出纹波有重大影响。X7R 电容器电介质是最好的,成本略高;X5R 电容器电介质居中上,可以选用;Y5V 电介质较差,不推荐选用。
                        电子发烧友App
                    
                
                
          
        
        


















           
            
            
                
            
评论