|
|
Purpose
The purpose of this document is to provide an examination of the DS1802 Dual Digital Potentiometer's audio characteristics. Test circuits were developed with the goal of measuring absolute error between tap points, inter-channel matching or tracking between the two potentiometer wipers, total harmonic distortion (THD), intermodulation distortion (IMD), and cross-talk. Additionally, data is provided for mute levels for each potentiometer, as well as active and standby current as a function of temperature and voltage. For this report, tests are restricted to the range of frequencies 20Hz to 20kHz.
Test Circuit Configuration
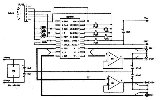
To evaluate the DS1802's audio performance, the circuit of Figure 1 was constructed. As shown, this circuit consists of two NE5532 Op Amps connected in a non-inverting unity gain configuration. Inputs to these buffer stages were taken from each wiper of the DS1802.
Figure 1. Test configuration circuite.
Several steps were taken to minimize the effects of extraneous noise on measurement data. Shielded cabling was used on all inputs and outputs from (or to) the DS1802 and NE5532 Op Amps. All ground signals were tied to a common point and power supplies were capacitively coupled to ground using 10 µF capacitors. Additionally, both the DS1802 and NE5532 Op Amps used separate power supplies.
Once assembled, this circuit was mounted inside a metal testbox to provide additional protection against coupling of random noise from external sources such as computer monitors, lights, etc. BNC connectors were used for inputs and outputs to test equipment.
Test Measurement Equipment
Audio measurements were performed using the Audio Precision-System One A version audio analyzer under PC-control. This test equipment provided the means of measuring THD+N, IMD, cross-talk, absolute error, and inter-channel matching.
Test Measurements Performed
As stated in the scope of this document, device tests were completed on absolute error between tap points, inter-channel matching, THD+N, IMD, cross-talk, mute-levels, and device current characteristics as a function of temperature. These tests and data are presented in the following pages of this section of the report.
Absolute Error and Summary
Absolute error is defined as the difference between the expected voltage output and the measured voltage output at a given wiper position. The DS1802 is specified to provide an absolute tolerance of ± 0.5 dB for any given wiper position. For example, wiper position 48 would be expected to provide -48 dB ± 0.5 dB of signal attenuation difference relative to wiper position 0 (or the input signal if connected to the high-end terminal of the potentiometer).Graphical data is presented in Figures 2 and 3 for a sample set consisting of five units of the DS1802. Figure 2 presents actual data for the five devices tested. Figure 3 further summarizes this data by presentation of the calculated average. The absolute error data taken in these tests indicate the DS1802 performs well within specified data sheet limits of ± 0.5 dB.

Figure 2. DS1802 Absolute error.

Figure 3. DS1802 Average absolute error.
Inter-Channel Matching
The DS1802 has two potentiometers per device. Inter-channel matching provides a way to measure how closely the wiper positions of each potentiometer match. Inter-channel matching is defined as the difference between the same wiper positions of potentiometer 0 and potentiometer 1. For example, wiper position 15 of potentiometer 0 and potentiometer 1 should differ by no more than ± 0.25 dB by specification of the DS1802.Figure 4 provides actual data taken on the units, while Figure 5 shows a summary of the average data. Average data for inter-channel matching indicates that this device characteristic falls within a ± 0.05 dB window; which is well within the data sheet specification of ± 0.25 dB.

Figure 4. Inter-channel matching.

Figure 5. Inter-channel matching summary.
Total Harmonic Distortion + Noise (THD+N) vs. Frequency
Total Harmonic Distortion + Noise as a function of frequency is presented in Figures 6, 7, and 8. Figure 6 presents data for a 80kHz bandlimited signal having no additional filtering. The data presented in Figure 7 is bandlimited to 30kHz and includes data filtered using the A-weighting filter. Figure 8 provides data for an input signal bandlimited to 22kHz and corresponding data when filtered using the A-weighting filter. Device and system configuration for this data is taken with the supply voltage of the DS1802 equal to 5 volts, a 1 Vrms input signal, and the wipers of potentiometer 0 and potentiometer 1 set to position 6 (6 dB of attenuation).
Figure 6. %THD+N vs. Frequency 80kHz bandlimited.

Figure 7. %THD+N vs. Frequency 30kHz bandlimited.

Figure 8. %THD+N vs. Frequency 22kHz bandlimited.
By setting the wiper position of the potentiometer at some level other than position-0 allows the potential user of the DS1802 to view distortion of the part as the input signal covers some portion of the resistor array. A position setting of 0 primarily allows the examination of the input signal source. The position-6 setting used in these tests provides a worst case selection for monitoring %THD+N.
The DS1802 is specified for a %THD+N of 0.002% at 1kHz. This specification is derived using the 80kHz bandlimited input signal at 1Vrms, and a position-6 potentiometer setting. Across the 20Hz to 20kHz frequency range %THD+ N is less than 0.02% maximum with the 80kHz bandlimited signal. Additionally, %THD+N across the 20Hz to 20kHz frequency range is significantly improved using bandlimited signals in conjunction with the A-weighting filter.
The A-weighting filter is a specific noise weighting filter ( ANSI S1.4, IEC Recommendation 179) used to produce noise measurements which correspond well with human observations over the audio frequency range.1 More detailed information concerning this filter can be found in the ANSI specification stated above or in the Audio Measurement Handbook published by Audio Precision, Incorporated.
Intermodulation Distortion (IMD)
Intermodulation distortion data is provided for the SMPTE and the CCIF intermodulation measurement standards. Data is presented as a function of amplitude for each measurement technique and is shown in Figures 9 (for SMPTE) and 10 (for CCIF).
Figure 9. SMPTE Intermodulation distortion vs. amplitude.

Figure 10. CCIF Intermodulation distortion vs. amplitude.
The SMPTE (Society of Motion Picture and Television Engineers) standard specifies a two-sinewave test signal consisting of a low-frequency, high-amplitude tone linearly combined with a high-frequency sinewave at 1/4 the amplitude of the low-frequency tone. The SMPTE specification calls for 60Hz and 7kHz as the two sinewaves. When a non-linear device is subjected to a two-tone test signal, intermodulation products appear as sidebands around the high-frequency tone. The percentage intermodulation distortion is defined as the percentage of amplitude modulation, represented by the second and third order pair of sidebands, of the high-frequency signal. Second order sidebands around the high frequency tone are spaced at a frequency equal to the low-frequency tone (FH ± FL). Third order sidebands are spaced at twice the low-frequency tone or FH ± 2FL. (FH and FL correspond to the highfrequency and low-frequency tones, respectively.2)
CCIF intermodulation distortion testing consists of using two equal-amplitude, high-frequency signals spaced closely in frequency. Signals used for test data presented include 13kHz and 14kHz. The audio analyzer measures only the amplitude of the difference tone or low-frequency product resulting from the two high-frequency test signals. Here, the percentage intermodulation distortion is defined as the percentage of amplitude modulation which the low order or difference signal (FH - FL) represents on the high-frequency signals. Additional information on SMPTE and CCIF can be found in the Audio Measurement Handbook and System One Audio Analyzer User's Manual published by Audio Precision, Incorporated.3
Cross-Talk
Cross-talk measurements were performed using the test configuration diagrams of Figures 11 and 12. The cross-talk analysis is performed by evaluating signals taken from both wipers of the DS1802. In this test, potentiometer 0 is supplied a signal from the Audio Precision analyzer. This signal is returned to the analyzer via the wiper of potentiometer 0 (view either Figure 11 or 12). This signal return is connected to the audio analyzer's channel-A input.
Figure 11. Cross-talk configuration potentiometer 1 open.

Figure 12. Cross-talk configuration potentiometer 1 grounded.
Potentiometer 1 and its wiper (primarily the wiper) are used as the comparison point for signal feedthrough. The high and low terminals, H1 and L1, are either left open circuited, as shown in Figure 11 or grounded as shown in Figure 12. The wiper of potentiometer 1 is connected to the audio analyzer's input via channel-B.
A comparison between the channel-A input and channel-B input of the audio analyzer is then made to determine the level of cross-talk. Graphical data of both the configurations of Figures 11 and 12 are presented in Figure 13.

Figure 13. Cross-talk data.
Wiper Position vs. Temperature
Data is provided concerning each potentiometer's wiper position as a function of temperature. Temperatures evaluated include 0°C, 25°C, and 70°C. Data is provided in Figure 14 and is presented as a tolerance or absolute error as a function of wiper position. For example, wiper position 28 should correspond to a tolerance of 28 dB ±0.5 dB.As can be seen from graphical data, temperature has little or no effect on absolute tolerance.

Figure 14. Wiper position vs. temperature potentiometer 0.
Device Muting Level
The DS1802 provides both a hardware and software mute capability. Data provided in Figures 15 and 16 show mute levels of a sample set of five parts. As shown, mute levels are in excess of -90.0 dB relative to wiper position-0, for both potentiometers over the given sample set. The DS1802 is specified to provide a mute capability of at least -90.0 dB.
Figure 15. Device muting level—potentiometer 0.

Figure 16. Device muting level—potentiometer 1.
Active Current vs. Temperature
Data for active current is provided for a supply voltage of 5 volts. This data is presented in Figure 17. The DS1802 for this test is configured for zero-crossing detect mode, and pushbutton inputs active. This configuration provides worst-case application of the part for active current usage.For information concerning pushbutton inputs or zero-crossing detection mode, refer to the data sheet of the DS1802.

Figure 17. Active current vs.temperature.
Standby Current @ VCC
Standby current data is provided for supply voltages of VCC = +3.0 and +5.0 volts. The DS1802 configuration for this test has no activity on 3-wire serial ports, pushbutton inputs, or voltage across either potentiometer. Figures 18 and 19 provide graphical data for +3.0 and +5.0-volt operation.
Figure 18. Standby current @ VCC = 3 volts.

Figure 19. Standby current @ VCC = 5 volts.
Conclusions
As stated in the Purpose section of this document, data presented here represents an examination of the audio characteristics of the DS1802. The DS1802 is specified as a 50 k=dual digital potentiometer. The intended use of this data is to provide the audio designer some feel for the performance of the DS1802 in an audio application. Although not a comprehensive report, data provided examines an array of commonly sought after specifications; such as THD+N, intermodulation distortion, and cross-talk.Questions concerning this report or data provided in this report can be directed to 214-450-8167
Bibliography
- Bob Metzler, Audio Measurement Handbook, 1st edition, (Beaverton, Oregon: Audio Precision, 1993), p. 147.
- Bob Metzler, Audio Measurement Handbook, 1st edition, (Beaverton, Oregon: Audio Precision, 1993), p. 37-39.
- Audio Precision, User's Manual Audio Precision System One, 15th Revision, (Beaverton, Oregon: Audio Precision, November 1992), Chapter 16.
电子发烧友App


















评论