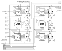
介绍了一款线性LED 驱动方案,用于驱动6串LED 信号灯,每串包含4只串联LED。每串LED 负载具有独立的阳极接点,阴极连接在一起。该电路采用汽车电池供电, 最低电压为10V,最高电压为28V,能够为每串LED 提供350mA 电流。
2014-12-29 09:44:47
1304 
本应用笔记介绍了一款线性LED 驱动方案,用于驱动6串LED 信号灯,每串包含4只串联LED。每串LED 负载具有独立的阳极接点,阴极连接在一起。该电路采用汽车电池供电,最低电压为10V,最高电压
2015-03-20 14:58:22
3627 
51单片机控制交通信号灯说明:最近接了一个小项目,要在一个十字路口用单片机实现交通信号灯的控制我试着用仿真软件做了一下,效果还可以,希望和大家一起学习总体设计仿真图单片机仿真设计部分公路信号灯显示
2021-11-10 08:25:31
信号灯设计,搞了几个小时,程序弄得一团糟,求组大神做个参考一下。
2020-04-07 16:04:03
交通信号灯:模仿交通信号灯,用到的器材有数码管,三个LED灯,arduino控制板。(涉及PWM,I/O数字口,数码管原理)
2019-03-03 15:06:00
本帖最后由 一只耳朵怪 于 2018-5-22 09:03 编辑
labview交通信号灯系统
2018-05-22 08:17:28
名称:交通信号灯 软件:proteus 8 keil 4 语言:C语言 使用说明:本例中,通过proteus模拟交通信号灯,南北和东西各一组交通信号灯,信号灯分红黄绿三色。具体效果可以
2023-04-14 17:42:33
新手写的交通信号灯,请指教。
2015-07-16 21:33:27
调光和 PWM 调光
3 % 的输出电流精度z 高达 97 % 的效率z 输出可调的恒流控制方法
典型应用
低压 LED 射灯
车载 LED 灯
LED 备用灯
LED 信号灯
2023-11-09 16:00:02
求用multisim10设计交通信号灯
2016-01-18 21:07:48
交通信号灯控制器设计电路图,仿真步骤操作具体咋弄,请教大神分享一下经验,再次谢谢大家
2018-12-24 09:14:11
1 该电路原理介绍如下交通信号灯有四种状态 由四位二进制计数器74LS163产生四位二进制数输出 取低两位 借助其异步清零功能 实现从00 01 10 11 四个状态的循环 (74LS163的CLK
2019-09-02 16:57:06
交通信号灯控制系统
2013-12-20 23:47:56
阶段。相位周期,就比较好理解了,就是该相位的信号灯各种灯色轮流显示一次所需的时间总和。还有一些其他术语就不解释了。背后的嵌入式大学里学过单片机的,很多人应该都做过交通信号灯的课程设计或小实验,用定时器
2022-10-27 17:17:43
人防信号灯箱:通风方式信号灯箱与通风方式信号控制箱,人防按钮组成人防控制系统。专用于人防指挥工程、地下隐蔽设施及坑道及军事、准军事项目和普通人防工程地下室的特殊产品。 主要用于工程掩体
2018-12-04 17:15:00
led信号灯是采用led为光源做成的信号灯,交通信号灯由红灯、绿灯、黄灯组成。红灯表示禁止通行,绿灯表示准许通行,黄灯表示警示。LED通行信号灯,用于收费站道口、指挥车辆通行、保证安全。 它可以分
2011-11-08 14:59:41
的电子元件实现了一个交通信号灯拟真。关于STC89C516有关这颗芯片的资料并不是特别多,总的来说这颗芯片算是低配版本的STC89C52,DIP-40封装,程序区仅有4KB,不适合大型程序。芯片引脚图:在本个实验中需要用到GPIO-P0口(作为数码管显示信号)、P1口(作为LED控制信号)、P2口低三
2021-12-08 06:01:41
南极光多功能信号灯既可照明用,也可变色(黄色和红色)作为信号灯用,对机务段行车很实用,本文介绍修理该灯的经验和依实物测绘的电路原理图(见附图),供参考。
2021-04-26 08:02:52
变频器电控柜中。使用的信号灯绝大多数用LED作光源。 LED有灵敏度高。发光效率高等优点。但当它使用在有变频器的电控柜中时,由于变频器是通过PWM脉宽调制方式来改变电压和频率的,其主回路电流含有
2011-04-20 09:18:20
变频器电控柜中。使用的信号灯绝大多数用LED作光源。 LED有灵敏度高。发光效率高等优点。但当它使用在有变频器的电控柜中时,由于变频器是通过PWM脉宽调制方式来改变电压和频率的,其主回路电流含有
2011-06-03 09:37:57
目前,国内交通信号灯普遍采用定周期程控威廉希尔官方网站
,即主要靠经验和以往统计数据确定红绿灯亮灭时间。要实现道路交通的智能化,就要引入变周期交通信号灯控制威廉希尔官方网站
,实时检测路口的交通流量以及拥塞量等数据,根据规则动态地调节信号灯,获得更加满意的通行率。
2020-03-17 07:30:19
利用Labview软件平台编写程序,模拟现实中的交通信号灯,按照红、黄、绿、的顺序依次发光,不同颜色发光的时间不同。 怎么实现?网上找到的大多是智能交通灯设计, 超级新手求指点啊
2014-02-25 16:04:56
本帖最后由 magicsong2008 于 2013-1-14 16:52 编辑
想用一个信号灯的5种不同颜色,分别代表信号通道的5种状态。可是labview信号灯是bool型,只能对应两种
2013-01-14 16:36:04
如何去实现一种计时十字路***通信号灯及公共时钟的设计?计时十字路***通信号灯及公共时钟有哪些功能?如何对计时十字路***通信号灯及公共时钟进行Proteus仿真?
2021-08-11 07:46:11
如何完成一个交通信号灯控制系统的设计?
2021-09-18 07:02:41
医院救护车一般使用蓝色机械旋转式信号灯。本文采用16只超亮度蓝色LED排2只一段、4只一组。共4组LED围成一圈.用循环逐组分段发光来产生旋转效果,以取代机械旋转式信号灯。
2021-04-27 06:32:47
理工科的同学是否还记得那些年做过的实验,通过定时器+LED+数码管实现交通信号灯的演示。当然如此简单的演示方案,肯定不能满足日益复杂的交通现场环境,而现实中的交通信号灯控制是如何做到的呢?交通信号
2022-01-06 09:25:43
理工科的同学是否还记得那些年做过的实验,通过定时器+LED+数码管实现交通信号灯的演示。当然如此简单的演示方案,肯定不能满足日益复杂的交通现场环境,而现实中的交通信号灯控制是如何做到的呢?交通信号
2022-01-12 10:50:47
用8086和8253以及8255A设计一个交通信号灯,并用Proteus仿真
2017-06-21 10:19:42
求数字电路交通信号灯系统的设计
2021-12-30 23:36:56
本帖最后由 huangdewen 于 2015-4-20 10:42 编辑
我们公司要做一个信号灯,视距大于2km 。要求依此计算灯的光强和功率。有没有做光源的大神帮忙给个经验公式,小弟感激不尽!!!!
2015-04-20 10:15:28
用74LS192,74LS168等实现交通信号灯的设计,按照如下电路图。
2016-12-18 18:49:49
模拟设计十字路口的交通灯。具体控制要求如下:1、信号灯受一个启动开关控制,当启动开关接通时,信号灯系统开始工作,且先南北红灯亮,东西绿灯亮。2、当启动开关断开时,所有信号灯都熄灭。3、南北红灯亮维持
2015-05-31 00:10:49
由晶体三极管VT1、VD2组成自激多谐振荡器,其脉冲频率可由电位器W平稳地调节。由三极管VT3组成电子开关,控制信号灯LEDl、LED2、LED3的工作。
2021-04-26 07:20:22
求一个虚拟仪器的交通信号灯系统。各灯按一定频率闪烁的程序。闪烁频率随意谢谢大佬
2020-06-08 10:39:38
`GPIO(LED航情灯、信号灯控制)一、LED1.1 LED简介LED(Light Emitting Diode)即为发光二极管的缩写。LED是一种在生活中非常常见的照明发光器件。LED的在我们
2020-03-27 11:37:07
20w多晶太阳能交通信号灯是一种将太阳能转换成电能的信号指示产品。它由太阳能电池、控制器、交通信号机、免维护蓄电池、信号灯等主要部件组成。与普通信号灯相比,太阳能交通信号灯更环保、节电,因具有蓄电
2022-05-07 10:11:58
城市交通信号灯,采用单片机构成控制系统,可以节约人力资源和降低系统成本,从而有效的提高工作效率。但利用单片机控制交通信号灯涉及到一些现实问题,诸如信号的驱动、
2009-07-10 15:06:00
151 多功能袖珍信号灯(MSL4730/LT红黄绿三色) 用于铁路、电力、消防、油田、石化、冶金、工矿等行业工作场所做信号指示、警示和移动照明
2023-03-30 15:43:28
LED信号灯的二次光学设计
2010-12-16 17:20:08
23 安全信号灯闪烁光控电路
2007-08-17 10:34:31
1197 
交通信号灯控制实验
一、实验目的
1、用PLC构
2007-12-26 22:43:56
7081 
用磁簧开关切换两信号灯电路
2008-08-27 15:17:06
1907 
交通信号灯控制--PLC实验
一、实验目的用
2008-09-23 08:13:44
8764 
实验 交通信号灯的PLC自动控制一.实验目的1. 掌握十字口交通信号灯自动控制理
2008-09-30 12:21:49
5513 
光控频闪安全信号灯电路
2008-12-29 10:08:10
718 
延长信号灯电池的寿命电路
2009-01-21 01:35:10
2476 
机动车信号灯故障自动监测电路
2009-02-14 11:31:36
1045 
用单片机控制的交通信号灯
介绍一种用8031单片机控制的交通信号灯的硬件结构与软件
2009-03-14 15:16:40
1796 
用单片机控制的交通信号灯
介绍一种用8031单片机控制的交通信号灯的硬件结构与软件设计,并给出了其硬件原理图和MCS-51汇编语言源程序。
2009-03-14 15:17:06
6268 
用来驱动信号灯的无稳态多谐振荡器
2009-03-21 09:24:26
498 
使用频闪信号灯电路图
2009-05-06 14:01:35
1954 
信号灯控制电路图
2009-05-08 14:09:20
2857 
交通信号灯的硬件原理图
2009-05-18 21:43:48
4972 
信号 转弯信号灯电路
2009-09-08 17:30:49
689 
变频器电控柜中。使用的信号灯绝大多数用LED作光源。 LED有灵敏度高。发光
2010-12-02 11:33:40
7850 本文提出了一种基于曲面L ED 阵列的光强分布数学模型的新型方法,在推导了曲面L ED 阵列光强分布数学模型的基础上,将其应用于L ED 摩托车信号灯配光设计。
2011-12-26 10:48:14
1663 
模拟交通信号灯,DXP pcb图,电路图
2015-12-22 15:14:25
0 交通信号灯的控制,数字逻辑电路实验内容,内含资料,快来下载
2015-12-24 10:54:07
11 电子标志和信号灯 ,这个上领域很有用的PDF。
2016-01-06 16:50:02
0 基于51单片机的交通信号灯原理图,采用STC89C51单片机、二位数码管倒计时。
2016-05-19 15:32:45
100 站内信号灯断丝定位报警系统
2017-01-18 20:40:33
23 交通信号灯状态监测威廉希尔官方网站
是道路交通信号控制关键威廉希尔官方网站
之一!直接关系到道路交通的安全与通畅$ 文中介绍了
一种新型的多路交通信号灯状态监测方法$ 该方法基于互感检测原理!
2017-08-31 09:31:54
7 LED发光二极管作为一种新 型的光源 ,其应用范 f{;f已经越来 越广泛 ,这也 列 LED应用 的二次光学 设计提出了更高的要求为 丁能充分发挥 LED的光学性能 ,木文在 LED交通信号灯
2017-10-21 10:23:07
10 太阳能交通信号灯是现代交通的发展趋势,随着国家对低碳生活的提倡,太阳能交通信号灯将会越来越普及,与普通信号灯相比太阳能交通信号灯更环保、节电,因具有蓄电功能,在安装时不需要铺设信号电缆,可以有效避免
2017-11-07 10:03:28
5 针对平面交叉口单点全感应控制信号灯系统实时调度问题,提出一种基于层次颜色Petri网的交叉路口的信号灯动态配时控制模型。首先,运用模糊控制理论对车流量信息进行分类定义。其次,以采集到的车流量信息
2017-11-25 11:40:43
12 医院救护车一般使用蓝色机械旋转式信号灯。本文采用16只超亮度蓝色LED排2只一段、4只一组。共4组LED围成一圈。用循环逐组分段发光来产生旋转效果,以取代机械旋转式信号灯。
2018-01-31 10:04:05
4400 
一般医院的救护车的闪光信号灯都是使用蓝色机械旋转式信号灯,本文将蓝色LED等以取代机械旋转式信号灯。 原理电路如附图所示,为了获得逼真的效果.可加用高质量的反射镜。
2018-02-23 10:54:00
3222 
据外媒报道,德国欧司朗日前推出了用于汽车信号灯应用的XLS(eXchangable LED Signal)标准化LED光源。德国欧司朗表示,标准光源和LED威廉希尔官方网站
的结合将彻底改变汽车信号灯行业。欧司朗
2018-06-12 15:06:00
2386 本文主要介绍了基于Multisim仿真的交通信号灯设计.
2018-06-28 08:00:00
70 本文档的主要内容详细介绍的是交通信号灯设计方案详细资料免费下载包括程序等
1、设计一个路口的红、绿、黄三个交通信号灯;设计两个数码管倒计时显示器; 2、设计3个键盘,实现手动控制信号灯; 3、编程
2018-08-30 08:00:00
61 信号灯LEDl、LED2、LED3的工作。
2.元件的选择
VT1~VT3选用型号为9012,C1、C2为电解电容,容量为1 μ F;C3容量为220 μ F,R1、R2、R3
2018-09-20 18:47:13
747 近期,全球照明与科技领导者欧司朗和日本小糸公司宣布将发布一系列标准化LED信号灯。此系列信号灯产品基于原有的系列可交换LED信号灯(XLS) 产品进行开发,符合 UN/ECE (R128)标准。通过
2018-10-22 15:11:45
2024 关键词:LED , 仿真 , 光强分布 , 摩托车信号灯 , 曲面LED阵列 摘 要: 为了解决目前L ED 摩托车信号灯光效低、成本高的问题,提出了一种基于L ED 光强分布数学模型的新方法
2019-03-16 07:04:01
520 
本课题时基于STC89C52单片机的交通信号灯控制系统设计,本系统采用时钟模块,红外检测模块,信号灯显示模块,蜂鸣器报警模块,数码管显示模块。数码管和LED信号灯对左转车道,直行车道和人行道提供
2019-12-04 08:00:00
5 LED交通信号灯的优点非常多。从实际情况中,我们可以总结为下面几个:
2020-06-02 15:49:02
2860 下图是由光敏传感器构成的闪烁信号灯电路。其可制成闪烁信号灯具,用途相当广泛。灯光的闪烁频率通常在0. 1-2Hz范围内。
2020-09-17 10:13:19
2852 
基于WSN的信号灯控制系统设计与实现
2021-05-29 11:52:26
4 利用单片机完成交通信号灯控制器的设计,该交通信号灯控制器由一条主干道和一条支干道汇合成十字路口,在每个入口处设置红、绿、黄三色信号灯,红灯亮禁止通行,绿灯亮允许通行,黄灯亮则给行驶中的车辆有时间停在禁行线外。
2021-06-22 11:14:26
37 医院救护车一般使用蓝色机械旋转式信号灯。
2021-07-05 17:48:40
2687 
信号灯信号灯气密性检测仪如何做信号灯密封性测试?现如今是有着各种各样的类型,一个使用很广泛的信号灯就是交通信号灯,也就是在十字路口指挥交通运行的红、绿、黄信号灯,不同的状态对应了不同的行车状态
2021-11-21 09:26:02
751 "红灯停、绿灯行、黄灯亮了等一等",生活在城市中的我们每天都会见到交通信号灯。笔者是农村的孩子,在我上大学之前是没怎么见过信号灯...
2022-01-25 11:27:16
1 电子发烧友网站提供《简易led后自行车信号灯V1.zip》资料免费下载
2022-08-18 14:47:34
0 的经济损失占城市人口可支配收入的20%,相当于每年国内生产总值(GDP)损失了5%-8%,达到2500亿元人民币。 堵车,一部分原因是交通信号灯不智能。目前,主流应用的交通信号灯普遍是“无脑”的,变化周期固定,造成交通资源浪费。随着科技进步,解决“
2022-09-28 16:43:47
817 
电子发烧友网站提供《停车辅助信号灯开源分享.zip》资料免费下载
2022-10-21 10:24:03
0 电子发烧友网站提供《内置在头盔中的多功能转向信号灯.zip》资料免费下载
2022-11-04 10:28:11
0 本应用笔记介绍了一款线性LED驱动方案,用于驱动6串LED信号灯,每串包含4只串联LED。 每串LED负载具有独立的阳极接点,阴极连接在一起。 该电路采用汽车电池供电,最低电压为10V,最高电压为28V,能够为每串LED提供350mA电流。
2023-06-12 15:24:46
411 
这是一款LED输出3A的DC-DC车灯方案 摩托车灯车灯信号灯射灯
2023-06-16 17:38:12
597 
那么交通信号灯气密性检测仪怎么样的呢,其防水检测是如何进行无损检测的呢?希立仪器将揭开交通信号灯气密性检测仪实现无损检测的神秘面纱,接下来将与大家分享一则交通信号灯IP67防水检测等级案例。
2021-10-22 16:10:07
553 
电子发烧友网站提供《如何使用arduino和Visuino控制交通信号灯.zip》资料免费下载
2023-06-28 16:00:34
0 交通信号控制系统是集现代计算机、通信、和控制威廉希尔官方网站
于一体的区域交通信号实时联网控制系统。本文通过介绍交通信号灯组成,交通信号灯作用,交通信号灯工作原理,向交通信号灯行业厂商推荐了几款arm核心板,可在智能交通信号机主控制柜中应用。
2021-10-27 14:24:40
703 
人行道信号灯通常采用LED灯作为光源。LED信号灯具有节能、环保、能长时间使用等特点,被广泛应用于各种交通信号灯具中,包括人行道信号灯。
2023-10-07 17:43:39
420 随着科技的发展,信号灯在交通、航海、航空等各个领域的应用越来越广泛。为了保证信号灯的稳定性和安全性,对其气密性的检测显得尤为重要。本文将介绍信号灯的气密性检测方法。一、信号灯气密性测试设备的必要性
2024-01-27 11:26:58
120 
评论