iWatt 公司今天为LCD电视背光推出最新的LED驱动器。该新的iW7011 为6个通道的LED驱动器,内置智能数字控制引擎,是针对降低物料成本并简化侧光式和直下式LCD电视而开发的,其数字核心提供直流/直流升压电路的内置控制、精确的LED调光控制、以及LED驱动器的监视与反馈。
2013-03-01 09:34:02
1287 为了降低CCD驱动电路的功耗,提出了基于共模扼流圈的CCD驱动电路设计方案。该方案采用CCD驱动器产生低电压的驱动信号,然后利用共模扼流圈进行电压幅度的放大。
2013-10-24 15:54:48
3370 
LCD是手机上非常重要的部件之一,LCD显示的效果,直接影响着用户的直观感受。 而LCD背光驱动芯片,也是具有影响的其中一个因素。
2014-07-09 09:36:28
17762 背光驱动的要求是任何条件下背光LED的发光亮度不变,即需要构造一个恒流源电路。
2014-09-24 10:22:42
5423 
概述:DS3994是一款4通道冷阴极荧光灯(CCFL)控制器,可用于TV和PC液晶显示器(LCD)的背光电路。DS3994还适合用于大屏LCD,而较低的BOM成本使该器件成为所有LCD TV和显示器
2021-05-17 06:28:48
***it BEEP = P3^6; //蜂鸣器***it DS1820_DQ= P3^3;//单总线引脚***itLCD_CS =P2^0;//LCD片选端***itLCD_SID=P2^1
2013-03-04 19:00:33
DS3882--双通道CCFL控制器,理想用于导航,娱乐终端及仪表盘的LCD背光,也适合航海
2008-12-04 16:15:16
驱动四个白光LED ADM8843白光LED背光驱动器的典型应用。 ADM8843采用电荷泵威廉希尔官方网站
,可驱动多达四个LED。 LED用于对彩色LCD显示器进行背光照明,该显示器具有调节恒定电流以获得均匀
2019-03-19 10:59:42
ADM8843白光LED背光驱动器的典型应用。 ADM8843采用电荷泵威廉希尔官方网站
,可驱动多达四个LED。 LED用于对彩色LCD显示器进行背光照明,该显示器具有调节恒定电流以获得均匀的亮度强度。主显示屏
2019-03-14 08:02:21
DLT-RK3288 Android背光驱动开发的知识点汇总,绝对实用
2022-03-10 06:55:23
导读:日前,德商戴乐格半导体(简称“Dialog”)发布一款最新16通道LED背光驱动电源--iW7025.该新品采用可靠的短路保护专利威廉希尔官方网站
,可提升下一代2D和3D LCD电视的图像质量
2018-11-29 11:20:46
SSS1530电路设计,DEMO原理图,Type-C耳机设计方案
2017-10-26 17:42:29
本帖最后由 aiku 于 2015-1-18 11:43 编辑
【嵌入式linux驱动开发系列】第十节LCD背光驱动代码架构分析(1)作者:aiku安装环境:ubuntu 10.02学习目标
2015-01-18 11:38:15
`设计方案本设计采用的主控制器是PIC16F877A,其内部带有33个IO口。具有强大的驱动能力,可以直接驱动一些输出模块;显示模块采用1602LCD液晶显示,显示的内容包括年、月、日、星期、时、分
2019-11-27 15:00:36
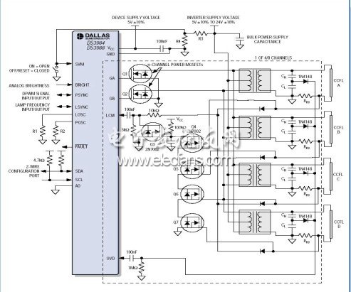
DS3984、DS3988、DS3881、DS3882、DS3992和DS3994为冷阴极荧光灯(CCFL)控制器,它们使用推挽结构来产生驱动荧光灯所需的高压交流波形。在推挽式驱动器中,升压变压器
2019-02-25 16:59:03
LM358的封装形式有哪几种?基于LM358的人体感应灯电路设计方案
2021-04-14 06:34:52
高频感应加热电源驱动电路设计方案就目前国内的感应加热电源研发现状而言,高频感应加热电源是主流的研发设计方向,也是很多工程师的工作重点。在今天的文章中,我们将会为大家分享一种基于IR2llO芯片的高频
2021-07-26 07:07:52
概述:DS3992是一款低成本、双通道冷阴极荧光灯(CCFL)控制器,适合液晶显示器(LCD)的背光应用。DS3992的每个通道可驱动多个CCFL,非常适用于4灯和6灯LCD PC监视器和TV
2021-05-17 06:17:49
基于RGB-LERGB-LED的背光驱动系统该如何去设计?
2021-06-07 07:05:46
如何为背光LCD和电视选择合适的驱动IC?本文将重点从参数和功能两方面去介绍。
2021-06-02 06:15:33
逐行扫描、隔行扫描、3D处理等。了解这些信号处理方式可以帮助设计师选择适当的电路设计方案。 电视机的供电方式:不同的电视机品牌和型号可能会采用不同的供电方式,如单电源供电、双电源供电等。了解这些供电
2023-04-19 14:28:39
近几年来,彩色LCD显示屏在手机中使用量越来越大,白光LED为这种应用提供了完美的背光解决方案。由于白光LED的导通压降一般为3.5V(20mA),最大值可以到达4V,而单节锂离子电池的一般输出电压
2011-01-17 14:37:11
MOS管;FITI的 DC/DC、LED背光驱动,能提供相应的电源解决方案和威廉希尔官方网站
支持。 二、方案框图: 1、电视/显示器电源框图: 2、LCD屏电源方案:
2020-07-03 17:02:11
LED背光驱动电路
2020-03-02 08:15:15
请问一下可变模式分数电荷泵如何实现低功耗手机LCD背光驱动?
2021-06-04 06:09:07
给大家分享一份整理好的LED背光驱动电路设计分析资料需要的朋友点击下载哟↓
2016-01-28 15:10:45
描述通用led背光驱动器
2022-09-13 07:24:58
` 近期需要评估一款2寸LCD,是一款mcu 屏,自己搭了背光驱动电路,想验证下驱动电路。测试了一下背光电流来计算验证一下电路具体电路如下:GPIO拉高,Q2导通,随即Q1导通, 背光点亮。根据
2021-02-26 21:54:16
基于S3C2410 的TFT-LCD 驱动电路设计TFT-LCD 驱动电路设计TFT-LCD 驱动电路的主体部分由多路电压源、能够给出正确数字逻辑信号的电路以及为了看到显示画面而设计的背光驱动电路
2008-09-10 23:57:53
大家好,我是一名大四的学生,最近正在忙于毕业设计。我的毕业设计题目是200MHz重频半导体激光驱动电路设计,目前是想采用IC-hg,我想咨询一下各位大神iC-Haus集成激光驱动方案,还有我这个题目应该怎么着手?谢谢各位
2017-04-18 10:12:22
The DS3988 is an 8-channel controller for cold-cathodefluorescent lamps (CCFLs) used to backlight
2008-07-25 01:12:09
25 LCD 背光用白光LED驱动解决方案LCD 目前较常采用CCFL 作为背光光源,但因CCFL 背光驱动线路复杂,要求驱动电压高,及演色性能力等等因素,再加上背光的光源是系统中耗电量最
2009-09-24 15:43:22
32 背光驱动电路的选择策略和应用:越来越多的便携式消费电子产品配备了彩色显示屏,例如手机、数码相机、PDA、MP3、PMP播放器等,其中手机又占据了这个市场的绝大部分份额,从
2009-10-01 18:40:29
17 为便携式MFF显示器选择合适的LED背光驱动器
在高达19英寸的媒体外观(MFF)显示器中,白光LED正在迅速取代冷阴极灯管(CCFL)成为LCD背光(边缘或侧面)照明的首选。这
2010-03-17 15:31:58
27 单正向栅驱动IGBT简化驱动电路设计方案
目前,为了防止高dV/dt应用于桥式电路中的IGBT时产生瞬时集电极电流,设计人员一般会设计栅特性是需要负偏置栅驱动
2010-03-19 11:58:06
40 摘要:介绍了为手机背光驱动而设计的电荷泵电路,详细讨论了其中的四大模块电路:带隙基准、温度保护、振荡器、控制电路的电路结构、工作原理、性能特点。关键字:电荷
2010-05-15 09:25:12
35 增强DS39x系列CCFL控制器的栅极驱动能力
要:DS3984、DS3988、DS3991、DS3992以及
2008-07-25 01:11:34
1092 
DS3984/DS3988 Transformer Turns Ratio Selection
Abstract: The DS3984 and DS3988 are multi-channel
2008-10-06 12:22:03
966 
LCD TV 液晶电视背光设计分析
摘要:LCD (液晶显示器)是电控发光管,LCD TV (液晶显示电视)采用白光作为“背光”,通常使用冷阴极荧光灯(CCFL)为彩色
2009-04-26 16:29:34
1865 
摘要:DS3984和DS3988为多通道冷阴极荧光灯(CCFL)控制器。DS3984支持四个通道,DS3988支持八个通道。这些控制器使用推挽式驱动架构,可将直流电源电压转换成驱动CCFL所需的交流高压波
2009-04-26 16:44:32
1166 
摘要:DS3984、DS3988、DS3991、DS3992以及DS3994是冷阴极荧光灯管(CCFL)的控制器,用于液晶显示LCD的背光。每个控制器通道可以驱动两个逻辑电平MOSFET以转换直流电压到CCFL驱动所需要的高
2009-04-28 10:54:43
1033 
摘要:DS3881、DS3882、DS3984、DS3988、DS3991、DS3992和DS3994是冷阴极荧光灯(CCFL)背光液晶显示器(LCD)控制器。为了取得满意的视觉效果或延长灯泡寿命,在大多数应用中需要进行亮度调节。
2009-04-28 10:55:30
1100 
摘要:DS3984和DS3988是多通道冷阴极荧光灯(CCFL)控制器。DS3984支持多达四通道,DS3988支持八通道。这些控制器使用推挽式驱动架构,可将DC电源电压转换成为驱动CCFL所需的高压AC波形。
2009-04-28 10:57:06
999 
摘要:为了降低对直流逆变器瞬间电流的需求,DS3984/DS3988冷阴极荧光灯控制器采用顺序启动突发亮度调节的方式,控制LCD显示器的每个通道。 图1给出了DS3984/DS3988冷阴
2009-04-28 10:59:27
670 
摘要:DS3984和DS3988是多通道的冷阴极荧光灯(CCFL)控制器。使用DS3984和DS3988优化系统设计时,关键参数是变压器匝数比的选择。本应用笔记介绍了变压器匝数比因不同的CCFL灯管和直流
2009-04-28 11:03:37
943 
摘要:DS3984, DS3988, DS3881, DS3882, DS3992和DS3994为冷阴极荧光灯(CCFL)控制器,它们使用推挽结构来产生驱动荧光灯所需的高压交流波形。在推挽式驱动器中,升压变压器的寄生电感与n沟
2009-04-29 09:03:54
2178 
摘要:DS3984和DS3988是多通道冷阴极荧光灯(CCFL)控制器。DS3984支持多达四通道,DS3988支持八通道。这些控制器使用推挽式驱动架构,可将DC电源电压转换成为驱动CCFL所需的高压AC波形。
2009-05-07 09:59:57
980 
摘要:为了降低对直流逆变器瞬间电流的需求,DS3984/DS3988冷阴极荧光灯控制器采用顺序启动突发亮度调节的方式,控制LCD显示器的每个通道。 图1给出了DS3984/DS3988冷阴
2009-05-07 10:00:59
828 
新型LED背光驱动器为小尺寸显示器降低高达50%的功耗
全球领先的高性能信号处理解决方案供应商,最新推出 ADP8860 白光 LED (WLED) 背光驱动器 ,这是
2009-06-20 13:30:39
623 TPS61081 WLED背光驱动器电路
WLED顯示屏背光驅動器如圖4所示,如果
2009-12-09 17:42:48
1885 超高亮LED的驱动电路设计方案
摘要:在简要介绍超高亮LED的特点以及特性的基础上,详细介绍了LED的电阻限流、线性调节器和开关调节器等驱
2009-12-25 10:22:33
1161 
Determining LCM and OVD thresholds for the DS3xxx CCFL controllers
Abstract: The DS3881, DS3882, DS3984,
2010-03-17 22:48:34
1573 
基于AS3645的LED闪光驱动设计方案
Austriamicrosystems公司的AS3645是超小型高效单/双路LED闪光驱动器,它的DC/DC升压转换器工作频率高达2MHz,具有软起动功能,闪光停止,过压,超稳
2010-03-31 08:43:08
1219 
升压式高亮度LED背光驱动电路威廉希尔官方网站
设计
摘要:由于LCD面板本身无法产生光源,所以,必须利用背光的方式将光投射到面板上,让面
2010-05-11 08:53:13
4102 
这个LCD背光及对比度调节应用方案的特点包括:
1、此应用电路以DC/DC电源模块给LCD背光电源及对比度调节供电为例,LCD芯片的工作电压为5V,LCD背光电源及对比度调节采用-24V
2010-07-31 15:38:37
9330 
DS3881、DS3882、DS3984、DS3988、DS3991、DS3992和DS3994是CCFL (冷阴极荧光灯)控制器,为LCD (液晶显示屏)提供背光。每路控制器都有2个输入引脚LCM和OVD,用于荧光灯监测和电流调节。这2路输
2010-08-21 21:34:02
1058 
美国国家半导体公司的LP5520 是一款针对小型尺寸的LCD RGB LED 背光驱动芯片。它可以直接驱动4 组~ 5组RGB LED,可以满足一般的小尺寸LCD 显示屏的背光驱动要求,如3.2 英寸的显示屏。
2011-05-20 11:09:49
392 2011-07-25 15:13:07
168 介绍了一种液晶显示器的 LED背光 驱动控制设计方案,对电路的整体控制、各项功能的实现、各性能参数的详细计算方法以及电路的具体设计等一一进行了阐述,并给出了相关的控制框
2011-08-02 09:38:44
136 本文介绍了一种液晶显示器的LED 背光驱动控制设计方案,对电路的整体控制、各项功能的实现、各性能参数的详细计算方法以及电路的具体设计等一一进行了阐述
2011-09-26 10:00:53
1947 
本文分析了电感升压型背光驱动的EMI辐射来源,以及电感升压型背光驱动芯片如何通过内部电路的优化设计,来降低电感产生的EMI辐射和调光时VOUT的EMI辐射,并对PCB设计提出了优化EMI性
2012-09-11 14:26:09
6611 
白光LED背光驱动电路研究进展_贺江平
2017-01-08 10:30:29
0 RT9284B15PJ6芯片是一个高效高度集成的LED驱动器,相当于一个LED开关。LCD背光灯电路原理图 如图一,LCD背光灯连接到RT9284B15PJ6芯片的两个引脚,而芯片的其中一个引脚连接
2017-05-26 08:57:18
2656 
长虹ITV46920DE液晶彩电LED背光驱动电路相关问题全解析 下图为长虹ITV46920DE型LED液晶电视中的LED背光灯驱动电路中的一组,每组电路结构完全相同,且相互独立,每组电路驱动
2017-11-08 19:13:06
6508 
介绍了一种液晶显示器的LED背光驱动控制设计方案,对电路的整体控制、各项功能的实现、各性能参数的详细计算方法以及电路的具体设计等一一进行了阐述,并给出了相关的控制框图和时序图,配合灵活的FPCJA
2017-12-04 10:34:06
11 本文介绍了一种液晶显示器的LED 背光驱动控制设计方案,对电路的整体控制、各项功能的实现、各性能参数的详细计算方法以及电路的具体设计等一一进行了阐述,并给出了相关的控制框图和时序图,配合灵活的FPGA 的软件编程以及恰当的LED 灯组布局,可以实现良好的LED 背光驱动控制。
2018-07-22 09:03:00
16381 
本文为大家带来九款不同的除法运算电路设计方案,包括这九款模拟电路设计的原理及设计过程。
2018-01-17 18:24:49
49632 
关键词:LED背光 美高森美公司(Microsemi) 宣布推出用于液晶电视的新型突破性无损耗LED背光驱动器LX27901,该器件采用专有的无损耗架构,能够显著提高电源效率,同时增强背光性能并降低
2018-12-21 15:19:02
3034 关键词:LCD , 电路保护 , 电视背光 , 电源 先进的LCD威廉希尔官方网站
带来了更大的屏幕、更宽的视角以及更高品质的视频图像。不过,随着LCD电视的屏幕变得更大更亮,它们也需要更多的工作电压和更大的工作
2019-01-25 18:48:01
442 其中,GD32E230系列,GD32F330系列,和GD32F303系列产品凭借高主频的内核,丰富而稳定的高速接口,以及工业级的产品标准,广泛应用于LCD背光驱动市场。
2019-10-21 11:39:05
7644 485接口EMC电路设计方案!
2020-02-05 12:53:27
4078 电视灯条一般指的是液晶背光源中的LED灯条。早期的液晶电视以及液晶显示器,使用的背光源一般为CCFL的灯管,也就是冷阴极荧光灯管。这种灯管具有发光均匀、亮度高等优点,但是这种灯光需要高压驱动,并且
2020-05-13 17:47:31
13387 
发光二极管(LED)驱动芯片厂聚积表示,以miniLED作为背光驱动的发光源,可以有效改善LCD常见亮度不足的问题,并带来高对比度,显著提升画面质量。
2020-09-27 14:31:48
4962 电子发烧友网站提供(温度传感器电路设计方案)资料免费下载。
2020-11-11 12:00:26
105 TM1723是一种带键盘扫描接口的LCD驱动控制专用电路,内部集成有MCU 数字接口、数据锁存器、LCD 驱动、键盘扫描、幻彩背光驱动等电路。本产品性能优良,质量可靠,无须更改解码板底层指令
2021-05-06 09:42:24
5 SSS1530电路设计方案免费下载。
2021-06-10 16:22:57
27 小信号放大电路设计方案汇总
2021-09-14 15:01:12
127 高频感应加热电源驱动电路设计方案就目前国内的感应加热电源研发现状而言,高频感应加热电源是主流的研发设计方向,也是很多工程师的工作重点。在今天的文章中,我们将会为大家分享一种基于IR2llO芯片的高频
2021-11-06 14:36:01
85 单片机万年历(LCD12864、DS18B20、DS1302)一、简介此电路由AT89C51最小电路板和LCD12864显示模块、DS18B20温度模块、DS1302时钟模块组成。主要的功能是:显示
2021-11-23 18:21:15
36 液晶背光驱动电路1原理图下载
2022-02-09 11:44:19
38 电子发烧友网站提供《通用led背光驱动器设计.zip》资料免费下载
2022-08-18 09:45:27
4 电子发烧友网站提供《超薄背光驱动器参考设计.zip》资料免费下载
2022-09-06 14:56:06
3 DS3988、DS3991、DS3992和DS3994是用于冷阴极荧光灯(CCFL)的控制器,用于对液晶显示器(LCD)进行背光。每个控制器通道驱动两个逻辑电平MOSFET,将直流电压转换
2023-01-10 10:49:05
626 
DS3881、DS3882、DS3988、DS3991、DS3992和DS3994是CCFL(冷阴极荧光灯)控制器,用于对LCD(液晶显示器)进行背光。每个控制器通道具有两个用于灯监控和电流调节
2023-01-16 14:16:01
560 
DS3881、DS3882、DS3988、DS3991、DS3992和DS3994是用于背光液晶显示器(LCD)的冷阴极荧光灯(CCFL)控制器。为了获得令人满意的视觉效果或延长灯泡寿命,大多数
2023-02-08 16:44:06
915 
为了降低直流逆变电源的瞬时电流需求,DS3984/DS3988冷阴极荧光灯控制器错开背光LCD显示屏每个通道的突发调光周期开始。
2023-02-14 09:40:10
358 
黑白LCD屏,就是我们常说的单色液晶显示屏,其主要优点是工艺简单,价格便宜,功耗低,显示对比度高等。但是玻璃基板本身是不发光的,因此需要外界背光源。AiP172X系列自带背光驱动,按键扫描等功能
2023-03-31 09:57:32
788 大部分尺寸稍大点的屏幕,除了提供对应接口的时序,还需要提供屏幕的背光,不然LCD无法显示。
以某款800*480的RGB屏幕为例,需要提供22.5V的背光驱动电路,如下所示:
2023-06-30 12:54:06
1601 
电子发烧友网为你提供Maxim(Maxim)DS3988T+相关产品参数、数据手册,更有DS3988T+的引脚图、接线图、封装手册、中文资料、英文资料,DS3988T+真值表,DS3988T+管脚等资料,希望可以帮助到广大的电子工程师们。
2023-07-06 18:33:59

电子发烧友网为你提供Maxim(Maxim)DS3988T+T&R相关产品参数、数据手册,更有DS3988T+T&R的引脚图、接线图、封装手册、中文资料、英文资料,DS3988T+T&R真值表,DS3988T+T&R管脚等资料,希望可以帮助到广大的电子工程师们。
2023-07-06 18:39:51

电子发烧友网站提供《LED路灯驱动电路设计方案.doc》资料免费下载
2023-11-14 11:31:38
1 产品概览SY7759白光发光二极管(WLED)应用相当普遍,主要原因在于WLED可用于提供便携式电子产品显示器的背光。WLED背光驱动电源芯片的设计也就越来越受到关注。驱动芯片的性能会直接影响到显示
2023-11-29 08:19:11
381 
评论