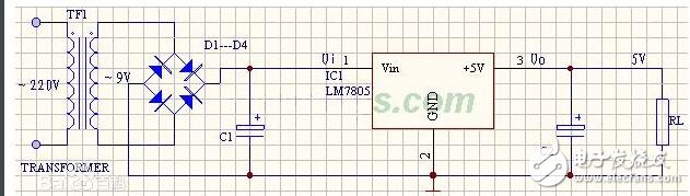
7805是串联式三端稳压器,三个端口分别是电压输入端(IN),地线(GND),稳压输出(OUT)。当IN-GND之间的电压超过 7V 以上,输出端与 GND 之间的电压就会稳定在 5V。下面是 7805 最常见到的 应用电路。
2022-11-23 09:28:10
2638 
LM3和LM7805系列的稳压器IC具有7812个引脚,非常适合用于稳压器电路。如果您需要更高的电流,高达3A,则必须在此原理图中添加一个互补晶体管T2。在正常设计中,如果发生短路,功耗可能非常高。这个问题可以通过下面介绍的稳压器设计来解决。
2023-07-24 11:20:03
4615 
线性电源功率器件工作在线性状态,如我们常用的稳压芯片LM7805、LM317、SPX1117等。下图一是LM7805稳压电源电路原理图。
2020-09-12 10:36:59
31802 
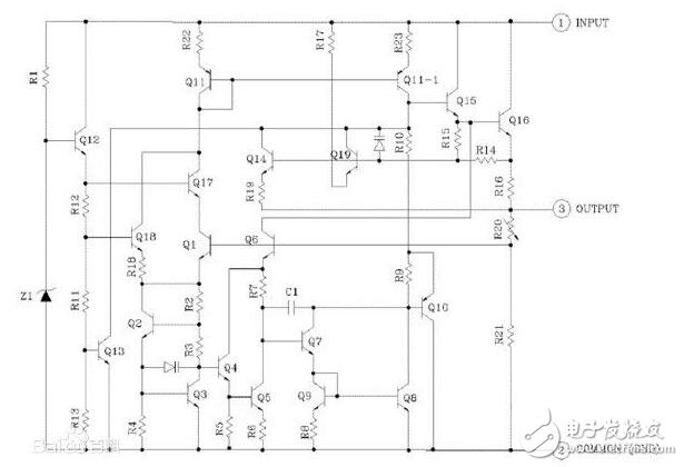
利用 7805 的 GND 与 OUT 之间的恒差跟随特性,那么可以形跟随放大器。输入信号有 7805 的 GND 输入, 它的输出信号中就包含有输入信号。由于 7805 具有很强的电流输出能力,所以这个跟随放大器具有功率放大功能。
2022-10-10 11:57:23
6854 对于 7805,输出当然固定在 5 V 的电位,输入必须至少接收 7.5 V 才能正常工作。两个电容器是去耦电容器,可防止稳压器可能的振荡。
2023-07-07 15:25:09
4445 
本电路图显示了如何从固定的5V稳压器IC12制造5V至7805V可变直流电源。这是通过添加两个电阻R1和R2来实现的,如图所示。当电阻R1和R2相加时,7805输出电压的公式变为Vout=V固定
2023-07-18 16:32:39
7341 
LM7805稳压器是一种广泛应用于各种电子设备中的线性稳压器,其主要作用是将输入的不稳定电压转换为稳定的输出电压。
2023-12-31 09:51:00
1366 
小弟买了一个5v充电器(额定输出电压),实际值是5.44V,经过7805稳压后,发现供给单片机的电压值是4.44V,为什么会出现这种情况呢,求大侠指点
2012-12-27 21:55:21
输入9v电压后,7805稳压片发烫,输出只有2v多是什么原因,求解答谢谢
2020-12-04 09:04:32
本帖最后由 eehome 于 2013-1-5 10:09 编辑
7805稳压电源电路图
2012-08-15 16:58:33
扬州晶新,长期供应7805三端稳压电路芯片,有意者请联系:沈女士***
2020-11-24 15:46:43
1.7805(1)7805三端稳压集成电路,TO- 220 的标准封装,电路内部还有过流、过热及调整管的保护电路,78或79后面的数字代表该三端集成稳压电路的输出电压,如7806表示输出电压为正6V
2021-11-15 06:00:10
当继电器吸合时 电源芯片7805发热严重 这是怎么回事?如果继电器不吸合 则不发热!
2013-02-28 18:30:49
7805线性三端稳压DCDC的意思是直流变到直流(不同直流电源值的转换),只要符合这个定义都可以叫DCDC转换器,或称之为开关电源或开关调整器。7805属于常用的线性三端稳压器,输入电压范围不大于
2021-11-12 06:40:36
用稳压二极管做电源稳压不行吗?为什么都用7805稳压?本来是想用稳压二极管把单片机并联,然后再外面串一个电阻。。后来知道单片机工作电流不稳定,会到二极管的稳压效果。单纯用稳压二极管功耗会比7805大吗?为什么?想知道稳压二极管与7805稳压的适用场合,以及原因。
2017-09-07 00:22:01
稳压管7805的工作电流是多少?
2011-05-23 10:39:54
巧用CW7805作大电流输出稳压电源电路图
2019-10-31 07:18:15
过热烧毁器件5、内含功耗限制电路,防止输出驱动晶体管被烧毁 以上就是关于L7805CV-ASEMI三端稳压管L7805CV的详细介绍。强元芯电子是一家集科研开发、制造、销售为一体的国家高新威廉希尔官方网站
企业
2021-09-29 16:17:58
LM7805是什么?LM7805稳压IC有哪几种常见的封装?
2021-09-29 08:29:55
LM7805构成的5V稳压电源LM7805构成的5V稳压电源电路为输出电压+5V、输出电流1.5A的稳压电源。它由电源变压器B,桥式整流电路D1~D4,滤波电容C1、C3,防止自激电容C2、C3
2009-07-07 12:49:16
LM7805是常用的三端稳压器,一般使用的是TO-220封装,能提供DC 5V的输出电压,应用范围广,内含过流和过载保护电路。带散热片时能持续提供1A的电流,如果使用外围器件,它还能提供不通
2020-07-17 18:04:43
大家好,我最近做了一个电路,电源芯片选用的是LM7805,(24V转5V),电路工作很正常,但经常会出现LM7805短路的问题。我看过了,1.7805后面的负载很小,最多也就5MA的电流,不是过流
2017-03-24 16:31:44
。里面有很多IC的产品信息和威廉希尔官方网站
资料的,找IC都可以去看看的。7805引脚图到"第一价值网"里搜索"7805"就可以了,应该有三端稳压器7805的引脚图
2010-11-03 15:42:09
电压的情况下保护7805,我很怀疑是不是,因为要是保护的话,为啥不用稳压管,tvs,或者快速开关二极管? 1n4007经常是低频大电流整流时候用,为啥要用1n4007 ?知道的朋友帮我回答下 ! 谢谢 ! 来源:第一价值网(www.ic-jiazhi.com) - 全球第一家集成电路网络超市
2010-10-26 15:05:34
kia7805是三端5V稳压集成电路系列中的一种,7805是它标准的型号信息,前缀表示不同的生产厂家的产品,譬如常见的是LM7805。kia7805是单电压+5V稳压集成块。 78XX系列集成
2017-10-24 15:57:17
本帖最后由 gk320830 于 2015-3-5 01:22 编辑
三端稳压7805和7905稳压原理及典型电路
2012-08-16 22:30:13
本帖最后由 wangka 于 2011-9-14 10:06 编辑
三端稳压LM7805散热问题解决办法LM7805输出5V,LM7805输出5V,还可以做成输出5V,9V,12V,-5,-9
2011-09-14 09:27:14
三端稳压器7805资料下载内容包括:7805的引脚功能7805内部等效电路图7805典型应用电路
2021-03-23 07:23:27
刚刚开始工作是做开关电源这块,在阅读了7805芯片的数据手册时,看到手册里有用7805做的BUCK型开关稳压电路的例子,模电学的不是很好,想请教知乎的各位大神几个电路里的问题1、7805怎么实现
2021-08-09 16:44:30
7805属于线性稳压芯片,其外围电路简单。7805发热找不到原因?7805发热,一般有几种情况,下面详细为大家一一分析,查完这几种情况,准能找到7805发热的原因。 (1)输入电压是否过高
2021-03-15 16:02:48
求稳压7805的数据手册,急要。
2013-01-06 16:54:48
请问哪位高手能够指点一下。表面丝印分别为7805CT和7805T的三端稳压管,性能参数一样吗?谢谢!!
2011-11-23 10:56:42
请问各位,L7805集成稳压管可以在较小的纹波电源中工作吗??还有,如何能让L7805投入电流波动较大的电路中正常工作??谢谢
2013-10-25 22:28:43
7805中文资料.pdf下载
7805管脚图
相关应用电路图:
2007-12-08 12:56:50
1940 KA7805/KA7805A3-Terminal 1A Positive Voltage Regulator
The KA78XX/KA78XXA series of three-terminal
2008-07-10 23:37:11
125 7805为三端正稳压器电路,TO-220F封装,能提供多种固定的输出电压,应用范围广。内含过流、过热和过载保护电路。带散热片时,输出电流可达1A。虽然是固定稳压电路,但使用外接
2008-11-08 10:20:27
1811 深圳市三佛科技有限公司 供应 L7805 TO-220 1A 三端稳压器,原装,库存现货热销 三端稳压集成电路lm7805,三端IC是指这种稳压用的集成电路,只有三条引脚输出,分别是输入端
2022-06-14 17:16:46
LM7805中文资料
LM7805可替换型号:XLM7805,LMLM7805,LLM7805,LM7805,STLM7805,UTCLM7805,UALM7805,MALM7805
三端稳压器件;78xx/79xx 系列三端稳压器件是最常用的线性降压型 DC/DC 转换器,目前
2010-11-03 11:28:29
395
典型稳压电源电路图(7805扩流)
2006-04-15 23:23:50
6911 
7805稳压电源电路图:
7805管脚图
7805典型应用电路图:
2007-11-25 23:28:47
197187 
7805应用电路图
7805管脚图
7805典型应用电路图:
2007-11-25 23:29:38
26550 7805稳压电路
2007-12-08 12:49:41
12293 
7805管脚图
(1) 集成三端稳压器根据稳定电压的正、负极性分为78×××,79×××两大系列。附图给出了
2007-12-08 12:52:31
16226 
7805扩流电路
2008-09-02 13:47:47
14507 
7805开关电路
利用笨电路时,逻辑电平能对7805
2009-09-25 12:02:08
1919 
7805恒流充电电路
图中是一
2009-11-19 10:15:15
10847 
7805集成稳压器组成的恒流源应用电路
如图所示的电路是用W7805正集成稳压器组成的恒流源应用电路。图示电路中正集成稳压器W7805工作在悬浮状态。
2009-11-19 11:19:43
5797 
lm7805稳压电路
lm7805系列集成稳压器的典型应用电路如下图所示,这是一个输出正5V直流电压的稳压电源电路。IC采用集成稳压器78
2009-11-19 11:28:29
45431 
CW7805恒流源电路
2009-11-19 16:59:52
4633 
多路输出的稳压电源电路(7912、7805)
2010-03-05 18:22:36
7084 
具有扩流和过压保护功能的5V稳压电源电路(7805)
2010-03-06 08:33:43
4116 
基于7805的并联稳压电路图采用两个集成稳压电路7805并联,个稳压电路输入侧均接入0.1uF电容用以消除高频振荡。
2011-07-20 10:43:41
27131 
7805是我们最常用到的稳压芯片了,使用方便,用很简单的电路即可以输入一个直流稳压电源,他的输出电压恰好为5v,刚好是51系列单片机运行所需的电压,他有很多的系列如ka7805,ads7
2011-08-03 16:37:14
270503 
L7805是一块三端正电源稳压集成电路,该电路内置短路保护及热保护电路,具有输出电压固定的特点,广泛应用于各种电视机、收录机、电子仪器等设备中作电源稳压用。 L7805采用三引
2012-10-09 16:24:13
594 三端稳压管7805芯片中文数据手册,希望能够对你有用。
2016-05-19 09:38:44
64 LM7805中文介绍 详细介绍了LM78xx系列软件 了解LM78xx系列的用途 等等。
2016-05-19 15:32:45
25 内容包括L7805CV稳压电路图,常见应用电路,L7805CV引脚图、参数,L78系列芯片L7806CV、L7812CV、L7815CV、L7808、L7809CV数据手册大全。
2016-09-20 18:47:10
507 W7805
2017-03-27 16:00:34
0 一、7805电源电路原理图 二、核心元件7805介绍 三端稳压集成电路lm7805。电子产品中,常见的三端稳压集成电路有正电压输出的lm78 系列和负电压输出的lm79系列。顾名思义,三端IC
2017-09-07 15:10:51
31 7805是我们最常用到的稳压芯片了,他的使用方便,用很简单的电路即可以输入一个直流稳压电源,他的输出电压恰好为5v。7805三端稳压IC内部电路具有过压保护、过流保护、过热保护功能,这使它的性能
2017-10-18 14:17:40
67988 
L7805CV是输出电压为4.75-5.25V,静态电流为4.2-8mA的正电压稳压器,其输出电流可达1.5A,不需外接补偿元件,在7805的使用过程要注意负载大小,在空载时,也容易损坏L7805
2017-10-18 15:00:16
25424 cw7805是三端5V稳压集成电路系列中的一种,7805是它标准的型号信息,前缀表示不同的生产厂家的产品,譬如常见的是LM7805。CW7805是单电压+5V稳压集成块。78XX系列集成稳压器的典型应用电路如下图所示,这是一个输出正5V直流电压的稳压电源电路。
2017-10-18 15:10:57
42558 
l7805cv的全称是串联型三端稳压模块,是一个三端稳压器,78开头的代表正电压稳压,与之相对应的79开头的则是是负电压稳压,05代表输出电压的伏数,因此 l7805cv是正5V的三端稳压器,一般的78L05,78M05,LT7805都可以直接代换。
2017-10-23 10:27:37
18219 7805三端稳压集成电路,电子产品中,常见的三端稳压集成电路有正电压输出的78 ×× 系列和负电压输出的79××系列。顾名思义,三端IC是指这种稳压用的集成电路,只有三条引脚输出,分别是输入
2017-10-26 15:18:57
25131 
LM7805是常用的三端稳压器,一般使用的是TO-220封装,能提供DC 5V的输出电压,应用范围广,内含过流和过载保护电路。带散热片时能持续提供1A的电流,如果使用外围器件,它还能提供不通的电压和电流。这篇文章主要就是来谈论lm7805稳压电路电容的作用的。
2017-11-07 14:51:20
60402 
7805是我们最常用到的稳压芯片了,他的使用方便,用很简单的电路即可以输入一个直流稳压电源,他的输出电压恰好为5v,刚好是51系列单片机运行所需的电压,他有很多的系列如ka7805,ads7805
2017-11-13 10:37:04
173725 7805为定值三端集成稳压块。输出为+5V稳定电压,最高输入极限电压36,最低输入电压7V,极限电流1000mA,集成稳压块的最佳工作状态是输入电压与输出电压间的压差在3~4V左右。压差太大可在输入
2017-11-13 11:01:04
25225 
LM7805是常用的三端稳压器件,顾名思义05就是输出电压为5v,还可以微调,7805输出波纹很小。使用方便,用很简单的电路即可以输入一个直流稳压电源。它的输出电压恰好为5v,刚好是51系列单片机
2017-11-21 16:13:02
150903 
三端稳压管是一种直到临界反向击穿电压前都具有很高电阻的半导体器件。本文为大家介绍三端稳压管7805/7905引脚区分方式。
2018-01-06 10:32:13
42408 
7805三端稳压IC内部电路具有过压保护、过流保护、过热保护功能,这使它的性能很稳定。能够实现1A以上的输出电流。器件具有良好的温度系数,因此产品的应用范围很广泛。
2018-01-06 10:35:33
18342 
本文介绍了7805稳压电路中三个电容C1、C2、C3的作用。
2018-01-06 10:54:56
11236 
7805是三端稳压集成电路的简称,因为它有三个引脚所以外观上很像三极管,在使用上注意查看他的型号。
2018-01-06 10:57:57
51776 
本文首先介绍了7805稳压器的组成结构,其次介绍了7805内部电路及典型应用电路,最后阐述了7805系列稳压器用指针式万用表判断好坏的方法。
2018-05-17 10:41:36
30433 
本文首先介绍了L7805、cw7805和LM7805三者之间的区别,其次介绍了7805引脚图及主要参数,最后介绍了7805典型应用电路图。
2018-05-17 10:55:34
36376 
7805三端稳压集成电路,电子产品中,常见的三端稳压集成电路有正电压输出的78 ×× 系列和负电压输出的79××系列。
2018-07-23 17:14:35
48339 7805三端稳压集成电路,电子产品中,常见的三端稳压集成电路有正电压输出的78 ×× 系列和负电压输出的79××系列。本文主要详细阐述了四款7805稳压电源电路图。
2018-09-18 17:34:33
118223 本文档的主要内容详细介绍的是KIA7805AP和KIA7824AP双极线性集成电源芯片的数据手册免费下载。
2018-11-13 08:00:00
25 本文档的主要内容详细介绍的是LM7805三端稳压集成电路原理图和PCB图资料免费下载。
2018-11-29 08:00:00
163 的输出电压,应用范围广,内含过流和过载保护电路。带散热片时能持续提供1A的电流,如果使用外围器件,它还能提供不通的电压和电流。7805是常用的三端稳压器件,顾名思义05就是输出电压为5v,还可以微调
2019-01-18 16:51:49
7418 
电子发烧友网为你提供()KA7805E相关产品参数、数据手册,更有KA7805E的引脚图、接线图、封装手册、中文资料、英文资料,KA7805E真值表,KA7805E管脚等资料,希望可以帮助到广大的电子工程师们。
2019-04-18 20:54:10
对于三端稳压器,最常用的有78X系列和79X系列。那么针对7805解释一下各个参数的意义。
2019-10-03 11:47:00
52723 
本文就以现在广泛使用的7805为例,来介绍一下78xx系列三端稳压集成电路的一些鲜为初学者所知的基础知识。
2019-11-02 10:52:37
20563 
7805是比较常用的三端稳压器,可以将较高的直流电源转换为较低的直流电压,该芯片具有三个引脚,分别为:输出端、输出端和GND。
2020-03-14 11:27:04
39300 7805是串联式三端稳压器,三个端口分别是电压输入端(IN),地线(GND),稳压输出(OUT)。当IN-GND之间的电压超过 7V 以上,输出端与 GND 之间的电压就会稳定在 5V。下面是 7805 最常见到的 应用电路。
2022-09-21 11:45:55
4570 如果将 7805 的 GND 端与电路地线之间增加一个偏置电压 ,那么电路的输出也会变成 。如果将偏置电压看成一个输入变化信号,那么 7805 的输出中也存在着与输入信号同向的信号分量。
2022-09-22 14:33:19
1873 SG7805AT 供应商SG7805AT 怎么订货SG7805AT 价格
2021-12-22 14:30:28
420 
7805作为最常见的线性稳压器件,大家都不会陌生。
2023-07-20 17:37:37
907 
线性电源功率器件工作在线性状态,如我们常用的稳压芯片LM7805、LM317、SPX1117等。下图1是LM7805稳压电源电路原理图。
2023-12-08 12:24:11
917 
评论