电子发烧友App

硬声App

0
  • 聊天消息
  • 系统消息
  • 评论与回复
登录后你可以
  • 下载海量资料
  • 学习在线课程
  • 观看威廉希尔官方网站 视频
  • 写文章/发帖/加入社区
创作中心

完善资料让更多小伙伴认识你,还能领取20积分哦,立即完善>

3天内不再提示

电子发烧友网>电子威廉希尔官方网站 应用>电子威廉希尔官方网站 >电路图>嵌入式类电子电路图>TOP6 基于ARM语音识别系统电路模块 - 电路图天天读(31):生物识别电路设计图集锦

TOP6 基于ARM语音识别系统电路模块 - 电路图天天读(31):生物识别电路设计图集锦

上一页12345678910下一页全文
收藏

声明:本文内容及配图由入驻作者撰写或者入驻合作网站授权转载。文章观点仅代表作者本人,不代表电子发烧友网立场。文章及其配图仅供工程师学习之用,如有内容侵权或者其他违规问题,请联系本站处理。 举报投诉

评论

查看更多

相关推荐

汽车电路图的基本方法

由于各国汽车电路图的绘制方法、符号标注、文字标注、威廉希尔官方网站 标准不同,各汽车生产厂家绘制的汽车电路图有很大差异,因此,阅读不同系列的汽车电路图前需要了解电路图的特点,掌握汽车电路图的基本方法。
2023-09-09 09:16:14406

怎么识汽车电路图

汽车电路图是一个表示汽车电气系统中所有电子元件及其连接方式的图表。读懂汽车电路图需要了解一些基本的电子符号和术语。以下是一些基本步骤,可以帮助你识汽车电路图
2023-06-26 10:01:16603

电动自行车电路图和充电器电路图集

电动自行车电路图和充电器电路图集  电动自行车电路图和充电器电路图 [此贴子已经被作者于2009-1-21 10:06:33编辑过]
2009-01-21 10:05:58

PCB电路图设计图教程

PCB设计电路图)
jf_76415565发布于 2022-09-03 14:39:34

现代UPS电源及电路图集new

现代UPS电源及电路图集new(ups电源威廉希尔官方网站 参数)-现代UPS电源及电路图集,逆变器,Ups设计,维修参考必备
2021-09-29 18:25:05235

电路图的要求_识电路图的方法

电子元器件是组成各种电子线路及设备的基本单元,熟悉电子元器件的电路符号是识电路图的基本要求。
2019-09-13 17:11:007236

变频器实用电路图集与原理分析

变频器实用电路图集与原理图说
2017-12-04 13:48:3265

汽车电路图

汽车电路中有关于电路的学习与电路图电子元件的识
2016-02-19 17:26:4413

指纹识别传感器电路设计解析—电路图天天(310)

随着生物特征识别威廉希尔官方网站 的快速发展,指纹识别威廉希尔官方网站 广泛进入人们的生活领域。
2016-01-22 15:20:5514612

变频器实用电路图集与原理

变频器实用电路图集与原理感兴趣的可以下载看看哦!
2015-10-29 17:18:54108

250种功放电路图集锦

250种功放电路图集锦,感兴趣的可以下载看看!
2015-10-29 17:13:45218

几款功放电路设计集锦电路图天天(264)

介绍了数字功放 TDA8902J的特性及其电路的应用, 对功放外围电路主要元器件的选择进行了分析,并给出了具体的参数, 列出了在电路设计中的注意事项, 对其印制电路的优化设计提出了详细的方案和措施, 使电路的抗干扰能力得到了较大提高, 不仅保证了功放的高效性, 而且具有良好的音质效果。
2015-10-20 10:31:2619019

各类放大器电路设计图集锦电路图天天(246)

经典的四电阻差动放大器似乎很简单,但其在电路中的性能不佳。从实际生产设计出发,讨论了分立式电阻、滤波、交流共模抑制和高噪声增益的不足之处。
2015-09-16 11:10:2715751

汽车电子电路设计图集锦电路图天天(223)

随着汽车工业的发展,汽车上的电子控制系统数量呈指数增长,以ECU为核心的车载电子控制系统逐步取代了被动器件和机械系统,同时也完成了大多数测量、驱动和控制的功能。##随着汽车工业的发展,汽车上的电子控制系统数量呈指数增长,以ECU为核心的车载电子控制系统逐步取代了被动器件和机械系统,同时也完成了大多数测量、驱动和控制的功能。##以ECU为核心的车载电子控制系统逐步取代了被动器件和机械系统,同时也完成了大多数测量、驱动和控制的功能。##以ECU为核心的车载电子控制系统逐步取代了被动器件和机械系统,同时也完成了大多数测量、驱动和控制的功能。##以ECU为核心的车载电子控制系统逐步取代了被动器件和机械系统,同时也完成了大多数测量、驱动和控制的功能。
2015-08-13 15:07:5329098

正线性稳压器电路设计图精华解析 —电路图天天(214)

稳压电源有两类,分别是线性稳压电源和开关稳压电源,线性稳压电源是比较早使用的一类直流稳压电源,本文将介绍三种线性稳压电路设计,供读者参考!
2015-07-31 10:48:075255

指纹识别系统电路设计图集锦电路图天天(200)

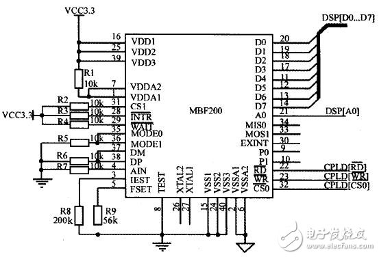
本文主要介绍了ARM光学指纹识别系统、MBF200固态指纹传感器、FPS200固体指纹识别传感器以及8051指纹识别系统电路设计,侧重于电路路原理分析与过程详解,以供读者品读。
2015-07-10 14:07:1726763

静态电流与控制电路设计图详解 —电路图天天(197)

本文介绍了ZXSC100应用电路、IR1150S应用电路以及稳压电源电路,主要是针对电路本身原理进行分析,在电源电路上给出了元器件详细参数,以供读者参考。
2015-07-07 11:09:274751

保护电子电路设计图集锦TOP4 —电路图天天(196)

电路设计中总会存在着一些不稳定因素,而用来防止此类不稳定因素影响电路效果的回路称作保护电路。比如有过流保护、过压保护、过热保护、空载保护、短路保护等。
2015-07-06 15:09:329673

IGBT应用电子电路设计图集锦电路图天天(189)

IGBT绝缘栅双极型晶体管,是由BJT和MOS组成的复合全控型电压驱动式功率半导体器件,它既有功率MOSFET易于驱动,控制简单、开关频率高的优点,又有功率晶体管的导通电压低,通态电流大,损耗小的显著优点。
2015-06-25 11:05:5334938

智能硬件电子电路设计图集锦TOP7 —电路图天天(158)

包含了智能电动平衡车电路、采用MSP430的机器人定位系统电路、多路舵机控制电路等智能硬件电路设计,以供读者品读。
2015-05-08 15:06:2613659

汽车电子电路设计图集锦电路图天天(144)

智能汽车威廉希尔官方网站 将许多领域联系在一起,如计算机科学、人工智能、图像处理、模式识别和控制理论等,智能汽车与一般所说的自动驾驶有所不同,它更多指的是利用GPS 和智能公路威廉希尔官方网站 实现的汽车自动驾驶。
2015-04-17 17:23:1626159

车载娱乐系统电路设计图集锦电路图天天(139)

随着汽车从代步工具转变为集休闲、娱乐为一体的个性化消费品,消费者对汽车娱乐方面的要求不断提升,汽车产业也正面临强大的市场压力,亟需在不牺牲效能的情况下降低成本。
2015-04-10 11:01:1413239

射频电子电路设计图集锦TOP8 —电路图天天(135)

射频LNA设计要求,低噪声放大器(LNA)作为射频信号传输链路的第一级,它的噪声系数特性决定了整个射频电路前端的噪声性能。
2015-04-03 11:10:2628799

LED驱动电子电路设计图集锦TOP11 —电路图天天(130)

低压便携设备LED驱动电路设计攻略,着重介绍半导体采用不同拓扑结构、用于低压便携设备背光或指示器应用的各种白光或RGB LED驱动器.
2015-03-27 12:40:1214275

常见串口接口电路设计集锦TOP6 —电路图天天(118)

六中常用串口接口电路图设计。如果你是Win95/98/Me操作系统的话那第1和第2两种是最合适的,制作简单。如果是Win2000/XP操作系统的话第3种最合适,当然如果你的电脑只有25针串口可以用的话选第4种就好了。
2015-03-11 14:08:1415252

FPGA电子电路设计图集锦TOP12 —电路图天天(105)

作为专业集成电路领域中的半定制电路而出现的FPGA,不但解决了定制电路的不足,而且克服了原有可编程器件因门电路数有限的而产生的缺点。
2015-02-06 11:32:4127706

连接器电子电路设计图集锦TOP12 —电路图天天(100)

电子连接器是传输电子信号的装置(类比信号或数位信号),可提供分离的界面用以连接两个次电子系统,是用以完成电路或电子机器等相互间电气连接的元件。
2015-01-30 11:53:1415324

智能家电电子电路设计图集锦电路图天天(90)

智能家电是将计算机通信网络威廉希尔官方网站 与数字威廉希尔官方网站 ,以简单精巧的形式融入到传统家电中,使家电具备智能化和信息网络功能。智能家电的产生和发展将对传统家电、计算机和通信业产生深远影响。
2015-01-16 17:47:3015144

无线终端测试电子电路设计图集锦电路图天天(86)

要想监测到实时的温湿度数据,就必须采用无线传输的方式对数据进行采集、发送、接收并对无线采集来的数据通过上位机进行处理,以控制并监测设备的运行情况,减少不必要的线路设备开支。
2015-01-12 16:08:087978

机器视觉电子电路设计图集锦电路图天天(82)

介绍了机器视觉系统中PWM/电压输出电路、I\O 口电路与QEP 电路设计,使得开发人员可以通过电路介绍将数字威廉希尔官方网站 与摄像头、传感器、电机和其他外设集成来轻松构建 3D 点云。
2015-01-06 11:22:406932

智能照明电子电路设计图集锦电路图天天(76)

智能照明控制系统应用电路单独使用微电脑时控开关时,一旦在供电时间范围以外出现阴天光照暗的情况。需要提供照明时,因不在供电时间范围内,无法提供照明。
2014-12-26 10:00:0223081

语音识别电路设计图集锦电路图天天(71)

语音识别威廉希尔官方网站 就是让机器通过识别和理解过程把语音信号转变为相应的文本或命令的高威廉希尔官方网站 。近二十年来,语音识别威廉希尔官方网站 取得显著进步,开始从实验室走向市场。
2014-12-19 09:52:3026705

智能蓝牙电路设计图集锦电路图天天(61)

系统采用了CSR蓝牙芯片BC417143,适用于嵌入式串口传输无线的全新的模块。该芯片采用Blue4.0、支持主或从模式、支持AT命令集、支持波特率为2400到1382400bps,值得注意的是,蓝牙芯片工作在3.3 V,而MCU工作在5 V.存在逻辑电平不匹配问题。
2014-12-05 09:46:1638951

机器人威廉希尔官方网站 电路设计图集锦电路图天天(51)

 本文首先简要介绍了危险品危险品处理机器人的作用,机械手的结构形式,着重从控制系统与硬件设计介绍了危险品处理机器人机械手控制系统的设计与实现。最后给出了测得的机械手的各项威廉希尔官方网站 指标。危险品处理机器人是用于危险弹药夹持、拔出、搬运和放置作业,并可携带和放置的装置。该项目的完成将解决长期困扰我军的事故炮弹、战争遗留弹等危险弹药安全处理问题。
2014-11-21 09:42:5936834

MSP430电路图集锦:创新设计思维

MSP430系列单片机是美国德州仪器开始推向市场的一种16位超低功耗、具有精简指令集的混合信号处理器。电子发烧友网专门整合了基于MSP430的设计电路图集锦
2014-11-12 10:11:4912487

智能视频监控电路设计图集锦电路图天天(36)

它是由红外传感器、监视器、中央控制器、记录设备及报警辅助设备等几部分组成。当有物体进入被监控区域时红外传感器给控制系统相应的信号,控制系统对信号进行分析并自动启动所对应的监视器,当控制系统得到视频信号时,系统控制记录设备进行记录,这样不但可以节省记录媒介,并且可以更进一步提高数据质量,亦可降低便携设备的能耗。
2014-10-31 09:52:3053946

电路图天天(26):快速充电电路图集锦

采用NEC upd78F0547单片机为主控制器,通过键盘来设置直流电源的输出电流,并可由液晶显示器显示输出的电压、电流值。主电路采用运放LM324和达林顿管组成调节电路电路设计合理,编程正确。除了完成题目要求外,电路设计了步进设置功能,可设置不同的恒流和稳压值。
2014-10-17 09:39:0321028

电路图天天(20):个人局域网电路设计图集锦

蓝牙威廉希尔官方网站 作为一种低成本、低功耗、近距离的无线通信威廉希尔官方网站 ,正广泛应用于固定与移动设备通信环境中的个人网络,数据速率可高达1Mb/s;它采用跳频/时分复用威廉希尔官方网站 ,能进行点对点和点对多点的通信。
2014-10-10 10:18:199749

怎样识电子电路图_门宏

《怎样识电子电路图》紧扣怎样识电子电路图的主题,系统地介绍了看懂电路图所必须掌握的基础知识和基本方法,并通过具体的电路实例对常用电路进行了具体分析。内容包括电
2012-03-31 14:17:46919

上百个实用电路图集锦

电子发烧友为您提供了上百个 实用电路图 集锦,基本上都是大家在电子设计中常会用到的,希望对您有所帮助!
2011-07-21 16:54:387208

逆变器电路大全

逆变器电路大全 各种电路图集锦
2010-11-02 16:23:35572

电脑电路图集

本计算机电路图集采绘的电路图有国内外使用比较普遍的各种微机配备的开关稳压电源,CRT显示器和UPS。对于没有电路图的这三种设备,本电路图集也会有很大的参考价值的。有的
2010-04-11 09:00:421542

教您识电路图

教您识电路图
2010-03-31 10:36:29273

电脑主板电路图集

电脑主板电路图集:一共有十五个计算机主板电路图
2009-12-31 10:34:024384

CAN 以太网接口电路设计图

CAN 以太网接口电路设计图
2009-05-16 16:00:003374

TCL SY31彩电电路图

TCL SY31彩电电路图TCL SY31彩色电视机电路图,TCL SY31彩电图纸,TCL SY31原理
2009-05-06 15:18:1362

IC卡读取程序与pcb layout电路设计图

IC卡读取程序与pcb layout电路设计图
2009-04-09 10:40:2636

精彩音频电路图集

20个音频电路,音频电路图集锦,音频集成电路资料等内容。
2008-12-02 09:26:49496

SY31机芯电路图

SY31机芯电路图
2008-10-19 08:50:283903

汽车电路图的识方法

美国车系电路图的识方法 法国车系电路图的识方法 日本车系电路图的识方法 大众车系电路图的识方法
2008-08-04 20:22:10522

实用机床电路图集下载

实用机床电路图集下载 第1章 机床电路基本知识第2章 车床的控制电路图第3章 刨、插、拉床的控制电路图第4章 磨床的控制电路图第5章 钻、镗的控制电路图
2008-01-03 23:06:512185

mp3电路图集

mp3电路图集
2007-12-22 09:07:4120

直流升压电路图集锦

直流升压电压电路图集锦: 三极管升压电路:
2007-11-22 20:56:328374

已全部加载完成