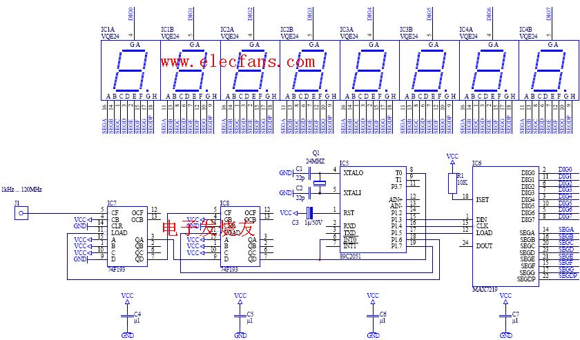
采用89C2051制作的120MHz频率计
- 89C51(31489)
- 采用(14739)
相关推荐
at89c2051实用程序集
at89c2051实用程序集这个包中提供了一些有实际应用价值的子程序供参考选用SUB1----X25045/43 看门狗/存储器与 89C2051接口子程序 源程序/原理图(21K
2008-10-14 17:04:56
基于STM32的频率计(采用输入捕获的方式)
参考博客:STM32 HAL库STM32脉冲宽度和周期测量感谢大佬!!!前言之前拿外部中断做了一个频率计,范围到了1MHz,但是精确度并不是很高,误差在%0.5左右(看了一下那些大佬的频率计,基本上
2021-11-26 13:51:09
26
26AT89C52单片机的频率计(1HZ~20MHZ)设计,LCD1602显示,含仿真、原理图、PCB与代码等
:低于0.1%;4.频率测量结果采用LCD1602液晶显示;系统概述本设计给出了一种以AT89C52单片机为控制核心的数字频率计设计方案。方案由6个部分组成,分别是电源模块、单片机最小系统、信号放大模块、整形模块、分频模块和显示模块。工作原理为:电源模块为整个
2021-11-23 17:06:41
28
28一种智能频率计设计与制作(AVR)proteus仿真+程序资料
一种智能频率计设计与制作(AVR)proteus仿真+程序资料(at89s52单片机)-一种智能频率计的设计与制作(AVR)proteus仿真+程序资料
2021-07-22 15:37:05
20
20使用51单片机设计的数字频率计源码和原理图资料免费下载
采用AT89C52单片机智能控制,结合外围电子电路,设计的频率计性能稳定。在软件设计上采用了单片机的C语言设计,通过单片机内部定时/计数器同时动作,在测量频率时将测频率和测周期相结合提高了频率计的测量准确性。
2019-01-21 08:00:00
54
54八位150MHz数字频率计的制作,150MHz digital frequency meter
八位150MHz数字频率计的制作,150MHz digital frequency meter
关键字:数字频率计制作,150M频率计电路
2018-09-20 19:22:21
1359
1359基于89C2051的步进电机驱动系统设计,Stepper motor drive system design based on 89c2051
下降的优良效果。
硬件设计系统硬件电路主要由单片机电路、可控电源电路和步进电机驱动电路构成。单片机采用ATMEL公司的89C2051。实际应用中,用其P1口低4 位输出控制信号给可控电源电路,使可控
2018-09-20 19:12:59
561
561数字频率计的制作
数字频率计是采用数字电路制做成的能实现对周期性变化信号频率测量的仪器。频率计主要用于测量正弦波、矩形波、三角波和尖脉冲等周期信号的频率值。其扩展功能可以测量信号的周期和脉冲宽度。通常说的,数字频率计是指电子计数式频率计。
2015-11-20 14:55:57
142
142基于AT89C51的频率计硬件电路图
本电路图是基于AT89C51的频率计硬件电路图。具体如图所示。该频率计实现以下功能: 1. 测试功能 它表明数字频率计所具备的全部测试功能,一般包括测频,周期,累计脉冲数,频率比
2012-08-14 11:33:21
4175
4175
基于单片机的频率计的C语言源代码
本文是基于AT89C51单片机的频率计的C源程序。该频率计主要实现的功能有如下几个: 1. 测试功能 它表明数字频率计所具备的全部测试功能,一般包括测频,周期,累计脉冲数,频率比,
2012-08-14 11:04:24
16868
16868
用ICM7216制作150MHz数字频率计
在制作高频电路时,会经常碰到频率测量的问题,实际上频率计(frequency counter)是一种比较容易自制的电子设备。以下将要制作的频率计,其性能并不逊色于一般厂商所制造的产品。
2011-09-29 14:04:14
8238
8238基于89C2051的Sigma-Delta ADC变化实现
基于89C2051的Sigma-Delta ADC变化实现 ;************************************************ ;* Sigma-Delta ADC
2011-07-02 15:31:00
79
7989C2051 实用子程序集
这个包中提供了一些有实际应用价值的子程序供参考选用 SUB1----X25045/43 看门狗/存储器与89C2051接口子程序 源程序/原理图(21K)X25045.EXE SUB2----AT24C02/04/08/16 串行存储器与89C2051接口子程序 源
2011-05-27 08:46:19
434
434超高频数字频率计的设计
摘要:介绍了以通用频率计数器ICM7216D为核心,结合大规模集成电路和简单的外围电路,采用分频法进行测量范围为10kHz~700MHz的超高频数字频率计的设计方法,并给出了该频率计的
2010-05-25 09:03:31
100
100八位150MHz数字频率计的制作
八位150MHz数字频率计的制作
在制作高频电路时,会经常碰到频率测量的问题,实际上频率计(frequency counter)是一种比较容易自制的电子设备。以下将要制作的频率计,其
2010-05-14 10:21:20
6257
6257
基于单片机的数字频率计的方案
基于单片机的数字频率计的方案
概述:设计一种以单片机AT89C51为核心的数字频率计,介绍了单片机、数字译码和显示单元的组成及工作原理。测量
2010-03-24 10:02:01
6181
6181
基于CPLD的120MHz高速AD采集卡的设计
基于CPLD的120MHz高速A/D采集卡的设计徐法东 翟正军 高速A/D采集威廉希尔官方网站
已在许多领域得到愈来愈广泛的应用,本文将详细论述采用CPLD威廉希尔官方网站
来实现120MHz高速A/D采集卡的设计方法,
2010-02-08 09:49:15
57
57数字显示频率计,转速表的制作
数字显示频率计,转速表的制作
这是一款体积非常小巧的电子制作,但是功能异常强大,可以非常容易地嵌入安装在仪表面板上,适合爱好者自制
2009-12-26 17:50:55
4536
4536基于单片机89C51和89C2051点阵LED图文显示
基于单片机89C51和89C2051点阵LED图文显示
1 LED点阵显示系统简介
随着图形点阵LED显示模块在各行各业的逐步使用,使得人机界面变
2009-12-10 10:39:56
2376
2376
基于89C2051的步进电机驱动系统设计
基于89C2051的步进电机驱动系统设计
设计了一种基于89C2051单片机的步进电机驱动系统。该系统优化了电机在不同
2009-09-17 15:06:45
1138
1138
基于89C2051单片机的热表通讯模块的开发
基于89C2051单片机的热表通讯模块的开发:介绍了利用89C2051 单片机开发某热表的通讯模块,并将其应用于实验用主从分布式控制系统中,实现了工控机同多个热表的串行通讯。阐述了串
2009-08-25 18:31:15
29
29基于89C2051的简易交流变频器设计
本文介绍了一种用 89C2051 单片机实现的经济型交流变频器的设计思路,分析了不同转速下电机控制的策略,详细介绍了简后化的交流电机的速度控制原理及其实现方法。关键词:
2009-07-16 09:16:23
108
108AD7543与89C2051实现串行接口的设计
AD7543与89C2051实现串行接口的设计
介绍12位串行输入的数-模转换器AD7543通过89C2051的P1口实现串行接口的方法。关键词:D/A转
2009-05-04 21:40:53
1232
123289C2051单片机在键盘显示装置中的应用
通过设计实例介绍了在嵌入式计算机系统设计中89C2051单片机应用于键盘显示装置上的应用设置威廉希尔官方网站
,给出了这种键盘显示装置的硬件电路原理、软件编程思路及部分应用程序,最后对
2009-04-23 14:20:14
37
37基于单片机89C51和89C2051点阵LED图文显示
摘 要:介绍了一种以单片机89C51为控制器的点阵LED显示系统。该系统采用RS-232通信标准,通过以89C51和89C2051为核心的控制电路和后续驱动电路,得到了LED显示屏多种显示方式和状
2009-02-10 19:15:02
139
139用单片机89C2051制作的延时控制器
;***************************************************;* 用单片机89C2051制作的延时控制器  
2008-10-14 17:18:50
1348
1348
电子发烧友App









评论