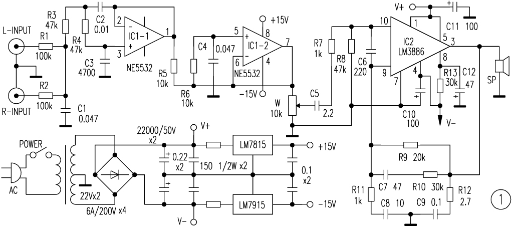
LM3886功率放大器电路图

电子发烧友App
硬声App
完善资料让更多小伙伴认识你,还能领取20积分哦,立即完善>
电子发烧友网>电子威廉希尔官方网站 应用>电路原理图>放大电路图>功率放大器电路图>LM3886功率放大器电路图
相关推荐
1049
303
828
19
4
6
23
1860
1476
1970
1852
4130
2463
1623
26056
111196
80563
评论