及应用电路图---LM317外形引脚图    三、LM317稳压器介绍、引脚图、参数、工作原理及应用电路图---LM317参数  1、绝对最大额定值    2、LM317电气参数    四、LM
2019-03-06 07:00:00
本文介绍了两个lm3886功放电路图。
2018-01-09 17:12:07
131947 LM3886 BTL功放电路图
2010-11-06 15:44:30
20071 
LM3886功放板电路图免费下载。
2021-05-28 14:44:47
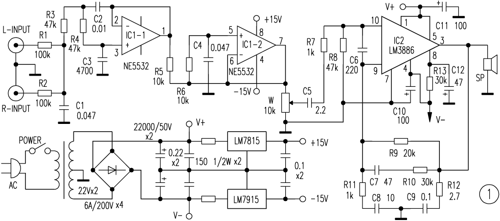
123 LM3886带过压、过高温保护并且具有静噪功能的68W单声道高保真功率放大器,其主要电气参数如表所示。LM3886采用11脚TO-220封装。LM3886典型应用电路如图1所示。LM3886在供电电压为。10V以上时即可工作,只是输出功率降低。
2017-10-27 10:59:06
80563 
LM3886双声道音频功放电路图
2009-04-07 15:44:33
7090 
LM3886功率放大器电路图
2009-04-07 14:41:40
4690 
LM3886是一款带静音功能的高性能150W音频功率放大器。音频功率LM3886(例如NS)利用其自身峰值瞬时温度(°Ke)(SPIKe)保护电路,通过提供固有的动态保护安全工作区(SOA),其性能高于分立式和混合放大器。
2023-07-24 15:28:42
1049 
LM3886功放芯片的原理图及PCB印刷图。
2016-05-09 14:16:51
67 LM3886低音炮电路
2007-06-26 13:11:58
6333 
最大功率达到280W的LM3886功放电路图
2009-11-26 14:52:17
6319 LM3886功率放大器,lm3886 power amplifier
              关键字:LM3886,功率放大器,放大器电路,功放制作,功放电路
2018-09-20 19:01:09
1623 LM1875的输出功率最大是30W,LM3886的输出功率最大是70W,LM1875的谐波失真是0.07,LM3886的谐波失真是0.03,LM1875的频带宽度是10-100K(+/-3dB
2017-10-27 11:27:47
140641 LM3886制作50W功放电路
LM3886是美国国家半导体公司新出的一款带过压、过高
2006-04-19 16:39:52
4738 
lm3886参数
LM3886TF的电气参数如下:LM3886在VCC=VEE=28V、 4欧负载时能达到68W的连续平均功率,在VCC=VEE=35V,8欧负载时能达到50W的平均功率。
2009-04-07 14:53:38
12732 低音放大器。本电路即为LM3886配合NE5532前置级制作的一台重低音功率放大器,搭配重低音音箱可获得较好的听音效果。电路图如下:
 LM3886性能: ·VCC=±28V OUTPUT=68W
2018-09-20 19:09:15
4130  为了解决瞬态失真的问题,笔者将LM3886 功放典型应用电路改为电流负反馈型,用电阻把流过扬声器音圈的电流取样反馈给功放输入端,把扬声器系统也包含在反馈系统之内。
2021-02-17 16:49:00
24451 
LM3886是一款带过压、过高温保护的高保真大功率音乐IC,其外围电路简单、制作方便。
2010-09-07 09:58:10
17170 
LM3886是一款常用的大功率高保真功放集成电路,其在供电电压为双35V,负载为8Ω时,输出功率可达50瓦,并且这款功放集成电路的工作电压范围很宽,最低工作电压可以低至双10V,而最高工作电压则可
2021-06-21 17:26:22
17196 
使用功放IC LM3886该款功放的末级电流放大电路未介入环路负反馈,有效地抑制了瞬态互调失真(TIMD)、界面互调失真(IIBM)和相位互调失真(PIMD)等,改善了高音域的层次感,减小了“音染
2017-10-27 10:37:58
27552 
关键词:电路 , 音频 , 专业 众所周知LM3886是HIFI中经常用到的元件,本电路低音由2只LM3886桥接而成,动态效果绝对发烧,高音由一只LM3886放大,整体听感低音动感有力度,中高音
2019-01-16 17:56:02
742 
NE5532做前级  搭配LM3886的功放,,哎哟,不错哦。。
2015-11-17 17:13:03
162 贵的是它具有自动抗开关机时的电流冲击的功能,使扬声器能够安全的工作。 LM3886优异的性能,使得它在近几年音响制作中广泛的应用,许多成品功放机中就有直接的应用它担任后级功放或者用它作为重低音放大电路。采用
2018-09-20 19:06:16
2137 电子发烧友网为你提供TI(ti)LM3886相关产品参数、数据手册,更有LM3886的引脚图、接线图、封装手册、中文资料、英文资料,LM3886真值表,LM3886管脚等资料,希望可以帮助到广大的电子工程师们。
2018-11-02 17:59:06

电子发烧友网站提供《LM3886特别版放大器板.zip》资料免费下载
2022-07-07 14:31:12
12 lm3886参数
LM3886TF的电气参数如下:LM3886在VCC=VEE=28V、 4欧负载时能达到68W的连续平均功率,在VCC=VEE=35V,8欧负载时能达到50W的平均功率。
2009-04-07 14:53:39
23799 
LM3886是美国国家半导体公司新出的一款带过压、过高温保护的高保真大功率音乐IC,其外围电路简单、制作方便。
2021-03-18 16:37:02
31 LM3886国半英文版资料,很全面,需要的下载。
2016-08-29 15:02:03
12 电子发烧友网站提供《LM3886 60W HI-FI音频电路板.zip》资料免费下载
2022-07-21 14:56:05
15 这是基于美国国家半导体公司的单片ICLM3886构建的68W功率音频放大器电路。LM3886用于单通道操作。用于操作此放大器电路的双极性/分离/对称电源。
2022-06-01 15:55:24
1970 
电子发烧友网站提供《LM3886低音炮放大器设计.zip》资料免费下载
2022-08-17 11:28:55
14 国半LM3886和意法TDA7293 7294都是当今很优秀的功放集成。LM3886声音更暖些,低音表现更好些,底噪比7294稍大一丁点。7294声音更干净。相比3886有点偏冷。总之都是好IC,功率差不多,看你偏好。
2017-10-27 11:54:54
151381 ;   LM3886有两种型号:LM3886TF和LM3886T,前者散热片绝缘,后者不绝缘。下图为美国国家半导体公司提供的应用电路图:    怎么样
2006-04-15 13:08:50
1538 
 The LM3886 is a high-performance audio power amplifiercapable of delivering 68W of continuous
2008-05-05 21:40:25
329 LM3886是美国NS公司推出的新型的大功率音频放大集成电路,其后面的TF为全绝缘封装,和 LM1875T相比,它的功率较大,在额定工作电压下最大可达68W的连续不失真平均功率,同样具有
2009-04-07 22:49:44
677                   LM3886是美国国家半导体公司新出的一款带过压、过高温保护的高保真大功率音乐IC,其外围电路简单、
2006-04-14 23:34:08
1334 本文档的主要内容详细介绍的是LM3886功率放大器的PCB原理图免费下载。
2020-10-21 11:19:17
101 、C5与开关(图中虚线所示)组成静音控制电路:当开关断开时,LM3886停上输出,即静音起作用;接通开关时静音解除,R8将⑧脚输出电流限制到0.5mA(LM3886的⑧脚电流≥0.5mA)。C5为静音
2018-09-20 19:02:09
2463 LM3886是甲乙类(AB类)模拟功率放大器。8管三肯功放板如果输出在30~50W以下是甲类,输出在1000~150W以上是甲乙类!LM3886是美国NS公司推出的大功率音频放大集成电路,型号后缀
2017-10-27 14:25:48
25748 
本文首先介绍了TDA7294主要特点与引脚功能,其次介绍了lm3886参数及引脚图,最后分析了tda7294音质以及阐述了tda7294与lm3886两者之间的区别。
2018-05-23 11:22:16
87389 
LM3886是美国NS公司最新面市的大功率高性能集成功放,在5HZ~100KHZ范围内线性良好,互调失真低达0.004%,谐波
2010-12-28 15:33:27
3377 
LM3886TF是美国NS公司推出的新型的大功率音频放大集成电路,其后面的TF为全绝缘封装,和 LM1875T相比,它的功率较大,在额定工作电压下最大可达68W的连续不失真平均功率,同样具有比
2011-09-02 17:04:03
3480 LM3886+NE5532构成的超低音功放电路图
2010-03-29 09:42:15
10029 
lm3886是美国NS公司推出的新型的大功率音频放大集成电路,LM3886TF后面的TF为全绝缘封装,和 LM1875T相比,它的功率较大。在额定工作电压下最大可达68W的连续不失真平均功率,同样
2017-10-27 10:17:27
37203 
                      看到全网工作室上发表的LM3886制作的超重低音功放之后,眼前一亮,用NE5532处理低音
2006-04-17 23:21:18
4431 lm1876应用电路图
2009-05-29 08:20:51
5508 
lm317应用电路图
2007-11-26 22:25:11
1842 
本电路适合无论是用分立元件或集成电路的单声道功放,不改一个元件即可组成BTL输出。原理非常简单,就是用两块LM3886或TDA7294单声道功放板,利用运算放大器改变
2010-09-21 16:04:54
8669 
lm7812应用电路图:LM7812中文资料
2008-07-13 01:37:47
8213 
lm331应用电路图
上图是由L
2008-04-02 16:06:16
10065 
LM3886是一款高性能音频功率放大器,能够为68。负载和4W成38在 8Hz–0kHz 范围内具有 1.20% THD+N。LM20利用其自身峰值瞬时温度 SPiKe 保护电路,通过提供固有的动态
2023-05-23 14:36:30
1240 
LM3886TF功放机的制作原理及方法
经过半个月的打造,我的LM3886功放终于完工了, 整个小机箱里装上了两个LM3886组成双成道功放,前置为NE5532音调板,后面加了喇叭保护电
2010-03-13 15:47:53
15686 lM3886TF是美国NS公司推出的新型的大功率音频放大集成电路,其后面的TF为全绝缘封装,和 LM1875T相比,它的功率较大,在额定工作电压下最大可达68W的连续不失真平均功率,同样具有比
2012-09-19 17:36:52
129  LM384功率输出电路,LM384应用电路图
2009-07-01 17:58:41
7492 
LM317典型应用电路图
2009-05-11 13:02:37
2760 
lm706应用电路图 本电路的复位电路是用一个复位芯片MAX706P来设计的,并带有复位
2008-07-21 14:47:02
1657 
LM2574 LM2574HV应用电路图
2009-05-13 15:02:51
1461 
LM2574 LM2574HV应用电路图
2008-05-06 23:20:37
1782 
LM3886TF在VCC=VEE=28V、4欧负载时能达到68W的连续平均功率,在VCC=VEE=35V,8欧负载时能达到50W的平均功率。
2018-01-09 15:33:15
24386 LM 3886 国外图纸
2016-12-09 17:19:58
35     lm339应用电路图:LM339集成块内部装有四个独立的电压比较器,该
2006-04-16 22:42:45
23893 
用NE5532     LM3886作芯片的纯低音功放
2016-03-24 11:02:00
86 多款LM358典型应用电路图免费下载。
2021-06-11 10:55:35
311 供应充电器DP4021芯片内置60V 功率MOSFET,提供dp4021应用电路图关键参数 ,更多产品手册、应用料资请向深圳市骊微电子申请。>> 
2023-06-15 17:07:28
LM2941 2941C典型应用电路图
2009-05-11 13:03:36
8765 
 
                     
                
评论