TC1002分步进马达控制器应用电路
- 马达控制(65771)
- TC1002(7752)
- 马达控制器(7144)
相关推荐
步进电机控制器的应用设置
步进电机控制器是一种专门用于控制步进电机的设备,可以用来控制步进电机的转速和方向。步进电机控制器通常包括一个驱动电路板和一个控制板,驱动电路板用于提供电源和输出脉冲信号,控制板则用于控制步进电机的运行。
步进电机控制器的应用设置一般包括以下几个方面:
2023-03-26 22:30:20
827
82742步进电机控制入门
随着考试结束回到老家,翻了一下自己的一些电子元器件,然后找到一个威纶通的42TK08步进电机,那么我就想着在这分享一篇,利用步进电机驱动板控制步进电 机。
那么当我们拿到一个元器件首先要做些什么呢?直接上手?无疑是先搜索一下资料,防止导致元器件的损坏。那么,我们就先了解一下我手中的这款步进电机吧。
2023-03-24 10:20:23
0
0Arduino mega 2560控制42步进电机接线
Arduino mega 2560控制42步进电机接线图 ****TB6600驱动器与42步进电机接线图****接线: 12V电源适配器正负极分别接驱动器VCC和GND 步进电机黑绿红蓝线分别接
2023-03-24 10:10:50
4
4STM32利用PWM控制42步进电机
42步进电机也是经常使用的一类电机,其控制方法也十分简单,但如果要用好步进电机,还需要了解一些前瞻知识,这篇文章 除了介绍其控制方法外,还会介绍其中一些必备的知识。
42步进电机在市面上还是挺常见
2023-03-24 09:52:41
10
10STM32F103步进电机驱动简单控制
stm32f103步进电机驱动控制 一、硬件接线方法 本文采用混合式二相步进电机-J8HB2401-野火42步进电机,驱动器为野火EBF-MSD4805,下面是常用接线方式:如上图所示通常采用共阴
2023-03-16 09:28:45
4
442步进电机驱动控制器
概述:一款即支持S/D脉冲控制,又支持RS485总线控制,体积小巧,主要用以42步进电机的驱动控制器。参数:电压:9-28V电流:1.4A微步细分:256内插细分只支持RS485、S/D脉冲控制
2022-09-26 17:56:35
AVR程序使用VID6606控制VID29步进电机[
AVR程序使用VID6606控制VID29步进电机概述一、VID6606的功能和特点二、VID6606引脚功能三、VID6606典型应用电路如何用AVR单片机控制VID6606驱动VID29一
2021-11-15 14:36:07
19
19基于RAMPS 3D打印机套件的A4988步进驱动器设计
马达板基于两个来自RAMPS 3D打印机套件的A4988步进驱动器 两个A4988步进驱动器均使用2个数字引脚分别用于速度和方向,并且都共享一个额外的数字引脚以启用或禁用电动机。
2021-04-29 11:38:52
2802
2802使用STM32控制TMC5160步进电机控制驱动芯片的代码和电路图及工程文件
本文档的主要内容详细介绍的是使用STM32控制TMC5160步进电机控制驱动芯片的代码和电路图及工程文件。
2019-10-08 08:00:00
565
565TC654/TC655原文资料数据手册PDF免费下载(PWM风扇速度控制器)
该文档是TC654/TC655(PWM风扇速度控制器)中文资料用户手册,TC654/TC655的应用特征、功率参数、应用范围和基本电路。还包括TC654/TC655应用电路图和引脚配置图,是最全的TC654/TC655中文资料,欢迎大家免费下载。
2017-10-28 10:28:04
14
14THB7128步进电机驱动器电路图与PCB源文件
电子设计研发部分的研发人员常用资料,THB7128步进电机驱动器电路图与PCB源文件,感兴趣的小伙伴可以瞧一瞧。
2016-11-03 14:26:19
90
90LT2221步进电机驱动电路
LT2221热敏打印机芯的进纸操作由机芯内的步进电机完成。驱动电路由A3967步进电机驱动芯片构成,A3967是一种内嵌逻辑变换的完全步进电机驱动芯片。
2011-11-28 10:55:14
4496
4496
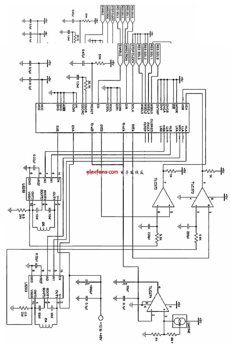
TC1002中文资料,TC1002 pdf
TC1002是一个高性能细分步进马达控制器。它包含一个模拟SINE/COSINE 信号发生器,完整的数字控制集成在一颗IC 中,高集成度减少产品的设计周期。尽量的减少了外部的分立元件,提供给
2011-07-31 20:25:42
69
69步进电机控制芯片与驱动电路
步进电机控制芯片TC1002 是一个高性能二相步进电机细分驱动控制器。TC1002支持14 种细分等级,最大256细分,最大支持4.2A和8.0A电流.....步进电机控制芯片TC1002的应用驱动电路如下,上面这种应用是
2011-07-27 18:33:18
11256
11256
TMC428步进电机运动控制器
TMC428是TRINAMIC公司最新开发的步进电机运动控制器,它可减少电机控制软件设计的工作量,降低开发成本。以它为核心(包括TMC236型步进电机驱动器)构成的3轴步进电机驱动
2010-12-03 15:47:29
71
71555步进脉冲发生器电路,555 stepper pulse
555步进脉冲发生器电路,555 stepper pulse generator
Specifications
2010-02-27 09:25:12
1998
1998
三相混合式多细分步进电机驱动器
三相混合式多细分步进电机驱动器
本文根据正弦电流细分驱动的原理,设计出三相混合式多细分步进电机驱动器。系统采用电流跟跟踪和脉宽调制威廉希尔官方网站
,使用电机的相
2010-02-22 10:58:09
1977
1977
K-880步进电机控制卡使用说明书
K-880步进电机控制卡使用说明书:K-880是一款能够同时控制4个伺服电机或步进电机的运动控制卡,它以高频率脉冲串输出方式,控制伺服和步进电机的运动。在一个系统中,可嵌入多块
2010-01-09 13:57:36
22
22单晶机实习步进马达应用
本文介绍如何使用VB程式透过RS232传输控制指令到89C51单晶片上,输出派波讯号至放大电路,控制步进马达反转,放大电路也就是所谓的步进马达驱动器,市售步进马达驱动器借个在
2009-10-17 14:47:00
21
21TC650/TC651 风扇控制器
TC650/TC651 风扇控制器
TC650及TC651是带有温度传感器用于无刷直流风扇速度控制的集成电路。这两个器件主要特点:根据检测的温度来控制风扇转速,达
2009-06-16 07:42:37
1495
1495
电子发烧友App









评论