电子发烧友网站提供《基于DSP的网侧风电变流器控制板的设计.pdf》资料免费下载
2023-10-24 14:24:34
0 ,能够提供高速、高效、稳定的控制性能。 Ch32控制板的主要功能 1.控制各种电器设备 Ch32控制板可以通过各种控制接口,控制各种电器设备的开关、速度、功率等参数。例如,可以通过控制器驱动电机,实现电机转速和方向的控制,还可以通过控制器控
2023-08-22 15:48:39
266 ISL6568EVAL1 评估板 原理图
2023-07-07 19:57:53
0 电子发烧友网站提供《ApplePi控制板开源分享.zip》资料免费下载
2023-06-12 11:37:28
0 电子发烧友网站提供《步进电机控制板开源.zip》资料免费下载
2023-06-08 14:18:50
0 ISL6568EVAL1 评估板 原理图
2023-03-21 19:57:19
1 超声波清洗电源包括控制板、超声波清洗发生器及超声波清洗机,其中,该控制板,位于超声波清洗发生器,包括:电路基板;控制器,设置在电路基板上。采用数字电位器对超声波清洗发生器的扫频速度和输出功率进行调节
2023-02-26 12:30:10
117 
控制板级时钟分配期间出现的 EMI
2022-11-07 08:07:32
0 基于STM32G07的机器人控制板原理图
2022-09-26 14:52:23
2 51单片机小车控制板原理图免费下载。
2022-08-28 10:41:23
11 电动车驱动器控制板原理图免费下载。
2022-07-26 16:19:02
12 控制板类型多样,可以根据应用领域不同做出不同创新及改变。如今控制板开发在家电行业主要用于智能家居控制系统、洗衣机控制板、加湿器控制板、智能门禁控制系统等等,但如今随着大家物联网发展以及大家生活水平的不断提升,未来电器控制板将会如何发展呢?接下来TCOOP与大家一起谈谈。
2022-05-26 14:48:11
1895 stm32紫电开发板原理图免费下载。
2022-04-11 15:47:04
3 Jupiter 1.0是一款符合中国国情的原理图设计软件,聚焦核心功能,覆盖原理图设计全流程,功能设计更智能化,界面操作更人性化,让硬件工程师使用得更愉悦、顺畅。为昕科技旨在通过新威廉希尔官方网站
提高硬件工程师
2022-04-11 13:47:20
RSC6M-3控制板电路图电气原理图
2008-11-12 10:55:52
STM32F103VET6控制板原理图下载
2022-02-11 11:53:13
129 调温电络铁电路1原理图
2022-02-09 14:40:42
5 T12控制电络铁电路原理图
2022-02-09 10:00:42
85 舵机控制板调试软件下载
2022-01-18 14:53:27
3 FS2722 LED化妆镜控制板1、LED化妆镜控制板,FS2722 三挡触摸调光LED台灯控制板,触摸芯片工作电压2.4-5.5V。一个触摸按键。2、上电不工作,一路灯串电平输出,有一个触摸按键控制
2021-12-08 18:51:07
6 程控稳压电源CPU控制板电路原理图免费下载。
2021-06-15 15:06:17
71 UG-502 SDP-H1控制板
2021-06-10 16:24:06
12 UG-502:SDP-H1控制板
2021-05-24 10:58:03
4 UG-277:SDP-B控制板
2021-05-14 15:02:40
8 UG-291:SDP-S控制板
2021-04-20 08:31:28
6 本文档的主要内容详细介绍的是STM32F429V以太网控制板的电路原理图免费下载。
2021-03-12 11:21:12
51 本文档 的主要内容详细介绍的是科龙空调1423772主控制板的电路原理图合集免费下载。
2020-12-07 08:00:00
17 本文档的主要内容详细介绍的是控制板的PCB原理图免费下载。
2020-10-28 14:56:00
47 本文档的主要内容详细介绍的是使用STM32F429V实现串口和CAN及以太网控制板等原理图免费下载包括了:RS485和RS232,CAN总线,Ethernet,IO,供电部分,网关服务器,主控芯片。
2020-10-26 08:00:00
3 本文档的主要内容详细介绍的是车牌识别控制板的PCB和原理图及3D等设计资料合集免费下载。
2020-09-24 08:00:00
15 本文档的主要内容详细介绍的是Arduino转接控制板的电路原理图免费下载。
2019-12-06 16:02:15
34 IOIO是一款专门为Android1.5以上系统设计的控制板。
2019-11-29 16:01:59
1280 
这款微型Lilypad系列控制板将为你的项目增光添彩,而且不会占用你很多空间。
2019-11-28 11:40:33
943 
这款微型Lilypad系列控制板将为你的项目增光添彩,而且不会占用你很多空间。
2019-11-28 10:51:55
971 
本文档的主要内容详细介绍的是奥太NBC500焊机控制板控制单元功能分区电路原理图免费下载。
2019-07-10 08:00:00
232 电磁加热控制板是电磁加热器中不可缺少的一部分,其中,电磁加热控制板相当于一个电路图,电磁加热器是靠它来指挥工作。电磁加热控制板可以对注塑机与吹膜机等塑胶机械进行节能改造,相比电阻圈加热节能效果更显著。具有节能环保、故障率低、免维护等优点。
2019-07-04 15:46:42
4586 空调控制板也是一种电路板,其运用的范围虽不如电路板来的宽泛,但却比普通的电路板来的智能、自动化。简单的说,能起到控制作用的电路板,才可称为控制板。大到厂家的自动化生产设备,小到孩童用的玩具遥控汽车,内部都用到了控制板。那么空调控制板如何检修呢?
2019-06-26 10:02:30
7059 本文档的主要内容详细介绍的是SIM900C短信继电器控制板的PcbDoc原理图资料免费下载。
2019-05-21 08:00:00
13 控制板也是一种电路板,其运用的范围虽不如电路板来的宽泛,但却比普通的电路板来的智能、自动化。简单的说,能起到控制作用的电路板,才可称为控制板。大到厂家的自动化生产设备,小到孩童用的玩具遥控汽车,内部都用到了控制板。
2019-05-20 17:09:26
13669 控制板也是一种,其运用的范围虽不如电路板来的宽泛,但却比普通的电路板来的智能、自动化。简单的说,能起到控制作用的电路板,才可称为控制板。大到厂家的自动化生产设备,其中包括工业控制板、仪表仪器控制板,高压电机控制板。
2019-05-08 15:14:27
7300 简单的说,能起到控制作用的电路板,才可称为控制板。 控制系统:理解为多块控制板拼到一起装成的设备,那就是一个控制系统;如3个人就组成了一个群体,3台电脑联在一起,就组成了一个网络一样的意思。控制系统的组成,是设备之间操作更方便,生产设备自动化,节省了人员的操作,提高企业的产能、效率。
2019-05-08 15:12:24
8398 本文档的主要内容详细介绍的是程控稳压电源CPU控制板电路原理图免费下载。
2019-01-18 08:00:00
34 本视频主要详细介绍了控制板的分类,分别是工业控制板、电机控制板、家电控制板、医疗器械控制板、汽车电子控制板、数字电源控制板、通讯控制板。
2019-01-06 10:15:49
6102 飞行控制板硬件原理图及PCB设计
2018-06-10 08:00:00
58 本文首先介绍了舵机控制板特点,其次介绍了舵机控制板的电压及供电,最后阐述了舵机控制板使用说明,具体的跟随小编一起来了解一下。
2018-05-30 11:33:56
29364 舵机机器人控制板的电路原理图
非常有用
可以帮助理解原理基础部分
尤其对于初学者
很有帮助
大家可以下载观看
2018-04-26 15:38:41
47 奥太NBC500电焊机控制板原理图
2018-03-07 15:28:03
123 3D移动控制板电路图_1
2017-11-23 14:46:50
0 3d移动控制板电路图2
2017-11-23 14:45:53
0 3d移动控制板电路图4
2017-11-23 14:44:53
0 3d移动控制板电路图3
2017-11-23 14:44:26
0 3d移动控制板电路图5
2017-11-23 14:43:12
0 2维移动控制板的电路图
2017-11-23 11:41:41
2 2维移动控制板的电路图
2017-11-23 11:40:37
3 2维移动控制板的电路图
2017-11-23 11:39:33
0 2维移动控制板的电路图
2017-11-23 11:38:49
2 数字DC/DC控制板
2017-11-09 17:43:33
1 单片机人机界面控制板
2017-10-30 11:14:38
6 简单单相逆变器控制板原理图,Atmega16L源代码,试验过了,能用
2017-08-09 15:40:13
8 控制板器件
2017-04-08 08:25:17
9 8490f太阳能控制板8490f太阳能控制板
2017-01-24 17:03:44
3 此为便携式7KW直流充电桩主控板原理图,PCB与继电器板的原理图与PCB
2016-12-16 08:56:31
293 有关l293驱动控制板的介绍,内含l293系列板子的总体介绍,很细致
2016-04-29 16:21:11
6 13种电动自行车控制板电路图及部分源程序13种电动自行车控制板电路图及部分源程序
2016-02-18 17:07:35
67 模电音调调节电路 原理图 pcb 配合功放电路可以达到音调调节的作用,亲测高音明显可用
2015-12-30 16:21:44
10 本文将为您详解单片机控制板在设计过程中需遵循的一些原则。
2014-05-13 11:41:47
1128 温度控制板
2012-07-16 11:32:06
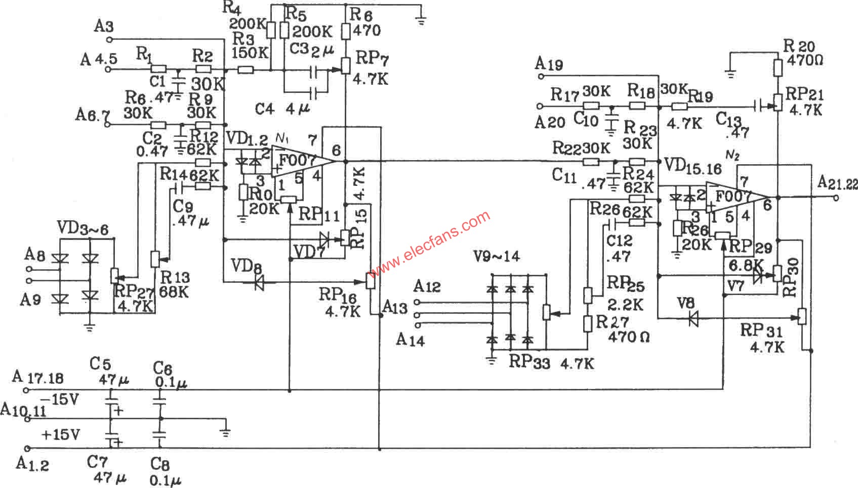
954 为了实现网侧风电变流器的控制目标,提出了一种基于DSP的网侧风力发电变流器控制板的设计方案,并完成系统的软硬件设计。该控制板的硬件部分主要是基于主控芯片TMS320LF2407A,软件
2012-03-20 10:27:57
82 目录 通用遥控LED数码显示屏控制板的应用制作 通用遥控LED数码显示屏控制板的结构和功能 主控制板原理 应用示例 遥控大屏幕电子钟 遥控大屏幕安全天数显示屏 遥控大屏幕万年历 带
2011-04-17 16:46:08
175 KJZ6-4控制板普遍适用在电力控制系统中。它由稳压电源、移相触发和Pl调节器三部分组成。PI调节器的输出可作为可控硅触发部分的移相电压。将控制电压幅度转换为相应导通角功率足够大的触发脉冲驱动功率可控硅器件.
2011-01-24 11:24:38
1493 
1 主题内容与适用范围本标准规定了家用冰箱电脑控制板(以下简称控制板)外观要求、使用功能和安全要求、环境试验、电磁兼容、检验规则、标志、包装、运输、贮存给
2010-06-12 07:37:17
68 LM317T在焊接控制板中的运用电路结构及工作原理电源电路原理如图2所示。图2电源电路原理图
2010-02-21 15:02:57
2223 
海信空调维修KFR4501LWd室内机控制板电路图
2009-04-14 17:53:28
2670 
海信空调维修KFR1200LWd室内机控制板电路图
2009-04-14 17:52:01
4220 
海信空调维修7201QWbp室外机控制板电路图
2009-04-14 17:45:54
3596 
交通灯控制板用户手册、交通灯源代码、交通灯电路原理图(用Orcad打开)、交通灯电路原理图(用PDF打开)、交通灯PCB图
2009-01-02 19:16:38
80 功频电液调节系统原理图
1.启动工
2008-12-13 15:35:23
1789 空调控制板原理图
2008-02-02 22:58:48
11541 
评论