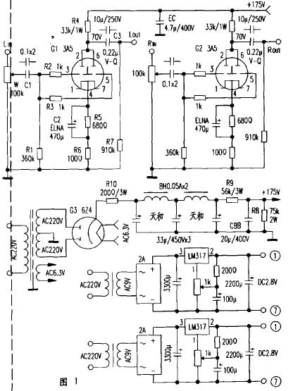
电子管3A5组成的前级放大器电路
- 前级放大器(15922)
- 3A5(9634)
相关推荐
基于电子管构建的2x4W立体声管放大器电路
这种2x4W立体声管放大器电路不是使用晶体管构建的,而是使用电子管构建的。使用如图所示的电路,该放大器可以为每个通道产生4瓦的功率。众所周知,带有电管的放大器电路比使用晶体管功率放大器具有更好的质量。
2023-05-13 16:59:17
493
493
分享一个经典的5W电子管放大器的电路图
这是经典的5W电子管放大器的电路图,以EL84作为最终放大元件。这是一个单通道放大器(单声道),当然具有单输入和单输出。您应该构建两个相似的电路以使其成为立体声。
2022-06-09 15:05:00
3641
3641
胆前级放大电路的制作与设计
做成的前级放大板,电路由两个6J1,两个6N3和胆整流6Z4组成。电路图如下:</font></p><p>&
2009-01-31 10:50:53
短波电子管放大器的入门教程详细说明
短波功率放大器有晶体管和电子管之分,晶体管功放一般是由晶体三极管或场效应管来作为电子放大器件;而电子管功放则使用真空电子管或陶瓷雷达管来作为电子放大器件。
2020-08-11 08:00:00
38
38怎样用6N3电子管作前级加耳放
为了听胆味,本人用一只6N3电子管组装了一个前级放大器。为了能驱动耳机,加了个集成功放TDA2822。该电路成本比其他电路低,制作也简单,适合学生或者一般的电子爱好者组装。
2018-09-25 09:10:00
14564
14564
6N3电子管前级放大器,6N3 PRE-AMPLIFIER
6N3电子管前级放大器,6N3 PRE-AMPLIFIER
关键字:6N3,电子管放大器电路图
作者:陶波
笔看购得块“马蹄诗
2018-09-20 19:12:44
9409
9409FU-17电子管功率放大器电路,FU-17 vacuum tube power amplifier
FU-17电子管功率放大器电路,FU-17 vacuum tube power amplifier
关键字:FU-17电子管功率放大器
2018-09-20 19:02:40
3806
3806300B电子管功率放大器电路,300b vacuum tube amplifier
300B电子管功率放大器电路,300b vacuum tube amplifier
关键字:300B电子管功率放大器电路
2018-09-20 19:02:28
2401
24012A3电子管功率放大器电路,2a3 vacuum tube power amplifier
2A3电子管功率放大器电路,2a3 vacuum tube power amplifier
关键字:2A3电子管功率放大器电路
2018-09-20 19:00:25
1221
1221SE807电子管功率放大器电路,se807 vacuum tube power amplifier
SE807电子管功率放大器电路,se807 vacuum tube power amplifier
关键字:SE807电子管功率放大器电路
2018-09-20 19:00:18
1375
13756BQ5电子管功率放大器电路,6bq5 vacuum tube power amplifier
6BQ5电子管功率放大器电路,6bq5 vacuum tube power amplifier
关键字:6BQ5电子管功率放大器电路
2018-09-20 19:00:17
1643
1643KT66电子管功率放大器电路,kt66 vacuum tube power amplifier
KT66电子管功率放大器电路,kt66 vacuum tube power amplifier
关键字:KT66电子管功率放大器电路
2018-09-20 19:00:15
1824
18246P3P电子管功率放大器电路,6p3p vacuum tube power amplifier
6P3P电子管功率放大器电路,6p3p vacuum tube power amplifier
关键字:6P3P电子管功率放大器电路
2018-09-20 19:00:14
2607
2607电子管前级如何打造_要什么电子管做前级比较好
本文首先介绍了三款经典电子管前级线路图,其次分析了要用什么电子管做前级比较好,最后详细介绍了电子管前级的打造和管子选择。
2018-05-08 15:20:42
64491
64491
电子管放大器的自制与调试
制作 电子管放大器 时应重点把握以下几个方面的问题。 一、供电系统供电系统的优劣直接影响到系统的稳定性和功放电路各项性能的良好发挥。 1. 电源变压器:在电子管放大器中,功放
2011-08-24 16:43:42
574
574散发出音乐中细致的情感听G W T-6S 电子管前级放大器
散发出音乐中细致的情感听G W T-6S 电子管前级放大器:G&W 过往产品给人的印象是晶体管放大器为主导, 其外观设计走的是四平八稳的路线,这次去杂志社见到G&W T一6S电子管前级放
2009-12-17 08:32:32
93
93浅谈三极电子管A1类功率放大器的设计
浅谈三极电子管A1类功率放大器的设计:在电子管放大器中,如果阳极(或屏极)电流I。在整个信号周期T中的导通角2 0=360。,则称其为A类放大器。同时,在栅极电路中,如栅极电压11 =
2009-12-17 08:28:56
87
87仿制名机-马兰士7电子管前级
仿制名机-马兰士7电子管前级:名机马兰士7前级放大器是大家公认的最靓声电子管前级之一,原机价格昂贵,即便是仿制品,整机价格也不便宜。对于喜欢动手的读者来说,自己动手
2009-12-15 10:13:09
217
2173A5一款极品前级的制作
3A5一款极品前级的制作:l常规线路安装,有极大的交流声和杂声出现。费尽该线路,始终都无法清除,才知道3A5是一只难I管子。必须在供电电路中下。猛药 试制后,最终,灯丝电压
2009-12-15 10:12:00
70
70电子管音频放大器威廉希尔官方网站 基础()子管音频放大器综述
现代电子管音频放大器的品种繁多,从威廉希尔官方网站
角度来分类,一般可分为电压放大器与功率放大器;从产品的结构形式来分类,则可分为电子管前级放大器、电子管功率放大器与合并式
2009-12-12 08:33:52
225
225电子管音频放大器威廉希尔官方网站 基础(五)-阻容耦合式前级放大器
电子管音频放大器威廉希尔官方网站
基础(五)-阻容耦合式前级放大器:电子管阻容耦合式前级放大器又称为并列式前级放大器,其电路包括多级共阴极放大与共屏极放大,各级之间由级间电容耦
2009-12-12 08:32:53
246
246电子管音频放大器威廉希尔官方网站 基础(四)-前级放大器输入方式
电子管音频放大器威廉希尔官方网站
基础(四)-前级放大器输入方式:功放由电压放大级与功率放大级所组成,由MIC、PHONO、TAPE、CD、LINE等各种音源设备所输出的音频信号电压均比较微弱,必须先
2009-12-12 08:32:16
220
220电子管音频放大器威廉希尔官方网站 基础(十四)-推挽功率放大器
电子管音频放大器威廉希尔官方网站
基础(十四)-推挽功率放大器:推挽功率放大器一般由输入电压放大级、倒相与推动放大级与功率放大级所组成。1.输入电压放大级对于现代各种音源设备
2009-12-12 08:30:10
210
210电子管音频放大器威廉希尔官方网站 基础(十三)-单端A类功率放大器
电子管音频放大器威廉希尔官方网站
基础(十三)-单端A类功率放大器:功率放大管在放大音频信号时,由于电路设计与工作方式的差别,可有不同的工作状态和放大效率。采用同一种功率电子管,可
2009-12-12 08:29:26
243
243电子管音频放大器威廉希尔官方网站 基础(十六)-放大器的输入与输出阻抗
电子管音频放大器威廉希尔官方网站
基础(十六)-放大器的输入与输出阻抗:电子管音频放大器的输入阻抗通常就近似等于栅漏电阻R ,但当放大器加有负反馈时,输入阻抗就发生较大的变化,其变
2009-12-12 08:28:44
211
211电子管音频放大器威廉希尔官方网站 基础(十九)电子管阴极输出电路
电子管音频放大器威廉希尔官方网站
基础(十九)电子管阴极输出电路:电子管阴极输出电路具有输入阻抗非常高而输出阻抗非常低的特点,在放大器中能起到承前启后的阻抗匹配作用,因此该电
2009-12-12 08:27:58
186
186电子管特性及其应用(十七)-电子管放大器的装配工艺
电子管特性及其应用(十七)-电子管放大器的装配工艺:一部优质声频放大器,除了电路设计和零部件外,制作工艺是第三要素,它将直接影响到整机品质,是保证电子产品可靠性,赢
2009-12-12 08:19:38
80
80电子管特性及其应用(二十)-电子管放大器的测试
电子管特性及其应用(二十)-电子管放大器的测试:新装的放大器,首先应检查元件及电路接线是否无误,才能通电调整及测试。先预热30分钟到1小时,然后测量放大器各部的电压,如
2009-12-11 08:37:09
106
106电子管集成电路混合功放制作详解
电子管-集成电路混合功放制作详解:本文介绍一款电子管集成电路混合功放的制作。该功放前级使用由6N3组成的SRPP电路加上一级6N1阴极输出器,既具有宽的频率响应,又有较强的输
2009-12-11 08:30:59
217
217用6N11电子管制作的前级放大器
用6N11电子管制作的前级放大器:放大器分前级和后级,我们常说的合并机是将两者合二为一的机器。前级主要作用是对输入的徼弱信号进行电压放大,以推动后续的功率放大管。一般
2009-12-02 08:22:28
118
118电子管串接放大器
电子管串接放大器:电子管音频功率放大器对音乐具有独特的表现魅力,因而使不少爱好者乐于动手制作,以聆听那美妙的音色。音频功率放大器是音响系统中介于音源与音箱之间起
2009-11-29 17:03:45
55
55电子管放大器信噪比的提高
电子管放大器信噪比的提高:声频放大器由于元器件的质量和外部影响,会出现噪声(noise),降低信噪比。声频放大器的噪声可分:① 规则噪声,如交流声;② 连续的不规则噪声,如
2009-11-29 17:00:39
56
56电子管功率放大器的设计与制作
电子管功率放大器的设计与制作:近几十年来,由于晶体管及集成电路威廉希尔官方网站
的飞速发展,使电子管几乎退出了历史舞台。但是由于电子管不同于晶体管的一些特性。使它在音频放大领
2009-11-28 08:27:07
89
89电子管功率放大器中的前级管
电子管功率放大器中的前级管:前级管是指功率放大器的最前端放大电子管,位于倒相管之前,一般输出级引出的环路电压负反馈引入此级。功率输出电子管要输出足够的功率,必须
2009-11-28 08:25:11
75
75电子管功率放大器中的倒相电路
在电子管推挽功率放大器中,功率放大级需要一对大小相等,相位相反的驱动信号,这就需要设置倒相电路,它在放大器中起着非常重要的作用。倒相电路的种类较多,工作性能也
2009-11-28 08:24:05
53
53G/W T-6S电子管前级放大器
G/W T-6S电子管前级放大器:山灵的新产品Me一3被厂家称之为音乐中心,它集CD播放、收音、mod NA、电子管功放等功能于一体,功能齐全,外观时尚经典,声音甜美悦耳,它既是一件Hi
2009-11-27 16:31:57
49
49怎么延长电子管放大器的使用寿命?
怎么延长电子管放大器的使用寿命?自70年代电子管放大器复出重登音响舞台以来,已占有一定市场,但目前的电子管音响产品中,电子管引起的故障--包括欧美电子管在
2009-11-10 10:29:12
664
6646n11前级电路图|6n11电子管功放制作资料
6n11电子管电路资料 电子管前置放大器的电路结构有多种形式,本人的前级放大器采用的是:改进型的SRPP电路+阴极输出电路,见图1所示。原因是SRPP电路是公认的失真小、频响宽、噪声
2008-06-23 22:05:28
45880
45880
电子发烧友App
































评论