本文介绍了以8098单片机作主控单元的大功率直流电源,该系统中采用WATCHDOG的抗干扰威廉希尔官方网站
和锁相环(PLL)控制原理,文章阐述了电力系统根据现场情况要求下,如以电力系统对电池充电
2011-10-24 10:41:28
2903 
TOPSwitch系列单片机开关电源是美国功率集成公司于上世纪90年代中期推出的新型高频开关电源,它是三端离线式PWM开关的英文缩写(Three Terminal Off Line PWM
2020-06-26 19:09:00
1677 
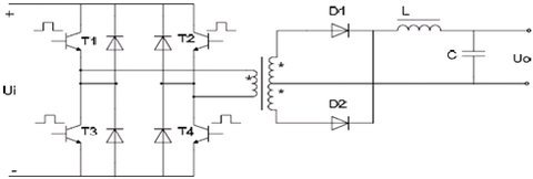
小功率直流稳压电源一般由变压、整流、滤波和稳压四个环节组成。
2022-11-02 16:05:18
6121 
文中在简单介绍高频开关电源的工作原理基础上,以通信用-48V开关电源为功率转换部分,89C51单片机为控制核心,对开关电源的控制部分进行优化设计,详细阐述了其工作原理,并通过
2011-09-29 11:12:37
2763 
220转24V 明纬开关电源,在有其它插头插拔的瞬间,直流输出有输出尖峰。后面再接24转5,DC-DC开关电源,那一瞬间也有尖峰,单片机直接用DC-DC输出的电源,会有单片机重启。何解?
2019-09-17 09:00:02
我想做DC-DC降压式开关电源,身上只有51单片机,然而51单片机的运行速度,不能满足开关频率。1.难道只有换一个高速度的单片机,或者换一个专门电源控制芯片的办法吗?能不能从程序上入手
2015-07-22 20:08:52
开关电源的工作原理基础上,以通信用- 48 V开关电源为功率转换部<br/>分,89C51 单片机为控制核心,对开关电源的控制部分进行优化设计,详细阐述了其工作原理,并
2009-12-08 09:36:25
目前中小 功率开关电源正朝着单片集成化的方向发展,本文详细阐述近年来问世的各种单片开关电源的性能特点及典型应用
2023-09-22 06:01:11
单片式小功率开关电源的ic为什么自己会破损呢
2016-04-13 15:24:57
方式,存在一定的误差,而且电路比较复杂[2]。本文设计了一种以ST 公司的高性能单片机μpsd3354 为控制核心的输出电压大范围连续可调的功率开关电源,由单片机直接产生PWM 波,对开关电源的主电路
2018-10-16 13:31:39
用于单片机与电子装置中的开关电源
2020-03-02 06:13:34
以下文本概述了一些单片机控制的开关电源基本方法,以及相关注意事项; 其一是单片机输出一个电压(经DA芯片或PWM方式),用作电源的基准电压。这种方式仅仅是用单片机代替了原来的基准电压,可以用
2016-01-18 15:56:26
请问,在单片机控制的系统中,用什么开关电源?
2016-03-10 13:18:26
开关电源功率是由开关管的最大电流决定吗?例如5v1a的电源,开关管选多大的电流,这个电流是如何算出来的?谢谢
2023-04-04 16:56:04
高频开关电源变压器用功率铁氧体的制备威廉希尔官方网站
2019-04-15 09:58:37
解决方案LED通用照明设计挑战的AC-DC电源设计方案单相有源ACDC变换器及高性能功率模块的研究与应用安森美用于低功率应用的高能效AC-DC开关稳压器方案
2014-12-12 17:44:21
开关电源一般应用在什么地方,普通的芯片(比如单片机)供电可以用吗?有专门的开关电源芯片(类似线性电源中的三端稳压芯片之类的)吗?刚接触这东西,求解答,谢谢!
2012-10-18 13:38:59
电路 直流开关电源中开关稳压器的高集成化和轻量小体积,使其单位体积内的功率密度大大提高,因此如果电源装置内部的元器件对其工作环境温度的要求没有相应提高,必然会使电路性能变坏,元器件过早失效。因此在
2011-11-12 15:24:19
体积内的功率密度大大提高,因此如果电源装置内部的元器件对其工作环境温度的要求没有相应提高,必然会使电路性能变坏,元器件过早失效。因此在大功率直流开关电源中应该设过热保护电路。本文采用温度继电器来检测电源
2019-12-25 18:07:40
、电子检测设备电源、控制设备电源等都已广泛地使用了直流开关电源。同时随着许多高新威廉希尔官方网站
,包括高频开关威廉希尔官方网站
、软开关威廉希尔官方网站
、功率因数校正威廉希尔官方网站
、同步整流威廉希尔官方网站
、智能化威廉希尔官方网站
、表面安装威廉希尔官方网站
等威廉希尔官方网站
的发展,开关电源威廉希尔官方网站
在
2021-09-13 09:32:45
想请教一下大家,直流电源的功率因数怎么用单片机测量?
2017-04-01 14:43:13
开关电源SF5549H,它在我们生活中应用广泛,主要应用在手机/平板充电器和电视/电脑辅助电源等地方。它的IC特性有内置650V功率MOSFET;副边反馈SRR,有TL431;内置频率抖动改善EMI
2017-07-10 10:36:51
老师留的题目,DC-DC开关电源可以设计,可是之前没接触过可调开关电源,不知如何下手,各位能人异士能否帮一下,帮忙设计一款直流转直流可调开关电源呢,最好是纯电路,不涉及单片机,会更加复杂,谢谢
2017-03-28 08:06:48
【作者】:邱富杭;【来源】:《电子设计工程》2010年02期【摘要】:介绍点晶科技的电源管理监控芯片PS223的功能及其在高性能大功率ATX开关电源中的设计应用。PS223是目前市面上防过压、过流
2010-04-24 09:15:14
单片开关电源具有单片集成化、最简外围电路、最佳性能指标、能构成无工频变压器开关电源等显著优点。美国动力(Power)公司在世界上率先研制成功的三端隔离式脉宽调制单片开关电源集成电路,被誉为“顶级
2021-05-21 06:30:21
什么是大功率直流电源?大功率直流电源是各种电子设备都不可缺少的设备,其功能会影响整体产品的使用效果,通常在选择不同功率的电源会根据产品的性能以及要求,大功率直流电源能够很好的为大功率设备供电
2021-12-29 06:52:58
;><strong>以89C51单片机为控制核心的开关电源优化设计<br/></strong>&
2009-12-08 10:42:58
` 在我们使用大功率直流电源的时候,会将它放到任何环境中,所以我们应该知道在什么样的环境中会对我们的直流电源有影响,有很多用户说直流电源的寿命不长,或者说使用了没有太好的效果,其实有时候是因为外界
2019-10-09 14:18:54
。相关链接:大功率开关电源 由于16位单片机在性能方面提升有限,不少客户纷纷从8位转向32位,因此业界并不太看好16位单片机的市场前景。不过,作为8位单片机的领导者,微芯并不这么看。Marsh指出
2010-06-01 17:03:14
基于89C51单片机的开关电源优化设计(2)
2019-03-11 13:22:28
咨询关于开关电源设计、功率开关器件及其驱动电路
2020-11-26 22:19:10
的原理框图。智能稳压电源以开关电源为基础电路,高性能C8051F020单片机为控制核心。电源硬件电路主要由整流滤波电路、Boost电路、PWM控制电路和键盘显示电路等部分组成。在检测与控制软件支持下,通过
2018-10-19 16:44:09
很实用的基于单片机控制的开关电源及其设计方案
2016-06-22 12:23:13
基于单片机控制的开关电源论文资料.
2014-08-16 16:41:45
基于单片机控制的开关电源资料
2012-08-20 12:05:05
利用AVRAT90PWM2单片设计了一种准谐振开关电源。阐述了准谐振开关电源的原理和优点,给出了电路原理图,以及单片机关键寄存器的设置和说明。试验结果证明了该设计的可行性和有效性。关键词:准谐振;谷值开关;电流峰值;零电压开关
2013-07-30 18:01:55
基于单片机的数控开关电源。 1、基于单片机的数控开关电源系统组成 本数控开关电源,采用凌阳单片机实现对基于PWM控制的不对称半桥式功率变换器的数字控制,实现直流输出电压0V~40V设定和步进值为1
2018-11-29 11:41:05
本文基于高性能单片机设计了数字控制的功率直流开关电源。首先介绍了该电源的原理及整体设计方案,其次介绍了部分关键电路的硬件设计,采用软件方式来实现功率直流电源的数字控制,给出了主程序及部分关键部分的程序流程图。该电源具有输出电压连续可调、精度高、电路简单、操作灵活等优点。
2020-10-29 07:24:37
本帖最后由 eehome 于 2013-1-5 09:51 编辑
电子元器件单片开关电源是美国PI(PowerIntegration)公司于上世纪90年代中期推出的新型高频开关电源芯片
2012-12-05 17:22:14
控制要求:单片机根据系统按键设定值控制24V直流电机移动相应的位置;直流电机功率不小于500瓦,即直流电机的工作电流能达到20A左右,这种大功率直流电机选什么驱动芯片?
2013-11-19 09:57:20
大功率直流电源在使用的过程中会遇到哪些问题呢?如何解决的?好有个心里准备啊
2017-07-20 11:27:41
在我们的日常生活中,交流用的比较多,而在一些科研机构、实验室和电子生产线中,经常使用直流,因为这些领域要求电路中的电流比较稳定,所以直流电源,特别是大功率直流电源,应用广泛。PinTech品致高压直流电源
2021-12-30 06:55:59
市电220V经变压,整流,7805稳压,滤波后做出的5V电源分别给单片机、电机驱动芯片,步进电机或者直流电机还有几种5V传感器供电会不会功率不够?如果不用7805稳压芯片做出的线性电源,改用输出lm2596芯片做出电流大的开关电源,能给单片机供电吗?会不会烧坏单片机?开关电源给单片机供电有什么弊端?
2023-03-14 11:38:43
开关电源的工作过程是怎么样的?直流开关电源内部结构如何?开关电源主要有什么工作方式?
2021-03-11 06:06:05
谁用51单片机,lm629,lmd18200做过小功率直流伺服系统的设计啊?求指导!急!!!{:24:}万分感谢
2012-05-14 17:42:52
字控制逻辑电路整合到一个封装内,将各种保护电路集于一身,使外围元器件降到最少,节省外围系统成本。高性能、PSR(原边反馈)单片开关电源控制器;内建700V功率开关管,最.小功率10W、精准的CV/CC
2020-03-23 14:59:44
本文介绍了一种基于单片机控制的数控开关电源,以89C51单片机作为控制核心,对开关变换电路进行脉宽调制,构成一个智能闭环控制系统。单片机控制的开关电源具备更加完善的功能,更人性化、智能化,便于实时
2021-10-28 06:25:04
基于51单片机控制的开关电源的proteus仿真电路图 和 单片机控制c语言程序
2015-01-20 09:54:17
以前 画过单片机 和 蓝牙耳机 的PCB,没有画过 开关电源的PCB。听说开关电源PCB有分布参数等问题需要注意,否则,就会因为PCB而导致失败。目前项目开关电源的拓扑结构是 反激式。请教 各位大侠,画开关电源PCB时,都需要注意哪些问题 ?还望不吝赐教。
2015-09-17 16:28:37
之前听说使用单片机做的开关电源怎么不好不好,那有没有用单片机做过 开关电源,分享一下经验,比如说我要设计开关信号在300K左右或者更高的开关电源,在单片机选型上有没有倾向哪种比较合适?
2015-01-06 13:59:13
10KHz的PWM控制MOSFET驱动中功率直流电机,该直流电机额定工作电压为12V,最大功率250W,在调试过程中发现,在电源输入端已加TVS管、电感、电容滤波等处理下,电源纹波仍然极大,原因应该是直流电机通断瞬间对电源产生了影响!不知道大家可有较好的办法?
2019-09-20 04:18:57
本文介绍了一种基于单片机控制的数控开关电源,以89C51单片机作为控制核心,对开关变换电路进行脉宽调制,构成一个智能闭环控制系统。单片机控制的开关电源具备更加完善的功能,更人性化、智能化,便于实时
2018-11-25 13:24:30
;nbsp; 新型器件和材料的不断涌现并被应用到通信直流开关电源产品中.例如碳化硅(SiC)器件和新型磁性材料(如非晶材料)逐步开始应用到通信用整流器中,DSP芯片也开始在整流器中得到规模应用.更高性能
2010-06-24 11:03:15
目前中、小功率开关电源正朝着单片集成化的方向发展。本文详细阐述近年来问世的各种单片机开关电源的性能特点及典型应用。
2009-07-20 17:02:27
40 介绍点晶科技的电源管理监控芯片PS223的功能及其在高性能大功率ATX开关电源中的设计应用。PS223是目前市面上防过压、过流、欠压、短路、过载及防雷击保护功能最齐全且通用的控
2010-02-11 14:12:02
798 摘要:单片开关电源的应用越来越广泛,文章首先分析了单片开关电源的功率测量威廉希尔官方网站
,然后给出了主要参数的测试,最后详细介绍了单片开关电源电路的性能测量方法。关键词
2010-05-17 08:38:32
50 多种规格高性能单片机MCU,赢得了市场的广泛关注和用户的信赖。本文将详细介绍NY8B072E单片机的特点、优势以及应用领域,帮助读者更好地了解和使用这款高性能单片机
2023-11-27 21:25:15
单片开关电源的快速设计法
摘要:单片开关电源是国际上90年代才开始流行的新型开关电源芯片。本文阐述其快速设计方法。
在设计开关电源时,首先面临的问
2009-03-18 15:16:35
849 
自锁式小功率直流高压开关电路图
2009-06-06 10:15:02
889 
新型高功率单片开关模块电源的设计
1性能特点与威廉希尔官方网站
指标
单片开关电源是国际上90年代才开始流行的新型开关电源芯片,但早期的单片开关电源芯片普遍应用于低功
2009-07-01 10:27:39
526 
基于单片机的高性能直流稳压电源
0 引言
众所周知,许多科学实验都离不开电,并且在这些实验中经常会对通电时间、电压高低、电
2009-07-04 11:41:36
770 
一种大功率直流固态电子开关
摘要:介绍了一种
2009-07-09 11:00:47
4092 
新型高功率单片开关模块电源的设计
1性能特点与威廉希尔官方网站
指标
单片开关电源是国际上90年代才开始流行的新型开关电源芯片
2009-07-09 14:28:49
464 单片开关电源的快速设计法
(单片开关电源威廉希尔官方网站
讲座之二)
河北科技大学沙占友王彦朋张英(石家庄050054)
摘要:单片开关电源是国际上9
2009-07-11 08:34:01
606 
一种基于单片机的数控开关电源设计
1、引言
现实的生活和实验中,常常要用到各种各样的电源,电压要求多样。如何设计一个电压稳定,输
2009-11-11 10:26:52
2639 
TOPSwitch-FX系列单片机开关电源应用设计
TOPSwitch-FX系列单片机电源集成电路广泛应用于各种通用及专用开关电源、待机电源、开关电源
2009-12-25 14:15:59
1862 
直流开关电源的拓扑结构
开关电源可分为直流开关电源和交流开关电源,是按输出来区分的,交流开关电源输出的
2010-03-09 10:59:24
3307 
单片开关电源的应用及发展
摘 要: 目前中、小功率开关电源正朝着单片集成化的方向发展。本文详细阐述近年来问世的各种单片开关电源的性能特点及典型应用。
2010-05-16 10:24:29
1363 
本文介绍了一种单片机加PWM芯片的开关电源设计方法,既可以保留PWM芯片带来的稳定工作性能,又可以利用单片机的控制能力提供各种人机交互和通信接口。
2011-05-15 23:39:49
17245 
由于远程供电的需要,需研制一台高压大功率直流 开关电源 。采用开关电源主要是因为开关电源功率可以做大、电压可以做高、电压调节范围可以做广。但是在整个研制过程中发现驱
2011-09-22 17:31:12
13686 
提出了基于单片机控制的程控开关电源解决方案,给出的主电路采用典型单端反激电路模式,控制电路采用51单片机为核心芯片,结合AD采样解决了控制功率开关管导通与关断信号PWM的控制
2011-09-29 17:26:37
234 本文介绍了UC3846N 电流脉冲宽度调制器( PWM )的特点, 研究了由其构成的某舰用大功率直流开关电源的工作原理, 提出了基于UC3846N 的舰用大功率开关电源故障检测的方法和技巧
2011-11-10 16:01:31
355 直流开关电源设计双闭环控制,UC3844芯片内部结构及功能,双管反激式开关电源。
2016-04-19 14:19:52
176 STC80C51基于单片机控制的开关电源论文资料
2016-09-01 15:44:10
53 如何更好的将单片机使用 在开关电源,分析单片机在电源的处理问题
2016-09-06 16:42:43
24 0-1000V高压直流稳压电源-数显开关恒压恒流电源-济南能华生产的NHWY系列开关型直流稳压稳流电源是一款高性能的直流电源供应器,内部采用PWM高频开关电源工作原理,具备交、直流兼容输入功能。采用
2017-11-18 12:20:21
5137 本文主要介绍了基于单片机的小功率直流电机调速设计。
2018-06-25 08:00:00
34 本文基于高性能单片机设计了数字控制的功率直流开关电源。首先介绍了该电源的原理及整体设计方案,其次介绍了部分关键电路的硬件设计,采用软件方式来实现功率直流电源的数字控制,给出了主程序及部分关键部分的程序流程图。该电源具有输出电压连续可调、精度高、电路简单、操作灵活等优点。
2019-03-04 18:29:07
24 由单片机控制的开关电源, 从对电源输出的控制来说, 可以有三种控制方式, 因此, 可供选择的设计方案有三种:( 1) 单片机输出一个电压( 经D/AC 芯片或PWM方式) , 用作开关电源的基准电压
2019-03-18 08:00:00
115 介绍了一种已投运的大功率直流电源的数字控制系统,它用多台单片机完成晶闸管整流系统的控制,详细介绍了控制系统的性能、特点以及各控制环节的工作过程。
2019-04-02 15:16:04
8 在国内,低压通信电源较成熟,高压开关电源尚处于研究阶段。一般大功率直流开关电源输入多采用220 V交流电网,为
2021-03-23 17:07:20
3902 
直流开关电源的软开关威廉希尔官方网站
综述
2021-06-21 10:49:14
19 002-BTS7960大功率直流电机驱动DXP资料(开关电源降压电路原理图)-BTS7960大功率直流电机驱动DXP资料
2021-07-26 13:37:31
30 89C51单片机控制的开关电源总结(通信电源威廉希尔官方网站
期刊是国家级吗)-文档为89C51单片机控制的开关电源总结文档,是一份不错的参考资料,感兴趣的可以下载看看,,,,,,,,,,,,,
2021-09-17 15:13:44
38 基于AVR-单片机的开关电源均流威廉希尔官方网站
(村田电源威廉希尔官方网站
有限公司)-该文档为基于AVR-单片机的开关电源均流威廉希尔官方网站
讲解文档,是一份不错的参考资料,感兴趣的可以下载看看,,,,,,,,,,,
2021-09-24 17:34:14
7 用AVR单片机控制开关电源(通信电源威廉希尔官方网站
2019第七期)-该文档为用AVR单片机控制开关电源简介文档,是一份还算不错的参考文档,感兴趣的可以下载看看,,,,,,,,,,,,,,,,,
2021-09-27 15:00:50
12 cpld和单片机在脉冲开关电源中的应用(通用电源威廉希尔官方网站
_深圳有限公司)-cpld和单片机在脉冲磁铁开关电源中的应用.pdf
2021-09-29 16:39:06
20 本人电力电子专业研究生,主要是做开关电源设计,而且主要是做数字控制的开关电源,数字控制器主要是使用TI的C2000系列DSP。精通硬件电路设计、开关电源设计、单片机编程、DSP编程、上位机编程。需要
2021-10-21 19:51:04
30 《直流开关电源的软开关威廉希尔官方网站
》阮新波
2021-12-21 15:26:37
0 什么是大功率直流电源?大功率直流电源是各种电子设备都不可缺少的设备,其功能会影响整体产品的使用效果,通常在选择不同功率的电源会根据产品的性能以及要求,大功率直流电源能够很好的为大功率设备供电
2022-01-07 11:48:35
2 CRE6255ME 是一款内置高压 MOS 功率开关管的高性能多模式原边控制的开关电源芯片。该产品方便用户以较少的外围元器件、较低的系统成本设计出高性能的交直流转换开关电源。
2022-07-03 17:19:23
2818 什么是大功率直流电源?大功率直流电源是各种电子设备都不可缺少的设备,其功能会影响整体产品的使用效果,通常在选择不同功率的电源会根据产品的性能以及要求,大功率直流电源能够很好的为大功率设备供电。大功率直流电源
2021-03-27 17:22:56
1468 
电子发烧友网站提供《PS223的功能及其在高性能大功率ATX开关电源中的设计应用.pdf》资料免费下载
2023-10-19 09:07:41
0 大功率直流电源是什么?如何对其选择? 大功率直流电源是一种能够提供大功率直流电能的设备。它主要由输入开关电源、整流电路、滤波电路、稳压电路和输出电源组成。大功率直流电源广泛应用于工业生产、科学研发
2023-11-17 11:22:08
668 大功率直流稳压电源原理 直流稳压电源是一种输出固定直流电压的电源设备,能够在负载变化和输入电压波动的情况下,保持输出电压的稳定性。大功率直流稳压电源主要是为一些需要大电流供电且要求电压稳定性较高
2024-01-23 14:48:15
334 的直流电源供应,适用于各种电子设备和电路的工作。相比于传统的线性电源,开关电源通常拥有更高的转换效率和更低的功率损耗,因此更加可靠和稳定。 综合性能优越:开关电源在输出电压稳定性、响应速度、负载调整性能等方面较
2024-02-05 11:21:31
771
评论