资料介绍
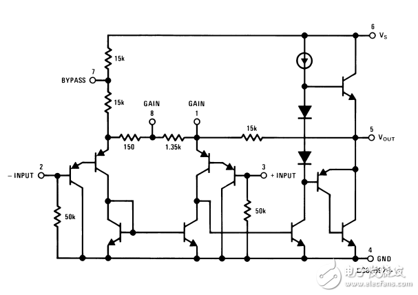
The LM386 is a power amplifier designed for use in low voltage consumer applications. The gain is internally set to 20 to
keep external part count low, but the addition of an external
resistor and capacitor between pins 1 and 8 will increase the
gain to any value up to 200.
The inputs are ground referenced while the output is automatically biased to one half the supply voltage. The quiescent power drain is only 24 milliwatts when operating from a
6 volt supply, making the LM386 ideal for battery operation.

- 电缆性能指标测试方法 15次下载
- 可兼容Arduino的声音传感器模块LM386 5次下载
- 常用芯片的型号、性能指标及适用场合 66次下载
- ABB-AC500-PLC性能指标 4次下载
- LM386音频放大电路大全 0次下载
- LM386数据手册 66次下载
- 动态性能指标定义 0次下载
- LM386学习资料 0次下载
- lm386中文资料 0次下载
- 常用集成稳压器型号与性能指标 2次下载
- lm386音频模块 33次下载
- 检测系统的性能指标 0次下载
- 串行生产线的性能指标与扰动分析
- LM386,pdf datasheet (Low Volta
- lm386 pdf
- 芯片lm386好坏的测量方法 501次阅读
- 控制系统的性能指标有哪些 1132次阅读
- 光电探测器的性能指标 4483次阅读
- LM386功放芯片介绍 4919次阅读
- 如何在放大器电路中使用LM386? 1649次阅读
- ADI公司设计工具:ADISimADC性能指标 1266次阅读
- 数控机床的规格和性能指标 1w次阅读
- 负反馈组态对放大电路性能指标的影响 2w次阅读
- lm386功放通电会产生噪音的原因及处理方法解析 2.5w次阅读
- 基于LM386的双向呼叫有线对讲机的设计与实现 1.1w次阅读
- LM386应用电路中防治自激啸叫的措施 1.1w次阅读
- LM386应用电路之喊话器电路 2.1w次阅读
- LM386应用电路之小功率主动声呐发射及接收电路 1w次阅读
- LM386应用电路之振荡器电路 6158次阅读
- 放大电路的性能指标解析 8763次阅读
下载排行
本周
- 1TC358743XBG评估板参考手册
- 1.36 MB | 330次下载 | 免费
- 2开关电源基础知识
- 5.73 MB | 6次下载 | 免费
- 3100W短波放大电路图
- 0.05 MB | 4次下载 | 3 积分
- 4嵌入式linux-聊天程序设计
- 0.60 MB | 3次下载 | 免费
- 5基于FPGA的光纤通信系统的设计与实现
- 0.61 MB | 2次下载 | 免费
- 651单片机窗帘控制器仿真程序
- 1.93 MB | 2次下载 | 免费
- 751单片机大棚环境控制器仿真程序
- 1.10 MB | 2次下载 | 免费
- 8基于51单片机的RGB调色灯程序仿真
- 0.86 MB | 2次下载 | 免费
本月
- 1OrCAD10.5下载OrCAD10.5中文版软件
- 0.00 MB | 234315次下载 | 免费
- 2555集成电路应用800例(新编版)
- 0.00 MB | 33564次下载 | 免费
- 3接口电路图大全
- 未知 | 30323次下载 | 免费
- 4开关电源设计实例指南
- 未知 | 21549次下载 | 免费
- 5电气工程师手册免费下载(新编第二版pdf电子书)
- 0.00 MB | 15349次下载 | 免费
- 6数字电路基础pdf(下载)
- 未知 | 13750次下载 | 免费
- 7电子制作实例集锦 下载
- 未知 | 8113次下载 | 免费
- 8《LED驱动电路设计》 温德尔著
- 0.00 MB | 6653次下载 | 免费
总榜
- 1matlab软件下载入口
- 未知 | 935054次下载 | 免费
- 2protel99se软件下载(可英文版转中文版)
- 78.1 MB | 537796次下载 | 免费
- 3MATLAB 7.1 下载 (含软件介绍)
- 未知 | 420026次下载 | 免费
- 4OrCAD10.5下载OrCAD10.5中文版软件
- 0.00 MB | 234315次下载 | 免费
- 5Altium DXP2002下载入口
- 未知 | 233046次下载 | 免费
- 6电路仿真软件multisim 10.0免费下载
- 340992 | 191185次下载 | 免费
- 7十天学会AVR单片机与C语言视频教程 下载
- 158M | 183279次下载 | 免费
- 8proe5.0野火版下载(中文版免费下载)
- 未知 | 138040次下载 | 免费
电子发烧友App





创作
发文章
发帖
提问
发资料
发视频
上传资料赚积分
评论