资料介绍
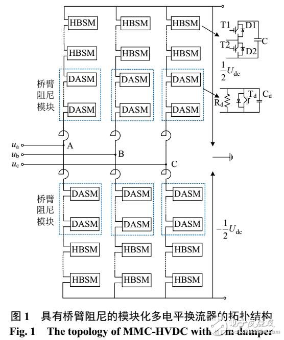
直流双极短路故障是柔性直流输电(voltage source converter based high voltage direct current, VSC-HVDC)系统最严重的故障之一。具有桥臂阻尼的半桥型模块化多电平换流器在故障后能加快故障电流的衰减速度,实现系统快速重启动。基于含桥臂阻尼的HBMMC(half bridge sub-module modular multilevel converter)-HVDC系统建立了一套完整的直流双极短路故障机理分析的解析模型,分别对换流器闭锁前,换流器闭锁后和交流断路器断开后3个阶段的故障机理进行了详细分析,并给出了每个阶段对应的桥臂电流解析表达式。通过此解析模型,可快速准确地计算直流双极短路故障发生后的故障电流及故障衰减时间,为其工程应用提供理论依据。最后,基于Matlab/Simulink仿真软件搭建了含桥臂阻尼的HBMMC-HVDC系统仿真模型,通过仿真验证了该解析模型的可行性与准确性。

- 全桥型MMC-HVDC输电系统控制策略研究
- 基于混合子模块的MMC故障阻断及谐波特性分析 0次下载
- 基于动态相量法的改进小干扰稳定分析模型 10次下载
- 零序电流影响机理分析与抑制 0次下载
- 交流系统线路自适应距离保护 0次下载
- MMC-HVDC无源性PI稳定控制与环流抑制方法 1次下载
- MMC-HVDC单极接地故障测距 2次下载
- 高压直流变压器的直流故障特性 12次下载
- 直流系统贡献短路电流的机理 5次下载
- MMC-HVDC混合阻断拓扑直流故障抑制 1次下载
- MMC-MTDC单级对短路故障特性 0次下载
- 适用于MMC-HVDC的直流电容电压优化平衡方法 13次下载
- MMC-HVDC系统冗余容错模型预测控制 1次下载
- MMC-HVDC系统桥臂阻抗不对称模型预测控制 0次下载
- 基于半压钳位子模块的MMC直流短路故障穿越研究_李笑倩 0次下载
- 如何排除PCBA加工的短路故障 486次阅读
- MMC全桥子模块电磁暂态快速模型建模 2665次阅读
- 为何会出现接地、短路故障 4434次阅读
- HVAC与HVDC威廉希尔官方网站 的优势 3683次阅读
- 如何查找出电线短路故障 1.8w次阅读
- 变频器P、N直流母线电路故障图解析 6973次阅读
- 短路故障产生的原因有哪些_短路故障的危害 2.7w次阅读
- 短路故障的类型和特点 2.3w次阅读
- 检修电路板VCC供电短路故障 4009次阅读
- 变压器线圈常见三种失效机理介绍 1w次阅读
- 三种高压直流断路器开断短路电流的方法 5784次阅读
- 了解电子元器件失效的机理、模式以及分析威廉希尔官方网站 等 1.1w次阅读
- 电力设备和线路短路故障的保护有哪些 9433次阅读
- 盘点:放大器电路故障分析方法 1.6w次阅读
- 常用的电子元器件失效机理与故障分析 3679次阅读
下载排行
本周
- 1Keysight B1500A 半导体器件分析仪用户手册、说明书 (中文)
- 19.00 MB | 4次下载 | 免费
- 2使用TL431设计电源
- 0.67 MB | 2次下载 | 免费
- 3BT134双向可控硅手册
- 1.74 MB | 2次下载 | 1 积分
- 4一种新型高效率的服务器电源系统
- 0.85 MB | 1次下载 | 1 积分
- 5LabVIEW环形控件
- 0.01 MB | 1次下载 | 1 积分
- 6PR735,使用UCC28060的600W交错式PFC转换器
- 540.03KB | 1次下载 | 免费
- 751单片机核心板原理图
- 0.12 MB | 1次下载 | 5 积分
- 8BP2879DB支持调光调灭的非隔离低 PF LED 驱动器
- 1.44 MB | 1次下载 | 免费
本月
- 1开关电源设计原理手册
- 1.83 MB | 54次下载 | 免费
- 2FS5080E 5V升压充电两串锂电池充电管理IC中文手册
- 8.45 MB | 23次下载 | 免费
- 3DMT0660数字万用表产品说明书
- 0.70 MB | 13次下载 | 免费
- 4UC3842/3/4/5电源管理芯片中文手册
- 1.75 MB | 12次下载 | 免费
- 5ST7789V2单芯片控制器/驱动器英文手册
- 3.07 MB | 11次下载 | 1 积分
- 6TPS54202H降压转换器评估模块用户指南
- 1.02MB | 8次下载 | 免费
- 7STM32F101x8/STM32F101xB手册
- 1.69 MB | 8次下载 | 1 积分
- 8基于MSP430FR6043的超声波气体流量计快速入门指南
- 2.26MB | 7次下载 | 免费
总榜
- 1matlab软件下载入口
- 未知 | 935119次下载 | 10 积分
- 2开源硬件-PMP21529.1-4 开关降压/升压双向直流/直流转换器 PCB layout 设计
- 1.48MB | 420061次下载 | 10 积分
- 3Altium DXP2002下载入口
- 未知 | 233084次下载 | 10 积分
- 4电路仿真软件multisim 10.0免费下载
- 340992 | 191367次下载 | 10 积分
- 5十天学会AVR单片机与C语言视频教程 下载
- 158M | 183335次下载 | 10 积分
- 6labview8.5下载
- 未知 | 81581次下载 | 10 积分
- 7Keil工具MDK-Arm免费下载
- 0.02 MB | 73807次下载 | 10 积分
- 8LabVIEW 8.6下载
- 未知 | 65987次下载 | 10 积分
电子发烧友App





创作
发文章
发帖
提问
发资料
发视频
评论