资料介绍
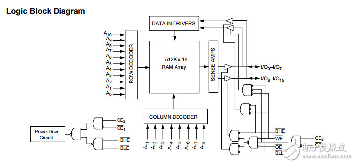
	  The CY62157E is a high performance CMOS static RAM organized as 512K words by 16 bits. This device features advanced circuit design to provide ultra low active current. This is ideal for providing More Battery Life (MoBL®) in portable applications. The device also has an automatic power down feature that significantly reduces power consumption when addresses are not toggling. Place the device into standby mode when deselected (CE1 HIGH or CE2 LOW or both BHE and BLE are HIGH)。 The input or output pins (I/O0 through I/O15) are placed in a high impedance state when: ■ Deselected (CE1HIGH or CE2 LOW) ■ Outputs are disabled (OE HIGH) ■ Both Byte High Enable and Byte Low Enable are disabled (BHE, BLE HIGH) ■ Write operation is active (CE1 LOW, CE2 HIGH and WE LOW) To write to the device, take Chip Enable (CE1 LOW and CE2 HIGH) and Write Enable (WE) inputs LOW. If Byte Low Enable (BLE) is LOW, then data from I/O pins (I/O0 through I/O7), is written into the location specified on the address pins (A0 through A18)。 If Byte High Enable (BHE) is LOW, then data from I/O pins (I/O8 through I/O15) is written into the location specified on the address pins (A0 through A18)。 To read from the device, take Chip Enable (CE1 LOW and CE2 HIGH) and Output Enable (OE) LOW while forcing the Write Enable (WE) HIGH. If Byte Low Enable (BLE) is LOW, then data from the memory location specified by the address pins appear on I/O0 to I/O7. If Byte High Enable (BHE) is LOW, then data from memory appears on I/O8 to I/O15. See Truth Table on page 12 for a complete description of read and write modes. The CY62157E device is suitable for interfacing with processors that have TTL I/P levels. It is not suitable for processors that require CMOS I/P levels. Please see Electrical Characteristics on page 4 for more details and suggested alternatives. For a complete list of related documentation, click here.
	
- 静态RAM——CY7C1041CV33文件解析 31次下载
 - cy7c1018dv33 1 - Mbit(128 K×8)静态RAM 5次下载
 - cy6264 8k×8静态RAM 21次下载
 - cy7c1009d 1 - Mbit(128 K×8)静态RAM 3次下载
 - cy62126esl mobl®1 - Mbit(64 K×16)静态RAM 4次下载
 - cy62138fv30 mobl® 2兆位(256 K×8)静态RAM 5次下载
 - cy62158ev30 mobl® 8兆位(1024 K×8)静态RAM 16次下载
 - cy62148e mobl® 4兆位(512K的×8)静态RAM 21次下载
 - cy62148e mobl®4兆位(512K的×8)静态RAM 8次下载
 - cy62148e mobl®4兆位(512K的×8)静态RAM 0次下载
 - cy7c1019dv33 1mbit(128 K×8)静态RAM 6次下载
 - cy62168ev30 mobl®16兆位(2米×8)静态RAM 8次下载
 - cy62177ev30 mobl®32兆位(2米×16 / 4米×8)静态RAM 3次下载
 - cy62147ev30 mobl®汽车4兆位静态RAM 4次下载
 - cy621282bn mobl®汽车1兆位静态RAM 5次下载
 
- fpga双口ram的使用 743次阅读
 - IC设计:常见的ram访问冲突 1326次阅读
 - 基于CY8C24894 PSoC的超声波测距系统解决方案 3156次阅读
 - 基于CY8C24533芯片实现电动车自行车控制系统的应用方案 6041次阅读
 - CY8CKIT-035电源管理扩展的特点性能及应用 2021次阅读
 - FLIR E4、E5、E6和E8红外热像仪的性能特点及应用范围 2666次阅读
 - 89C52单片机与双口RAM如何实现数据通信 3140次阅读
 - 静态工作点是什么_静态工作点的作用 6.3w次阅读
 - MCS-51单片机对RAM数据存储器的扩展 5764次阅读
 - 单片机中的CY与OV详细解析 3.5w次阅读
 - 基于使用STM32F103单片机,实现64Mbit单对单通信 1670次阅读
 - 双口RAM概述及Vivado RAM IP核应用 1.2w次阅读
 - 8个数码管静态显示_数码管的动态显示 1.9w次阅读
 - 数码管静态显示介绍_8位数码管静态显示程序解析 1.5w次阅读
 - 解读片上RAM和外部RAM访问速度的差异问题 6220次阅读
 
下载排行
本周
- 1HFSS电磁仿真设计应用详解PDF电子教程免费下载
 - 24.30 MB | 128次下载 | 1 积分
 - 2雷达的基本分类方法
 - 1.25 MB | 4次下载 | 4 积分
 - 3电感威廉希尔官方网站 讲解
 - 827.73 KB | 2次下载 | 免费
 - 4从 MSP430™ MCU 到 MSPM0 MCU 的迁移指南
 - 1.17MB | 2次下载 | 免费
 - 5有源低通滤波器设计应用说明
 - 1.12MB | 2次下载 | 免费
 - 6RA-Eco-RA2E1-48PIN-V1.0开发板资料
 - 35.59 MB | 2次下载 | 免费
 - 7面向热插拔应用的 I2C 解决方案
 - 685.57KB | 1次下载 | 免费
 - 8爱普生有源晶体振荡器SG3225EEN应用于储能NPC、新能源
 - 317.46 KB | 1次下载 | 免费
 
本月
- 12024年工控与通信行业上游发展趋势和热点解读
 - 2.61 MB | 763次下载 | 免费
 - 2HFSS电磁仿真设计应用详解PDF电子教程免费下载
 - 24.30 MB | 128次下载 | 1 积分
 - 3继电保护原理
 - 2.80 MB | 36次下载 | 免费
 - 4正激、反激、推挽、全桥、半桥区别和特点
 - 0.91 MB | 32次下载 | 1 积分
 - 5labview实现DBC在界面加载配置
 - 0.57 MB | 21次下载 | 5 积分
 - 6在设计中使用MOSFET瞬态热阻抗曲线
 - 1.57MB | 15次下载 | 免费
 - 7GBT 4706.1-2024家用和类似用途电器的安全第1部分:通用要求
 - 7.43 MB | 14次下载 | 免费
 - 8AD18学习笔记
 - 14.47 MB | 8次下载 | 2 积分
 
总榜
- 1matlab软件下载入口
 - 未知 | 935113次下载 | 10 积分
 - 2开源硬件-PMP21529.1-4 开关降压/升压双向直流/直流转换器 PCB layout 设计
 - 1.48MB | 420061次下载 | 10 积分
 - 3Altium DXP2002下载入口
 - 未知 | 233084次下载 | 10 积分
 - 4电路仿真软件multisim 10.0免费下载
 - 340992 | 191360次下载 | 10 积分
 - 5十天学会AVR单片机与C语言视频教程 下载
 - 158M | 183329次下载 | 10 积分
 - 6labview8.5下载
 - 未知 | 81578次下载 | 10 积分
 - 7Keil工具MDK-Arm免费下载
 - 0.02 MB | 73804次下载 | 10 积分
 - 8LabVIEW 8.6下载
 - 未知 | 65985次下载 | 10 积分
 
	                电子发烧友App
	            
	        
	        
          
        
        
	                    
                        
                        
                        
                        
                        

创作
发文章
发帖  
提问  
发资料
发视频
           
            
            
                
            
评论