电子发烧友网站提供《基于C8051F040的以太网-CAN转换电路设计.pdf》资料免费下载
2023-10-18 10:59:30
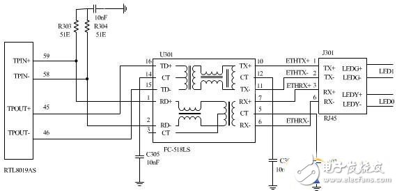
0 电路用到的芯片资料:rtl8019as.pdf 以太网接口电路原理图
2008-10-13 14:03:32
电子发烧友网站提供《以太网电路设计注意事项.pdf》资料免费下载
2023-07-31 15:25:07
0 无源元件:电子电路设计的要点
2023-01-04 11:17:21
442 本文档的主要内容详细介绍的是100个实用电子电路图集免费下载。
2020-03-10 08:00:00
174 在进行电子电路设计时,最需要重视的原则就是整体性原则,因为在设计电子电路时,必须要从整体的角度出发,从整体到局部的进行电子电路的设计,也就是说在进行设计时,要考虑电子电路各个部件之间的关系,通过对部件的分析,从而判断其整体性质。
2019-09-26 15:26:40
18055 对初学者来说,复杂的电子电路图上布满了密密麻麻的电路符号,根本不知从何下手识图,也不能从电子电路原理图中找出电子产品的故障所在,更不能得心应手地去设计各种各样的电子电路。其实,只要对电子电路图进行
2019-01-27 11:33:57
53744 
随着电子工业的飞速发展,电子产品及设备日新月异,威廉希尔官方网站
含量越来越高,结构也越来越复杂,对电子威廉希尔官方网站
人员的素质也提出了更高的要求。熟练识读电子电路图是对电子爱好者的基本要求,也是进一步学习各种专业
2018-11-02 16:51:47
173 简单实用的以太网口防护方案电路图
2017-04-19 09:01:36
13 万兆以太网MAC的流量控制电路设计与实现_杨莹
2017-03-04 18:07:53
0 详细的电子电路设计从入门到精通是学习电路设计的最好的必备
2016-06-17 16:00:44
85 紧扣“怎样识读电子电路图”的主题,系统地介绍了看懂电路图所必须掌握的基础知识和基本方法,并通过具体的电路实例对常用电路进行了具体分析。内容包括电路图的构成要素、电路图符号、电路图的一般画法规则、各种元器件的特点与作用、分析电路图的基本方法与步骤、集成电路和数字电路的看图方法、单元电路的分析方法等。
2016-04-25 17:40:36
19 紧扣“怎样识读电子电路图”的主题,系统地介绍了看懂电路图所必须掌握的基础知识和基本方法,并通过具体的电路实例对常用电路进行了具体分析。内容包括电路图的构成要素、电路图符号、电路图的一般画法规则、各种元器件的特点与作用、分析电路图的基本方法与步骤、集成电路和数字电路的看图方法、单元电路的分析方法等。
2016-04-25 17:40:36
17 车辆中引入以太网连接正成为一种快速发展的趋势。100Mbps标准提供快速强大的数据互连,适用于ADAS功能,例如诊断和Flash下载、远程信息处理和雷达。它还支持新一代信息和娱乐消费电子应用。随着以太网功能的扩展,它将成为车辆的高宽带基础。
2015-12-01 14:37:52
5095 电子电路设计实践,书籍详细介绍关于电子设计方面的知识内容1
2015-11-30 14:08:13
23 实用电子电路设计制作详解,电子基础实用电子电路设计制作详解
2015-11-17 11:44:00
52 250种功放电路图集锦,感兴趣的可以下载看看!
2015-10-29 17:13:45
218 经典的四电阻差动放大器似乎很简单,但其在电路中的性能不佳。从实际生产设计出发,讨论了分立式电阻、滤波、交流共模抑制和高噪声增益的不足之处。
2015-09-16 11:10:27
15751 随着汽车工业的发展,汽车上的电子控制系统数量呈指数增长,以ECU为核心的车载电子控制系统逐步取代了被动器件和机械系统,同时也完成了大多数测量、驱动和控制的功能。##随着汽车工业的发展,汽车上的电子
2015-08-13 15:07:53
29098 本文主要介绍了ARM光学指纹识别系统、MBF200固态指纹传感器、FPS200固体指纹识别传感器以及8051指纹识别系统电路设计,侧重于电路路原理分析与过程详解,以供读者品读。
2015-07-10 14:07:17
26763 在电路设计中总会存在着一些不稳定因素,而用来防止此类不稳定因素影响电路效果的回路称作保护电路。比如有过流保护、过压保护、过热保护、空载保护、短路保护等。
2015-07-06 15:09:32
9673 IGBT绝缘栅双极型晶体管,是由BJT和MOS组成的复合全控型电压驱动式功率半导体器件,它既有功率MOSFET易于驱动,控制简单、开关频率高的优点,又有功率晶体管的导通电压低,通态电流大,损耗小的显著优点。
2015-06-25 11:05:53
34938 红外遥控密码锁电子电路,不但具有普通密码锁智能控制上锁、报警等特点,而且在不扩展E2PROM的情况下,可以实现8位密码任意修改的功能,
2015-05-25 11:47:45
6254 W5100 是一款多功能的单片网络接口芯片,内部集成有 10/100Mbps 以太网控制器,主要应用于高集成、高稳定、高性能和低成本的嵌入式系统中。
2015-05-12 15:22:51
8306 包含了智能电动平衡车电路、采用MSP430的机器人定位系统电路、多路舵机控制电路等智能硬件电路设计,以供读者品读。
2015-05-08 15:06:26
13659 以太网IEEE802.3a供电设备 (PSE)解决方案,不需要外接元件能自动管理四个802.3端口,可以自动检测受电设备 (PD)和分类,满足IEEE 400-ms TPON 标准。主要用在以太网交换和路由器、住宅区网关、PoE传递系统、无线回传、监测NVR和DVR等。
2015-05-04 11:01:07
4042 智能汽车威廉希尔官方网站
将许多领域联系在一起,如计算机科学、人工智能、图像处理、模式识别和控制理论等,智能汽车与一般所说的自动驾驶有所不同,它更多指的是利用GPS 和智能公路威廉希尔官方网站
实现的汽车自动驾驶。
2015-04-17 17:23:16
26159 射频LNA设计要求,低噪声放大器(LNA)作为射频信号传输链路的第一级,它的噪声系数特性决定了整个射频电路前端的噪声性能。
2015-04-03 11:10:26
28799 低压便携设备LED驱动电路设计攻略,着重介绍半导体采用不同拓扑结构、用于低压便携设备背光或指示器应用的各种白光或RGB LED驱动器.
2015-03-27 12:40:12
14275 六中常用串口接口电路图设计。如果你是Win95/98/Me操作系统的话那第1和第2两种是最合适的,制作简单。如果是Win2000/XP操作系统的话第3种最合适,当然如果你的电脑只有25针串口可以用的话选第4种就好了。
2015-03-11 14:08:14
15252 开关电源的主要电路是由输入电磁干扰滤波器(EMI)、整流滤波电路、功率变换电路、PWM控制器电路、输出整流滤波电路组成。辅助电路有输入过欠压保护电路、输出过欠压保护电路、输出过流保护电路、输出短路保护电路等。
2015-03-09 15:13:08
22199 单片机出现的历史并不长,但发展十分迅猛,它的产生与发展和微处理器的产生与发展大体同步,自1971年美国Intel公司首先推出4位微处理器以来,它的发展到目前有着巨大飞跃。
2015-02-13 13:58:48
24082 作为专业集成电路领域中的半定制电路而出现的FPGA,不但解决了定制电路的不足,而且克服了原有可编程器件因门电路数有限的而产生的缺点。
2015-02-06 11:32:41
27706 电子连接器是传输电子信号的装置(类比信号或数位信号),可提供分离的界面用以连接两个次电子系统,是用以完成电路或电子机器等相互间电气连接的元件。
2015-01-30 11:53:14
15324 结合CAN总线与以太网自身的优缺点,研究了监控系统基于双CAN总线与以太网的现场监控模块,该模块可安装于配电开关柜内,能够就近进行电流、电压及开关状态信息的采集,独立进行数据处理,实现测量、保护、控制等功能。
2015-01-21 14:58:06
2823 以太网供电(PoE)是利用现有的网络5类数据电缆传输直流电源,在传递信号的同时也将电源传递给用电设备(PD),如IP电话、无线接入点及网络监控摄像头等,省去了本地电源。在PoE系统中,为PD提供电源的设备叫供电设备(PSE)。
2015-01-20 16:39:12
4734 提出一种工业现场总线与以太网互联方法,介绍以太网与CAN 现场总线之间协议转换网关的设计与实现,采用AT89C55 作为主处理器。
2015-01-19 14:34:42
3732 智能家电是将计算机通信网络威廉希尔官方网站
与数字威廉希尔官方网站
,以简单精巧的形式融入到传统家电中,使家电具备智能化和信息网络功能。智能家电的产生和发展将对传统家电、计算机和通信业产生深远影响。
2015-01-16 17:47:30
15144 要想监测到实时的温湿度数据,就必须采用无线传输的方式对数据进行采集、发送、接收并对无线采集来的数据通过上位机进行处理,以控制并监测设备的运行情况,减少不必要的线路设备开支。
2015-01-12 16:08:08
7978 介绍了机器视觉系统中PWM/电压输出电路、I\O 口电路与QEP 电路设计,使得开发人员可以通过电路介绍将数字威廉希尔官方网站
与摄像头、传感器、电机和其他外设集成来轻松构建 3D 点云。
2015-01-06 11:22:40
6932 智能照明控制系统应用电路单独使用微电脑时控开关时,一旦在供电时间范围以外出现阴天光照暗的情况。需要提供照明时,因不在供电时间范围内,无法提供照明。
2014-12-26 10:00:02
23081 MSP430系列单片机是美国德州仪器开始推向市场的一种16位超低功耗、具有精简指令集的混合信号处理器。电子发烧友网专门整合了基于MSP430的设计电路图集锦。
2014-11-12 10:11:49
12487 采用NEC upd78F0547单片机为主控制器,通过键盘来设置直流电源的输出电流,并可由液晶显示器显示输出的电压、电流值。主电路采用运放LM324和达林顿管组成调节电路,电路设计合理,编程正确。除了完成题目要求外,电路设计了步进设置功能,可设置不同的恒流和稳压值。
2014-10-17 09:39:03
21028 蓝牙威廉希尔官方网站
作为一种低成本、低功耗、近距离的无线通信威廉希尔官方网站
,正广泛应用于固定与移动设备通信环境中的个人网络,数据速率可高达1Mb/s;它采用跳频/时分复用威廉希尔官方网站
,能进行点对点和点对多点的通信。
2014-10-10 10:18:19
9749 《怎样识读电子电路图》紧扣怎样识读电子电路图的主题,系统地介绍了看懂电路图所必须掌握的基础知识和基本方法,并通过具体的电路实例对常用电路进行了具体分析。内容包括电
2012-03-31 14:17:46
919 电子发烧友特为大家整理了 光电隔离 电子电路图全集,详细介绍了各种光电隔离电子电路图的原理及功能分析,相信对大家学习很有用处
2011-08-24 17:51:36
864 以太网到多路E1适配电路设计及FPGA实现
摘要:介绍了一种基于现场可编程门阵列(FPGA)的以太网数据-多路E1反向复用器同步电路设计,分析了FPGA具体实现过程中的一些常
2009-11-13 20:59:00
22 CAN 以太网接口电路设计图
2009-05-16 16:00:00
3374 
模拟电子常用电子电路图集
2009-04-02 15:28:39
6454 
20个音频电路,音频电路图集锦,音频集成电路资料等内容。
2008-12-02 09:26:49
496 电子电路图的定义:
用导线将电源、开关(电键)、用电器、电流表、电压表等连接起来组成电路,再按照统一的符号将它们表示出来,这样绘制出的就叫做电路图。
2008-11-08 08:56:05
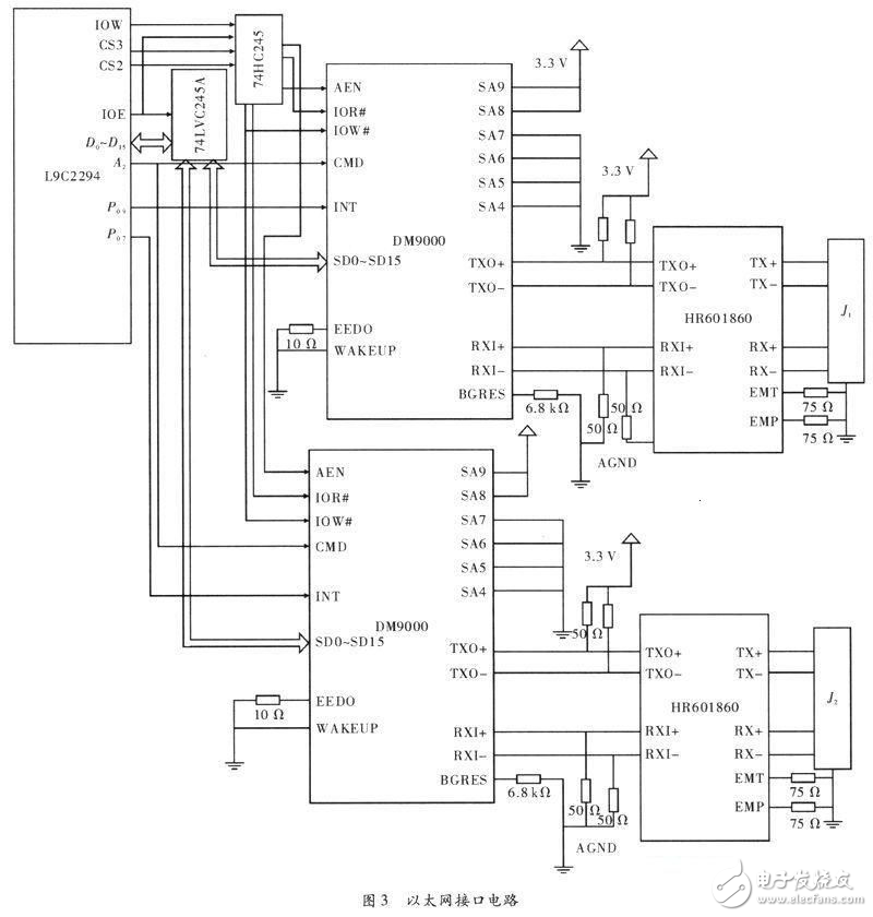
3329 以太网接口电路
2008-10-13 14:03:07
2875 
美国车系电路图的识读方法
法国车系电路图的识读方法
日本车系电路图的识读方法
大众车系电路图的识读方法
2008-08-04 20:22:10
522 直流升压电压电路图集锦:
三极管升压电路:
2007-11-22 20:56:32
8374
评论